Поиск подшипника
Статьи
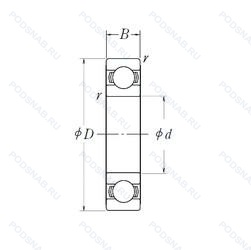
6205L11-H-20DDU — Подшипник шариковый из нержавеющей стали, модификация основного исполнения 6205, производство NSK.
Размер подшипника: 25x52x15 мм.
Коррозионностойкая нержавеющая сталь. серия long life, резиновые уплотнения с каждой стороны подшипника, molded oil™ general use.
Международная стандартизации ISO
6205L11H20DDU
В наличии
| Обозначение | Конструктивные изменения |
|---|---|
| 6205ZE | щит из листовой прессованной стали с одной стороны подшипника. |
| 6205NSE | Резиновое уплотнение с одной стороны. |
| 6205-2Z-N | Защитные металлические шайбы с обеих сторон подшипника. Канавка под стопорное кольцо на внешнем кольце. |
| 6205-RS2 | Contact Seal Of Fluoro Rubber (FPM) With Sheet Steel Reinforcement On One Side Of The Bearing. |
| 6205L11-H-20ZZ | Pressed Snap-Type Steel Cage. Hardened. Molded Oil™ General Use. |
| 6205L11-H-20 | Pressed Snap-Type Steel Cage. Hardened. Distance Between Beginning Of The Rail And First Hole In MM. Molded Oil™ General Use. |
| 6205T1X | Полиамидный фиксатор. |
| 6205L11 | Molded Oil™ General Use. |
| 6205/26 | 1.5/8. |
| 6205LBLU | Двухкромочное нитриловое контактное уплотнение. Бесконтактное нитриловое уплотнение. |
| 6205LLBC3/L283QP | Внутренний радиальный зазор С3. Бесконтактное нитриловое уплотнение. |
| 6205LLH | Манжетное уплотнение с обеих сторон подшипника. |
| 6205LLBNR | Канавка и стопорное кольцо на наружном кольце. Бесконтактное нитриловое уплотнение. |
| 6205/27 | 1.11/16. |
| 6205LUZ | Стальная шайба. Двухкромочное нитриловое контактное уплотнение. |
| 6205LLUN | Канавка для стопорного кольца на наружном кольце. Двухкромочное нитриловое контактное уплотнение. |
| 6205LB | Бесконтактное нитриловое уплотнение. |
| 6205LLB | Уплотнение бесконтактного типа из синтетического каучука. |
| 6205X31CS14PX29 | Механически обработанный сепаратор. Модификация фаски. |
| F-6205J1LLU | Штампованный стальной сепаратор. Шариковые подшипники из нержавеющей стали. Двухкромочное нитриловое контактное уплотнение. |
| 6205-2RS d1 C3 | Внутренний зазор больше нормального. Резиновые уплотнения с каждой стороны подшипника. Number Of Carriages Per Rail Track. |
| 6205LT | Ассортимент TOPLINE для низких температур - минимум -40 C° с уплотнениями с обеих сторон. |
| 6205G15 | Сепаратор из полиамида 6.6 армированный стекловолокном. |
| 6205NRZ | Защитная пластина с одной стороны. Канавка и стопорное кольцо на наружном кольце. |
| 6205NEE | Контактные уплотнения с двух сторон. Канавка на наружном кольце. |
Модификации нержавеющего шарикового подшипника 6205L11-H-20DDU — это измененное основное конструктивное исполнение 6205, основные размеры (25x52x15) не отличаются.
| Обозначение | Гост | Конструктивные особенности |
|---|---|---|
| S6205-2RSR-HLC | ISO | Резиновые уплотнения с каждой стороны подшипника. Код местонахождения завода. может использоваться в стандартной комплектации. |
| SS6205ZZ | ISO | Защитные металлические шайбы с обеих сторон. |
| S6205.2RSR | ISO | Резиновые уплотнения с каждой стороны подшипника. |
| A205KPRB | ISO | Conrad (Non-Filling Slot) Type. Molded Nylon Cage. |
| W6205-2Z | ISO | Защитные металлические шайбы с обеих сторон подшипника. Нержавеющая сталь. |
| S6205 2RS-GA351 | ISO | Резиновые уплотнения с каждой стороны подшипника. This Has Something To Do With The Radial Clearance. Which Is Different From The Item Without The Suffix GA351. |
| S6205 2RS GL | ISO | Резиновые уплотнения с каждой стороны подшипника. Консистентная смазка. |
| S6205 2RS W203 | ISO | Резиновые уплотнения с каждой стороны подшипника. Подшипники из нержавеющей стали 1.3541M (X65Cr13). |
| U-6205-H-20S4MYSV-01 | ISO | Коррозионностойкая нержавеющая сталь. Серия Long Life. |
| W6205-2Z/C3VT127 | ISO | Внутренний зазор больше нормального. Защитные металлические шайбы с обеих сторон подшипника. Lubrication Barrierta. High-Low Temperature Grease -35°C/+260°C. |
| SS6205 2RLD C3 | ISO | Внутренний зазор больше нормального. Two. Nitrile. Contact Seals (Standard Torque). |
| S6205EE | ISO | Резиновые уплотнения с каждой стороны подшипника. |
| 205SFFST | ISO | Single Row Radial Conrad-Type Bearings. Металлическое уплотнение с двух сторон. Stainless Steel (440C) Rings And Rolling Elements. |
| SF6205 2RS K C3 | ISO | Внутренний зазор больше нормального. Коническое отверстие. конус 1/12. RUBBER SEAL AT EACH SIDE OF THE BEARING. |
| S6205HLC | ISO | Код местонахождения завода. может использоваться в стандартной комплектации. |
| SS6205 2RS NR | ISO | Резиновые уплотнения с каждой стороны подшипника. Канавка под стопорное кольцо на наружном кольце с соответствующим стопорным кольцом. |
| W6205-2RS1/VP311 | ISO | Усиленные листовой сталью контактные уплотнения из акрилонитрил-бутадиенового каучука (NBR) с обеих сторон подшипника. Нержавеющая сталь. SKF Food Line Bearing/ Blue-Coloured Contact Seal Made Of FDA and EC Approved NBR And Lubricant (GFJ) Registered By NSF As Category H1. |
| 205SFFS | ISO | Two Felt Seals. Replaced By 88xxx. |
| S6205-2RSR-FD | ISO | Резиновые уплотнения с каждой стороны подшипника. Подшипник разработан для пищевой промышленности. Значительно более высокая коррозионная стойкость и стойкость к воздействию среды. |
| S6205-2Z-W203B | ISO | Защитные металлические шайбы с обеих сторон. Подшипники из нержавеющей стали 1.3541M (X65Cr13). |
Аналог нержавеющего шарикового подшипника 6205L11-H-20DDU — это подшипник такого же размера dx25,Dx52,Bx15, типа и конструкции.
| Обозначение | Конструктивные особенности | Внутренний (d) | Наружный (D) | Ширина (B) |
|---|---|---|---|---|
| 55-32205 Б3 | Роликовый радиальный однорядный подшипник. Сепаратор из безоловянистой бронзы.. | 25.00 | 52.00 | 15.00 |
| 580205-AC17 | Шариковый радиальный однорядный подшипник. Литол-24. | 25.00 | 52.00 | 15.00 |
| 580205-А | Шариковый радиальный однорядный подшипник. Повышенная грузоподъемность. | 25.00 | 52.00 | 15.00 |
| 580205-АЕК7С17 | Шариковый радиальный однорядный подшипник. Смазка Литол-24. Сепаратор из текстолита.. Повышенная грузоподъемность. | 25.00 | 52.00 | 15.00 |
| 580205-АС17 | Шариковый радиальный однорядный подшипник. Смазка Литол-24. Повышенная грузоподъемность. | 25.00 | 52.00 | 15.00 |
| 6-180205 А | Шариковый радиальный однорядный подшипник. Повышенная грузоподъемность. | 25.00 | 52.00 | 15.00 |
| 6-180205 А1С9 | Шариковый радиальный однорядный подшипник. Повышенная грузоподъемность. Смазка ЛЗ-31. | 25.00 | 52.00 | 15.00 |
| 6-180205 АКС17 | Шариковый радиальный однорядный подшипник. Смазка Литол-24. Повышенная грузоподъемность. | 25.00 | 52.00 | 15.00 |
| 6-180205 АС17 | Шариковый радиальный однорядный подшипник. Смазка Литол-24. Повышенная грузоподъемность. | 25.00 | 52.00 | 15.00 |
| 6-180205 АС17Ш1 | Шариковый радиальный однорядный подшипник. Смазка Литол-24. Повышенная грузоподъемность. Нормы шумности. | 25.00 | 52.00 | 15.00 |
| 6-180205 К6С2 | Шариковый радиальный однорядный подшипник. Смазка ЦИАТИМ-221. | 25.00 | 52.00 | 15.00 |
| 6-180205 КС9 | Шариковый радиальный однорядный подшипник. «Замок» (скос) на внутреннем кольце плюс массивный сепаратор из текстолита. Смазка ЛЗ-31. | 25.00 | 52.00 | 15.00 |
| 6-180205 С17 | Шариковый радиальный однорядный подшипник. Смазка Литол-24. | 25.00 | 52.00 | 15.00 |
| 6-180205 С9 | Шариковый радиальный однорядный подшипник. Смазка ЛЗ-31. | 25.00 | 52.00 | 15.00 |
| 6-180205 Ш1 | Шариковый радиальный однорядный подшипник. Нормы шумности. | 25.00 | 52.00 | 15.00 |
Способы доставки
Отправка через ведущие транспортные и курьерские компании: ПЭК, Деловые Линии, СДЭК, Байкал-Сервис, Энергия, КИТ, ЖелДорЭкспедиция.
Самовывоз возможен напрямую со склада в Москве.
Сроки доставки
Срок зависит от региона и выбранной транспортной компании. Все заказы комплектуются и отправляются в кратчайшие сроки со склада в Москве.
Надёжность и сохранность
Вся продукция упаковывается с учётом требований транспортировки. Мы гарантируем, что подшипники и комплектующие прибудут к заказчику в полной сохранности.
Доставка в страны ЕАЭС
Мы работаем с проверенными логистическими партнёрами, что позволяет оперативно доставлять заказы в Беларусь, Казахстан, Армению и другие страны ЕАЭС.
Варианты оплаты:
Минимальная сумма заказа и скидки:
Документы и гарантии:
Да, конечно! Наши технические специалисты готовы помочь вам с подбором точного аналога или замены подшипника. Просто позвоните нам по телефону +7 (495) 104-99-04 или напишите на почту zakaz@podsnab.ru.
Для оперативной консультации подготовьте, пожалуйста, имеющиеся данные: маркировку, размеры, тип оборудования или артикул старого подшипника.
Да, конечно! Мы высоко ценим долгосрочное сотрудничество и доверие клиентов по всей России. Для постоянных клиентов действует персональная система скидок.
Условия формируются индивидуально и зависят от:
Чтобы узнать свои условия и получить максимально выгодное предложение, свяжитесь с персональным менеджером или напишите нам на почту zakaz@podsnab.ru.
Вы можете оформить заказ несколькими способами:
Для оформления заказа от юридического лица свяжитесь с нашим отделом по работе с корпоративными клиентами по телефону +7 (495) 104-99-04 или напишите на email zakaz@podsnab.ru, прикрепив реквизиты вашей организации.
Мы оперативно подготовим коммерческое предложение и выставим счет.
Возврат товара надлежащего качества возможен в течение 10 дней с момента получения, если товар не был в употреблении, сохранен товарный вид, упаковка не вскрывалась и присутствуют все сопроводительные документы.
Возврат денежных средств осуществляется в течение 10 рабочих дней после проверки товара складом.
В соответствии с законодательством возврату не подлежат подшипники надлежащего качества, если отсутствует оригинальная упаковка или имеются следы монтажа.
В случае выявления брака или гарантийного случая мы гарантируем возврат или обмен товара.
Да, гарантийный срок хранения устанавливается заводом-изготовителем и в среднем составляет 2 года при соблюдении условий хранения: сухое помещение, оригинальная упаковка и смазка.
Точный срок для конкретного типа подшипника уточняйте у наших менеджеров.
Пн–Пт: с 8:00 до 17:00 (МСК).
Сб–Вс: выходные дни.
Заказы на сайте принимаются круглосуточно. Заявки, поступившие после окончания рабочего дня, обрабатываются на следующий рабочий день.
Минимальная сумма заказа для доставки составляет 3000 рублей. Самовывоз со склада возможен на любую сумму при наличии товара.
ООО «УралТехГрупп»
ИНН: 7415093830
КПП: 772401001
ОГРН: 1167456069021
Банк: ПАО Сбербанк
Р/с: 40702810838000475273
К/с: 30101810400000000225
БИК: 044525225
У подшипника 6205L11-H-20DDU пока нет отзывов. Вы можете стать первым покупателем, поделившимся своим мнением.