Поиск подшипника
Статьи
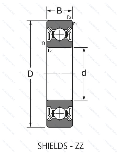
SS6902ZZ — Подшипник шариковый из нержавеющей стали, модификация основного исполнения SS6902, выпускается производителями: FBJ, NIS.
Размер подшипника: 15x28x7 мм.
Материал: Нержавеющая сталь, защитные металлические шайбы с обеих сторон.
Альтернативное обозначение: S61902.2ZR.W203B, S6902ZZ, W61902-2Z.
Аналоги: S61902-2Z-HLC FAG,W61902-2Z SKF,SS61902ZZ Neutral.
Международная стандартизации ISO
SS6902ZZ
В наличии
| Обозначение | Конструктивные изменения |
|---|---|
| SS6902 2RS | Резиновые уплотнения с каждой стороны подшипника. |
| SS6902 | Подшипник шариковый из нержавеющей стали. Основное конструктивное исполнение. |
Модификации нержавеющего шарикового подшипника SS6902ZZ — это измененное основное конструктивное исполнение SS6902, основные размеры (15x28x7) не отличаются.
| Обозначение | Гост | Конструктивные особенности |
|---|---|---|
| S6902 2RS | ISO | Резиновые уплотнения с каждой стороны подшипника. |
| SS61902 2RS | ISO | Резиновые уплотнения с каждой стороны подшипника. |
| SS61902ZZ | ISO | Защитные металлические шайбы с обеих сторон. |
| S61902 | ISO | Подшипник шариковый из нержавеющей стали. |
| W61902-2RS1 | ISO | Усиленные листовой сталью контактные уплотнения из акрилонитрил-бутадиенового каучука (NBR) с обеих сторон подшипника. Нержавеющая сталь. |
| 6902H ZZ | ISO | Защитные металлические шайбы с обеих сторон. Нержавеющая сталь. |
| WAY15ZZ | ISO | Защитные металлические шайбы с обеих сторон. |
| W61902-2RS1/VT378 | ISO | Усиленные листовой сталью контактные уплотнения из акрилонитрил-бутадиенового каучука (NBR) с обеих сторон подшипника. Food Grade Grease With Aluminium Thickener Of Consistency 2 To The NLGI Scale For A Temperature Range -25°C/+120°C (Normal Fill Grade). |
| W61902-2RS1/W64 | ISO | Усиленные листовой сталью контактные уплотнения из акрилонитрил-бутадиенового каучука (NBR) с обеих сторон подшипника. Антифрикционный заполнитель. твердая смазка. |
| W61902 | ISO | Нержавеющая сталь. |
| S61902H-2Z | ISO | Зазорные уплотнения с обеих сторон подшипника.. Нержавеющая сталь. |
| S61902.2ZR | ISO | Защитные металлические шайбы с обеих сторон. |
| W61902-2Z | ISO | Защитные металлические шайбы с обеих сторон подшипника. Нержавеющая сталь. |
| SV6902-2Z GPR J G489 | ISO | Сепаратор изготовлен из нержавеющей листовой стали. Защитные металлические шайбы с обеих сторон. Испытание на шум. |
Аналог нержавеющего шарикового подшипника SS6902ZZ — это подшипник такого же размера dx15,Dx28,Bx7, типа и конструкции.
| Обозначение | Конструктивные особенности | Внутренний (d) | Наружный (D) | Ширина (B) |
|---|---|---|---|---|
| 61902-Z.T9H.C3 | Шариковый радиальный однорядный подшипник. Внутренний зазор больше нормального. щит из листовой прессованной стали с одной стороны подшипника. Защелкивающийся сепаратор. Усиленный стекловолокном полиамид. Шариковые тела качения. | 15.00 | 28.00 | 7.00 |
| F61902-2Z | Шариковый радиальный однорядный подшипник. Защитные металлические шайбы с обеих сторон подшипника. | 15.00 | 28.00 | 7.00 |
| 3NCHAC902CA | Шариковый радиальный однорядный подшипник. Угол контакта 20 градусов. Латунный сепаратор с симметричными роликами. | 15.00 | 28.00 | 7.00 |
| 3NCHAC902C | Шариковый радиальный однорядный подшипник. Угол контакта 20 градусов. | 15.00 | 28.00 | 7.00 |
| 1000902-Л | Шариковый радиальный однорядный подшипник. Сепаратор из латуни.. | 15.00 | 28.00 | 7.00 |
| 1000902-Ю | Шариковый радиальный однорядный подшипник. Все детали или часть деталей из нержавеющей стали.. | 15.00 | 28.00 | 7.00 |
| 124-1080902-ЮУП | Шариковый радиальный однорядный подшипник. Дополнительные технические требования. Все детали или часть деталей из нержавеющей стали.. | 15.00 | 28.00 | 7.00 |
| 1М4-1080902 ЮТ | Шариковый радиальный однорядный подшипник. Температура отпуска. 160°. Все детали или часть деталей из нержавеющей стали.. | 15.00 | 28.00 | 7.00 |
| 4-1080902 ЮУ1Т | Шариковый радиальный однорядный подшипник. Температура отпуска. 160°. Все детали или часть деталей из нержавеющей стали.. Дополнительные технические требования. | 15.00 | 28.00 | 7.00 |
| 20-ШМ15 ЮТ | Шарнирный подшипник. Температура отпуска. 160°. Одно или два кольца из нержавеющей стали.. Без отверстий и канавок для смазки.. | 15.00 | 28.00 | 8.00 |
| 20-ШМ15 | Шарнирный подшипник. Без отверстий и канавок для смазки.. | 15.00 | 28.00 | 8.00 |
| 1-ШС15 | Шарнирный подшипник. С отверстиями и канавками для смазки во внутреннем кольце.. | 15.00 | 28.00 | 8.00 |
| 1-ШС15 ЮТ | Шарнирный подшипник. Температура отпуска. 160°. Одно или два кольца из нержавеющей стали.. С отверстиями и канавками для смазки во внутреннем кольце.. | 15.00 | 28.00 | 8.00 |
| 5-1000902 ЮТ | Шариковый радиальный однорядный подшипник. Температура отпуска. 160°. Все детали или часть деталей из нержавеющей стали.. | 15.00 | 28.00 | 7.00 |
| 6-1000902 ЮТ | Шариковый радиальный однорядный подшипник. Температура отпуска. 160°. Все детали или часть деталей из нержавеющей стали.. | 15.00 | 28.00 | 7.00 |
Способы доставки
Отправка через ведущие транспортные и курьерские компании: ПЭК, Деловые Линии, СДЭК, Байкал-Сервис, Энергия, КИТ, ЖелДорЭкспедиция.
Самовывоз возможен напрямую со склада в Москве.
Сроки доставки
Срок зависит от региона и выбранной транспортной компании. Все заказы комплектуются и отправляются в кратчайшие сроки со склада в Москве.
Надёжность и сохранность
Вся продукция упаковывается с учётом требований транспортировки. Мы гарантируем, что подшипники и комплектующие прибудут к заказчику в полной сохранности.
Доставка в страны ЕАЭС
Мы работаем с проверенными логистическими партнёрами, что позволяет оперативно доставлять заказы в Беларусь, Казахстан, Армению и другие страны ЕАЭС.
Варианты оплаты:
Минимальная сумма заказа и скидки:
Документы и гарантии:
Да, конечно! Наши технические специалисты готовы помочь вам с подбором точного аналога или замены подшипника. Просто позвоните нам по телефону +7 (495) 104-99-04 или напишите на почту zakaz@podsnab.ru.
Для оперативной консультации подготовьте, пожалуйста, имеющиеся данные: маркировку, размеры, тип оборудования или артикул старого подшипника.
Да, конечно! Мы высоко ценим долгосрочное сотрудничество и доверие клиентов по всей России. Для постоянных клиентов действует персональная система скидок.
Условия формируются индивидуально и зависят от:
Чтобы узнать свои условия и получить максимально выгодное предложение, свяжитесь с персональным менеджером или напишите нам на почту zakaz@podsnab.ru.
Вы можете оформить заказ несколькими способами:
Для оформления заказа от юридического лица свяжитесь с нашим отделом по работе с корпоративными клиентами по телефону +7 (495) 104-99-04 или напишите на email zakaz@podsnab.ru, прикрепив реквизиты вашей организации.
Мы оперативно подготовим коммерческое предложение и выставим счет.
Возврат товара надлежащего качества возможен в течение 10 дней с момента получения, если товар не был в употреблении, сохранен товарный вид, упаковка не вскрывалась и присутствуют все сопроводительные документы.
Возврат денежных средств осуществляется в течение 10 рабочих дней после проверки товара складом.
В соответствии с законодательством возврату не подлежат подшипники надлежащего качества, если отсутствует оригинальная упаковка или имеются следы монтажа.
В случае выявления брака или гарантийного случая мы гарантируем возврат или обмен товара.
Да, гарантийный срок хранения устанавливается заводом-изготовителем и в среднем составляет 2 года при соблюдении условий хранения: сухое помещение, оригинальная упаковка и смазка.
Точный срок для конкретного типа подшипника уточняйте у наших менеджеров.
Пн–Пт: с 8:00 до 17:00 (МСК).
Сб–Вс: выходные дни.
Заказы на сайте принимаются круглосуточно. Заявки, поступившие после окончания рабочего дня, обрабатываются на следующий рабочий день.
Минимальная сумма заказа для доставки составляет 3000 рублей. Самовывоз со склада возможен на любую сумму при наличии товара.
ООО «УралТехГрупп»
ИНН: 7415093830
КПП: 772401001
ОГРН: 1167456069021
Банк: ПАО Сбербанк
Р/с: 40702810838000475273
К/с: 30101810400000000225
БИК: 044525225
У подшипника SS6902ZZ пока нет отзывов. Вы можете стать первым покупателем, поделившимся своим мнением.