Поиск подшипника
Статьи
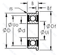
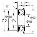
F688H 2RS — Подшипник шариковый из нержавеющей стали, модификация основного исполнения F688, выпускается производителями: AST, NEUTRAL, Подшипники EZO.
Размер подшипника: 8x16x5 мм.
Резиновые уплотнения с каждой стороны подшипника, pressed snap-type steel cage. hardened.
Международная стандартизации ISO
F688H2RS
В наличии
| Обозначение | Конструктивные изменения |
|---|---|
| F688ZZ VA | Защитные металлические шайбы с обеих сторон. Нержавеющая сталь. |
| F688ZZ | Защитные металлические шайбы (бесконтактные уплотнения) с обеих сторон подшипника. Миниатюрные шариковые подшипники метрической серии с фланцем. |
| F688 | Механически обработанный сепаратор из стали или специального чугуна. Основное конструктивное исполнение. |
| F688 2RS | Контактные уплотнения типа RS с обеих сторон игольчатого роликоподшипника. |
| F688-2Z-VA | Защитные металлические шайбы с обеих сторон подшипника. Нержавеющая сталь. |
| F688H ZZ | Защитные металлические шайбы с обеих сторон. Нержавеющая сталь. |
| F688 2RS W6 | Резиновые уплотнения с каждой стороны подшипника. Количество кареток на направляющей. |
| F688ZZ W6 | Защитные металлические шайбы с обеих сторон. Ширина отличается от стандартной. |
| F688-2Z | Защитные металлические шайбы с обеих сторон. |
| F688H ZZ W6 | Защитные металлические шайбы с обеих сторон. Нержавеющая сталь. Ширина отличается от стандартной. |
| F688H 2Z | Зазорные уплотнения с обеих сторон подшипника.. Нержавеющая сталь. |
| F688H | Pressed Snap-Type Steel Cage. Hardened. |
| F688A | Двухрядный радиально-упорный шарикоподшипник без отверстия для смазки. Подшипник с фланцевым наружным кольцом. |
| F688ADD | Подшипник с фланцевым наружным кольцом. |
| F688AVV | Подшипник с фланцевым наружным кольцом. |
| F688AZZ | Подшипник с фланцевым наружным кольцом. Однорядный радиальный шарикоподшипник с двумя уплотнениями. |
| F688-2ZW4 | Подшипник шариковый из нержавеющей стали. |
| F688-2ZW6 | Подшипник шариковый из нержавеющей стали. |
| F688-2RSW4 | Подшипник шариковый из нержавеющей стали. |
| F688W6 | Количество кареток на направляющей. |
| F688W5 | Количество кареток на направляющей. |
Модификации нержавеющего шарикового подшипника F688H 2RS — это измененное основное конструктивное исполнение F688, основные размеры (8x16x5) не отличаются.
| Обозначение | Гост | Конструктивные особенности |
|---|---|---|
| W618/8-2Z | ISO | Защитные металлические шайбы с обеих сторон подшипника. Нержавеющая сталь. Средний предварительный натяг. |
| S689-2RSR-HLC | ISO | Резиновые уплотнения с каждой стороны подшипника. Код местонахождения завода. может использоваться в стандартной комплектации. |
| 618/8SS | ISO | Нержавеющая сталь. |
| 638/8-2Z/SS | ISO | Защитные металлические шайбы с обеих сторон. Нержавеющая сталь. Средний предварительный натяг. |
| 638/9-2Z/SS | ISO | Защитные металлические шайбы с обеих сторон. Largest Fill. Нержавеющая сталь. |
| ULZ816X/G48 | ISO | Нержавеющая сталь (AISI440C). Shell Alvania Grease RS - Operating Temperature Range In °C = -25°C / +120°C - Base Oil Viscosity In [cSt] = 76 / 40°C - Thickener Base = Lithium. |
| S689-HLC | ISO | Код местонахождения завода. может использоваться в стандартной комплектации. |
| S689-2Z-HLC | ISO | Защитные металлические шайбы с обеих сторон. Код местонахождения завода. может использоваться в стандартной комплектации. |
| SS689GPR J L027 | ISO | Сепаратор изготовлен из нержавеющей листовой стали. Испытание на шум. Anderson Winsorlube L245X MIL L 6085A. Temperature Range/ -53.889°C (-65°F) to +148.889°C (+300°F). |
| WFAX7ZZ | ISO | Защитные металлические шайбы с обеих сторон. |
| SS688/003-2TS GPR J | ISO | Прессованный стальной сепаратор. Испытание на шум. Two Teflon Seals Reinforced With Z-Shields. |
| SSF689 2TS GPRJ | ISO | Сепаратор из стали. Испытание на шум. Two Teflon Seals Reinforced With Z-Shields. |
| S688.2RSR | ISO | Резиновые уплотнения с каждой стороны подшипника. |
| 688 2RS W6 VA | ISO | Резиновые уплотнения с каждой стороны подшипника. Нержавеющая сталь. Ширина отличается от стандартной. |
| S688 2TS W6 | ISO | Two Teflon Seals Reinforced With Z-Shields. Ширина отличается от стандартной. |
| SS688-2Z GPR J G330 | ISO | Сепаратор изготовлен из нержавеющей листовой стали. Защитные металлические шайбы с обеих сторон. Испытание на шум. Klüber Isoflex LDS 18 Special A. Temperature Range/ -50°C (-58°F)/+120°C (248°F). |
| SS688GPR J L027 | ISO | Сепаратор изготовлен из нержавеющей листовой стали. Испытание на шум. Anderson Winsorlube L245X MIL L 6085A. Temperature Range/ -53.889°C (-65°F) to +148.889°C (+300°F). |
| SS688-2Z GPR THB G340 | ISO | Защитные металлические шайбы с обеих сторон. Механически обработанный текстильный ламинированный фенольный сепаратор защелкивающегося типа. Испытание на шум. Longtime PD2 Lubrication -35 to +140° C. |
| SS697C7/11 GPR J L299 | ISO | Сепаратор изготовлен из нержавеющей листовой стали. Испытание на шум. Смазка отсутствует. Осевой зазор в мкм. |
| ULZ816X-480-P5P-6/15-G48 | ISO | AISI 440C Stainless Steel. Exxon Aviation Instrument Oil. Standard Tightly Crimped Two Piece Ribbon Cage. Класс точности. Radial Play. Shell Alvania Grease RS - Operating Temperature Range In °C = -25°C / +120°C - Base Oil Viscosity In [cSt] = 76 / 40°C - Thickener Base = Lithium. |
Аналог нержавеющего шарикового подшипника F688H 2RS — это подшипник такого же размера dx8,Dx16,Bx5, типа и конструкции.
| Обозначение | Конструктивные особенности | Внутренний (d) | Наружный (D) | Ширина (B) |
|---|---|---|---|---|
| 4-1000097 ЮТ | Шариковый радиальный однорядный подшипник. Температура отпуска. 160°. Все детали или часть деталей из нержавеющей стали.. | 7.00 | 17.00 | 5.00 |
| 5-1000088 У | Шариковый радиальный однорядный подшипник. Дополнительные технические требования. | 8.00 | 16.00 | 4.00 |
| 5-1000088 Ю | Шариковый радиальный однорядный подшипник. Все детали или часть деталей из нержавеющей стали.. | 8.00 | 16.00 | 4.00 |
| 5-1000088 ЮТ | Шариковый радиальный однорядный подшипник. Температура отпуска. 160°. Все детали или часть деталей из нержавеющей стали.. | 8.00 | 16.00 | 4.00 |
| 5-1000097 Ш3 | Шариковый радиальный однорядный подшипник. Нормы шумности. | 7.00 | 17.00 | 5.00 |
| 5-1000097 Ю | Шариковый радиальный однорядный подшипник. Все детали или часть деталей из нержавеющей стали.. | 7.00 | 17.00 | 5.00 |
| 5-1000097 ЮТ | Шариковый радиальный однорядный подшипник. Температура отпуска. 160°. Все детали или часть деталей из нержавеющей стали.. | 7.00 | 17.00 | 5.00 |
| 5-616059 Р3 | Шариковый радиально-упорный однорядный подшипник. Детали из теплоустойчивой (быстрорежущие) стали.. | 9.00 | 17.00 | 4.00 |
| 6-1000088 Т | Шариковый радиальный однорядный подшипник. Температура отпуска. 160°. | 8.00 | 16.00 | 4.00 |
| 6-1000088 Ю | Шариковый радиальный однорядный подшипник. Все детали или часть деталей из нержавеющей стали.. | 8.00 | 16.00 | 4.00 |
| 6-1000088 ЮТ | Шариковый радиальный однорядный подшипник. Температура отпуска. 160°. Все детали или часть деталей из нержавеющей стали.. | 8.00 | 16.00 | 4.00 |
| 6-1000097 БЮТБ | Шариковый радиальный однорядный подшипник. Температура отпуска. 160°. Все детали или часть деталей из нержавеющей стали.. Сепаратор из безоловянистой бронзы.. | 7.00 | 17.00 | 5.00 |
| 6-1000097 Т2 | Шариковый радиальный однорядный подшипник. 200°. Температура отпуска. | 7.00 | 17.00 | 5.00 |
| 6-1000097 ЮТ | Шариковый радиальный однорядный подшипник. Температура отпуска. 160°. Все детали или часть деталей из нержавеющей стали.. | 7.00 | 17.00 | 5.00 |
| 6-1000097 ЮТП | Шариковый радиальный однорядный подшипник. Температура отпуска. 160°. Все детали или часть деталей из нержавеющей стали.. | 7.00 | 17.00 | 5.00 |
Способы доставки
Отправка через ведущие транспортные и курьерские компании: ПЭК, Деловые Линии, СДЭК, Байкал-Сервис, Энергия, КИТ, ЖелДорЭкспедиция.
Самовывоз возможен напрямую со склада в Москве.
Сроки доставки
Срок зависит от региона и выбранной транспортной компании. Все заказы комплектуются и отправляются в кратчайшие сроки со склада в Москве.
Надёжность и сохранность
Вся продукция упаковывается с учётом требований транспортировки. Мы гарантируем, что подшипники и комплектующие прибудут к заказчику в полной сохранности.
Доставка в страны ЕАЭС
Мы работаем с проверенными логистическими партнёрами, что позволяет оперативно доставлять заказы в Беларусь, Казахстан, Армению и другие страны ЕАЭС.
Варианты оплаты:
Минимальная сумма заказа и скидки:
Документы и гарантии:
Да, конечно! Наши технические специалисты готовы помочь вам с подбором точного аналога или замены подшипника. Просто позвоните нам по телефону +7 (495) 104-99-04 или напишите на почту zakaz@podsnab.ru.
Для оперативной консультации подготовьте, пожалуйста, имеющиеся данные: маркировку, размеры, тип оборудования или артикул старого подшипника.
Да, конечно! Мы высоко ценим долгосрочное сотрудничество и доверие клиентов по всей России. Для постоянных клиентов действует персональная система скидок.
Условия формируются индивидуально и зависят от:
Чтобы узнать свои условия и получить максимально выгодное предложение, свяжитесь с персональным менеджером или напишите нам на почту zakaz@podsnab.ru.
Вы можете оформить заказ несколькими способами:
Для оформления заказа от юридического лица свяжитесь с нашим отделом по работе с корпоративными клиентами по телефону +7 (495) 104-99-04 или напишите на email zakaz@podsnab.ru, прикрепив реквизиты вашей организации.
Мы оперативно подготовим коммерческое предложение и выставим счет.
Возврат товара надлежащего качества возможен в течение 10 дней с момента получения, если товар не был в употреблении, сохранен товарный вид, упаковка не вскрывалась и присутствуют все сопроводительные документы.
Возврат денежных средств осуществляется в течение 10 рабочих дней после проверки товара складом.
В соответствии с законодательством возврату не подлежат подшипники надлежащего качества, если отсутствует оригинальная упаковка или имеются следы монтажа.
В случае выявления брака или гарантийного случая мы гарантируем возврат или обмен товара.
Да, гарантийный срок хранения устанавливается заводом-изготовителем и в среднем составляет 2 года при соблюдении условий хранения: сухое помещение, оригинальная упаковка и смазка.
Точный срок для конкретного типа подшипника уточняйте у наших менеджеров.
Пн–Пт: с 8:00 до 17:00 (МСК).
Сб–Вс: выходные дни.
Заказы на сайте принимаются круглосуточно. Заявки, поступившие после окончания рабочего дня, обрабатываются на следующий рабочий день.
Минимальная сумма заказа для доставки составляет 3000 рублей. Самовывоз со склада возможен на любую сумму при наличии товара.
ООО «УралТехГрупп»
ИНН: 7415093830
КПП: 772401001
ОГРН: 1167456069021
Банк: ПАО Сбербанк
Р/с: 40702810838000475273
К/с: 30101810400000000225
БИК: 044525225
У подшипника F688H 2RS пока нет отзывов. Вы можете стать первым покупателем, поделившимся своим мнением.