Поиск подшипника
Статьи
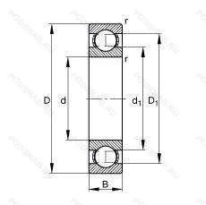
S625ZZ — Подшипник шариковый из нержавеющей стали, модификация основного исполнения S625, выпускается производителями: AKN, ISB, NEUTRAL, ROSSI, Подшипники EZO.
Размер подшипника: 5x16x5 мм.
Защитные металлические шайбы с обеих сторон.
Альтернативное обозначение: W625-2Z.
Аналоги: W625-2Z SKF,S625ZZ AKN,SS625ZZ Neutral,SS625ZZ J Neutral.
Международная стандартизации ISO
S625ZZ
В наличии
| Обозначение | Конструктивные изменения |
|---|---|
| S625 2TS C20/28 GPRJ G340 | Two Teflon Seals Reinforced With Z-Shields. Longtime PD2 Lubrication -35 to +140° C. 1.3/4. Reduced Inner Diameter Tolerance Approaching Nominal Dimension. |
| S625C TA HG RI DUL | 15° Угол контакта. Высокая точность согласно спецификации GMN. Парная установка с легким преднатягом. Клетка из ламинированной фенольной смолы или полиамидный сепаратор. направляемый по внешнему кольцу. Indication Of The Point Of Radial Runout (Maximum Wall Thickness On Inner Ring. |
| S625 | Подшипник шариковый из нержавеющей стали. Основное конструктивное исполнение. |
| S625/601 823GPR J | Сепаратор изготовлен из нержавеющей листовой стали. Испытание на шум. |
| S625 2RS | Резиновые уплотнения с каждой стороны подшипника. |
| S625C20/28 GPRJ G340 | Сепаратор из стали. Испытание на шум. Longtime PD2 Lubrication -35 to +140° C. Radial Play 20 To 28μm. |
| S625ZZ P42 GPRY G317 | Защитные металлические шайбы с обеих сторон. Brass Sheet Cage (GMN Standard). Испытание на шум. Combination Of P4 (Dimensional & Running Accuracy To ISO Tolerance Class 4 (More Accurate Than P5)-Abec.7) And C2 (Bearing Internal Clearance Smaller Than Normal). |
| S625 2TS GPR J | Дорожки качения наружного кольца. угол контакта и ширина наружного кольца в соответствии с ISO. Испытание на шум. Two Teflon Seals Reinforced With Z-Shields. |
| S625-HLC | Код местонахождения завода. может использоваться в стандартной комплектации. |
| S625C TA HG | 15° Угол контакта. Высокая точность согласно спецификации GMN. Клетка из ламинированной фенольной смолы или полиамидный сепаратор. направляемый по внешнему кольцу. |
| S625-2Z | Защитные металлические шайбы с обеих сторон подшипника. |
Модификации нержавеющего шарикового подшипника S625ZZ — это измененное основное конструктивное исполнение S625, основные размеры (5x16x5) не отличаются.
| Обозначение | Гост | Конструктивные особенности |
|---|---|---|
| W625-2Z | ISO | Защитные металлические шайбы с обеих сторон подшипника. Нержавеющая сталь. |
| SS625ZZ | ISO | Защитные металлические шайбы с обеих сторон. |
| 625-2RS1/SS | ISO | Резиновые уплотнения с каждой стороны подшипника. Нержавеющая сталь. |
| SS634-2Z P4 GPR J | ISO | Сепаратор изготовлен из нержавеющей листовой стали. Защитные металлические шайбы с обеих сторон. Класс точности Р4 по ISO (точнее. чем P5) - Abec.7. Испытание на шум. |
| S606-HLC | ISO | Код местонахождения завода. может использоваться в стандартной комплектации. |
| R1650HHMTRA5P24LY121 | ISO | Retainer. Steel Ribbon Type. Extremely Noise Sensitive Application. Double Shield. Non Removable. ABEC.5. Multemp SRL Grease. - 40° + 150° Celsius. 0.0002-0.0004 Радиальный зазор. |
| W619/6R-2Z | ISO | Защитные металлические шайбы с обеих сторон подшипника. Нержавеющая сталь. Flange On Bearing. |
| SSF625ZZ | ISO | Защитные металлические шайбы с обеих сторон. |
| SSF625 2TS GPR J | ISO | Прессованный стальной сепаратор. Испытание на шум. Two Teflon Seals Reinforced With Z-Shields. |
| SF625-2Z | ISO | Защитные металлические шайбы с обеих сторон. |
| 606 2RS VA | ISO | Резиновые уплотнения с каждой стороны подшипника. Нержавеющая сталь. |
| 696 2RS VA | ISO | Резиновые уплотнения с каждой стороны подшипника. Нержавеющая сталь. |
| 634 2RS VA | ISO | Резиновые уплотнения с каждой стороны подшипника. Нержавеющая сталь. |
| 634ZZ VA | ISO | Защитные металлические шайбы с обеих сторон. Нержавеющая сталь. |
| D625D/610663 | ISO | Половина целого игольчатого валика. Применять суффикс 'D' в базовом номере. |
| SS625-2TS GPR J G340 | ISO | Прессованный стальной сепаратор. Испытание на шум. Two Teflon Seals Reinforced With Z-Shields. Longtime PD2 Lubrication -35 to +140° C. |
| SS696-2Z GPR J G340 | ISO | Сепаратор изготовлен из нержавеющей листовой стали. Защитные металлические шайбы с обеих сторон. Испытание на шум. Longtime PD2 Lubrication -35 to +140° C. |
| SSF625-2Z GPR J G340 | ISO | Сепаратор изготовлен из нержавеющей листовой стали. Защитные металлические шайбы с обеих сторон. Испытание на шум. Longtime PD2 Lubrication -35 to +140° C. |
| SSF686-2Z GPR J L010 | ISO | Сепаратор изготовлен из нержавеющей листовой стали. Защитные металлические шайбы с обеих сторон. Испытание на шум. Klüber Isoflex PDP38 Oil. Temperature Range -65°C to +100°C. |
| R5160X-480-P5P-6/15-G58 | ISO | Нержавеющая сталь. Exxon Aviation Instrument Oil. Crimped Two Piece Coated Ribbon Cage. Класс точности. Radial Play. Klüber Isoflex LDS 18 Special A. Temperature Range/ -50°C (-58°F)/+120°C (248°F). |
| R6150X-480-P5P-6/15-L23 | ISO | Нержавеющая сталь. Distance Between Beginning Of The Rail And First Hole In MM. Высокая скорость и высокая температура. Малошумная смазка.. Exxon Aviation Instrument Oil. Crimped Two Piece Coated Ribbon Cage. Класс точности. Radial Play. |
| RV615X-480-P5P-6/15-DRY | ISO | Нержавеющая сталь. Distance Between Beginning Of The Rail And First Hole In MM. Exxon Aviation Instrument Oil. Crimped Two Piece Coated Ribbon Cage. Класс точности. Radial Play. |
Аналог нержавеющего шарикового подшипника S625ZZ — это подшипник такого же размера dx5,Dx16,Bx5, типа и конструкции.
| Обозначение | Конструктивные особенности | Внутренний (d) | Наружный (D) | Ширина (B) |
|---|---|---|---|---|
| 5-80025-К1С21 | Шариковый радиальный однорядный подшипник. Смазка ЭРА. | 5.00 | 16.00 | 5.00 |
| 5-80025-КС21 | Шариковый радиальный однорядный подшипник. «Замок» (скос) на внутреннем кольце плюс массивный сепаратор из текстолита. Смазка ЭРА. | 5.00 | 16.00 | 5.00 |
| 5-80025-КЮТС21 | Шариковый радиальный однорядный подшипник. «Замок» (скос) на внутреннем кольце плюс массивный сепаратор из текстолита. Температура отпуска. 160°. Смазка ЭРА. Все детали или часть деталей из нержавеющей стали.. | 5.00 | 16.00 | 5.00 |
| 5-80025 ЮТС19 | Шариковый радиальный однорядный подшипник. Температура отпуска. 160°. Все детали или часть деталей из нержавеющей стали.. Смазка ВНИИНП-286. | 5.00 | 16.00 | 5.00 |
| 5-80025-ЮТС2 | Шариковый радиальный однорядный подшипник. Температура отпуска. 160°. Все детали или часть деталей из нержавеющей стали.. Смазка ЦИАТИМ-221. | 5.00 | 16.00 | 5.00 |
| 5-80025-ЮТС21 | Шариковый радиальный однорядный подшипник. Температура отпуска. 160°. Смазка ЭРА. Все детали или часть деталей из нержавеющей стали.. | 5.00 | 16.00 | 5.00 |
| 5-840025-К | Шариковый радиальный однорядный подшипник. «Замок» (скос) на внутреннем кольце плюс массивный сепаратор из текстолита. | 5.00 | 16.00 | 6.00 |
| 522-1080096-К1УС21 | Шариковый радиальный однорядный подшипник. Дополнительные технические требования. Смазка ЭРА. | 6.00 | 15.00 | 5.00 |
| 534-1080096-К1Т1У1С21 | Шариковый радиальный однорядный подшипник. 180°. Смазка ЭРА. Температура отпуска. Дополнительные технические требования. | 6.00 | 15.00 | 5.00 |
| 5М4-1006096 Е | Шариковый радиально-упорный однорядный подшипник. Сепаратор из текстолита.. | 6.00 | 15.00 | 5.00 |
| 5М5-6025 | Шариковый радиально-упорный однорядный подшипник. Модифицированный контакт.. | 5.00 | 16.00 | 5.00 |
| 6-1000096 Т2 | Шариковый радиальный однорядный подшипник. 200°. Температура отпуска. | 6.00 | 15.00 | 5.00 |
| 6-1000096-Ю1Т | Шариковый радиальный однорядный подшипник. Температура отпуска. 160°. Все детали или часть деталей из нержавеющей стали.. | 6.00 | 15.00 | 5.00 |
| 6-1000096 ЮТ | Шариковый радиальный однорядный подшипник. Температура отпуска. 160°. Все детали или часть деталей из нержавеющей стали.. | 6.00 | 15.00 | 5.00 |
| 6-1080096 С9 | Шариковый радиальный однорядный подшипник. Смазка ЛЗ-31. | 6.00 | 15.00 | 5.00 |
Способы доставки
Отправка через ведущие транспортные и курьерские компании: ПЭК, Деловые Линии, СДЭК, Байкал-Сервис, Энергия, КИТ, ЖелДорЭкспедиция.
Самовывоз возможен напрямую со склада в Москве.
Сроки доставки
Срок зависит от региона и выбранной транспортной компании. Все заказы комплектуются и отправляются в кратчайшие сроки со склада в Москве.
Надёжность и сохранность
Вся продукция упаковывается с учётом требований транспортировки. Мы гарантируем, что подшипники и комплектующие прибудут к заказчику в полной сохранности.
Доставка в страны ЕАЭС
Мы работаем с проверенными логистическими партнёрами, что позволяет оперативно доставлять заказы в Беларусь, Казахстан, Армению и другие страны ЕАЭС.
Варианты оплаты:
Минимальная сумма заказа и скидки:
Документы и гарантии:
Да, конечно! Наши технические специалисты готовы помочь вам с подбором точного аналога или замены подшипника. Просто позвоните нам по телефону +7 (495) 104-99-04 или напишите на почту zakaz@podsnab.ru.
Для оперативной консультации подготовьте, пожалуйста, имеющиеся данные: маркировку, размеры, тип оборудования или артикул старого подшипника.
Да, конечно! Мы высоко ценим долгосрочное сотрудничество и доверие клиентов по всей России. Для постоянных клиентов действует персональная система скидок.
Условия формируются индивидуально и зависят от:
Чтобы узнать свои условия и получить максимально выгодное предложение, свяжитесь с персональным менеджером или напишите нам на почту zakaz@podsnab.ru.
Вы можете оформить заказ несколькими способами:
Для оформления заказа от юридического лица свяжитесь с нашим отделом по работе с корпоративными клиентами по телефону +7 (495) 104-99-04 или напишите на email zakaz@podsnab.ru, прикрепив реквизиты вашей организации.
Мы оперативно подготовим коммерческое предложение и выставим счет.
Возврат товара надлежащего качества возможен в течение 10 дней с момента получения, если товар не был в употреблении, сохранен товарный вид, упаковка не вскрывалась и присутствуют все сопроводительные документы.
Возврат денежных средств осуществляется в течение 10 рабочих дней после проверки товара складом.
В соответствии с законодательством возврату не подлежат подшипники надлежащего качества, если отсутствует оригинальная упаковка или имеются следы монтажа.
В случае выявления брака или гарантийного случая мы гарантируем возврат или обмен товара.
Да, гарантийный срок хранения устанавливается заводом-изготовителем и в среднем составляет 2 года при соблюдении условий хранения: сухое помещение, оригинальная упаковка и смазка.
Точный срок для конкретного типа подшипника уточняйте у наших менеджеров.
Пн–Пт: с 8:00 до 17:00 (МСК).
Сб–Вс: выходные дни.
Заказы на сайте принимаются круглосуточно. Заявки, поступившие после окончания рабочего дня, обрабатываются на следующий рабочий день.
Минимальная сумма заказа для доставки составляет 3000 рублей. Самовывоз со склада возможен на любую сумму при наличии товара.
ООО «УралТехГрупп»
ИНН: 7415093830
КПП: 772401001
ОГРН: 1167456069021
Банк: ПАО Сбербанк
Р/с: 40702810838000475273
К/с: 30101810400000000225
БИК: 044525225
У подшипника S625ZZ пока нет отзывов. Вы можете стать первым покупателем, поделившимся своим мнением.