Поиск подшипника
Статьи
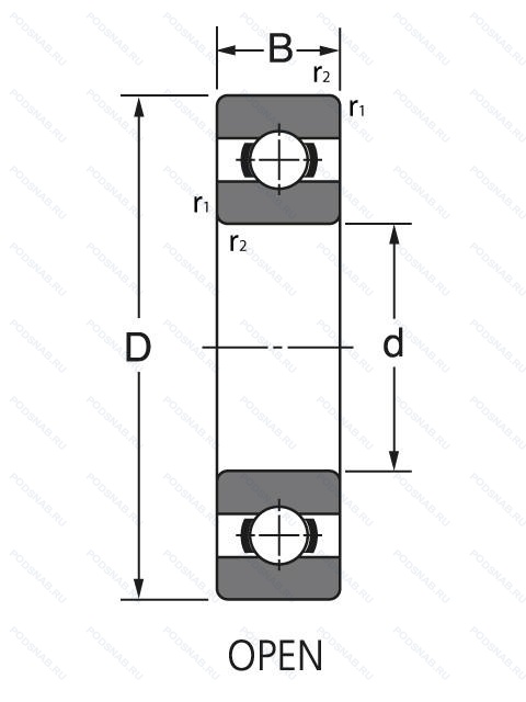
SS69/1.5 — Подшипник шариковый из нержавеющей стали, модификация основного исполнения SS69, выпускается производителями: NEUTRAL, NIS.
Размер подшипника: 75x105x2 мм.
Материал: Нержавеющая сталь, number of carriages per rail track, distance between beginning of the rail and first hole in mm.
Альтернативное обозначение: 691HX, DDR515, R1550X, S69/1.5, W619/1.5.
Аналоги: S619/1,5 AKN.
Международная стандартизации ISO
SS6915
В наличии
| Обозначение | Конструктивные изменения |
|---|---|
| SS69/1,5/002ZZP5AC5/1 | Защитные металлические шайбы с обеих сторон. Number Of Carriages Per Rail Track. Distance Between Beginning Of The Rail And First Hole In MM. In Some Parameters Higher Tolerance Class Than P5. |
| SS69/1,5-2Z GPR J G340 | Сепаратор изготовлен из нержавеющей листовой стали. Защитные металлические шайбы с обеих сторон. Number Of Carriages Per Rail Track. Испытание на шум. Distance Between Beginning Of The Rail And First Hole In MM. Longtime PD2 Lubrication -35 to +140° C. |
| SS69/2,5P4 GPR J L299 | Сепаратор изготовлен из нержавеющей листовой стали. ISO Tolerance Class ABEC.9. Класс точности Р4 по ISO (точнее. чем P5) - Abec.7. Испытание на шум. Смазка отсутствует. |
Модификации нержавеющего шарикового подшипника SS69/1.5 — это измененное основное конструктивное исполнение SS69, основные размеры (75x105x2) не отличаются.
| Обозначение | Гост | Конструктивные особенности |
|---|---|---|
| S619/1 | ISO | Number Of Carriages Per Rail Track. |
| S601-X-2Z | ISO | Защитные металлические шайбы с обеих сторон. Размеры больше. чем у изделий без суффикса X (пример/ F682X = d 2.5 - D 7.1 - B 1.8 / F682 = d 2 - D 6.1 - B 1.5). |
| S681-X-HLC | ISO | Размеры больше. чем у изделий без суффикса X (пример/ F682X = d 2.5 - D 7.1 - B 1.8 / F682 = d 2 - D 6.1 - B 1.5). Код местонахождения завода. может использоваться в стандартной комплектации. |
| WBX2ZZ | ISO | Защитные металлические шайбы с обеих сторон. |
| WFBX2ZZ | ISO | Защитные металлические шайбы с обеих сторон. |
| 6/250-2Z/SS | ISO | Защитные металлические шайбы с обеих сторон. Нержавеющая сталь. |
| W692ZZ M2 | ISO | Защитные металлические шайбы с обеих сторон. Роликовый центрированный механически обработанный латунный сепаратор. Без направляющего кольца. |
| WAX2/T6 | ISO | Tolerance Class 6. |
| W638/2ZZ | ISO | Защитные металлические шайбы с обеих сторон. |
| S682Z TNH | ISO | щит из листовой прессованной стали с одной стороны подшипника. Подшипник с защелкиваемым сепаратором из пластмассы. |
| SS68/1,5-2Z GPR J L027 | ISO | Сепаратор изготовлен из нержавеющей листовой стали. Защитные металлические шайбы с обеих сторон. Number Of Carriages Per Rail Track. Испытание на шум. Distance Between Beginning Of The Rail And First Hole In MM. Anderson Winsorlube L245X MIL L 6085A. Temperature Range/ -53.889°C (-65°F) to +148.889°C (+300°F). |
| SS691P4 JH L009 | ISO | Класс точности Р4 по ISO (точнее. чем P5) - Abec.7. One Piece Stainless Steel Snap Type Retainer. |
| SS692-2Z GPR J G401 | ISO | Сепаратор изготовлен из нержавеющей листовой стали. Защитные металлические шайбы с обеих сторон. Испытание на шум. |
| SS692GPR J L299 | ISO | Сепаратор изготовлен из нержавеющей листовой стали. Испытание на шум. Смазка отсутствует. |
| R1550X-480-P5P-6/15-L23 | ISO | Нержавеющая сталь. Distance Between Beginning Of The Rail And First Hole In MM. Высокая скорость и высокая температура. Малошумная смазка.. Crimped Two Piece Coated Ribbon Cage. Класс точности. Radial Play. |
| RF1706X-480-A5P-6/15-L23 | ISO | Нержавеющая сталь. High Speed And High Temperature.Low Noise Oil. Exxon Aviation Instrument Oil. Crimped Two Piece Coated Ribbon Cage. Radial Play. Класс точности. |
| RKX206X-480-P5P-6/15-L2 | ISO | Нержавеющая сталь. Exxon Aviation Instrument Oil. Crimped Two Piece Coated Ribbon Cage. Класс точности. Radial Play. |
| ULK205X-480-P5P-6/15-L23 | ISO | Нержавеющая сталь. Высокая скорость и высокая температура. Малошумная смазка.. Crimped Two Piece Coated Ribbon Cage. Класс точности. Radial Play. |
| ULKZ205X-48-P4P-6/15-L23 | ISO | Нержавеющая сталь. High Speed And High Temperature.Low Noise Oil. Two Piece Steel Ribbon Cage Loosely Crimped For Low Torque. Radial Play. Класс точности. |
| DDL520ZZ | ISO | Защитные металлические шайбы с обеих сторон. |
| DDR620ZZ Y52 | ISO | Защитные металлические шайбы с обеих сторон. |
Аналог нержавеющего шарикового подшипника SS69/1.5 — это подшипник такого же размера dx75,Dx105,Bx2, типа и конструкции.
| Обозначение | Конструктивные особенности | Внутренний (d) | Наружный (D) | Ширина (B) |
|---|---|---|---|---|
| 5-1000092 ЮТ-Ф | Шариковый радиальный однорядный подшипник. Температура отпуска. 160°. Все детали или часть деталей из нержавеющей стали.. | 2.00 | 6.00 | 2.30 |
| 5-2000154 Ю3Т | Шариковый радиальный однорядный подшипник. Температура отпуска. 160°. Все детали или часть деталей из нержавеющей стали.. | 1.50 | 4.00 | 1.70 |
| 5-2000154 ЮТ | Шариковый радиальный однорядный подшипник. Температура отпуска. 160°. Все детали или часть деталей из нержавеющей стали.. | 1.50 | 4.00 | 1.70 |
| 5-2000154 ЮТ-Ф | Шариковый радиальный однорядный подшипник. Температура отпуска. 160°. Все детали или часть деталей из нержавеющей стали.. | 1.50 | 4.00 | 1.70 |
| 5-2000154 ЮТФ1 | Шариковый радиальный однорядный подшипник. Температура отпуска. 160°. Все детали или часть деталей из нержавеющей стали.. | 1.50 | 4.00 | 1.70 |
| 5-2000154 ЮТФ2 | Шариковый радиальный однорядный подшипник. Температура отпуска. 160°. Все детали или часть деталей из нержавеющей стали.. | 1.50 | 4.00 | 1.70 |
| 5-2860154 ЮТ | Шариковый радиальный однорядный подшипник. Температура отпуска. 160°. Все детали или часть деталей из нержавеющей стали.. | 1.50 | 4.00 | 1.70 |
| 5-60061 ЮТ | Шариковый радиальный однорядный подшипник. Температура отпуска. 160°. Все детали или часть деталей из нержавеющей стали.. | 1.00 | 4.00 | 1.70 |
| 5-840154 Ю4Т | Шариковый радиальный однорядный подшипник. Температура отпуска. 160°. Все детали или часть деталей из нержавеющей стали.. | 1.50 | 4.00 | 1.60 |
| 502-3080092-УС21 | Шариковый радиальный однорядный подшипник. Дополнительные технические требования. Смазка ЭРА. | 2.00 | 6.00 | 3.00 |
| 6-1000091 ЮТ | Шариковый радиальный однорядный подшипник. Температура отпуска. 160°. Все детали или часть деталей из нержавеющей стали.. | 1.00 | 4.00 | 1.60 |
| 6-1000091 Я | Шариковый радиальный однорядный подшипник. Детали (кольца. | 1.00 | 4.00 | 1.60 |
| 6-1000092 Ю2Т | Шариковый радиальный однорядный подшипник. Температура отпуска. 160°. Все детали или часть деталей из нержавеющей стали.. | 2.00 | 6.00 | 2.30 |
| 6-1000092 ЮТ | Шариковый радиальный однорядный подшипник. Температура отпуска. 160°. Все детали или часть деталей из нержавеющей стали.. | 2.00 | 6.00 | 2.30 |
| 6-2000154 ЮТ | Шариковый радиальный однорядный подшипник. Температура отпуска. 160°. Все детали или часть деталей из нержавеющей стали.. | 1.50 | 4.00 | 1.70 |
Способы доставки
Отправка через ведущие транспортные и курьерские компании: ПЭК, Деловые Линии, СДЭК, Байкал-Сервис, Энергия, КИТ, ЖелДорЭкспедиция.
Самовывоз возможен напрямую со склада в Москве.
Сроки доставки
Срок зависит от региона и выбранной транспортной компании. Все заказы комплектуются и отправляются в кратчайшие сроки со склада в Москве.
Надёжность и сохранность
Вся продукция упаковывается с учётом требований транспортировки. Мы гарантируем, что подшипники и комплектующие прибудут к заказчику в полной сохранности.
Доставка в страны ЕАЭС
Мы работаем с проверенными логистическими партнёрами, что позволяет оперативно доставлять заказы в Беларусь, Казахстан, Армению и другие страны ЕАЭС.
Варианты оплаты:
Минимальная сумма заказа и скидки:
Документы и гарантии:
Да, конечно! Наши технические специалисты готовы помочь вам с подбором точного аналога или замены подшипника. Просто позвоните нам по телефону +7 (495) 104-99-04 или напишите на почту zakaz@podsnab.ru.
Для оперативной консультации подготовьте, пожалуйста, имеющиеся данные: маркировку, размеры, тип оборудования или артикул старого подшипника.
Да, конечно! Мы высоко ценим долгосрочное сотрудничество и доверие клиентов по всей России. Для постоянных клиентов действует персональная система скидок.
Условия формируются индивидуально и зависят от:
Чтобы узнать свои условия и получить максимально выгодное предложение, свяжитесь с персональным менеджером или напишите нам на почту zakaz@podsnab.ru.
Вы можете оформить заказ несколькими способами:
Для оформления заказа от юридического лица свяжитесь с нашим отделом по работе с корпоративными клиентами по телефону +7 (495) 104-99-04 или напишите на email zakaz@podsnab.ru, прикрепив реквизиты вашей организации.
Мы оперативно подготовим коммерческое предложение и выставим счет.
Возврат товара надлежащего качества возможен в течение 10 дней с момента получения, если товар не был в употреблении, сохранен товарный вид, упаковка не вскрывалась и присутствуют все сопроводительные документы.
Возврат денежных средств осуществляется в течение 10 рабочих дней после проверки товара складом.
В соответствии с законодательством возврату не подлежат подшипники надлежащего качества, если отсутствует оригинальная упаковка или имеются следы монтажа.
В случае выявления брака или гарантийного случая мы гарантируем возврат или обмен товара.
Да, гарантийный срок хранения устанавливается заводом-изготовителем и в среднем составляет 2 года при соблюдении условий хранения: сухое помещение, оригинальная упаковка и смазка.
Точный срок для конкретного типа подшипника уточняйте у наших менеджеров.
Пн–Пт: с 8:00 до 17:00 (МСК).
Сб–Вс: выходные дни.
Заказы на сайте принимаются круглосуточно. Заявки, поступившие после окончания рабочего дня, обрабатываются на следующий рабочий день.
Минимальная сумма заказа для доставки составляет 3000 рублей. Самовывоз со склада возможен на любую сумму при наличии товара.
ООО «УралТехГрупп»
ИНН: 7415093830
КПП: 772401001
ОГРН: 1167456069021
Банк: ПАО Сбербанк
Р/с: 40702810838000475273
К/с: 30101810400000000225
БИК: 044525225
У подшипника SS69/1.5 пока нет отзывов. Вы можете стать первым покупателем, поделившимся своим мнением.