Поиск подшипника
Статьи
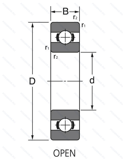
SS6800 — Подшипник шариковый из нержавеющей стали, основное исполнение, выпускается производителями: NEUTRAL, NIS.
Размер подшипника: 10x19x5 мм.
Материал: Нержавеющая сталь.
Альтернативное обозначение: S6800, W61800-2Z.
Аналоги: S61800 SBN,SS61800 Neutral,SS61800 J Neutral.
Международная стандартизации ISO
SS6800
В наличии
| Обозначение | Конструктивные изменения |
|---|---|
| SS6800ZZ | Защитные металлические шайбы с обеих сторон. |
| SS6800/002-2ZC10/15GP | Подшипник шариковый из нержавеющей стали. |
| SS6800/002ZZ P5A GPRJ | Защитные металлические шайбы с обеих сторон. Сепаратор из стали. Испытание на шум. In Some Parameters Higher Tolerance Class Than P5. |
| SS6800 2RS | Резиновые уплотнения с каждой стороны подшипника. |
| SS6800Z THB | щит из листовой прессованной стали с одной стороны подшипника. Механически обработанный текстильный ламинированный фенольный сепаратор защелкивающегося типа. |
| SS6800 2TS GPRJ | Сепаратор из стали. Испытание на шум. Two Teflon Seals Reinforced With Z-Shields. |
| SS6800THB | Механически обработанный текстильный ламинированный фенольный сепаратор защелкивающегося типа. |
| SS6800ZZ GPR | Защитные металлические шайбы с обеих сторон. Испытание на шум. |
| SS6800/002 2Z GPR J | Сепаратор изготовлен из нержавеющей листовой стали. Защитные металлические шайбы с обеих сторон. Испытание на шум. |
| SS6800-2Z GPR J L027 | Сепаратор изготовлен из нержавеющей листовой стали. Защитные металлические шайбы с обеих сторон. Испытание на шум. Anderson Winsorlube L245X MIL L 6085A. Temperature Range/ -53.889°C (-65°F) to +148.889°C (+300°F). |
| SS6800/602266GPR J | Сепаратор изготовлен из нержавеющей листовой стали. Испытание на шум. |
Модификации нержавеющего шарикового подшипника SS6800 — это измененное основное конструктивное исполнение SS6800, основные размеры (10x19x5) не отличаются.
| Обозначение | Гост | Конструктивные особенности |
|---|---|---|
| S6800 | ISO | Подшипник шариковый из нержавеющей стали. |
| S699ZZ | ISO | Защитные металлические шайбы с обеих сторон. |
| S6800 2RS | ISO | Резиновые уплотнения с каждой стороны подшипника. |
| 61800 2RS VA | ISO | Резиновые уплотнения с каждой стороны подшипника. Нержавеющая сталь. |
| 6800-H-20DDMA/NS7S | ISO | Стандартное заполнение. Резиновые уплотнения с каждой стороны подшипника. Коррозионностойкая нержавеющая сталь. Серия Long Life. NS Hi Lube Grease. (NS7/ Inside With Grease. Up Than 35%. Temperature Resistance -40°C To +140°C). |
| 6800L11-H-20DD/GVS | ISO | Резиновые уплотнения с каждой стороны подшипника. Коррозионностойкая нержавеющая сталь. Серия Long Life. Molded Oil™ General Use. |
| W61800 | ISO | Нержавеющая сталь. |
| S699-2RSR-HLC | ISO | Резиновые уплотнения с каждой стороны подшипника. Код местонахождения завода. может использоваться в стандартной комплектации. |
| S61800 | ISO | Подшипник шариковый из нержавеющей стали. |
| SS61800 | ISO | Подшипник шариковый из нержавеющей стали. |
| SS61800Z | ISO | щит из листовой прессованной стали с одной стороны подшипника. |
| S699 2RS | ISO | Резиновые уплотнения с каждой стороны подшипника. |
| SS61800 Y | ISO | Штампованный латунный фиксатор. Направляемые элементы качения. |
| W61800-2RS1 | ISO | Усиленные листовой сталью контактные уплотнения из акрилонитрил-бутадиенового каучука (NBR) с обеих сторон подшипника. Нержавеющая сталь. |
| SF6800 2TS | ISO | Two Teflon Seals Reinforced With Z-Shields. |
| ULV1019X-G48 | ISO | Измененные размеры границ. введенные пересмотренными стандартами ISO. Turmogrease Li 802 EP plus. |
| 61800-2RS1/SS | ISO | Резиновые уплотнения с каждой стороны подшипника. Нержавеющая сталь. |
| 6800H | ISO | Pressed Snap-Type Steel Cage. Hardened. |
| 699H ZZ | ISO | Две металлические защитные шайбы. Нержавеющая сталь. |
| 6800H ZZ | ISO | Две металлические защитные шайбы. Нержавеющая сталь. |
| W61800-2Z | ISO | Защитные металлические шайбы с обеих сторон подшипника. Нержавеющая сталь. |
| SF6800ZZ P6 | ISO | Защитные металлические шайбы с обеих сторон. Размерные и геометрические допуски соответствуют классу точности P6. |
| SS61800ZZ | ISO | Защитные металлические шайбы с обеих сторон. |
Аналог нержавеющего шарикового подшипника SS6800 — это подшипник такого же размера dx10,Dx19,Bx5, типа и конструкции.
| Обозначение | Конструктивные особенности | Внутренний (d) | Наружный (D) | Ширина (B) |
|---|---|---|---|---|
| F699-2Z | Шариковый радиальный однорядный подшипник. Защитные металлические шайбы с обеих сторон подшипника. | 9.00 | 20.00 | 6.00 |
| 1000099-Л | Шариковый радиальный однорядный подшипник. Сепаратор из латуни.. | 9.00 | 20.00 | 6.00 |
| 1000099-ЮТ | Шариковый радиальный однорядный подшипник. Температура отпуска. 160°. Все детали или часть деталей из нержавеющей стали.. | 9.00 | 20.00 | 6.00 |
| 1000800-ZZ | Шариковый радиальный однорядный подшипник. Защитные металлические шайбы с обеих сторон. | 10.00 | 19.00 | 5.00 |
| 22-1080099 КШ3УС21 | Шариковый радиальный однорядный подшипник. «Замок» (скос) на внутреннем кольце плюс массивный сепаратор из текстолита. Дополнительные технические требования. Смазка ЭРА. Нормы шумности. | 9.00 | 20.00 | 6.00 |
| 24-1080099 С2 | Шариковый радиальный однорядный подшипник. Смазка ЦИАТИМ-221. | 9.00 | 20.00 | 6.00 |
| 4-1000099 ЮТ | Шариковый радиальный однорядный подшипник. Температура отпуска. 160°. Все детали или часть деталей из нержавеющей стали.. | 9.00 | 20.00 | 6.00 |
| 4-640073 Р | Шариковый радиальный однорядный подшипник. Детали из теплоустойчивой (быстрорежущие) стали.. | 11.00 | 20.00 | 5.00 |
| НШЛТ9 Ю1Т | Шарнирный подшипник. Температура отпуска. 160°. Одно или два кольца из нержавеющей стали.. | 9.00 | 20.00 | 6.00 |
| 5-1000099 Л | Шариковый радиальный однорядный подшипник. Сепаратор из латуни.. | 9.00 | 20.00 | 6.00 |
| 5-1000099 ЮТ | Шариковый радиальный однорядный подшипник. Температура отпуска. 160°. Все детали или часть деталей из нержавеющей стали.. | 9.00 | 20.00 | 6.00 |
| 524-1000099-К | Шариковый радиальный однорядный подшипник. «Замок» (скос) на внутреннем кольце плюс массивный сепаратор из текстолита. | 9.00 | 20.00 | 6.00 |
| 6-1000099 Т2 | Шариковый радиальный однорядный подшипник. 200°. Температура отпуска. | 9.00 | 20.00 | 6.00 |
| 6-1000099 ЮТ | Шариковый радиальный однорядный подшипник. Температура отпуска. 160°. Все детали или часть деталей из нержавеющей стали.. | 9.00 | 20.00 | 6.00 |
| 6-1000099 ЮТП | Шариковый радиальный однорядный подшипник. Температура отпуска. 160°. Все детали или часть деталей из нержавеющей стали.. | 9.00 | 20.00 | 6.00 |
Способы доставки
Отправка через ведущие транспортные и курьерские компании: ПЭК, Деловые Линии, СДЭК, Байкал-Сервис, Энергия, КИТ, ЖелДорЭкспедиция.
Самовывоз возможен напрямую со склада в Москве.
Сроки доставки
Срок зависит от региона и выбранной транспортной компании. Все заказы комплектуются и отправляются в кратчайшие сроки со склада в Москве.
Надёжность и сохранность
Вся продукция упаковывается с учётом требований транспортировки. Мы гарантируем, что подшипники и комплектующие прибудут к заказчику в полной сохранности.
Доставка в страны ЕАЭС
Мы работаем с проверенными логистическими партнёрами, что позволяет оперативно доставлять заказы в Беларусь, Казахстан, Армению и другие страны ЕАЭС.
Варианты оплаты:
Минимальная сумма заказа и скидки:
Документы и гарантии:
Да, конечно! Наши технические специалисты готовы помочь вам с подбором точного аналога или замены подшипника. Просто позвоните нам по телефону +7 (495) 104-99-04 или напишите на почту zakaz@podsnab.ru.
Для оперативной консультации подготовьте, пожалуйста, имеющиеся данные: маркировку, размеры, тип оборудования или артикул старого подшипника.
Да, конечно! Мы высоко ценим долгосрочное сотрудничество и доверие клиентов по всей России. Для постоянных клиентов действует персональная система скидок.
Условия формируются индивидуально и зависят от:
Чтобы узнать свои условия и получить максимально выгодное предложение, свяжитесь с персональным менеджером или напишите нам на почту zakaz@podsnab.ru.
Вы можете оформить заказ несколькими способами:
Для оформления заказа от юридического лица свяжитесь с нашим отделом по работе с корпоративными клиентами по телефону +7 (495) 104-99-04 или напишите на email zakaz@podsnab.ru, прикрепив реквизиты вашей организации.
Мы оперативно подготовим коммерческое предложение и выставим счет.
Возврат товара надлежащего качества возможен в течение 10 дней с момента получения, если товар не был в употреблении, сохранен товарный вид, упаковка не вскрывалась и присутствуют все сопроводительные документы.
Возврат денежных средств осуществляется в течение 10 рабочих дней после проверки товара складом.
В соответствии с законодательством возврату не подлежат подшипники надлежащего качества, если отсутствует оригинальная упаковка или имеются следы монтажа.
В случае выявления брака или гарантийного случая мы гарантируем возврат или обмен товара.
Да, гарантийный срок хранения устанавливается заводом-изготовителем и в среднем составляет 2 года при соблюдении условий хранения: сухое помещение, оригинальная упаковка и смазка.
Точный срок для конкретного типа подшипника уточняйте у наших менеджеров.
Пн–Пт: с 8:00 до 17:00 (МСК).
Сб–Вс: выходные дни.
Заказы на сайте принимаются круглосуточно. Заявки, поступившие после окончания рабочего дня, обрабатываются на следующий рабочий день.
Минимальная сумма заказа для доставки составляет 3000 рублей. Самовывоз со склада возможен на любую сумму при наличии товара.
ООО «УралТехГрупп»
ИНН: 7415093830
КПП: 772401001
ОГРН: 1167456069021
Банк: ПАО Сбербанк
Р/с: 40702810838000475273
К/с: 30101810400000000225
БИК: 044525225
У подшипника SS6800 пока нет отзывов. Вы можете стать первым покупателем, поделившимся своим мнением.