Поиск подшипника
Статьи
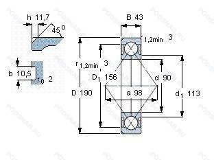
QJ318-N2-MPA-C3 — Подшипник шариковый с четырехточечным контактом, модификация основного исполнения QJ318, производство FAG.
Размер подшипника: 90x190x43 мм.
Шарикоподшипник с четырехточечным контактом, массивный латунный сепаратор. центрированный по бортику наружного кольца, внутренний зазор больше нормального, два установочных паза (выемки), расположенных под углом 180° друг от друга в одной боковой поверхности наружного кольца или шайбе корпуса.
Международная стандартизации ISO
QJ318N2MPAC3
В наличии
| Обозначение | Конструктивные изменения |
|---|---|
| QJ318N2MA | Механически обработанный латунный сепаратор. центрируемый по внешнему кольцу. Два установочных паза (выемки). 180° друг от друга. На боковой поверхности большого наружного кольца. Шариковый подшипник с четырехточечным контактом. |
| QJ318N2MA/C3 | Внутренний зазор больше нормального. Механически обработанный латунный сепаратор. центрируемый по внешнему кольцу. Два установочных паза (выемки). 180° друг от друга. На боковой поверхности большого наружного кольца. |
| QJ318-N2-MPA | Твердый латунный сепаратор. Два установочных паза (выемки), расположенных под углом 180° друг от друга в одной боковой поверхности наружного кольца или шайбе корпуса.. |
| QJ318N2MA/C2L | Механически обработанный латунный сепаратор. центрируемый по внешнему кольцу. Два установочных паза (выемки). 180° друг от друга. На боковой поверхности большого наружного кольца. Нижняя половина нормального диапазона зазора. |
| QJ318AN2/MPA | Массивный латунный сепаратор. центрированный по бортику наружного кольца. Два установочных паза (выемки), расположенных под углом 180° друг от друга в одной боковой поверхности наружного кольца или шайбе корпуса.. |
| QJ318-N2-MPA-T42F | Массивный латунный сепаратор. центрированный по бортику наружного кольца. Два установочных паза (выемки), расположенных под углом 180° друг от друга в одной боковой поверхности наружного кольца или шайбе корпуса.. Special Axial Clearance. |
| QJ318ME C3 | Внутренний зазор больше нормального. Шарикоподшипник. Однорядный электродвигатель. Уровень шума. Механически обработанный латунный сепаратор .Расположенный на элементах качения. |
| QJ318LOC | Установочный подшипник с уменьшенным наружным диаметром. |
| QJ318N2 MPA P4 | Твердый латунный сепаратор. Класс точности Р4 по ISO (точнее. чем P5) - Abec.7. Два установочных паза (выемки), расположенных под углом 180° друг от друга в одной боковой поверхности наружного кольца или шайбе корпуса.. |
| QJ318N2MPA.C4.F59 | Внутренний зазор подшипника больше. чем C3. Массивный латунный сепаратор. центрированный по бортику наружного кольца. Replaced By. Два установочных паза (выемки), расположенных под углом 180° друг от друга в одной боковой поверхности наружного кольца или шайбе корпуса.. |
| QJ318-N2-MPA-T42A | Массивный латунный сепаратор. центрированный по бортику наружного кольца. Два установочных паза (выемки), расположенных под углом 180° друг от друга в одной боковой поверхности наружного кольца или шайбе корпуса.. Специальный осевой зазор C2. |
| QJ318N2MA/C4B20 | Внутренний зазор подшипника больше. чем C3. Механически обработанный латунный сепаратор. центрируемый по внешнему кольцу. Стабилизированные кольца и уменьшенный допуск по ширине. Два установочных паза (выемки). 180° друг от друга. На боковой поверхности большого наружного кольца. |
| QJ318N2MA/C4 | Внутренний зазор подшипника больше. чем C3. Механически обработанный латунный сепаратор. центрируемый по внешнему кольцу. Два установочных паза (выемки). 180° друг от друга. На боковой поверхности большого наружного кольца. |
| QJ318N2PHAS | Измененная или модифицированная внутренняя конструкция при неизменных основных размерах. Шариковый подшипник с четырехточечным контактом. |
| QJ 318 | Штампованный сепаратор из стального листа. Шариковый подшипник с четырех-точечным контактом. |
Модификации шарикового подшипника с четырехточечным контактом QJ318-N2-MPA-C3 — это измененное основное конструктивное исполнение QJ318, основные размеры (90x190x43) не отличаются.
| Обозначение | Гост | Конструктивные особенности |
|---|---|---|
| Q318MB P63 | ISO | Латунный сепаратор. Центрированный на внутреннем кольце. P6 (=ABEC3) +C3. |
| Q318MAS C3 S0 | ISO | Внутренний зазор больше нормального. Bearing Rings Or Washers Dimensionally Stabilized For Use At Operating Temperatures Up To +150°C. Обработанный латунный сепаратор. Внешние кольца центрированы. Со смазочными канавками на направляющих поверхностях. |
| Q318MB | ISO | сепаратор из латуни. центрированный по внутреннему кольцу. |
| Q318MB C3 | ISO | Внутренний зазор больше нормального. Латунный сепаратор. Центрированный на внутреннем кольце. |
| Q318 | ISO | Подшипник шариковый с четырехточечным контактом. |
Аналог шарикового подшипника с четырехточечным контактом QJ318-N2-MPA-C3 — это подшипник такого же размера dx90,Dx190,Bx43, типа и конструкции.
| Обозначение | Конструктивные особенности | Внутренний (d) | Наружный (D) | Ширина (B) |
|---|---|---|---|---|
| 402318-Л | Роликовый радиальный подшипник. Сепаратор из латуни.. | 90.00 | 190.00 | 43.00 |
| 402318-М | Роликовый радиальный цилиндрический подшипник. Модифицированный контакт.. | 90.00 | 190.00 | 43.00 |
| 42318-К1М | Роликовый радиальный однорядный подшипник. Модифицированный контакт.. | 90.00 | 190.00 | 43.00 |
| 42318-КМ | Роликовый радиальный однорядный подшипник. Кольцевая проточка на середине цилиндрической наружной поверхности наружного кольца плюс три отверстия для смазки. Модифицированный контакт.. | 90.00 | 190.00 | 43.00 |
| 42318-Л | Роликовый радиальный однорядный подшипник. Сепаратор из латуни.. | 90.00 | 190.00 | 43.00 |
| 42318KM | Роликовый радиальный однорядный подшипник. Type Of Model. | 90.00 | 190.00 | 43.00 |
| 46318-АКЛ | Шариковый радиально-упорный однорядный подшипник. Сепаратор из латуни.. Повышенная грузоподъемность. | 90.00 | 190.00 | 43.00 |
| 46318-Е | Шариковый радиально-упорный однорядный подшипник. Сепаратор из текстолита.. | 90.00 | 190.00 | 43.00 |
| 46318-Л | Шариковый радиально-упорный однорядный подшипник. Сепаратор из латуни.. | 90.00 | 190.00 | 43.00 |
| 46318К | Шариковый радиально-упорный однорядный подшипник. «Замок» (скос) на внутреннем кольце плюс массивный сепаратор из текстолита. | 90.00 | 190.00 | 43.00 |
| 5-36318 Л | Шариковый радиально-упорный однорядный подшипник. Сепаратор из латуни.. | 90.00 | 190.00 | 43.00 |
| 5-46318 Л | Шариковый радиально-упорный однорядный подшипник. Сепаратор из латуни.. | 90.00 | 190.00 | 43.00 |
| 5-46318 ЛШ2 | Шариковый радиально-упорный однорядный подшипник. Сепаратор из латуни.. Нормы шумности. | 90.00 | 190.00 | 43.00 |
| 6-1318 Л | Шариковый радиальный двухрядный подшипник. Сепаратор из латуни.. | 90.00 | 190.00 | 43.00 |
| 6-176318 Л | Шариковый радиально-упорный однорядный подшипник. Сепаратор из латуни.. | 90.00 | 190.00 | 43.00 |
Способы доставки
Отправка через ведущие транспортные и курьерские компании: ПЭК, Деловые Линии, СДЭК, Байкал-Сервис, Энергия, КИТ, ЖелДорЭкспедиция.
Самовывоз возможен напрямую со склада в Москве.
Сроки доставки
Срок зависит от региона и выбранной транспортной компании. Все заказы комплектуются и отправляются в кратчайшие сроки со склада в Москве.
Надёжность и сохранность
Вся продукция упаковывается с учётом требований транспортировки. Мы гарантируем, что подшипники и комплектующие прибудут к заказчику в полной сохранности.
Доставка в страны ЕАЭС
Мы работаем с проверенными логистическими партнёрами, что позволяет оперативно доставлять заказы в Беларусь, Казахстан, Армению и другие страны ЕАЭС.
Варианты оплаты:
Минимальная сумма заказа и скидки:
Документы и гарантии:
Да, конечно! Наши технические специалисты готовы помочь вам с подбором точного аналога или замены подшипника. Просто позвоните нам по телефону +7 (495) 104-99-04 или напишите на почту zakaz@podsnab.ru.
Для оперативной консультации подготовьте, пожалуйста, имеющиеся данные: маркировку, размеры, тип оборудования или артикул старого подшипника.
Да, конечно! Мы высоко ценим долгосрочное сотрудничество и доверие клиентов по всей России. Для постоянных клиентов действует персональная система скидок.
Условия формируются индивидуально и зависят от:
Чтобы узнать свои условия и получить максимально выгодное предложение, свяжитесь с персональным менеджером или напишите нам на почту zakaz@podsnab.ru.
Вы можете оформить заказ несколькими способами:
Для оформления заказа от юридического лица свяжитесь с нашим отделом по работе с корпоративными клиентами по телефону +7 (495) 104-99-04 или напишите на email zakaz@podsnab.ru, прикрепив реквизиты вашей организации.
Мы оперативно подготовим коммерческое предложение и выставим счет.
Возврат товара надлежащего качества возможен в течение 10 дней с момента получения, если товар не был в употреблении, сохранен товарный вид, упаковка не вскрывалась и присутствуют все сопроводительные документы.
Возврат денежных средств осуществляется в течение 10 рабочих дней после проверки товара складом.
В соответствии с законодательством возврату не подлежат подшипники надлежащего качества, если отсутствует оригинальная упаковка или имеются следы монтажа.
В случае выявления брака или гарантийного случая мы гарантируем возврат или обмен товара.
Да, гарантийный срок хранения устанавливается заводом-изготовителем и в среднем составляет 2 года при соблюдении условий хранения: сухое помещение, оригинальная упаковка и смазка.
Точный срок для конкретного типа подшипника уточняйте у наших менеджеров.
Пн–Пт: с 8:00 до 17:00 (МСК).
Сб–Вс: выходные дни.
Заказы на сайте принимаются круглосуточно. Заявки, поступившие после окончания рабочего дня, обрабатываются на следующий рабочий день.
Минимальная сумма заказа для доставки составляет 3000 рублей. Самовывоз со склада возможен на любую сумму при наличии товара.
ООО «УралТехГрупп»
ИНН: 7415093830
КПП: 772401001
ОГРН: 1167456069021
Банк: ПАО Сбербанк
Р/с: 40702810838000475273
К/с: 30101810400000000225
БИК: 044525225
У подшипника QJ318-N2-MPA-C3 пока нет отзывов. Вы можете стать первым покупателем, поделившимся своим мнением.