Поиск подшипника
Статьи
QJ313-MPA-C3 — Подшипник шариковый с четырехточечным контактом, модификация основного исполнения QJ313, выпускается производителями: FAG, NKE.
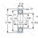
Размер подшипника: 65x140x33 мм.
Шарикоподшипник с четырехточечным контактом, твердый латунный сепаратор, внутренний зазор больше нормального.
Альтернативное обозначение: QJ313-XL-MPA-C3.
Аналоги: QJ313-MPA-C3 FAG,QJ313-XL-MPA-C3 FAG.
Международная стандартизации ISO
QJ313MPAC3
В наличии
| Обозначение | Конструктивные изменения |
|---|---|
| QJ313-MPA | Твердый латунный сепаратор. |
| QJ313 | Штампованный сепаратор из стального листа. Шариковый подшипник с четырех-точечным контактом. Основное конструктивное исполнение. |
| QJ313MA | Массивный латунный сепаратор. Шариковый подшипник с четырехточечным контактом. |
| QJ313MA/C2L | Механически обработанный латунный сепаратор. Центрирование по внешнему кольцу. Нижняя половина нормального диапазона зазора. |
| QJ313M | Подшипник с латунным сепаратором. центрированный по телам качения. |
| QJ313-XL-MPA | Серия X-Life премиум-класс. увеличиный срок службы. Твердый латунный сепаратор. |
| QJ313-XL-MPA-C3 | Внутренний зазор больше нормального. Серия X-Life премиум-класс. увеличиный срок службы. Твердый латунный сепаратор. |
| QJ313N2MPA | Массивный латунный сепаратор. центрированный по бортику наружного кольца. Два установочных паза (выемки), расположенных под углом 180° друг от друга в одной боковой поверхности наружного кольца или шайбе корпуса.. |
| QJ313MA/P63DT | Комбинация P6 (Точность размеров и пробега в соответствии с классом допуска ISO 6 (лучше нормы)) и C3 (Внутренний зазор больше нормы). Механически обработанный латунный сепаратор. Центрирование по внешнему кольцу. Bearings Matched For Mounting In A Tandem Arrangement. |
| QJ313-MPA-C4 | Внутренний зазор подшипника больше. чем C3. Твердый латунный сепаратор. |
| QJ313-XL-N2-MPA | Серия X-Life премиум-класс. увеличиный срок службы. Массивный латунный сепаратор. центрированный по бортику наружного кольца. Два установочных паза (выемки), расположенных под углом 180° друг от друга в одной боковой поверхности наружного кольца или шайбе корпуса.. |
| QJ313-XL-MPA-T42A | Серия X-Life премиум-класс. увеличиный срок службы. Твердый латунный сепаратор. Специальный осевой зазор C2. |
| QJ313MP | Механически обработанный латунный сепаратор оконного типа. |
| QJ313-N2-MPA-C4 | Внутренний зазор подшипника больше. чем C3. Массивный латунный сепаратор. центрированный по бортику наружного кольца. Два установочных паза (выемки), расположенных под углом 180° друг от друга в одной боковой поверхности наружного кольца или шайбе корпуса.. |
| QJ313N2MA/C2L | Механически обработанный латунный сепаратор. центрируемый по внешнему кольцу. Два установочных паза (выемки). 180° друг от друга. На боковой поверхности большого наружного кольца. Нижняя половина нормального диапазона зазора. |
| QJ313MPA.T42A | Твердый латунный сепаратор. Специальный осевой зазор C2. |
| QJ313N2MA | Механически обработанный латунный сепаратор. центрируемый по внешнему кольцу. Два установочных паза (выемки). 180° друг от друга. На боковой поверхности большого наружного кольца. |
Модификации шарикового подшипника с четырехточечным контактом QJ313-MPA-C3 — это измененное основное конструктивное исполнение QJ313, основные размеры (65x140x33) не отличаются.
| Обозначение | Гост | Конструктивные особенности |
|---|---|---|
| Q313M | ISO | Механически обработанный латунный сепаратор .Расположенный на элементах качения. |
| Q313 | ISO | Подшипник шариковый с четырехточечным контактом. |
| 70MJT65J | ISO | Сепаратор из стали. |
Аналог шарикового подшипника с четырехточечным контактом QJ313-MPA-C3 — это подшипник такого же размера dx65,Dx140,Bx33, типа и конструкции.
| Обозначение | Конструктивные особенности | Внутренний (d) | Наружный (D) | Ширина (B) |
|---|---|---|---|---|
| 36-313 Е | Шариковый радиальный однорядный подшипник. Сепаратор из текстолита.. | 65.00 | 140.00 | 33.00 |
| 36-313 Ю2Т | Шариковый радиальный однорядный подшипник. Температура отпуска. 160°. Все детали или часть деталей из нержавеющей стали.. | 65.00 | 140.00 | 33.00 |
| 4-313 А | Шариковый радиальный однорядный подшипник. Повышенная грузоподъемность. | 65.00 | 140.00 | 33.00 |
| 1313 TN9 | Шариковый сферический двухрядный подшипник. Литой защелкивающийся сепаратор из полиамида. армированного стекловолокном 6.6. | 65.00 | 140.00 | 33.00 |
| NU 313 ECPH | Роликовый радиальный однорядный подшипник. Однорядный цилиндрический роликовый подшипник. | 65.00 | 140.00 | 33.00 |
| 42313-КМ | Роликовый радиальный однорядный подшипник. Модифицированный контакт.. | 65.00 | 140.00 | 33.00 |
| 42313-ЛМ | Роликовый радиальный однорядный подшипник. Сепаратор из латуни.. Модифицированный контакт.. | 65.00 | 140.00 | 33.00 |
| 42313-М | Роликовый радиальный однорядный подшипник. Модифицированный контакт.. | 65.00 | 140.00 | 33.00 |
| 46313-Л | Шариковый радиально-упорный однорядный подшипник. Сепаратор из латуни.. | 65.00 | 140.00 | 33.00 |
| 46313К | Шариковый радиально-упорный однорядный подшипник. «Замок» (скос) на внутреннем кольце плюс массивный сепаратор из текстолита. | 65.00 | 140.00 | 33.00 |
| 50313-А | Шариковый радиальный однорядный подшипник. Повышенная грузоподъемность. | 65.00 | 140.00 | 33.00 |
| 50313-АК | Шариковый радиальный однорядный подшипник. Повышенная грузоподъемность. | 65.00 | 140.00 | 33.00 |
| 50313A | Шариковый радиальный однорядный подшипник. Двухрядный радиально-упорный шарикоподшипник без отверстия для смазки. | 65.00 | 140.00 | 33.00 |
| 6-102313 М | Роликовый радиальный однорядный подшипник. Модифицированный контакт.. | 65.00 | 140.00 | 33.00 |
| 6-176313 ЕШ2У | Шариковый радиально-упорный однорядный подшипник. Сепаратор из текстолита.. Дополнительные технические требования. Нормы шумности. | 65.00 | 140.00 | 33.00 |
Способы доставки
Отправка через ведущие транспортные и курьерские компании: ПЭК, Деловые Линии, СДЭК, Байкал-Сервис, Энергия, КИТ, ЖелДорЭкспедиция.
Самовывоз возможен напрямую со склада в Москве.
Сроки доставки
Срок зависит от региона и выбранной транспортной компании. Все заказы комплектуются и отправляются в кратчайшие сроки со склада в Москве.
Надёжность и сохранность
Вся продукция упаковывается с учётом требований транспортировки. Мы гарантируем, что подшипники и комплектующие прибудут к заказчику в полной сохранности.
Доставка в страны ЕАЭС
Мы работаем с проверенными логистическими партнёрами, что позволяет оперативно доставлять заказы в Беларусь, Казахстан, Армению и другие страны ЕАЭС.
Варианты оплаты:
Минимальная сумма заказа и скидки:
Документы и гарантии:
Да, конечно! Наши технические специалисты готовы помочь вам с подбором точного аналога или замены подшипника. Просто позвоните нам по телефону +7 (495) 104-99-04 или напишите на почту zakaz@podsnab.ru.
Для оперативной консультации подготовьте, пожалуйста, имеющиеся данные: маркировку, размеры, тип оборудования или артикул старого подшипника.
Да, конечно! Мы высоко ценим долгосрочное сотрудничество и доверие клиентов по всей России. Для постоянных клиентов действует персональная система скидок.
Условия формируются индивидуально и зависят от:
Чтобы узнать свои условия и получить максимально выгодное предложение, свяжитесь с персональным менеджером или напишите нам на почту zakaz@podsnab.ru.
Вы можете оформить заказ несколькими способами:
Для оформления заказа от юридического лица свяжитесь с нашим отделом по работе с корпоративными клиентами по телефону +7 (495) 104-99-04 или напишите на email zakaz@podsnab.ru, прикрепив реквизиты вашей организации.
Мы оперативно подготовим коммерческое предложение и выставим счет.
Возврат товара надлежащего качества возможен в течение 10 дней с момента получения, если товар не был в употреблении, сохранен товарный вид, упаковка не вскрывалась и присутствуют все сопроводительные документы.
Возврат денежных средств осуществляется в течение 10 рабочих дней после проверки товара складом.
В соответствии с законодательством возврату не подлежат подшипники надлежащего качества, если отсутствует оригинальная упаковка или имеются следы монтажа.
В случае выявления брака или гарантийного случая мы гарантируем возврат или обмен товара.
Да, гарантийный срок хранения устанавливается заводом-изготовителем и в среднем составляет 2 года при соблюдении условий хранения: сухое помещение, оригинальная упаковка и смазка.
Точный срок для конкретного типа подшипника уточняйте у наших менеджеров.
Пн–Пт: с 8:00 до 17:00 (МСК).
Сб–Вс: выходные дни.
Заказы на сайте принимаются круглосуточно. Заявки, поступившие после окончания рабочего дня, обрабатываются на следующий рабочий день.
Минимальная сумма заказа для доставки составляет 3000 рублей. Самовывоз со склада возможен на любую сумму при наличии товара.
ООО «УралТехГрупп»
ИНН: 7415093830
КПП: 772401001
ОГРН: 1167456069021
Банк: ПАО Сбербанк
Р/с: 40702810838000475273
К/с: 30101810400000000225
БИК: 044525225
У подшипника QJ313-MPA-C3 пока нет отзывов. Вы можете стать первым покупателем, поделившимся своим мнением.