Поиск подшипника
Статьи
QJ309MPA C3 — Подшипник шариковый с четырехточечным контактом, модификация основного исполнения QJ309, выпускается производителями: FAG, STEYR.
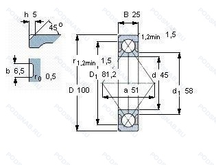
Размер подшипника: 45x100x25 мм.
Шарикоподшипник с четырехточечным контактом, твердый латунный сепаратор, внутренний зазор больше нормального.
Аналоги: QJ309-XL-MPA-C3 FAG.
Международная стандартизации ISO
QJ309MPAC3
В наличии
| Обозначение | Конструктивные изменения |
|---|---|
| QJ309TVP.T42A | Формованный полиамидный сепаратор оконного типа. Роликовые тела качения. Специальный осевой зазор C2. |
| QJ309MPA | Твердый латунный сепаратор. |
| QJ309MA/C2L | Механически обработанный латунный сепаратор. Центрирование по внешнему кольцу. Нижняя половина нормального диапазона зазора. |
| QJ309M | Механически обработанный латунный сепаратор. |
| QJ309/C2 | Внутренний зазор подшипника меньше нормального. |
| QJ309N MA C3 | Внутренний зазор больше нормального. Механически обработанный латунный сепаратор. Центрирование по внешнему кольцу. Канавка под стопорное кольцо на внешнем кольце. |
| QJ309JP.C2 | Внутренний зазор подшипника меньше нормального. Прессованный стальной сепаратор. Направленный элемент качения. |
| QJ309TNH.A50.80 | Подшипник с защелкиваемым сепаратором из пластмассы. Radial Preload In μm. |
| QJ309-XL-MPA | Серия X-Life премиум-класс. увеличиный срок службы. Твердый латунный сепаратор. |
| QJ309-XL-TVP-C3 | Внутренний зазор больше нормального. Серия X-Life премиум-класс. увеличиный срок службы. Формованный полиамидный сепаратор оконного типа. Роликовые тела качения. |
| QJ309-XL-MPA-T42A | Серия X-Life премиум-класс. увеличиный срок службы. Твердый латунный сепаратор. Специальный осевой зазор C2. |
| QJ309-XL-MPA-C3 | Внутренний зазор больше нормального. Серия X-Life премиум-класс. увеличиный срок службы. Твердый латунный сепаратор. |
| QJ309-XL-TVP | Серия X-Life премиум-класс. увеличиный срок службы. Формованный полиамидный сепаратор оконного типа. Роликовые тела качения. |
| QJ309NA | Радиальный зазор для подшипников с невзаимозаменяемыми кольцами (Обозначает всегда после символа радиального зазора. например. NU215P63 NA). |
| QJ309-TVP-C2 | Внутренний зазор подшипника меньше нормального. Формованный полиамидный сепаратор оконного типа. Роликовые тела качения. |
| QJ309-XL-TVP-T42A | Серия X-Life премиум-класс. увеличиный срок службы. Формованный полиамидный сепаратор оконного типа. Роликовые тела качения. Специальный осевой зазор C2. |
| QJ309LOC | Установочный подшипник с уменьшенным наружным диаметром. |
| QJ309-XL-N2-MPA-T42A | Серия X-Life премиум-класс. увеличиный срок службы. Массивный латунный сепаратор. центрированный по бортику наружного кольца. Два установочных паза (выемки), расположенных под углом 180° друг от друга в одной боковой поверхности наружного кольца или шайбе корпуса.. Специальный осевой зазор C2. |
| QJ309MB | Цельное внутреннее кольцо. Центрированный обработанный латунный сепаратор. |
| QJ309MPA.T42A | Твердый латунный сепаратор. Специальный осевой зазор C2. |
| QJ309TN9/C3 | Внутренний зазор больше нормального. Литой защелкивающийся сепаратор из полиамида. армированного стекловолокном 6.6. |
| QJ309-TVP | Формованный полиамидный сепаратор оконного типа. Роликовые тела качения. |
| QJ309PHAS | Glass Fibre Reinforced PEEK Cage. With Lubrication Grooves In The Guiding Surface. Outer Ring Centered. Шариковый подшипник с четырехточечным контактом. |
| QJ309FM | Y-образный подшипник серии YET2 (внутреннее кольцо выдвинуто с одной стороны. Эксцентриковая стопорная втулка). Стандартное уплотнение без фланца с каждой стороны. |
| QJ309FM/C3 | Внутренний зазор больше нормального. Y-образный подшипник серии YET2 (внутреннее кольцо выдвинуто с одной стороны. Эксцентриковая стопорная втулка). Стандартное уплотнение без фланца с каждой стороны. |
Модификации шарикового подшипника с четырехточечным контактом QJ309MPA C3 — это измененное основное конструктивное исполнение QJ309, основные размеры (45x100x25) не отличаются.
| Обозначение | Гост | Конструктивные особенности |
|---|---|---|
| Q309 | ISO | Подшипник шариковый с четырехточечным контактом. |
| Q309TNG | ISO | Прочный сепаратор из полиамида. армированного стекловолокном. |
Аналог шарикового подшипника с четырехточечным контактом QJ309MPA C3 — это подшипник такого же размера dx45,Dx100,Bx25, типа и конструкции.
| Обозначение | Конструктивные особенности | Внутренний (d) | Наружный (D) | Ширина (B) |
|---|---|---|---|---|
| 46309-Л | Шариковый радиально-упорный однорядный подшипник. Сепаратор из латуни.. | 45.00 | 100.00 | 25.00 |
| 46309К | Шариковый радиально-упорный однорядный подшипник. «Замок» (скос) на внутреннем кольце плюс массивный сепаратор из текстолита. | 45.00 | 100.00 | 25.00 |
| 5-180309Ш | Шариковый радиальный однорядный подшипник. Нормы шумности. | 45.00 | 100.00 | 25.00 |
| 5-309 АК | Шариковый радиальный однорядный подшипник. Повышенная грузоподъемность. | 45.00 | 100.00 | 25.00 |
| 5-309 Е | Шариковый радиальный однорядный подшипник. Сепаратор из текстолита.. | 45.00 | 100.00 | 25.00 |
| 5-309 Р3 | Шариковый радиальный однорядный подшипник. Детали из теплоустойчивой (быстрорежущие) стали.. | 45.00 | 100.00 | 25.00 |
| 5-46309 Е | Шариковый радиально-упорный однорядный подшипник. Сепаратор из текстолита.. | 45.00 | 100.00 | 25.00 |
| 5-66309 К | Шариковый радиально-упорный однорядный подшипник. «Замок» (скос) на внутреннем кольце плюс массивный сепаратор из текстолита. | 45.00 | 100.00 | 25.00 |
| 50309-А | Шариковый радиальный однорядный подшипник. Повышенная грузоподъемность. | 45.00 | 100.00 | 25.00 |
| 56-2309 Б1Т2 | Роликовый радиальный однорядный подшипник. 200°. Температура отпуска. Сепаратор из безоловянистой бронзы.. | 45.00 | 100.00 | 25.00 |
| 56-2309 БТ | Роликовый радиальный однорядный подшипник. Температура отпуска. 160°. Сепаратор из безоловянистой бронзы.. | 45.00 | 100.00 | 25.00 |
| 6-102309 М | Роликовый радиальный однорядный подшипник. Модифицированный контакт.. | 45.00 | 100.00 | 25.00 |
| 6-12309 Д | Роликовый радиальный однорядный подшипник. Сепаратор из алюминиевого сплава.. | 45.00 | 100.00 | 25.00 |
| 6-12309 Д1 | Роликовый радиальный однорядный подшипник. Сепаратор из алюминиевого сплава.. | 45.00 | 100.00 | 25.00 |
| 6-12309 ЛМ | Роликовый радиальный однорядный подшипник. Сепаратор из латуни.. Модифицированный контакт.. | 45.00 | 100.00 | 25.00 |
Способы доставки
Отправка через ведущие транспортные и курьерские компании: ПЭК, Деловые Линии, СДЭК, Байкал-Сервис, Энергия, КИТ, ЖелДорЭкспедиция.
Самовывоз возможен напрямую со склада в Москве.
Сроки доставки
Срок зависит от региона и выбранной транспортной компании. Все заказы комплектуются и отправляются в кратчайшие сроки со склада в Москве.
Надёжность и сохранность
Вся продукция упаковывается с учётом требований транспортировки. Мы гарантируем, что подшипники и комплектующие прибудут к заказчику в полной сохранности.
Доставка в страны ЕАЭС
Мы работаем с проверенными логистическими партнёрами, что позволяет оперативно доставлять заказы в Беларусь, Казахстан, Армению и другие страны ЕАЭС.
Варианты оплаты:
Минимальная сумма заказа и скидки:
Документы и гарантии:
Да, конечно! Наши технические специалисты готовы помочь вам с подбором точного аналога или замены подшипника. Просто позвоните нам по телефону +7 (495) 104-99-04 или напишите на почту zakaz@podsnab.ru.
Для оперативной консультации подготовьте, пожалуйста, имеющиеся данные: маркировку, размеры, тип оборудования или артикул старого подшипника.
Да, конечно! Мы высоко ценим долгосрочное сотрудничество и доверие клиентов по всей России. Для постоянных клиентов действует персональная система скидок.
Условия формируются индивидуально и зависят от:
Чтобы узнать свои условия и получить максимально выгодное предложение, свяжитесь с персональным менеджером или напишите нам на почту zakaz@podsnab.ru.
Вы можете оформить заказ несколькими способами:
Для оформления заказа от юридического лица свяжитесь с нашим отделом по работе с корпоративными клиентами по телефону +7 (495) 104-99-04 или напишите на email zakaz@podsnab.ru, прикрепив реквизиты вашей организации.
Мы оперативно подготовим коммерческое предложение и выставим счет.
Возврат товара надлежащего качества возможен в течение 10 дней с момента получения, если товар не был в употреблении, сохранен товарный вид, упаковка не вскрывалась и присутствуют все сопроводительные документы.
Возврат денежных средств осуществляется в течение 10 рабочих дней после проверки товара складом.
В соответствии с законодательством возврату не подлежат подшипники надлежащего качества, если отсутствует оригинальная упаковка или имеются следы монтажа.
В случае выявления брака или гарантийного случая мы гарантируем возврат или обмен товара.
Да, гарантийный срок хранения устанавливается заводом-изготовителем и в среднем составляет 2 года при соблюдении условий хранения: сухое помещение, оригинальная упаковка и смазка.
Точный срок для конкретного типа подшипника уточняйте у наших менеджеров.
Пн–Пт: с 8:00 до 17:00 (МСК).
Сб–Вс: выходные дни.
Заказы на сайте принимаются круглосуточно. Заявки, поступившие после окончания рабочего дня, обрабатываются на следующий рабочий день.
Минимальная сумма заказа для доставки составляет 3000 рублей. Самовывоз со склада возможен на любую сумму при наличии товара.
ООО «УралТехГрупп»
ИНН: 7415093830
КПП: 772401001
ОГРН: 1167456069021
Банк: ПАО Сбербанк
Р/с: 40702810838000475273
К/с: 30101810400000000225
БИК: 044525225
У подшипника QJ309MPA C3 пока нет отзывов. Вы можете стать первым покупателем, поделившимся своим мнением.