Поиск подшипника
Статьи
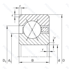
CSXC045 — Подшипник шариковый с четырехточечным контактом, основное исполнение, производство INA.
Размер подшипника: 114x133x9 мм.
Альтернативное обозначение: FPXC408, KC045XPO, L18SA408YH, NBX11409.
Аналоги: L18SA408YH FAG.
Международная стандартизации ISO
CSXC045
В наличии
| Обозначение | Конструктивные изменения |
|---|---|
| CSXC045-HLE | Код местонахождения завода. может использоваться в стандартной комплектации. |
Модификации шарикового подшипника с четырехточечным контактом CSXC045 — это измененное основное конструктивное исполнение CSXC045, основные размеры (114x133x9) не отличаются.
| Обозначение | Гост | Конструктивные особенности |
|---|---|---|
| L18SA408YH | ISO | Тонкостенный подшипник. латунный сепаратор защелкивающегося типа. |
| FPXC408 | ISO | Подшипник шариковый с четырехточечным контактом. |
Аналог шарикового подшипника с четырехточечным контактом CSXC045 — это подшипник такого же размера dx114,Dx133,Bx9, типа и конструкции.
| Обозначение | Конструктивные особенности | Внутренний (d) | Наружный (D) | Ширина (B) |
|---|---|---|---|---|
| FPCC408 | Подшипник однорядный шариковый радиальный. | 114.30 | 133.35 | 9.53 |
| CSEC045-HLE | Подшипник шариковый однорядный радиально-упорный. Код местонахождения завода. может использоваться в стандартной комплектации. | 114.30 | 133.35 | 9.53 |
| KC045ARO | Подшипник шариковый однорядный радиально-упорный. Радиально-упорный одиночный подшипник (не предназначен для универсального дуплексирования). Standard Formed Ring. Circular Pocket (Material—Brass Or Non-Metallic Composite). Класс точности 1 по стандарту ABEC 1F. | 114.30 | 133.35 | 9.53 |
| L15SA408YP | Подшипник шариковый однорядный радиально-упорный. Сепаратор типа VO. Прессованная латунь. | 114.30 | 133.35 | 9.53 |
| CSCC045 | Подшипник однорядный шариковый радиальный. | 114.30 | 133.35 | 9.53 |
| L10SA408 | Подшипник однорядный шариковый радиальный. | 114.30 | 133.35 | 9.53 |
| KC045CPO | Подшипник однорядный шариковый радиальный. Радиальный контакт. Standard Formed Ring “Snap-Over” Type (Material—Brass Or Non-Metallic Composite). Класс точности 1 по стандарту ABEC 1F. | 114.30 | 133.35 | 9.53 |
| KC045CP0 | Подшипник однорядный шариковый радиальный. Радиальный контакт. Standard Formed Ring “Snap-Over” Type (Material—Brass Or Non-Metallic Composite). | 114.30 | 133.35 | 9.53 |
| NBC11409 | Подшипник однорядный шариковый радиальный. | 114.30 | 133.35 | 9.53 |
| CSCC045-HLE | Подшипник однорядный шариковый радиальный. Код местонахождения завода. может использоваться в стандартной комплектации. | 114.30 | 133.35 | 9.53 |
| KCX045 | Шариковый радиально-упорный однорядный подшипник. Угол контакта 15 градусов. | 114.30 | 133.35 | 9.53 |
| KCA045 | Шариковый радиально-упорный однорядный подшипник. Угол контакта 15 градусов. | 114.30 | 133.35 | 9.53 |
| CSEC045 | Шариковый радиальный подшипник. | 114.30 | 133.35 | 9.53 |
| KCC045 | Шариковый радиальный однорядный подшипник. Угол контакта 20 градусов. | 114.30 | 133.35 | 9.53 |
| KRC045 | Шариковый радиальный однорядный подшипник. Коническое отверстие (1. | 114.30 | 133.35 | 9.53 |
Способы доставки
Отправка через ведущие транспортные и курьерские компании: ПЭК, Деловые Линии, СДЭК, Байкал-Сервис, Энергия, КИТ, ЖелДорЭкспедиция.
Самовывоз возможен напрямую со склада в Москве.
Сроки доставки
Срок зависит от региона и выбранной транспортной компании. Все заказы комплектуются и отправляются в кратчайшие сроки со склада в Москве.
Надёжность и сохранность
Вся продукция упаковывается с учётом требований транспортировки. Мы гарантируем, что подшипники и комплектующие прибудут к заказчику в полной сохранности.
Доставка в страны ЕАЭС
Мы работаем с проверенными логистическими партнёрами, что позволяет оперативно доставлять заказы в Беларусь, Казахстан, Армению и другие страны ЕАЭС.
Варианты оплаты:
Минимальная сумма заказа и скидки:
Документы и гарантии:
Да, конечно! Наши технические специалисты готовы помочь вам с подбором точного аналога или замены подшипника. Просто позвоните нам по телефону +7 (495) 104-99-04 или напишите на почту zakaz@podsnab.ru.
Для оперативной консультации подготовьте, пожалуйста, имеющиеся данные: маркировку, размеры, тип оборудования или артикул старого подшипника.
Да, конечно! Мы высоко ценим долгосрочное сотрудничество и доверие клиентов по всей России. Для постоянных клиентов действует персональная система скидок.
Условия формируются индивидуально и зависят от:
Чтобы узнать свои условия и получить максимально выгодное предложение, свяжитесь с персональным менеджером или напишите нам на почту zakaz@podsnab.ru.
Вы можете оформить заказ несколькими способами:
Для оформления заказа от юридического лица свяжитесь с нашим отделом по работе с корпоративными клиентами по телефону +7 (495) 104-99-04 или напишите на email zakaz@podsnab.ru, прикрепив реквизиты вашей организации.
Мы оперативно подготовим коммерческое предложение и выставим счет.
Возврат товара надлежащего качества возможен в течение 10 дней с момента получения, если товар не был в употреблении, сохранен товарный вид, упаковка не вскрывалась и присутствуют все сопроводительные документы.
Возврат денежных средств осуществляется в течение 10 рабочих дней после проверки товара складом.
В соответствии с законодательством возврату не подлежат подшипники надлежащего качества, если отсутствует оригинальная упаковка или имеются следы монтажа.
В случае выявления брака или гарантийного случая мы гарантируем возврат или обмен товара.
Да, гарантийный срок хранения устанавливается заводом-изготовителем и в среднем составляет 2 года при соблюдении условий хранения: сухое помещение, оригинальная упаковка и смазка.
Точный срок для конкретного типа подшипника уточняйте у наших менеджеров.
Пн–Пт: с 8:00 до 17:00 (МСК).
Сб–Вс: выходные дни.
Заказы на сайте принимаются круглосуточно. Заявки, поступившие после окончания рабочего дня, обрабатываются на следующий рабочий день.
Минимальная сумма заказа для доставки составляет 3000 рублей. Самовывоз со склада возможен на любую сумму при наличии товара.
ООО «УралТехГрупп»
ИНН: 7415093830
КПП: 772401001
ОГРН: 1167456069021
Банк: ПАО Сбербанк
Р/с: 40702810838000475273
К/с: 30101810400000000225
БИК: 044525225
У подшипника CSXC045 пока нет отзывов. Вы можете стать первым покупателем, поделившимся своим мнением.