Поиск подшипника
Статьи
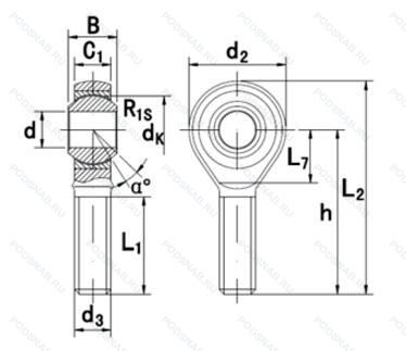
KA10D — Сферический шарнирный подшипник, модификация основного исполнения KA10, производство ASKUBAL.
Размер наконечника: 10x29x14 мм.
Сталь/ptfe.
Альтернативное обозначение: GAKFR10PW, SAKB10F.
Аналоги: GAKFR10PW Elges,TFE10PW Pavarini,TSM10C ISB,TE10ET Neutral,TFE10PW Neutral.
Международная стандартизации ISO
KA10D
В наличии
| Обозначение | Конструктивные изменения |
|---|---|
| KA10DNIRO | Сферический шарнирный подшипник. |
| KA10ST | Однократная регулировка с помощью стопорного штифта. |
| KA10 | Сферический шарнирный подшипник. Основное конструктивное исполнение. |
| KA10NIRO | Нержавеющая сталь. |
| KA10STK-2RS | Резиновые уплотнения с каждой стороны подшипника. Clearance And Re-Adjusted By Means Of Locknuts. |
| KA10DV | Сталь/PTFE. As Standard. But Housing Heat-Treated. |
| KA10-402 | Сферический шарнирный подшипник. |
Модификации шарнирного наконечника KA10D — это измененное основное конструктивное исполнение KA10, основные размеры (10x29x14) не отличаются.
| Обозначение | Гост | Конструктивные особенности |
|---|---|---|
| GAKFR10PW | ISO | Скользящая контактная поверхность сталь/PTFE (политетрафторэтилен) Бронзовая пленка.. |
| TFE10PW | ISO | Контактная поверхность скольжения Сталь/PTFE. |
| SAKB10F | ISO | Композит Сталь/PTFE. |
| TE10ET | ISO | Сквозная закалка и шлифовка стали с переломом в одной точке. |
| TSM10C | ISO | 15° Угол контакта. |
| KI10DNIRO | ISO | Сталь/PTFE. Нержавеющая сталь. |
| PHS10-1 | ISO | Number Of Carriages Per Rail Track. |
| GAKFL10PWA | ISO | Двухрядный радиально-упорный шарикоподшипник без отверстия для смазки. Контактная поверхность скольжения Сталь/PTFE. |
| KI10STK 2RS | ISO | Резиновые уплотнения с каждой стороны подшипника. Clearance And Re-Adjusted By Means Of Locknuts. |
| KIL10STK 2RS | ISO | Резиновые уплотнения с каждой стороны подшипника. Clearance And Re-Adjusted By Means Of Locknuts. |
| KUA10C2 | ISO | Внутренний зазор подшипника меньше нормального. |
| KI10D | ISO | Сталь/PTFE. |
| BEM10-20-501 | ISO | Правая резьба. |
| BRF10-01-501 | ISO | Правая резьба. |
| SIK10C | ISO | Сталь/Тефлон. |
| SFLC10H | ISO | Hard-Chromed Outer Part And Inner Ring. |
| BEM10-60-501 | ISO | Правая резьба. |
| BEM10-60-502 | ISO | Левосторонняя резьба. |
| BEF10-20-501 | ISO | Distance Between Beginning Of The Rail And First Hole In MM. Правая резьба. |
| SILKB10F/VZ019 | ISO | Композит Сталь/PTFE. Special Thread According to ISO 8139/1991. CETOP RP 103 P. |
| PHS10EC | ISO | Сталь/политетрафторэтилен (ПТФЭ). |
| GARSW10X1.25 | ISO | Distance Between Beginning Of The Rail And First Hole In MM. Специальная фаска. |
| BEF10-61-502-L | ISO | Одно механическое уплотнение. 3.13/16. Левосторонняя резьба. |
| BEF10-20-502 | ISO | Distance Between Beginning Of The Rail And First Hole In MM. Левосторонняя резьба. |
| GALS10SN | ISO | Специальный смазочный ниппель.. |
Аналог шарнирного наконечника KA10D — это наконечник такого же размера dx10,Dx29,Bx14, типа и конструкции.
| Обозначение | Конструктивные особенности | Внутренний (d) | Наружный (D) | Ширина (B) |
|---|---|---|---|---|
| 180500-КС17Ш1 | Шариковый радиальный однорядный подшипник. Смазка Литол-24. «Замок» (скос) на внутреннем кольце плюс массивный сепаратор из текстолита. Нормы шумности. | 10.00 | 30.00 | 14.00 |
| 2200 TN9 | Шариковый сферический двухрядный подшипник. Литой защелкивающийся сепаратор из полиамида. армированного стекловолокном 6.6. | 10.00 | 30.00 | 14.00 |
| 2200S | Шариковый сферический двухрядный подшипник. Запечатанная версия кулачкового ролика. Только для внутреннего и наружного колец. | 10.00 | 30.00 | 14.00 |
| 2Ш10 Ю | Шарнирный подшипник. Одно или два кольца из нержавеющей стали.. Нормы шумности. Без отверстий и канавок для смазки.. | 10.00 | 30.00 | 14.00 |
| SIL10T/K | Шарнирный подшипник. Коническое отверстие. Конусность 1/12. Textile Laminated Phenolic Resin. Outer Ring Guided. The Cage Is Suitable For Long-Term Operation At Temperatures Up To 100°C. | 10.00 | 28.00 | 14.00 |
| 2ШЛТ10 | Шарнирный подшипник. Без отверстий и канавок для смазки. | 10.00 | 30.00 | 14.00 |
| 2ШМ10 ЮТ | Шарнирный подшипник. Температура отпуска. 160°. Одно или два кольца из нержавеющей стали.. Без отверстий и канавок для смазки.. | 10.00 | 30.00 | 14.00 |
| 2ШН10 | Шарнирный подшипник. Неразъемный без отверстий и канавок для смазки. | 10.00 | 30.00 | 14.00 |
| 2ШС10 Ю | Шарнирный подшипник. Одно или два кольца из нержавеющей стали.. С отверстиями и канавками для смазки во внутреннем кольце.. | 10.00 | 30.00 | 14.00 |
| 2ШС10 Ю2УТ | Шарнирный подшипник. Уменьшенный внутренний осевой зазор.. Температура отпуска. 160°. Поверхность скольжения – нержавеющая сталь/серебро (покрытие сферы внутреннего кольца серебром).. С отверстиями и канавками для смазки во внутреннем кольце.. | 10.00 | 30.00 | 14.00 |
| 2ШС10 ЮТ | Шарнирный подшипник. Температура отпуска. 160°. Одно или два кольца из нержавеющей стали.. С отверстиями и канавками для смазки во внутреннем кольце.. | 10.00 | 30.00 | 14.00 |
| 2ШС10ВК | Шарнирный подшипник. Отдельное внутреннее кольцо шарнирного подшипника.. С отверстиями и канавками для смазки во внутреннем кольце.. | 10.00 | 30.00 | 14.00 |
| 5-180500 Е1С1 | Шариковый радиальный однорядный подшипник. Сепаратор из текстолита.. Смазка ОКБ 122-7. | 10.00 | 30.00 | 14.00 |
| 6-180500 КС17Ш1 | Шариковый радиальный однорядный подшипник. Смазка Литол-24. «Замок» (скос) на внутреннем кольце плюс массивный сепаратор из текстолита. Нормы шумности. | 10.00 | 30.00 | 14.00 |
| 6-180500 СЭШ1 | Шариковый радиальный однорядный подшипник. Нормы шумности. Детали из стали ШХ-15 со специальными присадками (ванадий. | 10.00 | 30.00 | 14.00 |
Способы доставки
Отправка через ведущие транспортные и курьерские компании: ПЭК, Деловые Линии, СДЭК, Байкал-Сервис, Энергия, КИТ, ЖелДорЭкспедиция.
Самовывоз возможен напрямую со склада в Москве.
Сроки доставки
Срок зависит от региона и выбранной транспортной компании. Все заказы комплектуются и отправляются в кратчайшие сроки со склада в Москве.
Надёжность и сохранность
Вся продукция упаковывается с учётом требований транспортировки. Мы гарантируем, что подшипники и комплектующие прибудут к заказчику в полной сохранности.
Доставка в страны ЕАЭС
Мы работаем с проверенными логистическими партнёрами, что позволяет оперативно доставлять заказы в Беларусь, Казахстан, Армению и другие страны ЕАЭС.
Варианты оплаты:
Минимальная сумма заказа и скидки:
Документы и гарантии:
Да, конечно! Наши технические специалисты готовы помочь вам с подбором точного аналога или замены подшипника. Просто позвоните нам по телефону +7 (495) 104-99-04 или напишите на почту zakaz@podsnab.ru.
Для оперативной консультации подготовьте, пожалуйста, имеющиеся данные: маркировку, размеры, тип оборудования или артикул старого подшипника.
Да, конечно! Мы высоко ценим долгосрочное сотрудничество и доверие клиентов по всей России. Для постоянных клиентов действует персональная система скидок.
Условия формируются индивидуально и зависят от:
Чтобы узнать свои условия и получить максимально выгодное предложение, свяжитесь с персональным менеджером или напишите нам на почту zakaz@podsnab.ru.
Вы можете оформить заказ несколькими способами:
Для оформления заказа от юридического лица свяжитесь с нашим отделом по работе с корпоративными клиентами по телефону +7 (495) 104-99-04 или напишите на email zakaz@podsnab.ru, прикрепив реквизиты вашей организации.
Мы оперативно подготовим коммерческое предложение и выставим счет.
Возврат товара надлежащего качества возможен в течение 10 дней с момента получения, если товар не был в употреблении, сохранен товарный вид, упаковка не вскрывалась и присутствуют все сопроводительные документы.
Возврат денежных средств осуществляется в течение 10 рабочих дней после проверки товара складом.
В соответствии с законодательством возврату не подлежат подшипники надлежащего качества, если отсутствует оригинальная упаковка или имеются следы монтажа.
В случае выявления брака или гарантийного случая мы гарантируем возврат или обмен товара.
Да, гарантийный срок хранения устанавливается заводом-изготовителем и в среднем составляет 2 года при соблюдении условий хранения: сухое помещение, оригинальная упаковка и смазка.
Точный срок для конкретного типа подшипника уточняйте у наших менеджеров.
Пн–Пт: с 8:00 до 17:00 (МСК).
Сб–Вс: выходные дни.
Заказы на сайте принимаются круглосуточно. Заявки, поступившие после окончания рабочего дня, обрабатываются на следующий рабочий день.
Минимальная сумма заказа для доставки составляет 3000 рублей. Самовывоз со склада возможен на любую сумму при наличии товара.
ООО «УралТехГрупп»
ИНН: 7415093830
КПП: 772401001
ОГРН: 1167456069021
Банк: ПАО Сбербанк
Р/с: 40702810838000475273
К/с: 30101810400000000225
БИК: 044525225
У подшипника KA10D пока нет отзывов. Вы можете стать первым покупателем, поделившимся своим мнением.