Поиск подшипника
Статьи
GAL8DO — Сферический шарнирный подшипник, модификация основного исполнения GAL8, выпускается производителями: CCVI, ELGES, FAG, INA, LSK BEARINGS, NEUTRAL.
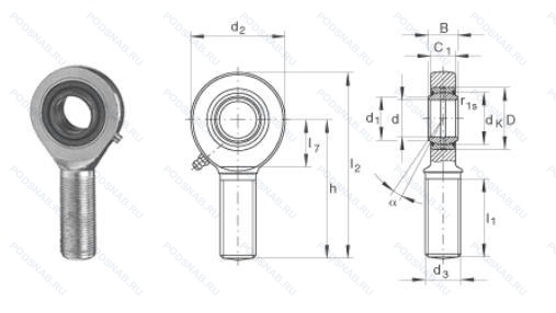
Размер наконечника: 8x24x8 мм.
Сталь/сталь и внутреннее и внешнее кольцо закалены.
Альтернативное обозначение: GAL8ES, SAL8DO, SAL8E, SAL8ES.
Аналоги: SAL8E SKF,GAL8ES LSK Bearings.
Международная стандартизации ISO
GAL8DO
В наличии
| Обозначение | Конструктивные изменения |
|---|---|
| GAL8UK | Сталь/фторопластовая ткань.. |
| GAL8GB | Расширенное внутреннее кольцо, материал скольжения сталь по бронзе. |
| GAL8GW | Расширенное внутреннее кольцо. Материал скольжения сталь/PTFE. |
| GAL8 | Сферический шарнирный подшипник. Основное конструктивное исполнение. |
Модификации шарнирного наконечника GAL8DO — это измененное основное конструктивное исполнение GAL8, основные размеры (8x24x8) не отличаются.
| Обозначение | Гост | Конструктивные особенности |
|---|---|---|
| REM8E | ISO | Повышенная грузоподъемность. |
| SIL8C | ISO | 15° Угол контакта. |
| GIL8UK | ISO | Сталь/фторопластовая ткань.. |
| EJ8 | ISO | Сферический шарнирный подшипник. |
| BRF8L | ISO | Одно механическое уплотнение. |
| SAL8C | ISO | 15° Угол контакта. |
| GIL8DO | ISO | Сталь/Сталь и внутреннее и внешнее кольцо закалены.. |
| SAL8E | ISO | Повышенная грузоподъемность. |
| SIL8E | ISO | Повышенная грузоподъемность. |
| EA8D | ISO | Сталь/PTFE. |
| EJL8D | ISO | Сталь/PTFE. |
| TFEL8MKB | ISO | Сталь/политетрафторэтилен (ПТФЭ). |
| TFI8FKB | ISO | Сталь/политетрафторэтилен (ПТФЭ). |
| TFIL8FKB | ISO | Сталь/политетрафторэтилен (ПТФЭ). |
| BRF8 | ISO | Сферический шарнирный подшипник. |
| REF8E | ISO | Сталь. Кольцевые канавки и смазочные отверстия как во внутреннем. так и во внешнем кольцах. |
| SMR1-8L | ISO | Левосторонняя резьба. |
| JMT08RX | ISO | Heat Resistant Steel (SHX) (Rings And Rolling Elements). |
| JMT08LX | ISO | Левосторонняя резьба. |
| EFN08-20-501 | ISO | Правая резьба. |
| EI-8 | ISO | Сферический шарнирный подшипник. |
Аналог шарнирного наконечника GAL8DO — это наконечник такого же размера dx8,Dx24,Bx8, типа и конструкции.
| Обозначение | Конструктивные особенности | Внутренний (d) | Наружный (D) | Ширина (B) |
|---|---|---|---|---|
| SF628-2Z | Шариковый радиальный однорядный подшипник. Защитные металлические шайбы с обеих сторон подшипника. | 8.00 | 24.00 | 8.00 |
| 608/24-2Z | Шариковый радиальный однорядный подшипник. Защитные металлические шайбы с обеих сторон подшипника. 1.1/2. | 8.00 | 24.00 | 7.00 |
| 608/24-2RS | Шариковый радиальный однорядный подшипник. Резиновые уплотнения с каждой стороны подшипника. 1.1/2. | 8.00 | 24.00 | 7.00 |
| 608/24 | Шариковый радиальный однорядный подшипник. 1.1/2. | 8.00 | 24.00 | 7.00 |
| 628-2Z.T9H.C3 | Шариковый радиальный однорядный подшипник. Внутренний зазор больше нормального. Защитные металлические шайбы с обеих сторон подшипника. Защелкивающийся сепаратор. Усиленный стекловолокном полиамид. Шариковые тела качения. | 8.00 | 24.00 | 8.00 |
| F628-2Z | Шариковый радиальный однорядный подшипник. Защитные металлические шайбы с обеих сторон подшипника. | 8.00 | 24.00 | 8.00 |
| F628-2RS | Шариковый радиальный однорядный подшипник. Резиновые уплотнения с каждой стороны подшипника. | 8.00 | 24.00 | 8.00 |
| 25-28 Р3 | Шариковый радиальный однорядный подшипник. Детали из теплоустойчивой (быстрорежущие) стали.. | 8.00 | 24.00 | 8.00 |
| 46019К | Шариковый радиально-упорный однорядный подшипник. «Замок» (скос) на внутреннем кольце плюс массивный сепаратор из текстолита. | 9.00 | 24.00 | 7.00 |
| 46028К | Шариковый радиально-упорный однорядный подшипник. «Замок» (скос) на внутреннем кольце плюс массивный сепаратор из текстолита. | 8.00 | 24.00 | 8.00 |
| 5-6008 Е | Шариковый радиально-упорный однорядный подшипник. Сепаратор из текстолита.. | 8.00 | 24.00 | 7.00 |
| 5-6008 У | Шариковый радиально-упорный однорядный подшипник. Дополнительные технические требования. | 8.00 | 24.00 | 7.00 |
| 5-6008 У1 | Шариковый радиально-упорный однорядный подшипник. Дополнительные технические требования. | 8.00 | 24.00 | 7.00 |
| 5-6028 Е1 | Шариковый радиально-упорный однорядный подшипник. Сепаратор из текстолита.. | 8.00 | 24.00 | 8.00 |
| 5-606019 Е | Шариковый радиально-упорный подшипник. Сепаратор из текстолита.. | 9.00 | 24.00 | 7.00 |
Способы доставки
Отправка через ведущие транспортные и курьерские компании: ПЭК, Деловые Линии, СДЭК, Байкал-Сервис, Энергия, КИТ, ЖелДорЭкспедиция.
Самовывоз возможен напрямую со склада в Москве.
Сроки доставки
Срок зависит от региона и выбранной транспортной компании. Все заказы комплектуются и отправляются в кратчайшие сроки со склада в Москве.
Надёжность и сохранность
Вся продукция упаковывается с учётом требований транспортировки. Мы гарантируем, что подшипники и комплектующие прибудут к заказчику в полной сохранности.
Доставка в страны ЕАЭС
Мы работаем с проверенными логистическими партнёрами, что позволяет оперативно доставлять заказы в Беларусь, Казахстан, Армению и другие страны ЕАЭС.
Варианты оплаты:
Минимальная сумма заказа и скидки:
Документы и гарантии:
Да, конечно! Наши технические специалисты готовы помочь вам с подбором точного аналога или замены подшипника. Просто позвоните нам по телефону +7 (495) 104-99-04 или напишите на почту zakaz@podsnab.ru.
Для оперативной консультации подготовьте, пожалуйста, имеющиеся данные: маркировку, размеры, тип оборудования или артикул старого подшипника.
Да, конечно! Мы высоко ценим долгосрочное сотрудничество и доверие клиентов по всей России. Для постоянных клиентов действует персональная система скидок.
Условия формируются индивидуально и зависят от:
Чтобы узнать свои условия и получить максимально выгодное предложение, свяжитесь с персональным менеджером или напишите нам на почту zakaz@podsnab.ru.
Вы можете оформить заказ несколькими способами:
Для оформления заказа от юридического лица свяжитесь с нашим отделом по работе с корпоративными клиентами по телефону +7 (495) 104-99-04 или напишите на email zakaz@podsnab.ru, прикрепив реквизиты вашей организации.
Мы оперативно подготовим коммерческое предложение и выставим счет.
Возврат товара надлежащего качества возможен в течение 10 дней с момента получения, если товар не был в употреблении, сохранен товарный вид, упаковка не вскрывалась и присутствуют все сопроводительные документы.
Возврат денежных средств осуществляется в течение 10 рабочих дней после проверки товара складом.
В соответствии с законодательством возврату не подлежат подшипники надлежащего качества, если отсутствует оригинальная упаковка или имеются следы монтажа.
В случае выявления брака или гарантийного случая мы гарантируем возврат или обмен товара.
Да, гарантийный срок хранения устанавливается заводом-изготовителем и в среднем составляет 2 года при соблюдении условий хранения: сухое помещение, оригинальная упаковка и смазка.
Точный срок для конкретного типа подшипника уточняйте у наших менеджеров.
Пн–Пт: с 8:00 до 17:00 (МСК).
Сб–Вс: выходные дни.
Заказы на сайте принимаются круглосуточно. Заявки, поступившие после окончания рабочего дня, обрабатываются на следующий рабочий день.
Минимальная сумма заказа для доставки составляет 3000 рублей. Самовывоз со склада возможен на любую сумму при наличии товара.
ООО «УралТехГрупп»
ИНН: 7415093830
КПП: 772401001
ОГРН: 1167456069021
Банк: ПАО Сбербанк
Р/с: 40702810838000475273
К/с: 30101810400000000225
БИК: 044525225
У подшипника GAL8DO пока нет отзывов. Вы можете стать первым покупателем, поделившимся своим мнением.