Поиск подшипника
Статьи
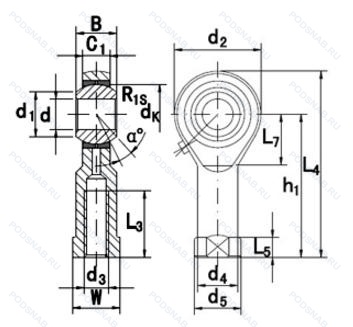
TSF16.1 — Сферический шарнирный подшипник, модификация основного исполнения TSF16, производство LSK BEARINGS.
Размер наконечника: 16x42x21 мм.
Number of carriages per rail track.
Международная стандартизации ISO
TSF161
В наличии
| Обозначение | Конструктивные изменения |
|---|---|
| TSF16-1.5C | Number Of Carriages Per Rail Track. Chevron SRI-2 Grease High Temperature -29°C to 177°C. |
| TSF16C | 15° Угол контакта. |
| TSF16 | Сферический шарнирный подшипник. Основное конструктивное исполнение. |
| TSF16X1.5 | Distance Between Beginning Of The Rail And First Hole In MM. Специальная фаска. |
Модификации шарнирного наконечника TSF16.1 — это измененное основное конструктивное исполнение TSF16, основные размеры (16x42x21) не отличаются.
| Обозначение | Гост | Конструктивные особенности |
|---|---|---|
| POS16LSS | ISO | Левосторонняя резьба. |
| EI16D M16X1,5 | ISO | Контактный материал Сталь/PFTE.. Thread. |
| GILRSW16RR | ISO | Полностью из нержавеющей стали.. |
| KI16NIRO | ISO | Нержавеющая сталь. |
| BRTM16L | ISO | Одно механическое уплотнение. |
| RBTL16 | ISO | Левосторонняя резьба. |
| BRTF16-00-502 | ISO | Левосторонняя резьба. |
| SAK16C | ISO | концы стержня. не требующие обслуживания. Внутренняя резьба. |
| KAL16DNRBF | ISO | Stainless Steel on / PFTE. Inner Ring Hardened. Ground And Polished. Outer Ring Lined With An Antifriction Film. Consisting Of PTFE. Outer Diameter Ground. Housing Caulked At Both Sides. |
| DSIL16T/K | ISO | Композит Сталь/PTFE. |
| BEF16-60-501 | ISO | 3.3/4. Правая резьба. |
| BEF16-60-502 | ISO | 3.3/4. Левосторонняя резьба. |
| BEF16-20-501 | ISO | Distance Between Beginning Of The Rail And First Hole In MM. Правая резьба. |
| KAL20203-ZZ | ISO | Защитные металлические шайбы с обеих сторон. |
| SILKAC16M/VZ019 | ISO | Сталь/Бронза. Special Thread According to ISO 8139/1991. CETOP RP 103 P. |
| SILKB16F/VZ019 | ISO | Композит Сталь/PTFE. Special Thread According to ISO 8139/1991. CETOP RP 103 P. |
| GIKL16PWA | ISO | Особенность внутренней конструкции. Контактная поверхность скольжения Сталь/PTFE. |
| GIKR16-PW-A | ISO | Особенность внутренней конструкции. Контактная поверхность скольжения Сталь/PTFE. |
| BEF16-20-502 | ISO | Distance Between Beginning Of The Rail And First Hole In MM. Левосторонняя резьба. |
| GARSW16RR | ISO | Полностью из нержавеющей стали.. |
Аналог шарнирного наконечника TSF16.1 — это наконечник такого же размера dx16,Dx42,Bx21, типа и конструкции.
| Обозначение | Конструктивные особенности | Внутренний (d) | Наружный (D) | Ширина (B) |
|---|---|---|---|---|
| 10Q62302F226A | Подшипник однорядный шариковый радиальный. | 17.00 | 42.00 | 21.00 |
| UFL002SS | Корпус подшипника. Подшипник из нержавеющей стали. | 15.00 | 42.00 | 20.50 |
| 762703-С17 | Роликовый радиальный цилиндрический подшипник. Смазка Литол-24. | 17.00 | 42.00 | 20.00 |
| 83702-К1С2 | Роликовый радиальный сферический двухрядный подшипник. Кольцевая проточка на середине цилиндрической наружной поверхности наружного кольца плюс три отверстия для смазки. Смазка ЦИАТИМ-221. | 15.00 | 42.00 | 21.00 |
| 83702-Ю2 | Роликовый радиальный сферический двухрядный подшипник. Все детали или часть деталей из нержавеющей стали.. | 15.00 | 42.00 | 21.00 |
| 83702-Ю3 | Роликовый радиальный сферический двухрядный подшипник. Все детали или часть деталей из нержавеющей стали.. | 15.00 | 42.00 | 21.00 |
| 83702-Ю3С21 | Роликовый радиальный сферический двухрядный подшипник. Смазка ЭРА. Все детали или часть деталей из нержавеющей стали.. | 15.00 | 42.00 | 21.00 |
| 83702-Ю3ТС8 | Роликовый радиальный сферический двухрядный подшипник. Температура отпуска. 160°. Смазка ВНИИНП-235. Все детали или часть деталей из нержавеющей стали.. | 15.00 | 42.00 | 21.00 |
| 6-83702 К1С21 | Роликовый радиальный сферический двухрядный подшипник. Кольцевая проточка на середине цилиндрической наружной поверхности наружного кольца плюс три отверстия для смазки. Смазка ЭРА. | 15.00 | 42.00 | 21.00 |
| SA16T/K | Шарнирный подшипник. Коническое отверстие. Конусность 1/12. Textile Laminated Phenolic Resin. Outer Ring Guided. The Cage Is Suitable For Long-Term Operation At Temperatures Up To 100°C. | 16.00 | 42.00 | 21.00 |
| SAL16T/K | Шарнирный подшипник. Коническое отверстие. Конусность 1/12. Textile Laminated Phenolic Resin. Outer Ring Guided. The Cage Is Suitable For Long-Term Operation At Temperatures Up To 100°C. | 16.00 | 42.00 | 21.00 |
| 50-762703 К | Роликовый радиальный цилиндрический подшипник. Кольцевая проточка на середине цилиндрической наружной поверхности наружного кольца плюс три отверстия для смазки. | 17.00 | 42.00 | 20.00 |
Способы доставки
Отправка через ведущие транспортные и курьерские компании: ПЭК, Деловые Линии, СДЭК, Байкал-Сервис, Энергия, КИТ, ЖелДорЭкспедиция.
Самовывоз возможен напрямую со склада в Москве.
Сроки доставки
Срок зависит от региона и выбранной транспортной компании. Все заказы комплектуются и отправляются в кратчайшие сроки со склада в Москве.
Надёжность и сохранность
Вся продукция упаковывается с учётом требований транспортировки. Мы гарантируем, что подшипники и комплектующие прибудут к заказчику в полной сохранности.
Доставка в страны ЕАЭС
Мы работаем с проверенными логистическими партнёрами, что позволяет оперативно доставлять заказы в Беларусь, Казахстан, Армению и другие страны ЕАЭС.
Варианты оплаты:
Минимальная сумма заказа и скидки:
Документы и гарантии:
Да, конечно! Наши технические специалисты готовы помочь вам с подбором точного аналога или замены подшипника. Просто позвоните нам по телефону +7 (495) 104-99-04 или напишите на почту zakaz@podsnab.ru.
Для оперативной консультации подготовьте, пожалуйста, имеющиеся данные: маркировку, размеры, тип оборудования или артикул старого подшипника.
Да, конечно! Мы высоко ценим долгосрочное сотрудничество и доверие клиентов по всей России. Для постоянных клиентов действует персональная система скидок.
Условия формируются индивидуально и зависят от:
Чтобы узнать свои условия и получить максимально выгодное предложение, свяжитесь с персональным менеджером или напишите нам на почту zakaz@podsnab.ru.
Вы можете оформить заказ несколькими способами:
Для оформления заказа от юридического лица свяжитесь с нашим отделом по работе с корпоративными клиентами по телефону +7 (495) 104-99-04 или напишите на email zakaz@podsnab.ru, прикрепив реквизиты вашей организации.
Мы оперативно подготовим коммерческое предложение и выставим счет.
Возврат товара надлежащего качества возможен в течение 10 дней с момента получения, если товар не был в употреблении, сохранен товарный вид, упаковка не вскрывалась и присутствуют все сопроводительные документы.
Возврат денежных средств осуществляется в течение 10 рабочих дней после проверки товара складом.
В соответствии с законодательством возврату не подлежат подшипники надлежащего качества, если отсутствует оригинальная упаковка или имеются следы монтажа.
В случае выявления брака или гарантийного случая мы гарантируем возврат или обмен товара.
Да, гарантийный срок хранения устанавливается заводом-изготовителем и в среднем составляет 2 года при соблюдении условий хранения: сухое помещение, оригинальная упаковка и смазка.
Точный срок для конкретного типа подшипника уточняйте у наших менеджеров.
Пн–Пт: с 8:00 до 17:00 (МСК).
Сб–Вс: выходные дни.
Заказы на сайте принимаются круглосуточно. Заявки, поступившие после окончания рабочего дня, обрабатываются на следующий рабочий день.
Минимальная сумма заказа для доставки составляет 3000 рублей. Самовывоз со склада возможен на любую сумму при наличии товара.
ООО «УралТехГрупп»
ИНН: 7415093830
КПП: 772401001
ОГРН: 1167456069021
Банк: ПАО Сбербанк
Р/с: 40702810838000475273
К/с: 30101810400000000225
БИК: 044525225
У подшипника TSF16.1 пока нет отзывов. Вы можете стать первым покупателем, поделившимся своим мнением.