Поиск подшипника
Статьи
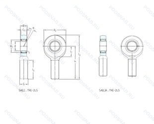
GIR17ES 2RS — Сферический шарнирный подшипник, модификация основного исполнения GIR17, производство LSK BEARINGS.
Размер наконечника: 17x47x14 мм.
Резиновые уплотнения с каждой стороны подшипника, разъемное наружное кольцо со смазочными отверстиями.
Альтернативное обозначение: GIR17ES, SI17ES.
Аналоги: GIR17-DO-2RS INA,SI17ES 2RS LS.
Международная стандартизации ISO
GIR17ES2RS
В наличии
| Обозначение | Конструктивные изменения |
|---|---|
| GIR17UK | Сталь/фторопластовая ткань.. |
| GIR17DO | Сталь/Сталь и внутреннее и внешнее кольцо закалены.. |
Модификации шарнирного наконечника GIR17ES 2RS — это измененное основное конструктивное исполнение GIR17, основные размеры (17x47x14) не отличаются.
| Обозначение | Гост | Конструктивные особенности |
|---|---|---|
| SIL17C | ISO | 15° Угол контакта. |
| SI17ES | ISO | Разъемное наружное кольцо со смазочными отверстиями. |
| GAR17DO-2RS | ISO | Резиновые уплотнения с каждой стороны подшипника. |
| GIL17UK | ISO | Сталь/фторопластовая ткань.. |
| GIR17DO-2RS | ISO | Резиновые уплотнения с каждой стороны подшипника. |
| GAL17UK-2RSA | ISO | Особенность внутренней конструкции. Контактная поверхность скольжения хром/PTFE композит. Special Seals. |
| SAL17C | ISO | концы стержня. не требующие обслуживания. Внутренняя резьба. |
| GAL17UK | ISO | Сталь/фторопластовая ткань.. |
| GIL17DO-2RS | ISO | Уплотнения с обеих сторон.. Сталь/Сталь и внутреннее и внешнее кольцо закалены.. |
| SAL17ES | ISO | Разъемное наружное кольцо со смазочными отверстиями. |
| EI-16D | ISO | концы стержня. не требующие обслуживания. Внутренняя резьба. |
| FE17U | ISO | Maintenance-Free Rod Ends. |
| TFIL17FKB | ISO | Сталь/политетрафторэтилен (ПТФЭ). |
| SIL17ES-2RS | ISO | Резиновые уплотнения с каждой стороны подшипника. |
| SI17ES 2RS | ISO | Резиновые уплотнения с каждой стороны подшипника. |
| SN17A | ISO | Двухрядный радиально-упорный шарикоподшипник без отверстия для смазки. |
| TFI17FK | ISO | Поверхность контакта скольжения сталь / сталь. |
| DSI17ES | ISO | Внешние размеры корпусов могут отличаться для одного и того же номера изделия. (Сегментный контактный материала код S/S)=Сталь-на-стали. Кольцевые канавки и смазочные отверстия во внутреннем и наружном кольцах. |
| DSIL17ES | ISO | Внешние размеры корпусов могут отличаться для одного и того же номера изделия. (Сегментный контактный материала код S/S)=Сталь-на-стали. Кольцевые канавки и смазочные отверстия во внутреннем и наружном кольцах. |
| EI16D-NIRO | ISO | концы стержня. не требующие обслуживания. Внутренняя резьба. Нержавеющая сталь.. |
| TFIL17MKB | ISO | Сталь/политетрафторэтилен (ПТФЭ). |
| SK17ES | ISO | Сталь. Масляные отверстия и канавки. |
Аналог шарнирного наконечника GIR17ES 2RS — это наконечник такого же размера dx17,Dx47,Bx14, типа и конструкции.
| Обозначение | Конструктивные особенности | Внутренний (d) | Наружный (D) | Ширина (B) |
|---|---|---|---|---|
| 35-303 Е | Шариковый радиальный однорядный подшипник. Сепаратор из текстолита.. | 17.00 | 47.00 | 14.00 |
| 36-703 Б | Шариковый радиальный однорядный подшипник. Сепаратор из безоловянистой бронзы.. | 17.00 | 47.00 | 14.00 |
| 1303 EM | Шариковый сферический двухрядный подшипник. Стандартный фланцевый ( с резьбой и сквозным отверстием). | 17.00 | 47.00 | 14.00 |
| 1204-K-TVH-C3 + H204 | Шариковый сферический двухрядный подшипник. Внутренний зазор больше нормального. Коническое отверстие. Конусность 1/12. Твердая клетка из полиамида. | 17.00 | 47.00 | 14.00 |
| 1303-TVH | Шариковый сферический двухрядный подшипник. Твердая клетка из полиамида. | 17.00 | 47.00 | 14.00 |
| SAC1747B | Шариковый упорный однорядный подшипник. Конический роликовый подшипник. Угол контакта 20 градусов. | 17.00 | 47.00 | 15.00 |
| 46303-А | Шариковый радиально-упорный однорядный подшипник. Повышенная грузоподъемность. | 17.00 | 47.00 | 14.00 |
| 46303-Е | Шариковый радиально-упорный однорядный подшипник. Сепаратор из текстолита.. | 17.00 | 47.00 | 14.00 |
| 46303К | Шариковый радиально-упорный однорядный подшипник. «Замок» (скос) на внутреннем кольце плюс массивный сепаратор из текстолита. | 17.00 | 47.00 | 14.00 |
| 5-303 Е | Шариковый радиальный однорядный подшипник. Сепаратор из текстолита.. | 17.00 | 47.00 | 14.00 |
| 5-303 ЕШ2 | Шариковый радиальный однорядный подшипник. Сепаратор из текстолита.. Нормы шумности. | 17.00 | 47.00 | 14.00 |
| 5-303 Ш2У | Шариковый радиальный однорядный подшипник. Дополнительные технические требования. Нормы шумности. | 17.00 | 47.00 | 14.00 |
| 5-36303 Л | Шариковый радиально-упорный однорядный подшипник. Сепаратор из латуни.. | 17.00 | 47.00 | 14.00 |
| 50303-А | Шариковый радиальный однорядный подшипник. Повышенная грузоподъемность. | 17.00 | 47.00 | 14.00 |
| 50303-К | Шариковый радиальный однорядный подшипник. «Замок» (скос) на внутреннем кольце плюс массивный сепаратор из текстолита. | 17.00 | 47.00 | 14.00 |
Способы доставки
Отправка через ведущие транспортные и курьерские компании: ПЭК, Деловые Линии, СДЭК, Байкал-Сервис, Энергия, КИТ, ЖелДорЭкспедиция.
Самовывоз возможен напрямую со склада в Москве.
Сроки доставки
Срок зависит от региона и выбранной транспортной компании. Все заказы комплектуются и отправляются в кратчайшие сроки со склада в Москве.
Надёжность и сохранность
Вся продукция упаковывается с учётом требований транспортировки. Мы гарантируем, что подшипники и комплектующие прибудут к заказчику в полной сохранности.
Доставка в страны ЕАЭС
Мы работаем с проверенными логистическими партнёрами, что позволяет оперативно доставлять заказы в Беларусь, Казахстан, Армению и другие страны ЕАЭС.
Варианты оплаты:
Минимальная сумма заказа и скидки:
Документы и гарантии:
Да, конечно! Наши технические специалисты готовы помочь вам с подбором точного аналога или замены подшипника. Просто позвоните нам по телефону +7 (495) 104-99-04 или напишите на почту zakaz@podsnab.ru.
Для оперативной консультации подготовьте, пожалуйста, имеющиеся данные: маркировку, размеры, тип оборудования или артикул старого подшипника.
Да, конечно! Мы высоко ценим долгосрочное сотрудничество и доверие клиентов по всей России. Для постоянных клиентов действует персональная система скидок.
Условия формируются индивидуально и зависят от:
Чтобы узнать свои условия и получить максимально выгодное предложение, свяжитесь с персональным менеджером или напишите нам на почту zakaz@podsnab.ru.
Вы можете оформить заказ несколькими способами:
Для оформления заказа от юридического лица свяжитесь с нашим отделом по работе с корпоративными клиентами по телефону +7 (495) 104-99-04 или напишите на email zakaz@podsnab.ru, прикрепив реквизиты вашей организации.
Мы оперативно подготовим коммерческое предложение и выставим счет.
Возврат товара надлежащего качества возможен в течение 10 дней с момента получения, если товар не был в употреблении, сохранен товарный вид, упаковка не вскрывалась и присутствуют все сопроводительные документы.
Возврат денежных средств осуществляется в течение 10 рабочих дней после проверки товара складом.
В соответствии с законодательством возврату не подлежат подшипники надлежащего качества, если отсутствует оригинальная упаковка или имеются следы монтажа.
В случае выявления брака или гарантийного случая мы гарантируем возврат или обмен товара.
Да, гарантийный срок хранения устанавливается заводом-изготовителем и в среднем составляет 2 года при соблюдении условий хранения: сухое помещение, оригинальная упаковка и смазка.
Точный срок для конкретного типа подшипника уточняйте у наших менеджеров.
Пн–Пт: с 8:00 до 17:00 (МСК).
Сб–Вс: выходные дни.
Заказы на сайте принимаются круглосуточно. Заявки, поступившие после окончания рабочего дня, обрабатываются на следующий рабочий день.
Минимальная сумма заказа для доставки составляет 3000 рублей. Самовывоз со склада возможен на любую сумму при наличии товара.
ООО «УралТехГрупп»
ИНН: 7415093830
КПП: 772401001
ОГРН: 1167456069021
Банк: ПАО Сбербанк
Р/с: 40702810838000475273
К/с: 30101810400000000225
БИК: 044525225
У подшипника GIR17ES 2RS пока нет отзывов. Вы можете стать первым покупателем, поделившимся своим мнением.