Поиск подшипника
Статьи
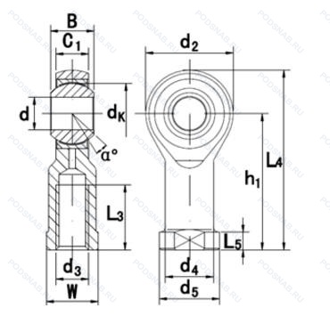
DF5 — Сферический шарнирный подшипник, основное исполнение, производство MTR.
Размер наконечника: 5x16x8 мм.
Специальные двухрядные шарикоподшипники.
Альтернативное обозначение: GIKR5-PW-A, SIKB5F.
Аналоги: GIKR5-PW-A INA,GIKR5-PW-A Elges,GIKFR5PW A Elges,SIKB5F SKF,PHS5EC IKO,FBF5 Asahi,BEF05-20-501 Durbal,DSI5T/K Neutral.
Международная стандартизации ISO
DF5
В наличии
| Обозначение | Конструктивные изменения |
|---|---|
| DF5SS | Две резиновые защитные шайбы. |
| DF5L | Одно механическое уплотнение. |
Модификации шарнирного наконечника DF5 — это измененное основное конструктивное исполнение DF5, основные размеры (5x16x8) не отличаются.
| Обозначение | Гост | Конструктивные особенности |
|---|---|---|
| GAKL6PW | ISO | Скользящая контактная поверхность сталь/PTFE (политетрафторэтилен) Бронзовая пленка.. |
| GE6PW | ISO | Контактная поверхность скольжения Сталь/PTFE. Метрический радиальный сферический подшипник скольжения. |
| GAKR6PW | ISO | Скользящая контактная поверхность сталь/PTFE (политетрафторэтилен) Бронзовая пленка.. |
| GE6-FW | ISO | СкользящаКонтактная поверхность из хром/PTFE. Широкое внутреннее кольцо. Антизадирная пластичная смазка. |
| GIKR6PB | ISO | Поверхность скользящего контакта сталь/бронза, соответствует ISO 12 240-1, размер серии K, для валов от 5 мм до 30 мм.. |
| GIKR6PW | ISO | Контактная поверхность скольжения Сталь/PTFE. |
| GAKR6PB | ISO | Сегментный контактный материал. Код S/B = скользящая контактная поверхность из стали/бронзы. |
| GAKFL6PW | ISO | Скользящая контактная поверхность сталь/PTFE (политетрафторэтилен) Бронзовая пленка.. |
| GIKFL6PW | ISO | Скользящая контактная поверхность сталь/PTFE (политетрафторэтилен) Бронзовая пленка.. |
| GAKFR6PW | ISO | Скользящая контактная поверхность сталь/PTFE (политетрафторэтилен) Бронзовая пленка.. |
| GIKFR6PB | ISO | Поверхность скользящего контакта сталь/бронза, соответствует ISO 12 240-1, размер серии K, для валов от 5 мм до 30 мм.. |
| GAKFL6PB | ISO | Поверхность скользящего контакта сталь/бронза, соответствует ISO 12 240-1, размер серии K, для валов от 5 мм до 30 мм.. |
| GIKFR6PW | ISO | Контактная поверхность скольжения Сталь/PTFE. |
| GAKFR6PB | ISO | Поверхность скользящего контакта сталь/бронза, соответствует ISO 12 240-1, размер серии K, для валов от 5 мм до 30 мм.. |
| GIKL6PW | ISO | Контактная поверхность скольжения Сталь/PTFE. |
| GAKL6PB | ISO | Поверхность скользящего контакта сталь/бронза, соответствует ISO 12 240-1, размер серии K, для валов от 5 мм до 30 мм.. |
| SIKB5F | ISO | Композит Сталь/PTFE. |
| GIKFR5PW | ISO | Скользящая контактная поверхность сталь/PTFE (политетрафторэтилен) Бронзовая пленка.. |
| BEF05-20-501 | ISO | Сферический шарнирный подшипник. |
| TSF6C | ISO | 15° Угол контакта. |
| PHSA5L | ISO | Левосторонняя резьба. |
| SDM5L/SS | ISO | Нержавеющая сталь. Левосторонняя резьба. |
| AW-3Z | ISO | Фитинг зеркового типа. |
| DSI5T/K | ISO | Композит Сталь/PTFE. |
Аналог шарнирного наконечника DF5 — это наконечник такого же размера dx5,Dx16,Bx8, типа и конструкции.
| Обозначение | Конструктивные особенности | Внутренний (d) | Наружный (D) | Ширина (B) |
|---|---|---|---|---|
| 1008096-Е | Шариковый упорный однорядный подшипник. Сепаратор из текстолита.. | 6.00 | 16.00 | 7.00 |
| GEBJ6C | Шарнирный подшипник. 15° Угол контакта. | 6.00 | 16.00 | 9.00 |
| GEBK5S | Шарнирный подшипник. Запечатанная версия кулачкового ролика. Коническое отверстие. Повышенной грузоподъемности. | 5.00 | 16.00 | 8.00 |
| GEG5E | Шарнирный подшипник. Повышенной грузоподъемности. | 5.00 | 16.00 | 9.00 |
| GEG6E | Шарнирный подшипник. Повышенной грузоподъемности. | 6.00 | 16.00 | 9.00 |
| GEG5C | Шарнирный подшипник. 15° Угол контакта. | 5.00 | 16.00 | 9.00 |
| GEG6C | Шарнирный подшипник. 15° Угол контакта. | 6.00 | 16.00 | 9.00 |
| GE 006 HCR | Шарнирный подшипник. Антизадирная пластичная смазка. | 6.00 | 16.00 | 9.00 |
| GE 006 HS | Шарнирный подшипник. Антизадирная пластичная смазка. | 6.00 | 16.00 | 9.00 |
| GE6FO | Шарнирный подшипник. Стальная скользящая контактная поверхность. Более широкое внутреннее кольцо. Антизадирная пластичная смазка. | 6.00 | 16.00 | 9.00 |
| GEBJ6S | Шарнирный подшипник. Запечатанная версия кулачкового ролика. | 6.00 | 16.00 | 9.00 |
| SAZP4N | Шарнирный подшипник. Канавка под стопорное кольцо на внешнем кольце. | 4.83 | 15.88 | 7.92 |
| MBT6V | Шарнирный подшипник. Подшипник без сепаратора. С полным комплектом тел качения. | 6.00 | 16.50 | 8.50 |
| MBG6CR | Шарнирный подшипник. (TB-Segment) Phenolic (Composition) Fafnir Standard. | 6.00 | 16.50 | 8.50 |
| 5-1008096 Е | Шариковый упорный однорядный подшипник. Сепаратор из текстолита.. | 6.00 | 16.00 | 7.00 |
Способы доставки
Отправка через ведущие транспортные и курьерские компании: ПЭК, Деловые Линии, СДЭК, Байкал-Сервис, Энергия, КИТ, ЖелДорЭкспедиция.
Самовывоз возможен напрямую со склада в Москве.
Сроки доставки
Срок зависит от региона и выбранной транспортной компании. Все заказы комплектуются и отправляются в кратчайшие сроки со склада в Москве.
Надёжность и сохранность
Вся продукция упаковывается с учётом требований транспортировки. Мы гарантируем, что подшипники и комплектующие прибудут к заказчику в полной сохранности.
Доставка в страны ЕАЭС
Мы работаем с проверенными логистическими партнёрами, что позволяет оперативно доставлять заказы в Беларусь, Казахстан, Армению и другие страны ЕАЭС.
Варианты оплаты:
Минимальная сумма заказа и скидки:
Документы и гарантии:
Да, конечно! Наши технические специалисты готовы помочь вам с подбором точного аналога или замены подшипника. Просто позвоните нам по телефону +7 (495) 104-99-04 или напишите на почту zakaz@podsnab.ru.
Для оперативной консультации подготовьте, пожалуйста, имеющиеся данные: маркировку, размеры, тип оборудования или артикул старого подшипника.
Да, конечно! Мы высоко ценим долгосрочное сотрудничество и доверие клиентов по всей России. Для постоянных клиентов действует персональная система скидок.
Условия формируются индивидуально и зависят от:
Чтобы узнать свои условия и получить максимально выгодное предложение, свяжитесь с персональным менеджером или напишите нам на почту zakaz@podsnab.ru.
Вы можете оформить заказ несколькими способами:
Для оформления заказа от юридического лица свяжитесь с нашим отделом по работе с корпоративными клиентами по телефону +7 (495) 104-99-04 или напишите на email zakaz@podsnab.ru, прикрепив реквизиты вашей организации.
Мы оперативно подготовим коммерческое предложение и выставим счет.
Возврат товара надлежащего качества возможен в течение 10 дней с момента получения, если товар не был в употреблении, сохранен товарный вид, упаковка не вскрывалась и присутствуют все сопроводительные документы.
Возврат денежных средств осуществляется в течение 10 рабочих дней после проверки товара складом.
В соответствии с законодательством возврату не подлежат подшипники надлежащего качества, если отсутствует оригинальная упаковка или имеются следы монтажа.
В случае выявления брака или гарантийного случая мы гарантируем возврат или обмен товара.
Да, гарантийный срок хранения устанавливается заводом-изготовителем и в среднем составляет 2 года при соблюдении условий хранения: сухое помещение, оригинальная упаковка и смазка.
Точный срок для конкретного типа подшипника уточняйте у наших менеджеров.
Пн–Пт: с 8:00 до 17:00 (МСК).
Сб–Вс: выходные дни.
Заказы на сайте принимаются круглосуточно. Заявки, поступившие после окончания рабочего дня, обрабатываются на следующий рабочий день.
Минимальная сумма заказа для доставки составляет 3000 рублей. Самовывоз со склада возможен на любую сумму при наличии товара.
ООО «УралТехГрупп»
ИНН: 7415093830
КПП: 772401001
ОГРН: 1167456069021
Банк: ПАО Сбербанк
Р/с: 40702810838000475273
К/с: 30101810400000000225
БИК: 044525225
У подшипника DF5 пока нет отзывов. Вы можете стать первым покупателем, поделившимся своим мнением.