Поиск подшипника
Статьи
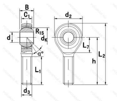
DM14 — Сферический шарнирный подшипник, основное исполнение, производство MTR.
Размер наконечника: 14x34x19 мм.
Шариковый упорный подшипник, однорядный, одно направление, с рифленой поверхностью качения, метрическая средняя серия.
Аналоги: GAKR14-PW-A INA,GAKR14PW Elges,SAKB14F SKF,KA14D Askubal,POS14EC IKO,FBM14 Asahi,GASW14 Fluro,GAKFR14PW LSK Bearings.
Международная стандартизации ISO
DM14
В наличии
| Обозначение | Конструктивные изменения |
|---|---|
| DM14L | Левосторонняя резьба. |
Модификации шарнирного наконечника DM14 — это измененное основное конструктивное исполнение DM14, основные размеры (14x34x19) не отличаются.
| Обозначение | Гост | Конструктивные особенности |
|---|---|---|
| FBM14 | ISO | Сферический шарнирный подшипник. |
| SFLG14 | ISO | Сферический шарнирный подшипник. |
| GAKFR14PW | ISO | Контактная поверхность скольжения Сталь/PTFE. |
| KA14D | ISO | Половина целого игольчатого валика. Применять суффикс 'D' в базовом номере. |
| GASW14 | ISO | Сферический шарнирный подшипник. |
| GAKR14PW | ISO | Контактная поверхность скольжения Сталь/PTFE. |
| SAKB14F | ISO | Композит Сталь/PTFE. |
| SABP14S/B1 | ISO | Запечатанная версия кулачкового ролика. Block Qty. |
| SALBP14S/B1 | ISO | Запечатанная версия кулачкового ролика. Block Qty. |
| PR14E | ISO | Part Of Item Number. |
| PRL14E | ISO | Part Of Item Number. |
| PHSA14L | ISO | Левосторонняя резьба. |
| POS14EC | ISO | Сталь/политетрафторэтилен (ПТФЭ). |
| SMG14.45 | ISO | 2.13/16. |
| SDF14L/SS | ISO | Нержавеющая сталь. Левосторонняя резьба. |
| SDM14L/SS | ISO | Нержавеющая сталь. Левосторонняя резьба. |
| SDM14SS | ISO | Нержавеющая сталь. |
| BNF14SS | ISO | Нержавеющая сталь. |
| DF14 | ISO | Сферический шарнирный подшипник. |
| DF14L | ISO | Левая резьба. |
| DF14SS | ISO | Нержавеющая сталь. |
| RFL14SE | ISO | Элементы с суффиксом S имеют бронзовые направляющие из CuSn8 для скорости скольжения до 60 м/мин. Элементы с суффиксом SE имеют стальные направляющие с пропитанной PTFE прокладкой и не нуждаются в смазке.. |
| AM-M14T | ISO | Сферический шарнирный подшипник. |
| MMF-M14 | ISO | Сферический шарнирный подшипник. |
| MM-M14T | ISO | Сферический шарнирный подшипник. |
| MW-M14T | ISO | Сферический шарнирный подшипник. |
| RFL14SE X 1.5 | ISO | Измененные размеры границ. введенные пересмотренными стандартами ISO. Number Of Carriages Per Rail Track. Элементы с суффиксом S имеют бронзовые направляющие из CuSn8 для скорости скольжения до 60 м/мин. Элементы с суффиксом SE имеют стальные направляющие с пропитанной PTFE прокладкой и не нуждаются в смазке.. Thread 16x1.5. |
Аналог шарнирного наконечника DM14 — это наконечник такого же размера dx14,Dx34,Bx19, типа и конструкции.
| Обозначение | Конструктивные особенности | Внутренний (d) | Наружный (D) | Ширина (B) |
|---|---|---|---|---|
| 1-2ШС15-Ю | Шарнирный подшипник. Одно или два кольца из нержавеющей стали.. С отверстиями и канавками для смазки во внутреннем кольце.. | 15.00 | 35.00 | 18.00 |
| 1-2ШС15 ЮТ | Шарнирный подшипник. Температура отпуска. 160°. Одно или два кольца из нержавеющей стали.. С отверстиями и канавками для смазки во внутреннем кольце.. | 15.00 | 35.00 | 18.00 |
| 2Ш15 Ю2УТВК | Шарнирный подшипник. Уменьшенный внутренний осевой зазор.. Температура отпуска. 160°. Поверхность скольжения – нержавеющая сталь/серебро (покрытие сферы внутреннего кольца серебром).. Нормы шумности. Без отверстий и канавок для смазки.. Отдельное внутреннее кольцо шарнирного подшипника.. | 15.00 | 25.00 | 18.00 |
| 2Ш15 ЮТВК | Шарнирный подшипник. Температура отпуска. 160°. Одно или два кольца из нержавеющей стали.. Нормы шумности. Без отверстий и канавок для смазки.. Отдельное внутреннее кольцо шарнирного подшипника.. | 15.00 | 27.00 | 18.00 |
| 2ШЛТ15 | Шарнирный подшипник. Без отверстий и канавок для смазки. | 15.00 | 35.00 | 18.00 |
| 2ШЛТ15 Ю1Т | Шарнирный подшипник. Температура отпуска. 160°. Одно или два кольца из нержавеющей стали.. Без отверстий и канавок для смазки. | 15.00 | 35.00 | 18.00 |
| 2ШМ15 К | Шарнирный подшипник. Канавка и отверстие для смазки на внутреннем и наружном кольцах.. Без отверстий и канавок для смазки.. | 15.00 | 35.00 | 18.00 |
| 2ШМ15 ЮТ | Шарнирный подшипник. Температура отпуска. 160°. Одно или два кольца из нержавеющей стали.. Без отверстий и канавок для смазки.. | 15.00 | 35.00 | 18.00 |
| 2ШМ15 Ю | Шарнирный подшипник. Одно или два кольца из нержавеющей стали.. Без отверстий и канавок для смазки.. | 15.00 | 35.00 | 18.00 |
| 2ШН15 ЮТ | Шарнирный подшипник. Температура отпуска. 160°. Одно или два кольца из нержавеющей стали.. Неразъемный без отверстий и канавок для смазки. | 15.00 | 35.00 | 18.00 |
| 2ШС15 Ю2УТ | Шарнирный подшипник. Уменьшенный внутренний осевой зазор.. Температура отпуска. 160°. Поверхность скольжения – нержавеющая сталь/серебро (покрытие сферы внутреннего кольца серебром).. С отверстиями и канавками для смазки во внутреннем кольце.. | 15.00 | 35.00 | 18.00 |
| 2ШС15 ЮТ | Шарнирный подшипник. Температура отпуска. 160°. Одно или два кольца из нержавеющей стали.. С отверстиями и канавками для смазки во внутреннем кольце.. | 15.00 | 35.00 | 18.00 |
| 2ШС15ВК | Шарнирный подшипник. Отдельное внутреннее кольцо шарнирного подшипника.. С отверстиями и канавками для смазки во внутреннем кольце.. | 15.00 | 35.00 | 18.00 |
| 2ШС15 Ю | Шарнирный подшипник. Одно или два кольца из нержавеющей стали.. С отверстиями и канавками для смазки во внутреннем кольце.. | 15.00 | 28.00 | 18.00 |
| 3ШЛТ15-Ю1Т | Шарнирный подшипник. Температура отпуска. 160°. Одно или два кольца из нержавеющей стали.. Без отверстий и канавок для смазки. | 15.00 | 35.00 | 18.00 |
Способы доставки
Отправка через ведущие транспортные и курьерские компании: ПЭК, Деловые Линии, СДЭК, Байкал-Сервис, Энергия, КИТ, ЖелДорЭкспедиция.
Самовывоз возможен напрямую со склада в Москве.
Сроки доставки
Срок зависит от региона и выбранной транспортной компании. Все заказы комплектуются и отправляются в кратчайшие сроки со склада в Москве.
Надёжность и сохранность
Вся продукция упаковывается с учётом требований транспортировки. Мы гарантируем, что подшипники и комплектующие прибудут к заказчику в полной сохранности.
Доставка в страны ЕАЭС
Мы работаем с проверенными логистическими партнёрами, что позволяет оперативно доставлять заказы в Беларусь, Казахстан, Армению и другие страны ЕАЭС.
Варианты оплаты:
Минимальная сумма заказа и скидки:
Документы и гарантии:
Да, конечно! Наши технические специалисты готовы помочь вам с подбором точного аналога или замены подшипника. Просто позвоните нам по телефону +7 (495) 104-99-04 или напишите на почту zakaz@podsnab.ru.
Для оперативной консультации подготовьте, пожалуйста, имеющиеся данные: маркировку, размеры, тип оборудования или артикул старого подшипника.
Да, конечно! Мы высоко ценим долгосрочное сотрудничество и доверие клиентов по всей России. Для постоянных клиентов действует персональная система скидок.
Условия формируются индивидуально и зависят от:
Чтобы узнать свои условия и получить максимально выгодное предложение, свяжитесь с персональным менеджером или напишите нам на почту zakaz@podsnab.ru.
Вы можете оформить заказ несколькими способами:
Для оформления заказа от юридического лица свяжитесь с нашим отделом по работе с корпоративными клиентами по телефону +7 (495) 104-99-04 или напишите на email zakaz@podsnab.ru, прикрепив реквизиты вашей организации.
Мы оперативно подготовим коммерческое предложение и выставим счет.
Возврат товара надлежащего качества возможен в течение 10 дней с момента получения, если товар не был в употреблении, сохранен товарный вид, упаковка не вскрывалась и присутствуют все сопроводительные документы.
Возврат денежных средств осуществляется в течение 10 рабочих дней после проверки товара складом.
В соответствии с законодательством возврату не подлежат подшипники надлежащего качества, если отсутствует оригинальная упаковка или имеются следы монтажа.
В случае выявления брака или гарантийного случая мы гарантируем возврат или обмен товара.
Да, гарантийный срок хранения устанавливается заводом-изготовителем и в среднем составляет 2 года при соблюдении условий хранения: сухое помещение, оригинальная упаковка и смазка.
Точный срок для конкретного типа подшипника уточняйте у наших менеджеров.
Пн–Пт: с 8:00 до 17:00 (МСК).
Сб–Вс: выходные дни.
Заказы на сайте принимаются круглосуточно. Заявки, поступившие после окончания рабочего дня, обрабатываются на следующий рабочий день.
Минимальная сумма заказа для доставки составляет 3000 рублей. Самовывоз со склада возможен на любую сумму при наличии товара.
ООО «УралТехГрупп»
ИНН: 7415093830
КПП: 772401001
ОГРН: 1167456069021
Банк: ПАО Сбербанк
Р/с: 40702810838000475273
К/с: 30101810400000000225
БИК: 044525225
У подшипника DM14 пока нет отзывов. Вы можете стать первым покупателем, поделившимся своим мнением.