Поиск подшипника
Статьи
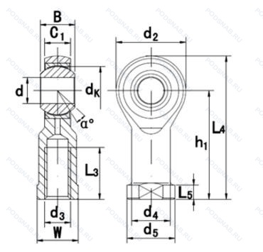
KI6D — Сферический шарнирный подшипник, модификация основного исполнения KI6, производство ASKUBAL.
Размер наконечника: 6x21x9 мм.
Сталь/ptfe.
Международная стандартизации ISO
KI6D
В наличии
| Обозначение | Конструктивные изменения |
|---|---|
| KI6DNIRO | Сталь/PTFE. Нержавеющая сталь. |
| KI6BD | Tapered Roller Bearing. Steep Угол контакта (24° To 32°). Metric Series. |
Модификации шарнирного наконечника KI6D — это измененное основное конструктивное исполнение KI6, основные размеры (6x21x9) не отличаются.
| Обозначение | Гост | Конструктивные особенности |
|---|---|---|
| KA6DRF | ISO | Сталь/PTFE. В стандартном исполнении. Внутреннее кольцо покрыто твердым хромом. |
| KJ6DV | ISO | Сталь/PTFE. As Standard. But Housing Heat-Treated. |
| KJL6DR | ISO | Сталь/PTFE. В стандартном исполнении. Внутреннее кольцо покрыто твердым хромом. |
| SFCP6W | ISO | Screw Mounting For Ball Joints And Universal Joint Bearings. |
| SIK6C | ISO | Steel/Sinter Bronze Composite. |
| SIJKL6C | ISO | Сталь/Тефлон. |
| BEM06-20-501 | ISO | Distance Between Beginning Of The Rail And First Hole In MM. Правая резьба. |
| G10W6 | ISO | Количество кареток на направляющей. |
| TFE6PW | ISO | Контактная поверхность скольжения Сталь/PTFE. |
| TFI6PW | ISO | Контактная поверхность скольжения Сталь/PTFE. |
| GAKFL6-PB-A | ISO | Двухрядный радиально-упорный шарикоподшипник без отверстия для смазки. Скользящая контактная поверхность сталь/бронза. Соответствует ISO 12 240-1. Размерная серия K. Для валов от 5 мм до 30 мм. |
| TSM6C | ISO | 15° Угол контакта. |
| RF6-219 | ISO | 1.3/16. |
| PHS6DF | ISO | Комплект из двух подшипников. согласованных для установки по Х-образной схеме. Число. следующее непосредственно после букв DF. обозначает конструкцию промежуточного кольца. |
| GAKFR6PWA | ISO | Двухрядный радиально-упорный шарикоподшипник без отверстия для смазки. Контактная поверхность скольжения Сталь/PTFE. |
| TFI6PB | ISO | Скользящая контактная поверхность из стали/бронзы. Соответствует ИСО 12 240-1. Размерная серия K. Для валов от 5 мм до 30 мм. |
| KIL6D | ISO | Сталь/PTFE. |
| BRF06-00-502 | ISO | Левосторонняя резьба. |
| SILBP6S | ISO | Запечатанная версия кулачкового ролика. |
| BRM06-00-501 | ISO | Правая резьба. |
Аналог шарнирного наконечника KI6D — это наконечник такого же размера dx6,Dx21,Bx9, типа и конструкции.
| Обозначение | Конструктивные особенности | Внутренний (d) | Наружный (D) | Ширина (B) |
|---|---|---|---|---|
| LR50/7-2RSR | Опорный ролик. Rubber Seals At Each Side Of The Bearing. Temperature Range -30℃/+120℃. | 7.00 | 22.00 | 10.00 |
| LR50/7-2RSR-VA-HLC | Опорный ролик. Rubber Seals At Each Side Of The Bearing. Temperature Range -30℃/+120℃. Коррозионно-стойкая конструкция из высоколегированной подшипниковой стали. Код местонахождения завода. может использоваться в стандартной комплектации. | 7.00 | 22.00 | 10.00 |
| LR50/7-2RSR-OS-HLW | Опорный ролик. Резиновые уплотнения с каждой стороны подшипника. Код местонахождения завода. может использоваться в стандартной комплектации. | 7.00 | 22.00 | 10.00 |
| 601V | Подшипник шариковый упорный однонаправленный. Подшипник без сепаратора. С полным комплектом тел качения. | 6.35 | 21.43 | 8.46 |
| LT1/4J | Подшипник шариковый упорный однонаправленный. Прессованный стальной сепаратор. | 6.35 | 20.64 | 9.53 |
| 980085-ЮУС2 | Шариковый радиальный однорядный подшипник. Дополнительные технические требования. Все детали или часть деталей из нержавеющей стали.. Смазка ЦИАТИМ-221. | 5.00 | 20.00 | 8.00 |
| 980085-ЮУС21 | Шариковый радиальный однорядный подшипник. Дополнительные технические требования. Смазка ЭРА. Все детали или часть деталей из нержавеющей стали.. | 5.00 | 20.00 | 8.00 |
| 981065-Р1Т1П | Шариковый радиальный однорядный подшипник. Детали из теплоустойчивой (быстрорежущие) стали.. 180°. Температура отпуска. | 5.00 | 20.00 | 8.00 |
| 981065-ЮУС21 | Шариковый радиальный однорядный подшипник. Дополнительные технические требования. Смазка ЭРА. Все детали или часть деталей из нержавеющей стали.. | 5.00 | 20.00 | 8.00 |
| 981065-ЮУС8 | Шариковый радиальный однорядный подшипник. Дополнительные технические требования. Все детали или часть деталей из нержавеющей стали.. Смазка ВНИИНП-235. | 5.00 | 20.00 | 8.00 |
| F-DF501ZZ1XCS12PX2/LX57Q1 | Шариковый радиально-упорный двухрядный подшипник. Угол контакта 15°. | 5.00 | 20.00 | 9.50 |
| 25-80077 ЮТ | Шариковый радиальный однорядный подшипник. Температура отпуска. 160°. Все детали или часть деталей из нержавеющей стали.. | 7.00 | 22.00 | 10.00 |
| ML7022ZZ | Шариковый радиальный однорядный подшипник. Защитные металлические шайбы с обеих сторон. | 7.00 | 22.00 | 8.00 |
| 76-770067 КС15 | Шариковый радиальный однорядный подшипник. Смазка ВНИИНП-207. | 7.00 | 22.00 | 8.00 |
| F-DF501ZZ | Шариковый радиальный однорядный подшипник. Стальная шайба. | 5.00 | 20.00 | 9.50 |
Способы доставки
Отправка через ведущие транспортные и курьерские компании: ПЭК, Деловые Линии, СДЭК, Байкал-Сервис, Энергия, КИТ, ЖелДорЭкспедиция.
Самовывоз возможен напрямую со склада в Москве.
Сроки доставки
Срок зависит от региона и выбранной транспортной компании. Все заказы комплектуются и отправляются в кратчайшие сроки со склада в Москве.
Надёжность и сохранность
Вся продукция упаковывается с учётом требований транспортировки. Мы гарантируем, что подшипники и комплектующие прибудут к заказчику в полной сохранности.
Доставка в страны ЕАЭС
Мы работаем с проверенными логистическими партнёрами, что позволяет оперативно доставлять заказы в Беларусь, Казахстан, Армению и другие страны ЕАЭС.
Варианты оплаты:
Минимальная сумма заказа и скидки:
Документы и гарантии:
Да, конечно! Наши технические специалисты готовы помочь вам с подбором точного аналога или замены подшипника. Просто позвоните нам по телефону +7 (495) 104-99-04 или напишите на почту zakaz@podsnab.ru.
Для оперативной консультации подготовьте, пожалуйста, имеющиеся данные: маркировку, размеры, тип оборудования или артикул старого подшипника.
Да, конечно! Мы высоко ценим долгосрочное сотрудничество и доверие клиентов по всей России. Для постоянных клиентов действует персональная система скидок.
Условия формируются индивидуально и зависят от:
Чтобы узнать свои условия и получить максимально выгодное предложение, свяжитесь с персональным менеджером или напишите нам на почту zakaz@podsnab.ru.
Вы можете оформить заказ несколькими способами:
Для оформления заказа от юридического лица свяжитесь с нашим отделом по работе с корпоративными клиентами по телефону +7 (495) 104-99-04 или напишите на email zakaz@podsnab.ru, прикрепив реквизиты вашей организации.
Мы оперативно подготовим коммерческое предложение и выставим счет.
Возврат товара надлежащего качества возможен в течение 10 дней с момента получения, если товар не был в употреблении, сохранен товарный вид, упаковка не вскрывалась и присутствуют все сопроводительные документы.
Возврат денежных средств осуществляется в течение 10 рабочих дней после проверки товара складом.
В соответствии с законодательством возврату не подлежат подшипники надлежащего качества, если отсутствует оригинальная упаковка или имеются следы монтажа.
В случае выявления брака или гарантийного случая мы гарантируем возврат или обмен товара.
Да, гарантийный срок хранения устанавливается заводом-изготовителем и в среднем составляет 2 года при соблюдении условий хранения: сухое помещение, оригинальная упаковка и смазка.
Точный срок для конкретного типа подшипника уточняйте у наших менеджеров.
Пн–Пт: с 8:00 до 17:00 (МСК).
Сб–Вс: выходные дни.
Заказы на сайте принимаются круглосуточно. Заявки, поступившие после окончания рабочего дня, обрабатываются на следующий рабочий день.
Минимальная сумма заказа для доставки составляет 3000 рублей. Самовывоз со склада возможен на любую сумму при наличии товара.
ООО «УралТехГрупп»
ИНН: 7415093830
КПП: 772401001
ОГРН: 1167456069021
Банк: ПАО Сбербанк
Р/с: 40702810838000475273
К/с: 30101810400000000225
БИК: 044525225
У подшипника KI6D пока нет отзывов. Вы можете стать первым покупателем, поделившимся своим мнением.