Поиск подшипника
Статьи
JMX12T — Сферический шарнирный подшипник, модификация основного исполнения JMX12, производство FK.
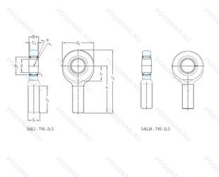
Размер наконечника: 19x44x22 мм.
Сталь/ptfe.
Международная стандартизации ISO
JMX12T
В наличии
| Обозначение | Конструктивные изменения |
|---|---|
| JMX12MT | LEVEL OF THE NOISE WAS CONTROLLED. |
Модификации шарнирного наконечника JMX12T — это измененное основное конструктивное исполнение JMX12, основные размеры (19x44x22) не отличаются.
| Обозначение | Гост | Конструктивные особенности |
|---|---|---|
| BEF3/4 | ISO | Подшипник с чрезвычайно высокой точностью вращения (Abec9) и допуском формы (Abec7). |
| SCF12T | ISO | Textile Laminated Phenolic Resin. Outer Ring Guided. The Cage Is Suitable For Long-Term Operation At Temperatures Up To 100°C. |
| PHSB12L | ISO | Одно механическое уплотнение. |
| JFXL12T | ISO | Textile Laminated Phenolic Resin. Outer Ring Guided. The Cage Is Suitable For Long-Term Operation At Temperatures Up To 100°C. |
| TRE12N | ISO | Канавка под стопорное кольцо на внешнем кольце. |
| TF12N | ISO | Фитинг для консистентной смазки зеркового типа. |
| DSAZP19S | ISO | Запечатанная версия кулачкового ролика. |
| DSAZPL19S | ISO | Запечатанная версия кулачкового ролика. |
| CB-12 | ISO | Сферический шарнирный подшипник. |
| PHSA18 | ISO | Сферический шарнирный подшипник. |
| EML12Z-3/4 | ISO | щит из листовой прессованной стали с одной стороны подшипника. Размерные и геометрические допуски соответствуют классу точности P6. Подшипник с чрезвычайно высокой точностью вращения (Abec9) и допуском формы (Abec7). |
| MSM12-3/4 | ISO | Размерные и геометрические допуски соответствуют классу точности P6. Подшипник с чрезвычайно высокой точностью вращения (Abec9) и допуском формы (Abec7). |
| SFR12 | ISO | Сферический шарнирный подшипник. |
| AR12N | ISO | Фитинг для консистентной смазки зеркового типа. |
| TRL12 | ISO | Сферический шарнирный подшипник. |
| CG-12 | ISO | Сферический шарнирный подшипник. |
| SCM12T | ISO | Сталь/PTFE. |
| SCML12T | ISO | Сталь/PTFE. |
| JMXL12T | ISO | Сталь/PTFE. |
| JMXL12MT | ISO | LEVEL OF THE NOISE WAS CONTROLLED. |
Аналог шарнирного наконечника JMX12T — это наконечник такого же размера dx19,Dx44,Bx22, типа и конструкции.
| Обозначение | Конструктивные особенности | Внутренний (d) | Наружный (D) | Ширина (B) |
|---|---|---|---|---|
| KWVE20-B-SN-V0-G2 | Линейный подшипник скольжения. Стандартная каретка. четыре ряда. полная заполненность. Класс точности 2. Преднатяг практически отсутствует. Узкий. Низкая каретка. | 20.00 | 44.00 | 22.50 |
| KWVE20-B-SN-V0-G1 | Линейный подшипник скольжения. Стандартная каретка. четыре ряда. полная заполненность. Класс точности 1. Преднатяг практически отсутствует. Узкий. Низкая каретка. | 20.00 | 44.00 | 22.50 |
| KWVE20-B-SN-V0-G3 | Линейный подшипник скольжения. Стандартная каретка. четыре ряда. полная заполненность. Преднатяг практически отсутствует. Класс точности 3. Узкий. Низкая каретка. | 20.00 | 44.00 | 22.50 |
| KWVE20-B-SN-V0-G4 | Линейный подшипник скольжения. Стандартная каретка. четыре ряда. полная заполненность. Преднатяг практически отсутствует. Класс точности 4. Узкий. Низкая каретка. | 20.00 | 44.00 | 22.50 |
| KWVE20-B-SN-V1-G1 | Линейный подшипник скольжения. Стандартная каретка. четыре ряда. полная заполненность. Класс точности 1. Без предварительной натяга. Узкий. Низкая каретка. | 20.00 | 44.00 | 22.50 |
| KWVE20-B-SN-V1-G2 | Линейный подшипник скольжения. Стандартная каретка. четыре ряда. полная заполненность. Класс точности 2. Без предварительной натяга. Узкий. Низкая каретка. | 20.00 | 44.00 | 22.50 |
| KWVE20-B-SN-V1-G3 | Линейный подшипник скольжения. Стандартная каретка. четыре ряда. полная заполненность. Без предварительной натяга. Класс точности 3. Узкий. Низкая каретка. | 20.00 | 44.00 | 22.50 |
| KWVE20-B-SN-V1-G4 | Линейный подшипник скольжения. Стандартная каретка. четыре ряда. полная заполненность. Класс точности 4. Без предварительной натяга. Узкий. Низкая каретка. | 20.00 | 44.00 | 22.50 |
| KWVE20-B-SN-V2-G1 | Линейный подшипник скольжения. Стандартная каретка. четыре ряда. полная заполненность. Класс точности 1. Класс предварительной нагрузки 2. Узкий. Низкая каретка. | 20.00 | 44.00 | 22.50 |
| KWVE20-B-SN-V2-G2 | Линейный подшипник скольжения. Стандартная каретка. четыре ряда. полная заполненность. Класс точности 2. Класс предварительной нагрузки 2. Узкий. Низкая каретка. | 20.00 | 44.00 | 22.50 |
| KWVE20-B-SN-V2-G3 | Линейный подшипник скольжения. Стандартная каретка. четыре ряда. полная заполненность. Класс предварительной нагрузки 2. Класс точности 3. Узкий. Низкая каретка. | 20.00 | 44.00 | 22.50 |
| KWVE20-B-SN-V2-G4 | Линейный подшипник скольжения. Стандартная каретка. четыре ряда. полная заполненность. Класс предварительной нагрузки 2. Класс точности 4. Узкий. Низкая каретка. | 20.00 | 44.00 | 22.50 |
| KWVE20-B-SN-RRF-V1-G3 | Линейный подшипник скольжения. Стандартная каретка. четыре ряда. полная заполненность. Без предварительной натяга. Класс точности 3. Компоненты с покрытием Corrotect®, содержащие Cr(VI). Узкий. Низкая каретка. | 20.00 | 44.00 | 22.50 |
| CR28VUU | Кулачковый ролик толкатель. Полный тип дополнения. Манжетные уплотнения с обеих сторон (тип P - две шайбы из оцинкованной листовой стали с промежуточной частью NBR). Диапазон температур -30℃/+100℃. | 19.05 | 44.45 | 22.23 |
| SAZP19N | Шарнирный подшипник. Канавка под стопорное кольцо на внешнем кольце. | 19.05 | 44.45 | 22.23 |
Способы доставки
Отправка через ведущие транспортные и курьерские компании: ПЭК, Деловые Линии, СДЭК, Байкал-Сервис, Энергия, КИТ, ЖелДорЭкспедиция.
Самовывоз возможен напрямую со склада в Москве.
Сроки доставки
Срок зависит от региона и выбранной транспортной компании. Все заказы комплектуются и отправляются в кратчайшие сроки со склада в Москве.
Надёжность и сохранность
Вся продукция упаковывается с учётом требований транспортировки. Мы гарантируем, что подшипники и комплектующие прибудут к заказчику в полной сохранности.
Доставка в страны ЕАЭС
Мы работаем с проверенными логистическими партнёрами, что позволяет оперативно доставлять заказы в Беларусь, Казахстан, Армению и другие страны ЕАЭС.
Варианты оплаты:
Минимальная сумма заказа и скидки:
Документы и гарантии:
Да, конечно! Наши технические специалисты готовы помочь вам с подбором точного аналога или замены подшипника. Просто позвоните нам по телефону +7 (495) 104-99-04 или напишите на почту zakaz@podsnab.ru.
Для оперативной консультации подготовьте, пожалуйста, имеющиеся данные: маркировку, размеры, тип оборудования или артикул старого подшипника.
Да, конечно! Мы высоко ценим долгосрочное сотрудничество и доверие клиентов по всей России. Для постоянных клиентов действует персональная система скидок.
Условия формируются индивидуально и зависят от:
Чтобы узнать свои условия и получить максимально выгодное предложение, свяжитесь с персональным менеджером или напишите нам на почту zakaz@podsnab.ru.
Вы можете оформить заказ несколькими способами:
Для оформления заказа от юридического лица свяжитесь с нашим отделом по работе с корпоративными клиентами по телефону +7 (495) 104-99-04 или напишите на email zakaz@podsnab.ru, прикрепив реквизиты вашей организации.
Мы оперативно подготовим коммерческое предложение и выставим счет.
Возврат товара надлежащего качества возможен в течение 10 дней с момента получения, если товар не был в употреблении, сохранен товарный вид, упаковка не вскрывалась и присутствуют все сопроводительные документы.
Возврат денежных средств осуществляется в течение 10 рабочих дней после проверки товара складом.
В соответствии с законодательством возврату не подлежат подшипники надлежащего качества, если отсутствует оригинальная упаковка или имеются следы монтажа.
В случае выявления брака или гарантийного случая мы гарантируем возврат или обмен товара.
Да, гарантийный срок хранения устанавливается заводом-изготовителем и в среднем составляет 2 года при соблюдении условий хранения: сухое помещение, оригинальная упаковка и смазка.
Точный срок для конкретного типа подшипника уточняйте у наших менеджеров.
Пн–Пт: с 8:00 до 17:00 (МСК).
Сб–Вс: выходные дни.
Заказы на сайте принимаются круглосуточно. Заявки, поступившие после окончания рабочего дня, обрабатываются на следующий рабочий день.
Минимальная сумма заказа для доставки составляет 3000 рублей. Самовывоз со склада возможен на любую сумму при наличии товара.
ООО «УралТехГрупп»
ИНН: 7415093830
КПП: 772401001
ОГРН: 1167456069021
Банк: ПАО Сбербанк
Р/с: 40702810838000475273
К/с: 30101810400000000225
БИК: 044525225
У подшипника JMX12T пока нет отзывов. Вы можете стать первым покупателем, поделившимся своим мнением.