Поиск подшипника
Статьи
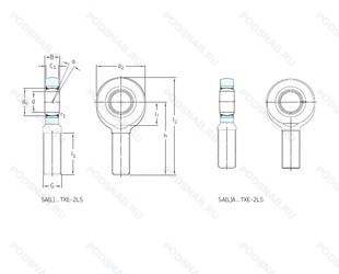
POSB8LC99 — Сферический шарнирный подшипник, модификация основного исполнения POSB8L, производство NEUTRAL.
Размер наконечника: 12x33x15 мм.
Левосторонняя резьба.
Альтернативное обозначение: HM8, MM8, TRE8, VM8.
Международная стандартизации ISO
POSB8LC99
В наличии
| Обозначение | Конструктивные изменения |
|---|---|
| POSB8L | Одно механическое уплотнение. Основное конструктивное исполнение. |
Модификации шарнирного наконечника POSB8LC99 — это измененное основное конструктивное исполнение POSB8L, основные размеры (12x33x15) не отличаются.
| Обозначение | Гост | Конструктивные особенности |
|---|---|---|
| HM8 | ISO | Сферический шарнирный подшипник. |
| TRE8 | ISO | Сферический шарнирный подшипник. |
| PHS12DF | ISO | Сталь/Бронза. |
| KI12DNIRO | ISO | Сталь/PTFE. Нержавеющая сталь. |
| GIKFR12PBA | ISO | Особенность внутренней конструкции. Сегментный контактный материал. Код S/B = скользящая контактная поверхность из стали/бронзы. |
| MM-8 | ISO | Сферический шарнирный подшипник. |
| JMXL8T | ISO | Вкладыш из PTFE материала. |
| CML12T | ISO | Сталь/PTFE. |
| AM8G | ISO | Устройство повторного смазывания со смазочной канавкой и отверстием на внешнем кольце. |
| BEF12-61-501 | ISO | Правая резьба. |
| BEF1/2-20-501 | ISO | Правая резьба. |
| PHS12L-1.25 | ISO | Левосторонняя резьба. Number Of Carriages Per Rail Track. 1.25MM Thread. |
| RFL12X1,25 | ISO | Distance Between Beginning Of The Rail And First Hole In MM. Специальная фаска. |
| RFL12SX1,25 | ISO | Heavy Duty. Резьба 1.25. |
| RM12MTEX1,5 | ISO | Thread 1.5. Units With Suffix SE. SEI. XEI and MTE. Belonging To Heavy Duty Series Have A Liner Made Of Woven CuSn8 Bronze Fabric. Impregnated With PFTE. The Liner Is Glued To Race Inner Face. |
| RM12MTE | ISO | Units With Suffix SE. SEI. XEI and MTE. Belonging To Heavy Duty Series Have A Liner Made Of Woven CuSn8 Bronze Fabric. Impregnated With PFTE. The Liner Is Glued To Race Inner Face. |
| RML12MTEX1,5 | ISO | Thread 1.5. Units With Suffix SE. SEI. XEI and MTE. Belonging To Heavy Duty Series Have A Liner Made Of Woven CuSn8 Bronze Fabric. Impregnated With PFTE. The Liner Is Glued To Race Inner Face. |
| RF12SEI | ISO | Элементы с суффиксом S имеют бронзовые направляющие из CuSn8 для скорости скольжения до 60 м/мин. Элементы с суффиксом SE имеют стальные направляющие с пропитанной PTFE прокладкой и не нуждаются в смазке.. Stainproof. |
| SILKB12F/VZ019 | ISO | Композит Сталь/PTFE. Special Thread According to ISO 8139/1991. CETOP RP 103 P. |
| MML12GK | ISO | Внутренний код THK без технических различий. |
| KAL12-DNIROBMFREI | ISO | Сталь/PTFE. Нержавеющая сталь. |
| BRTM1/2-00-501 | ISO | Правая резьба. |
| BRTM1/2-00-502 | ISO | Левосторонняя резьба. |
Аналог шарнирного наконечника POSB8LC99 — это наконечник такого же размера dx12,Dx33,Bx15, типа и конструкции.
| Обозначение | Конструктивные особенности | Внутренний (d) | Наружный (D) | Ширина (B) |
|---|---|---|---|---|
| 2Ш12-Ю | Шарнирный подшипник. Одно или два кольца из нержавеющей стали.. Нормы шумности. Без отверстий и канавок для смазки.. | 12.00 | 32.00 | 16.00 |
| SAZP12N | Шарнирный подшипник. Канавка под стопорное кольцо на внешнем кольце. | 12.70 | 33.32 | 15.88 |
| 2Ш12-Ю2УТВК | Шарнирный подшипник. Уменьшенный внутренний осевой зазор.. Температура отпуска. 160°. Поверхность скольжения – нержавеющая сталь/серебро (покрытие сферы внутреннего кольца серебром).. Нормы шумности. Без отверстий и канавок для смазки.. Отдельное внутреннее кольцо шарнирного подшипника.. | 12.00 | 24.00 | 16.00 |
| 2Ш12-Ю2УТВК1 | Шарнирный подшипник. Уменьшенный внутренний осевой зазор.. Температура отпуска. 160°. Поверхность скольжения – нержавеющая сталь/серебро (покрытие сферы внутреннего кольца серебром).. Нормы шумности. Без отверстий и канавок для смазки.. Канавка и отверстие для смазки на наружном кольце.. | 12.00 | 24.00 | 16.00 |
| 2Ш12-ЮТВК | Шарнирный подшипник. Температура отпуска. 160°. Одно или два кольца из нержавеющей стали.. Нормы шумности. Без отверстий и канавок для смазки.. Отдельное внутреннее кольцо шарнирного подшипника.. | 12.00 | 24.00 | 16.00 |
| 2ШЛТ12 | Шарнирный подшипник. Без отверстий и канавок для смазки. | 12.00 | 32.00 | 16.00 |
| 2ШЛТ12-Ю1Т | Шарнирный подшипник. Температура отпуска. 160°. Одно или два кольца из нержавеющей стали.. Без отверстий и канавок для смазки. | 12.00 | 22.00 | 16.00 |
| 2ШМ12-ЮТ | Шарнирный подшипник. Температура отпуска. 160°. Одно или два кольца из нержавеющей стали.. Без отверстий и канавок для смазки.. | 12.00 | 32.00 | 16.00 |
| 2ШС12-Ю2УТ | Шарнирный подшипник. Уменьшенный внутренний осевой зазор.. Температура отпуска. 160°. Поверхность скольжения – нержавеющая сталь/серебро (покрытие сферы внутреннего кольца серебром).. С отверстиями и канавками для смазки во внутреннем кольце.. | 12.00 | 32.00 | 16.00 |
| 2ШС12-ЮТ | Шарнирный подшипник. Температура отпуска. 160°. Одно или два кольца из нержавеющей стали.. С отверстиями и канавками для смазки во внутреннем кольце.. | 12.00 | 32.00 | 16.00 |
| 2ШС12ВК | Шарнирный подшипник. Отдельное внутреннее кольцо шарнирного подшипника.. С отверстиями и канавками для смазки во внутреннем кольце.. | 12.00 | 32.00 | 16.00 |
| 5-160501 ЕТ2 | Шариковый радиальный однорядный подшипник. Сепаратор из текстолита.. 200°. Температура отпуска. | 12.00 | 32.00 | 14.00 |
| 5-3086201 Д | Шариковый радиально-упорный двухрядный подшипник. Сепаратор из алюминиевого сплава.. | 12.00 | 32.00 | 15.90 |
| 6-180501 АС9Ш1 | Шариковый радиальный однорядный подшипник. Повышенная грузоподъемность. Нормы шумности. Смазка ЛЗ-31. | 12.00 | 32.00 | 14.00 |
| 6-180501 К4С9Ш1 | Шариковый радиальный однорядный подшипник. Нормы шумности. Смазка ЛЗ-31. | 12.00 | 32.00 | 14.00 |
Способы доставки
Отправка через ведущие транспортные и курьерские компании: ПЭК, Деловые Линии, СДЭК, Байкал-Сервис, Энергия, КИТ, ЖелДорЭкспедиция.
Самовывоз возможен напрямую со склада в Москве.
Сроки доставки
Срок зависит от региона и выбранной транспортной компании. Все заказы комплектуются и отправляются в кратчайшие сроки со склада в Москве.
Надёжность и сохранность
Вся продукция упаковывается с учётом требований транспортировки. Мы гарантируем, что подшипники и комплектующие прибудут к заказчику в полной сохранности.
Доставка в страны ЕАЭС
Мы работаем с проверенными логистическими партнёрами, что позволяет оперативно доставлять заказы в Беларусь, Казахстан, Армению и другие страны ЕАЭС.
Варианты оплаты:
Минимальная сумма заказа и скидки:
Документы и гарантии:
Да, конечно! Наши технические специалисты готовы помочь вам с подбором точного аналога или замены подшипника. Просто позвоните нам по телефону +7 (495) 104-99-04 или напишите на почту zakaz@podsnab.ru.
Для оперативной консультации подготовьте, пожалуйста, имеющиеся данные: маркировку, размеры, тип оборудования или артикул старого подшипника.
Да, конечно! Мы высоко ценим долгосрочное сотрудничество и доверие клиентов по всей России. Для постоянных клиентов действует персональная система скидок.
Условия формируются индивидуально и зависят от:
Чтобы узнать свои условия и получить максимально выгодное предложение, свяжитесь с персональным менеджером или напишите нам на почту zakaz@podsnab.ru.
Вы можете оформить заказ несколькими способами:
Для оформления заказа от юридического лица свяжитесь с нашим отделом по работе с корпоративными клиентами по телефону +7 (495) 104-99-04 или напишите на email zakaz@podsnab.ru, прикрепив реквизиты вашей организации.
Мы оперативно подготовим коммерческое предложение и выставим счет.
Возврат товара надлежащего качества возможен в течение 10 дней с момента получения, если товар не был в употреблении, сохранен товарный вид, упаковка не вскрывалась и присутствуют все сопроводительные документы.
Возврат денежных средств осуществляется в течение 10 рабочих дней после проверки товара складом.
В соответствии с законодательством возврату не подлежат подшипники надлежащего качества, если отсутствует оригинальная упаковка или имеются следы монтажа.
В случае выявления брака или гарантийного случая мы гарантируем возврат или обмен товара.
Да, гарантийный срок хранения устанавливается заводом-изготовителем и в среднем составляет 2 года при соблюдении условий хранения: сухое помещение, оригинальная упаковка и смазка.
Точный срок для конкретного типа подшипника уточняйте у наших менеджеров.
Пн–Пт: с 8:00 до 17:00 (МСК).
Сб–Вс: выходные дни.
Заказы на сайте принимаются круглосуточно. Заявки, поступившие после окончания рабочего дня, обрабатываются на следующий рабочий день.
Минимальная сумма заказа для доставки составляет 3000 рублей. Самовывоз со склада возможен на любую сумму при наличии товара.
ООО «УралТехГрупп»
ИНН: 7415093830
КПП: 772401001
ОГРН: 1167456069021
Банк: ПАО Сбербанк
Р/с: 40702810838000475273
К/с: 30101810400000000225
БИК: 044525225
У подшипника POSB8LC99 пока нет отзывов. Вы можете стать первым покупателем, поделившимся своим мнением.