Поиск подшипника
Статьи
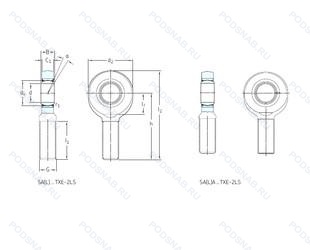
TFI20PW — Сферический шарнирный подшипник, модификация основного исполнения TFI20, производство NEUTRAL.
Размер наконечника: 20x50x25 мм.
Контактная поверхность скольжения сталь/ptfe.
Альтернативное обозначение: GIKFR10PW, SIKB10F.
Аналоги: GIKFR20PW Elges,GIKR20-PW INA,SIKB20F SKF,1822124006 Bosch-Rexroth,DF20 MTR,KJ20D SMC.
Международная стандартизации ISO
TFI20PW
В наличии
| Обозначение | Конструктивные изменения |
|---|---|
| TFI20FKBT 2RS | Манжетное уплотнение с двух сторон. Сталь/политетрафторэтилен (ПТФЭ). |
Модификации шарнирного наконечника TFI20PW — это измененное основное конструктивное исполнение TFI20, основные размеры (20x50x25) не отличаются.
| Обозначение | Гост | Конструктивные особенности |
|---|---|---|
| SIKB20F | ISO | Сепаратор из обработанной стали или специального чугуна. |
| SIKB10F | ISO | Сепаратор из обработанной стали или специального чугуна. |
| GIKFR20PW | ISO | Скользящая контактная поверхность сталь/PTFE (политетрафторэтилен) Бронзовая пленка.. |
| GIKFR10PW | ISO | Скользящая контактная поверхность сталь/PTFE (политетрафторэтилен) Бронзовая пленка.. |
| KJ20D | ISO | Половина целого игольчатого валика. Применять суффикс 'D' в базовом номере. |
| DF20 | ISO | Сферический шарнирный подшипник. |
| BRM20-00-501 | ISO | Правая резьба. |
| DSI20T/K | ISO | Композит Сталь/PTFE. |
| DSIL20T/K | ISO | Композит Сталь/PTFE. |
| KIL20D | ISO | Сталь/PTFE. |
| BNM20L | ISO | Левая резьба. |
| SIBP20S | ISO | Запечатанная версия кулачкового ролика. |
| CML20M20X2,5 | ISO | Distance Between Beginning Of The Rail And First Hole In MM. |
| NHS20L | ISO | Левосторонняя резьба. |
| MFL20G | ISO | Устройство повторного смазывания со смазочной канавкой и отверстием на внешнем кольце. |
| TFIL20PB | ISO | Скользящая контактная поверхность из стали/бронзы. Соответствует ИСО 12 240-1. Размерная серия K. Для валов от 5 мм до 30 мм. |
| TFIL25PB | ISO | Скользящая контактная поверхность из стали/бронзы. Соответствует ИСО 12 240-1. Размерная серия K. Для валов от 5 мм до 30 мм. |
| BEM20-60-501 | ISO | Правая резьба. |
| BEF20-60-502 L | ISO | Левосторонняя резьба. 3.3/4. Левосторонняя резьба. |
| BRTF20L | ISO | Одно механическое уплотнение. |
| BRTF20-00-501 | ISO | Правая резьба. |
| KIL20NIRO | ISO | Нержавеющая сталь. |
| SSI20M20X1,5 RVS A4 | ISO | Distance Between Beginning Of The Rail And First Hole In MM. ROEST VRIJ STAAL. |
| BRTF20-00-502 | ISO | Левосторонняя резьба. |
| POS20A | ISO | Двухрядный радиально-упорный шарикоподшипник без отверстия для смазки. |
| BEF20-25-501 | ISO | Mode. Правая резьба. |
Аналог шарнирного наконечника TFI20PW — это наконечник такого же размера dx20,Dx50,Bx25, типа и конструкции.
| Обозначение | Конструктивные особенности | Внутренний (d) | Наружный (D) | Ширина (B) |
|---|---|---|---|---|
| ZXLO50HD10 | Подшипник шариковый однорядный радиально-упорный. | 20.64 | 50.80 | 25.40 |
| 7904 | Роликовый радиальный-упорный однорядный подшипник. | 20.00 | 49.00 | 24.00 |
| SA20T/K | Шарнирный подшипник. Коническое отверстие. Конусность 1/12. Textile Laminated Phenolic Resin. Outer Ring Guided. The Cage Is Suitable For Long-Term Operation At Temperatures Up To 100°C. | 20.00 | 50.00 | 25.00 |
| SI20T/K | Шарнирный подшипник. Коническое отверстие. Конусность 1/12. Textile Laminated Phenolic Resin. Outer Ring Guided. The Cage Is Suitable For Long-Term Operation At Temperatures Up To 100°C. | 20.00 | 50.00 | 25.00 |
| SIL20T/K | Шарнирный подшипник. Коническое отверстие. Конусность 1/12. Textile Laminated Phenolic Resin. Outer Ring Guided. The Cage Is Suitable For Long-Term Operation At Temperatures Up To 100°C. | 20.00 | 50.00 | 25.00 |
Способы доставки
Отправка через ведущие транспортные и курьерские компании: ПЭК, Деловые Линии, СДЭК, Байкал-Сервис, Энергия, КИТ, ЖелДорЭкспедиция.
Самовывоз возможен напрямую со склада в Москве.
Сроки доставки
Срок зависит от региона и выбранной транспортной компании. Все заказы комплектуются и отправляются в кратчайшие сроки со склада в Москве.
Надёжность и сохранность
Вся продукция упаковывается с учётом требований транспортировки. Мы гарантируем, что подшипники и комплектующие прибудут к заказчику в полной сохранности.
Доставка в страны ЕАЭС
Мы работаем с проверенными логистическими партнёрами, что позволяет оперативно доставлять заказы в Беларусь, Казахстан, Армению и другие страны ЕАЭС.
Варианты оплаты:
Минимальная сумма заказа и скидки:
Документы и гарантии:
Да, конечно! Наши технические специалисты готовы помочь вам с подбором точного аналога или замены подшипника. Просто позвоните нам по телефону +7 (495) 104-99-04 или напишите на почту zakaz@podsnab.ru.
Для оперативной консультации подготовьте, пожалуйста, имеющиеся данные: маркировку, размеры, тип оборудования или артикул старого подшипника.
Да, конечно! Мы высоко ценим долгосрочное сотрудничество и доверие клиентов по всей России. Для постоянных клиентов действует персональная система скидок.
Условия формируются индивидуально и зависят от:
Чтобы узнать свои условия и получить максимально выгодное предложение, свяжитесь с персональным менеджером или напишите нам на почту zakaz@podsnab.ru.
Вы можете оформить заказ несколькими способами:
Для оформления заказа от юридического лица свяжитесь с нашим отделом по работе с корпоративными клиентами по телефону +7 (495) 104-99-04 или напишите на email zakaz@podsnab.ru, прикрепив реквизиты вашей организации.
Мы оперативно подготовим коммерческое предложение и выставим счет.
Возврат товара надлежащего качества возможен в течение 10 дней с момента получения, если товар не был в употреблении, сохранен товарный вид, упаковка не вскрывалась и присутствуют все сопроводительные документы.
Возврат денежных средств осуществляется в течение 10 рабочих дней после проверки товара складом.
В соответствии с законодательством возврату не подлежат подшипники надлежащего качества, если отсутствует оригинальная упаковка или имеются следы монтажа.
В случае выявления брака или гарантийного случая мы гарантируем возврат или обмен товара.
Да, гарантийный срок хранения устанавливается заводом-изготовителем и в среднем составляет 2 года при соблюдении условий хранения: сухое помещение, оригинальная упаковка и смазка.
Точный срок для конкретного типа подшипника уточняйте у наших менеджеров.
Пн–Пт: с 8:00 до 17:00 (МСК).
Сб–Вс: выходные дни.
Заказы на сайте принимаются круглосуточно. Заявки, поступившие после окончания рабочего дня, обрабатываются на следующий рабочий день.
Минимальная сумма заказа для доставки составляет 3000 рублей. Самовывоз со склада возможен на любую сумму при наличии товара.
ООО «УралТехГрупп»
ИНН: 7415093830
КПП: 772401001
ОГРН: 1167456069021
Банк: ПАО Сбербанк
Р/с: 40702810838000475273
К/с: 30101810400000000225
БИК: 044525225
У подшипника TFI20PW пока нет отзывов. Вы можете стать первым покупателем, поделившимся своим мнением.