Поиск подшипника
Статьи
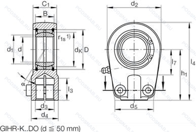
GIHO-K30DO — Сферический шарнирный подшипник, основное исполнение, выпускается производителями: ELGES, PAVARINI.
Размер наконечника: 30x80x22 мм.
Альтернативное обозначение: SIJ30ES, TAPR30S, TAPR705DO.
Международная стандартизации ISO
GIHOK30DO
В наличии
| Обозначение | Гост | Конструктивные особенности |
|---|---|---|
| SN30S | ISO | Запечатанная версия кулачкового ролика. |
| SIJ30ES | ISO | Разъемное наружное кольцо со смазочными отверстиями. |
| TAPR 705 DO | ISO | Прессованный стальной сепаратор. Вращающийся элемент по центру. Незакаленный. |
Аналог шарнирного наконечника GIHO-K30DO — это наконечник такого же размера dx30,Dx80,Bx22, типа и конструкции.
| Обозначение | Конструктивные особенности | Внутренний (d) | Наружный (D) | Ширина (B) |
|---|---|---|---|---|
| FUY1307TM | Однорядный цилиндрический роликовый подшипник. Cylindrical Roller Bearing. Outer Ring With Two Snap Rings In Inside Diameter. Full Complement. | 30.00 | 80.00 | 21.00 |
| 409307B | Однорядный цилиндрический роликовый подшипник. Измененный внутренний дизайн. | 30.00 | 80.00 | 23.00 |
| 2F-UY1307TAM | Однорядный цилиндрический роликовый подшипник. Сепаратор из ламинированной фенольной смолы, направляемый на шаровый фиксатор наружного кольца. | 30.00 | 80.00 | 23.00 |
| R0694V | однорядный цилиндрический роликовый подшипник. Цельный стальной сепаратор. | 30.00 | 80.00 | 23.00 |
| 22307K+H | Подшипник роликовый сферический. Коническое отверстие. конус 1/12. Закрепительная втулка. | 30.00 | 80.00 | 21.00 |
| B30120C3 | Подшипник однорядный шариковый радиальный. Внутренний зазор больше нормального. Подшипник со специальными размерами. | 30.00 | 80.00 | 21.00 |
| 3F-UY1307TM | Однорядный цилиндрический роликовый подшипник. Cylindrical Roller Bearing. Outer Ring With Two Snap Rings In Inside Diameter. Full Complement. | 30.00 | 80.00 | 23.00 |
| 21307-E1-K-TVPB + H307 | Роликовый радиальный сферический двухрядный подшипник. Коническое отверстие. Конусность 1/12. Конструкция с увеличенной грузоподьемностью. Твердый оконный сепаратор из полиамида. армированного стекловолокном. Направляющие на внутреннем кольце. | 30.00 | 80.00 | 21.00 |
| 21307 CCK + H 307 | Сферический двухрядный подшипник. Pressed Snap-Type Steel Cage. Hardened. 3.7/16. | 30.00 | 80.00 | 21.00 |
| 334/332-B | Роликовый радиальный-упорный однорядный подшипник. Конический роликовый подшипник. Угол контакта 20 градусов. | 30.16 | 80.00 | 22.40 |
| 11306-К | Шариковый радиальный двухрядный подшипник. «Замок» (скос) на внутреннем кольце плюс массивный сепаратор из текстолита. | 30.00 | 80.00 | 21.00 |
| 1307-K-TVH-C3 + H307 | Шариковый сферический двухрядный подшипник. Внутренний зазор больше нормального. Коническое отверстие. Конусность 1/12. Твердая клетка из полиамида. | 30.00 | 80.00 | 21.00 |
| 460706-АС17 | Шариковый радиальный однорядный подшипник. Смазка Литол-24. Повышенная грузоподъемность. | 30.00 | 79.00 | 22.00 |
| 460706-КС17 | Шариковый радиальный однорядный подшипник. Смазка Литол-24. | 30.00 | 79.00 | 22.00 |
| 460706-С17 | Шариковый радиальный однорядный подшипник. Смазка Литол-24. | 30.00 | 79.00 | 22.00 |
Способы доставки
Отправка через ведущие транспортные и курьерские компании: ПЭК, Деловые Линии, СДЭК, Байкал-Сервис, Энергия, КИТ, ЖелДорЭкспедиция.
Самовывоз возможен напрямую со склада в Москве.
Сроки доставки
Срок зависит от региона и выбранной транспортной компании. Все заказы комплектуются и отправляются в кратчайшие сроки со склада в Москве.
Надёжность и сохранность
Вся продукция упаковывается с учётом требований транспортировки. Мы гарантируем, что подшипники и комплектующие прибудут к заказчику в полной сохранности.
Доставка в страны ЕАЭС
Мы работаем с проверенными логистическими партнёрами, что позволяет оперативно доставлять заказы в Беларусь, Казахстан, Армению и другие страны ЕАЭС.
Варианты оплаты:
Минимальная сумма заказа и скидки:
Документы и гарантии:
Да, конечно! Наши технические специалисты готовы помочь вам с подбором точного аналога или замены подшипника. Просто позвоните нам по телефону +7 (495) 104-99-04 или напишите на почту zakaz@podsnab.ru.
Для оперативной консультации подготовьте, пожалуйста, имеющиеся данные: маркировку, размеры, тип оборудования или артикул старого подшипника.
Да, конечно! Мы высоко ценим долгосрочное сотрудничество и доверие клиентов по всей России. Для постоянных клиентов действует персональная система скидок.
Условия формируются индивидуально и зависят от:
Чтобы узнать свои условия и получить максимально выгодное предложение, свяжитесь с персональным менеджером или напишите нам на почту zakaz@podsnab.ru.
Вы можете оформить заказ несколькими способами:
Для оформления заказа от юридического лица свяжитесь с нашим отделом по работе с корпоративными клиентами по телефону +7 (495) 104-99-04 или напишите на email zakaz@podsnab.ru, прикрепив реквизиты вашей организации.
Мы оперативно подготовим коммерческое предложение и выставим счет.
Возврат товара надлежащего качества возможен в течение 10 дней с момента получения, если товар не был в употреблении, сохранен товарный вид, упаковка не вскрывалась и присутствуют все сопроводительные документы.
Возврат денежных средств осуществляется в течение 10 рабочих дней после проверки товара складом.
В соответствии с законодательством возврату не подлежат подшипники надлежащего качества, если отсутствует оригинальная упаковка или имеются следы монтажа.
В случае выявления брака или гарантийного случая мы гарантируем возврат или обмен товара.
Да, гарантийный срок хранения устанавливается заводом-изготовителем и в среднем составляет 2 года при соблюдении условий хранения: сухое помещение, оригинальная упаковка и смазка.
Точный срок для конкретного типа подшипника уточняйте у наших менеджеров.
Пн–Пт: с 8:00 до 17:00 (МСК).
Сб–Вс: выходные дни.
Заказы на сайте принимаются круглосуточно. Заявки, поступившие после окончания рабочего дня, обрабатываются на следующий рабочий день.
Минимальная сумма заказа для доставки составляет 3000 рублей. Самовывоз со склада возможен на любую сумму при наличии товара.
ООО «УралТехГрупп»
ИНН: 7415093830
КПП: 772401001
ОГРН: 1167456069021
Банк: ПАО Сбербанк
Р/с: 40702810838000475273
К/с: 30101810400000000225
БИК: 044525225
У подшипника GIHO-K30DO пока нет отзывов. Вы можете стать первым покупателем, поделившимся своим мнением.