Поиск подшипника
Статьи
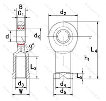
GIR30UK-2RS — Сферический шарнирный подшипник, модификация основного исполнения GIR30UK, выпускается производителями: CCVI, ELGES.
Размер наконечника: 30x73x22 мм.
Резиновые уплотнения с каждой стороны подшипника.
Альтернативное обозначение: SI30C-2RS.
Аналоги: GIR30-UK-2RS-A INA.
Международная стандартизации ISO
GIR30UK2RS
В наличии
| Обозначение | Конструктивные изменения |
|---|---|
| GIR30UK | Сталь/фторопластовая ткань.. Основное конструктивное исполнение. |
Модификации шарнирного наконечника GIR30UK-2RS — это измененное основное конструктивное исполнение GIR30UK, основные размеры (30x73x22) не отличаются.
| Обозначение | Гост | Конструктивные особенности |
|---|---|---|
| GAR30UK-2RS | ISO | Уплотнения с обеих сторон.. Сталь/фторопластовая ткань.. |
| SIL30C | ISO | 15° Угол контакта. |
| EA30D | ISO | Контактный материал Сталь/PFTE.. |
| GIL30DO-2RS | ISO | Резиновые уплотнения с каждой стороны подшипника. |
| GIL30-DO | ISO | Прессованный стальной сепаратор. Вращающийся элемент по центру. Незакаленный. |
| GIL30UK | ISO | Сталь/фторопластовая ткань.. |
| GIR30DO-2RS | ISO | Резиновые уплотнения с каждой стороны подшипника. |
| GAR30DO-2RS | ISO | Уплотнения с обеих сторон.. Сталь/Сталь и внутреннее и внешнее кольцо закалены.. |
| SIL30ES | ISO | Разъемное наружное кольцо со смазочными отверстиями. |
| SMXC30Y | ISO | Steel on bronze composite. |
| FI30U | ISO | Maintenance-Free Rod Ends. |
| GAR30 | ISO | Сферический шарнирный подшипник. |
| GAR30ES | ISO | Steel/Steel. Inner And Outer Ring Hardened. |
| DSIL30ES | ISO | Внешние размеры корпусов могут отличаться для одного и того же номера изделия. (Сегментный контактный материала код S/S)=Сталь-на-стали. Кольцевые канавки и смазочные отверстия во внутреннем и наружном кольцах. |
| GAR30ES-2RS | ISO | Резиновые уплотнения с каждой стороны подшипника. Сталь. Масляные отверстия и канавки. |
| EI30 2RS | ISO | Резиновые уплотнения с каждой стороны подшипника.. |
| SIL30ES-2RS | ISO | Double-Lip Rubbing Seals Of Metric Bearings Are Made Of Polyester Elastomer (-30°C/+130°C). Inch-Size Bearings Are Made Of Polyurethane (-20°C/+80°C). Сталь. Кольцевые канавки и смазочные отверстия как во внутреннем. так и во внешнем кольцах. |
| SK30ES | ISO | Сталь. Масляные отверстия и канавки. |
| FE30D | ISO | Половина целого игольчатого валика. Применять суффикс 'D' в базовом номере. |
Аналог шарнирного наконечника GIR30UK-2RS — это наконечник такого же размера dx30,Dx73,Bx22, типа и конструкции.
| Обозначение | Конструктивные особенности | Внутренний (d) | Наружный (D) | Ширина (B) |
|---|---|---|---|---|
| 6-7606-А | Роликовый радиальный-упорный однорядный подшипник. Повышенная грузоподъемность. | 30.00 | 72.00 | 23.00 |
| 7306-А | Роликовый радиальный-упорный однорядный подшипник. Повышенная грузоподъемность. | 30.00 | 72.00 | 21.00 |
| 7306-АУ | Роликовый радиальный-упорный однорядный подшипник. Дополнительные технические требования. Повышенная грузоподъемность. | 30.00 | 72.00 | 21.00 |
| 7606-А | Роликовый радиальный-упорный однорядный подшипник. Повышенная грузоподъемность. | 30.00 | 72.00 | 23.00 |
| SC06C66N | Шариковый радиальный однорядный подшипник. Канавка для стопорного кольца на наружном кольце. | 30.00 | 72.50 | 21.00 |
| SX06B81LLUANPX1V | Шариковый радиальный однорядный подшипник. Уплотнение из полиакрила. Угол контакта 40°. Канавка для стопорного кольца на наружном кольце. Двухкромочное нитриловое контактное уплотнение. Модификация фаски. | 30.00 | 72.00 | 21.00 |
| 6TS2-SX06B81LLUANPX1V1 | Шариковый радиальный однорядный подшипник. Уплотнение из полиакрила. Угол контакта 40°. Канавка для стопорного кольца на наружном кольце. Двухкромочное нитриловое контактное уплотнение. Модификация фаски. | 30.00 | 72.00 | 21.00 |
| 6TS2-SC06B58LLUANCS23PX1/L014 | Шариковый радиальный однорядный подшипник. Механически обработанный сепаратор. Уплотнение из полиакрила. Угол контакта 40°. Канавка для стопорного кольца на наружном кольце. Двухкромочное нитриловое контактное уплотнение. Модификация фаски. | 30.00 | 72.00 | 21.00 |
| 6TS2-SX06B81LLUANPX1V2 | Шариковый радиальный однорядный подшипник. Уплотнение из полиакрила. Угол контакта 40°. Канавка для стопорного кольца на наружном кольце. Двухкромочное нитриловое контактное уплотнение. Модификация фаски. | 30.00 | 72.00 | 21.00 |
| 6TS2-SC06B58LLUANCS23PX1/L588 | Шариковый радиальный однорядный подшипник. Механически обработанный сепаратор. Уплотнение из полиакрила. Угол контакта 40°. Канавка для стопорного кольца на наружном кольце. Двухкромочное нитриловое контактное уплотнение. Модификация фаски. | 30.00 | 72.00 | 21.00 |
| 2207-K-TVH-C3 + H307 | Шариковый сферический двухрядный подшипник. Внутренний зазор больше нормального. Коническое отверстие. Конусность 1/12. Твердая клетка из полиамида. | 30.00 | 72.00 | 23.00 |
| 2207-K-2RS-TVH-C3 + H307 | Шариковый сферический двухрядный подшипник. Внутренний зазор больше нормального. Коническое отверстие. Конусность 1/12. Резиновые уплотнения с каждой стороны подшипника. Твердая клетка из полиамида. | 30.00 | 72.00 | 23.00 |
| 2207-2RS KTN9+H307 | Шариковый сферический двухрядный подшипник. Резиновые уплотнения с каждой стороны подшипника. | 30.00 | 72.00 | 23.00 |
| 2207E-2RS1KTN9+H307E | Шариковый сферический двухрядный подшипник. Повышенная грузоподъемность. | 30.00 | 72.00 | 23.00 |
| 5-7306 А | Роликовый радиальный-упорный однорядный подшипник. Повышенная грузоподъемность. | 30.00 | 72.00 | 21.00 |
Способы доставки
Отправка через ведущие транспортные и курьерские компании: ПЭК, Деловые Линии, СДЭК, Байкал-Сервис, Энергия, КИТ, ЖелДорЭкспедиция.
Самовывоз возможен напрямую со склада в Москве.
Сроки доставки
Срок зависит от региона и выбранной транспортной компании. Все заказы комплектуются и отправляются в кратчайшие сроки со склада в Москве.
Надёжность и сохранность
Вся продукция упаковывается с учётом требований транспортировки. Мы гарантируем, что подшипники и комплектующие прибудут к заказчику в полной сохранности.
Доставка в страны ЕАЭС
Мы работаем с проверенными логистическими партнёрами, что позволяет оперативно доставлять заказы в Беларусь, Казахстан, Армению и другие страны ЕАЭС.
Варианты оплаты:
Минимальная сумма заказа и скидки:
Документы и гарантии:
Да, конечно! Наши технические специалисты готовы помочь вам с подбором точного аналога или замены подшипника. Просто позвоните нам по телефону +7 (495) 104-99-04 или напишите на почту zakaz@podsnab.ru.
Для оперативной консультации подготовьте, пожалуйста, имеющиеся данные: маркировку, размеры, тип оборудования или артикул старого подшипника.
Да, конечно! Мы высоко ценим долгосрочное сотрудничество и доверие клиентов по всей России. Для постоянных клиентов действует персональная система скидок.
Условия формируются индивидуально и зависят от:
Чтобы узнать свои условия и получить максимально выгодное предложение, свяжитесь с персональным менеджером или напишите нам на почту zakaz@podsnab.ru.
Вы можете оформить заказ несколькими способами:
Для оформления заказа от юридического лица свяжитесь с нашим отделом по работе с корпоративными клиентами по телефону +7 (495) 104-99-04 или напишите на email zakaz@podsnab.ru, прикрепив реквизиты вашей организации.
Мы оперативно подготовим коммерческое предложение и выставим счет.
Возврат товара надлежащего качества возможен в течение 10 дней с момента получения, если товар не был в употреблении, сохранен товарный вид, упаковка не вскрывалась и присутствуют все сопроводительные документы.
Возврат денежных средств осуществляется в течение 10 рабочих дней после проверки товара складом.
В соответствии с законодательством возврату не подлежат подшипники надлежащего качества, если отсутствует оригинальная упаковка или имеются следы монтажа.
В случае выявления брака или гарантийного случая мы гарантируем возврат или обмен товара.
Да, гарантийный срок хранения устанавливается заводом-изготовителем и в среднем составляет 2 года при соблюдении условий хранения: сухое помещение, оригинальная упаковка и смазка.
Точный срок для конкретного типа подшипника уточняйте у наших менеджеров.
Пн–Пт: с 8:00 до 17:00 (МСК).
Сб–Вс: выходные дни.
Заказы на сайте принимаются круглосуточно. Заявки, поступившие после окончания рабочего дня, обрабатываются на следующий рабочий день.
Минимальная сумма заказа для доставки составляет 3000 рублей. Самовывоз со склада возможен на любую сумму при наличии товара.
ООО «УралТехГрупп»
ИНН: 7415093830
КПП: 772401001
ОГРН: 1167456069021
Банк: ПАО Сбербанк
Р/с: 40702810838000475273
К/с: 30101810400000000225
БИК: 044525225
У подшипника GIR30UK-2RS пока нет отзывов. Вы можете стать первым покупателем, поделившимся своим мнением.