Поиск подшипника
Статьи
GIKL14PW — Сферический шарнирный подшипник, модификация основного исполнения GIKL14, выпускается производителями: CCVI, INA.
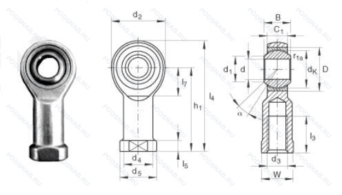
Размер наконечника: 14x38x19 мм.
Контактная поверхность скольжения сталь/ptfe.
Альтернативное обозначение: BEF14-20-502, DSIL14T/K, SILKB14F, KJL14D.
Аналоги: GIKFL14PW Elges,GIKL14PWA INA,GIKL14-PW-A INA,SILKB14F SKF,KJL14D Askubal,PHS14ECL IKO,DF14L MTR,TSFL14C ISB,DSIL14T/K Neutral.
Международная стандартизации ISO
GIKL14PW
В наличии
| Обозначение | Конструктивные изменения |
|---|---|
| GIKL14PB | Сегментный контактный материал. Код S/B = скользящая контактная поверхность из стали/бронзы. |
Модификации шарнирного наконечника GIKL14PW — это измененное основное конструктивное исполнение GIKL14, основные размеры (14x38x19) не отличаются.
| Обозначение | Гост | Конструктивные особенности |
|---|---|---|
| KJL14D | ISO | Половина целого игольчатого валика. Применять суффикс 'D' в базовом номере. |
| SILKB14F | ISO | Композит Сталь/PTFE. |
| GIKFL14PW | ISO | Контактная поверхность скольжения Сталь/PTFE. |
| TSFL14C | ISO | 15° Угол контакта. |
| DSIL14T/K | ISO | Коническое отверстие. Конусность 1/12. Textile Laminated Phenolic Resin. Outer Ring Guided. The Cage Is Suitable For Long-Term Operation At Temperatures Up To 100°C. |
| GAKFR14-PB-A | ISO | Двухрядный радиально-упорный шарикоподшипник без отверстия для смазки. Скользящая контактная поверхность сталь/бронза. Соответствует ISO 12 240-1. Размерная серия K. Для валов от 5 мм до 30 мм. |
| GIKR14PBA | ISO | Особенность внутренней конструкции. Сегментный контактный материал. Код S/B = скользящая контактная поверхность из стали/бронзы. |
| GIKR14PWA | ISO | Особенность внутренней конструкции. Контактная поверхность скольжения Сталь/PTFE. |
| POS14EC | ISO | Сталь/политетрафторэтилен (ПТФЭ). |
| KBRM-14MH | ISO | Механически обработанный латунный сепаратор, центрируемый по дорожке качения внутреннего кольца. |
| BEF14-20-502 | ISO | Левосторонняя резьба. |
| BEF14-20-501 | ISO | Правая резьба. |
| KAL14DR | ISO | Два подшипника. подобранные к одному комплекту. |
| BNM14L | ISO | Левая резьба. |
| DF14L | ISO | Левая резьба. |
| GAKSL14-PS | ISO | Специальная сталь. Не требует обслуживания. |
| GIKSL14-PS | ISO | Специальная сталь. Не требует обслуживания. |
| DSAL14T/K | ISO | Композит Сталь/PTFE. |
| SABPL14S | ISO | Запечатанная версия кулачкового ролика. |
| DSI14T/K | ISO | Композит Сталь/PTFE. |
| GAKFR14-PW-A | ISO | Контактная поверхность скольжения Сталь/PTFE. |
| TSM14C | ISO | 15° Угол контакта. |
| GAKL14PWA | ISO | Особенность внутренней конструкции. Контактная поверхность скольжения Сталь/PTFE. |
| BEF14-60-501 | ISO | Правая резьба. |
| KI14D | ISO | Половина целого игольчатого валика. Применять суффикс 'D' в базовом номере. |
| MFC14K | ISO | Коническое отверстие. Конусность 1/12. |
Аналог шарнирного наконечника GIKL14PW — это наконечник такого же размера dx14,Dx38,Bx19, типа и конструкции.
| Обозначение | Конструктивные особенности | Внутренний (d) | Наружный (D) | Ширина (B) |
|---|---|---|---|---|
| 949100-3480 | Подшипник однорядный шариковый радиальный. | 15.00 | 38.00 | 19.00 |
| CARGO: 140461 | Подшипник однорядный шариковый радиальный. | 15.00 | 38.00 | 19.00 |
| 140461 | Подшипник однорядный шариковый радиальный. | 15.00 | 38.00 | 19.00 |
| 348 2RS | Подшипник однорядный шариковый радиальный. Резиновые уплотнения с каждой стороны подшипника. | 15.00 | 38.00 | 19.00 |
| 10-2022 | Шариковый радиальный однорядный подшипник. | 15.00 | 38.00 | 19.00 |
Способы доставки
Отправка через ведущие транспортные и курьерские компании: ПЭК, Деловые Линии, СДЭК, Байкал-Сервис, Энергия, КИТ, ЖелДорЭкспедиция.
Самовывоз возможен напрямую со склада в Москве.
Сроки доставки
Срок зависит от региона и выбранной транспортной компании. Все заказы комплектуются и отправляются в кратчайшие сроки со склада в Москве.
Надёжность и сохранность
Вся продукция упаковывается с учётом требований транспортировки. Мы гарантируем, что подшипники и комплектующие прибудут к заказчику в полной сохранности.
Доставка в страны ЕАЭС
Мы работаем с проверенными логистическими партнёрами, что позволяет оперативно доставлять заказы в Беларусь, Казахстан, Армению и другие страны ЕАЭС.
Варианты оплаты:
Минимальная сумма заказа и скидки:
Документы и гарантии:
Да, конечно! Наши технические специалисты готовы помочь вам с подбором точного аналога или замены подшипника. Просто позвоните нам по телефону +7 (495) 104-99-04 или напишите на почту zakaz@podsnab.ru.
Для оперативной консультации подготовьте, пожалуйста, имеющиеся данные: маркировку, размеры, тип оборудования или артикул старого подшипника.
Да, конечно! Мы высоко ценим долгосрочное сотрудничество и доверие клиентов по всей России. Для постоянных клиентов действует персональная система скидок.
Условия формируются индивидуально и зависят от:
Чтобы узнать свои условия и получить максимально выгодное предложение, свяжитесь с персональным менеджером или напишите нам на почту zakaz@podsnab.ru.
Вы можете оформить заказ несколькими способами:
Для оформления заказа от юридического лица свяжитесь с нашим отделом по работе с корпоративными клиентами по телефону +7 (495) 104-99-04 или напишите на email zakaz@podsnab.ru, прикрепив реквизиты вашей организации.
Мы оперативно подготовим коммерческое предложение и выставим счет.
Возврат товара надлежащего качества возможен в течение 10 дней с момента получения, если товар не был в употреблении, сохранен товарный вид, упаковка не вскрывалась и присутствуют все сопроводительные документы.
Возврат денежных средств осуществляется в течение 10 рабочих дней после проверки товара складом.
В соответствии с законодательством возврату не подлежат подшипники надлежащего качества, если отсутствует оригинальная упаковка или имеются следы монтажа.
В случае выявления брака или гарантийного случая мы гарантируем возврат или обмен товара.
Да, гарантийный срок хранения устанавливается заводом-изготовителем и в среднем составляет 2 года при соблюдении условий хранения: сухое помещение, оригинальная упаковка и смазка.
Точный срок для конкретного типа подшипника уточняйте у наших менеджеров.
Пн–Пт: с 8:00 до 17:00 (МСК).
Сб–Вс: выходные дни.
Заказы на сайте принимаются круглосуточно. Заявки, поступившие после окончания рабочего дня, обрабатываются на следующий рабочий день.
Минимальная сумма заказа для доставки составляет 3000 рублей. Самовывоз со склада возможен на любую сумму при наличии товара.
ООО «УралТехГрупп»
ИНН: 7415093830
КПП: 772401001
ОГРН: 1167456069021
Банк: ПАО Сбербанк
Р/с: 40702810838000475273
К/с: 30101810400000000225
БИК: 044525225
У подшипника GIKL14PW пока нет отзывов. Вы можете стать первым покупателем, поделившимся своим мнением.