Поиск подшипника
Статьи
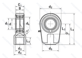
GIHR30DO — Сферический шарнирный подшипник, модификация основного исполнения GIHR30, выпускается производителями: CCVI, INA, PAVARINI.
Размер наконечника: 30x64x22 мм.
Прессованный стальной сепаратор. вращающийся элемент по центру. незакаленный.
Альтернативное обозначение: SIRD30ES.
Аналоги: GIHR30DO Pavarini,TAPR430N LSK Bearings.
Международная стандартизации ISO
GIHR30DO
В наличии
| Обозначение | Конструктивные изменения |
|---|---|
| GIHR30 | Сферический шарнирный подшипник. Основное конструктивное исполнение. |
Модификации шарнирного наконечника GIHR30DO — это измененное основное конструктивное исполнение GIHR30, основные размеры (30x64x22) не отличаются.
| Обозначение | Гост | Конструктивные особенности |
|---|---|---|
| GIHRK30-DO-B | ISO | Сферический шарнирный подшипник. |
| SIR30ES | ISO | Внешние размеры корпусов могут отличаться для одного и того же номера изделия. (Сегментный контактный материала код S/S)=Сталь-на-стали. Кольцевые канавки и смазочные отверстия во внутреннем и наружном кольцах. |
| GIHR-K30HO-2RS | ISO | Манжетное уплотнение с двух сторон. Стальная cкользящая контактная поверхность. Цилиндрическое расширение на внутреннем кольце. |
| SN30N | ISO | Канавка под стопорное кольцо на внешнем кольце. |
| SN30U | ISO | Универсальный одиночный подшипник. |
| FPR30N | ISO | Штоковые наконечники с короткой резьбой, особенно подходящие для гидравлических цилиндров, сферические подшипники скольжения, перемонтируемые, фиксируемые стопорными кольцами.. |
| SIRD30ES | ISO | Внешние размеры корпусов могут отличаться для одного и того же номера изделия. (Сегментный контактный материала код S/S)=Сталь-на-стали. Кольцевые канавки и смазочные отверстия во внутреннем и наружном кольцах. |
Аналог шарнирного наконечника GIHR30DO — это наконечник такого же размера dx30,Dx64,Bx22, типа и конструкции.
| Обозначение | Конструктивные особенности | Внутренний (d) | Наружный (D) | Ширина (B) |
|---|---|---|---|---|
| 6-7106-А | Роликовый радиальный-упорный однорядный подшипник. Повышенная грузоподъемность. | 30.00 | 64.00 | 21.00 |
| 6-7106-Р | Роликовый радиальный-упорный однорядный подшипник. Детали из теплоустойчивой (быстрорежущие) стали.. | 30.00 | 64.00 | 21.00 |
| EC0-CR-06B39STPX#08 | Роликовый радиальный-упорный однорядный подшипник. (TB-Segment) Phenolic (Composition) Fafnir Standard. | 30.16 | 64.30 | 21.90 |
| M86649/M86611-B | Роликовый радиальный-упорный однорядный подшипник. Конический роликовый подшипник. Угол контакта 20 градусов. | 30.16 | 64.29 | 21.43 |
| M86649P/M86610P | Роликовый радиальный-упорный однорядный подшипник. Сеаратор из литого полиамида 6.6. армированного стекловолокном. | 30.16 | 64.29 | 21.43 |
| F-236120.3.SKL-AM | Шариковый радиально-упорный двухрядный подшипник. Размерные и геометрические допуски соответствуют классу точности P6. | 30.16 | 64.29 | 23.00 |
| 6-7406-А | Роликовый радиальный-упорный однорядный подшипник. Повышенная грузоподъемность. | 30.17 | 64.32 | 21.25 |
| 7106P | Роликовый радиальный-упорный однорядный подшипник. Сеаратор из литого полиамида 6.6. армированного стекловолокном. | 30.16 | 64.29 | 21.43 |
| 7406-А | Роликовый радиальный-упорный однорядный подшипник. Повышенная грузоподъемность. | 30.00 | 64.00 | 21.00 |
| M86648A/10 | Роликовый радиальный-упорный однорядный подшипник. Двухрядный радиально-упорный шарикоподшипник без отверстия для смазки. Distance Between Beginning Of The Rail And First Hole In MM. | 30.95 | 64.29 | 21.43 |
| HC STA3064LFT | Роликовый радиальный-упорный однорядный подшипник. Угол контакта 20 градусов. | 30.16 | 64.29 | 21.43 |
| M86649R/M86610 | Роликовый радиальный-упорный однорядный подшипник. Шарикоподшипник максимальной грузоподъемности. С выпуклыми асимметричными роликами и обработанным сепаратором. | 30.16 | 64.29 | 21.43 |
| 51306 V/HR11T1 | Шариковый упорный подшипник. Подшипник без сепаратора. С полным комплектом тел качения. | 30.00 | 65.00 | 21.00 |
| 51306 V/HR11Q1 | Шариковый упорный подшипник. Подшипник без сепаратора. С полным комплектом тел качения. | 30.00 | 65.00 | 21.00 |
| 51306 V/HR22T2 | Шариковый упорный подшипник. Подшипник без сепаратора. С полным комплектом тел качения. | 30.00 | 65.00 | 21.00 |
Способы доставки
Отправка через ведущие транспортные и курьерские компании: ПЭК, Деловые Линии, СДЭК, Байкал-Сервис, Энергия, КИТ, ЖелДорЭкспедиция.
Самовывоз возможен напрямую со склада в Москве.
Сроки доставки
Срок зависит от региона и выбранной транспортной компании. Все заказы комплектуются и отправляются в кратчайшие сроки со склада в Москве.
Надёжность и сохранность
Вся продукция упаковывается с учётом требований транспортировки. Мы гарантируем, что подшипники и комплектующие прибудут к заказчику в полной сохранности.
Доставка в страны ЕАЭС
Мы работаем с проверенными логистическими партнёрами, что позволяет оперативно доставлять заказы в Беларусь, Казахстан, Армению и другие страны ЕАЭС.
Варианты оплаты:
Минимальная сумма заказа и скидки:
Документы и гарантии:
Да, конечно! Наши технические специалисты готовы помочь вам с подбором точного аналога или замены подшипника. Просто позвоните нам по телефону +7 (495) 104-99-04 или напишите на почту zakaz@podsnab.ru.
Для оперативной консультации подготовьте, пожалуйста, имеющиеся данные: маркировку, размеры, тип оборудования или артикул старого подшипника.
Да, конечно! Мы высоко ценим долгосрочное сотрудничество и доверие клиентов по всей России. Для постоянных клиентов действует персональная система скидок.
Условия формируются индивидуально и зависят от:
Чтобы узнать свои условия и получить максимально выгодное предложение, свяжитесь с персональным менеджером или напишите нам на почту zakaz@podsnab.ru.
Вы можете оформить заказ несколькими способами:
Для оформления заказа от юридического лица свяжитесь с нашим отделом по работе с корпоративными клиентами по телефону +7 (495) 104-99-04 или напишите на email zakaz@podsnab.ru, прикрепив реквизиты вашей организации.
Мы оперативно подготовим коммерческое предложение и выставим счет.
Возврат товара надлежащего качества возможен в течение 10 дней с момента получения, если товар не был в употреблении, сохранен товарный вид, упаковка не вскрывалась и присутствуют все сопроводительные документы.
Возврат денежных средств осуществляется в течение 10 рабочих дней после проверки товара складом.
В соответствии с законодательством возврату не подлежат подшипники надлежащего качества, если отсутствует оригинальная упаковка или имеются следы монтажа.
В случае выявления брака или гарантийного случая мы гарантируем возврат или обмен товара.
Да, гарантийный срок хранения устанавливается заводом-изготовителем и в среднем составляет 2 года при соблюдении условий хранения: сухое помещение, оригинальная упаковка и смазка.
Точный срок для конкретного типа подшипника уточняйте у наших менеджеров.
Пн–Пт: с 8:00 до 17:00 (МСК).
Сб–Вс: выходные дни.
Заказы на сайте принимаются круглосуточно. Заявки, поступившие после окончания рабочего дня, обрабатываются на следующий рабочий день.
Минимальная сумма заказа для доставки составляет 3000 рублей. Самовывоз со склада возможен на любую сумму при наличии товара.
ООО «УралТехГрупп»
ИНН: 7415093830
КПП: 772401001
ОГРН: 1167456069021
Банк: ПАО Сбербанк
Р/с: 40702810838000475273
К/с: 30101810400000000225
БИК: 044525225
У подшипника GIHR30DO пока нет отзывов. Вы можете стать первым покупателем, поделившимся своим мнением.