Поиск подшипника
Статьи
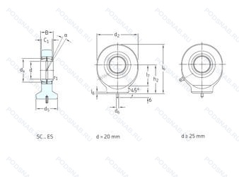
SC35ES — Сферический шарнирный подшипник, модификация основного исполнения SC35, выпускается производителями: NEUTRAL, SKF.
Размер наконечника: 35x82x25 мм.
Тип: Широкое внутреннее кольцо, нормальная нагрузка, стопорный винт, разъемное наружное кольцо со смазочными отверстиями.
Альтернативное обозначение: GK35DO, GK35ES, SC35DO.
Аналоги: GK35-DO INA,GK35-DO Elges,TAC235 ISB.
Международная стандартизации ISO
SC35ES
В наличии
| Обозначение | Конструктивные изменения |
|---|---|
| SC35UU | Уплотнение на обоих концах. |
| SC35DE2.3/16 | Размерные и геометрические допуски соответствуют классу точности P6. 01. |
| SC35 | Сферический шарнирный подшипник. Основное конструктивное исполнение. |
Модификации шарнирного наконечника SC35ES — это измененное основное конструктивное исполнение SC35, основные размеры (35x82x25) не отличаются.
| Обозначение | Гост | Конструктивные особенности |
|---|---|---|
| GAL35UK.2RS | ISO | Уплотнения с обеих сторон.. Сталь/фторопластовая ткань.. |
| GK35-DO-2RS | ISO | Резиновые уплотнения с каждой стороны подшипника. Прессованный стальной сепаратор. Вращающийся элемент по центру. Незакаленный. |
| SA35ET 2RS | ISO | Измененная или модифицированная внутренняя конструкция при неизменных основных размерах. Резиновые уплотнения с каждой стороны подшипника. Сквозная закалка и шлифовка стали с переломом в одной точке. |
| GIL35DO-2RS | ISO | Уплотнения с обеих сторон.. Сталь/Сталь и внутреннее и внешнее кольцо закалены.. |
| GK35DO | ISO | Сталь/Сталь и внутреннее и внешнее кольцо закалены.. |
| GIL35UK-2RS | ISO | Манжетное уплотнение с двух сторон. Сталь/политетрафторэтилен (ПТФЭ). |
| SIL35ES-2RS | ISO | Резиновые уплотнения с каждой стороны подшипника. Разъемное наружное кольцо со смазочными отверстиями. |
| TAC235 | ISO | Сферический шарнирный подшипник. |
| TS35C | ISO | Поверхность контакта скольжения сталь / сталь. |
| SD35ES | ISO | Сталь. Масляные отверстия и канавки. |
| FS35C | ISO | Шарнирные головки серии E по DIN ISO 12240-4, тип S с круглой поверхностью для приварки. Сферические подшипники скольжения, пересмазываемые, фиксируемые посредством конопатки с обеих сторон.. |
| GIL35UK-2RSA | ISO | Особенность внутренней конструкции. Манжетное уплотнение с двух сторон. Контактная поверхность скольжения хром/PTFE композит. |
| SIL35TE-2RS | ISO | Double-Lip Rubbing Seals Of Metric Bearings Are Made Of Polyester Elastomer (-30°C/+130°C). Inch-Size Bearings Are Made Of Polyurethane (-20°C/+80°C). Внешнее кольцо из углеродной хромированной стали. с изломом. закаленное и шлифованное. со скользящей поверхностью из материала PTFE. Внутреннее кольцо из углеродной хромированной стали закаленное и шлифованное. скользящая поверхность покрыта твердым хромом. |
| GAR35UK-2RSA | ISO | Особенность внутренней конструкции. Манжетное уплотнение с двух сторон. Контактная поверхность скольжения хром/PTFE композит. |
| SIA35TE-2RS | ISO | Double-Lip Rubbing Seals Of Metric Bearings Are Made Of Polyester Elastomer (-30°C/+130°C). Inch-Size Bearings Are Made Of Polyurethane (-20°C/+80°C). Внешнее кольцо из углеродной хромированной стали. с изломом. закаленное и шлифованное. со скользящей поверхностью из материала PTFE. Внутреннее кольцо из углеродной хромированной стали закаленное и шлифованное. скользящая поверхность покрыта твердым хромом. |
| SAA35TE-2RS | ISO | Double-Lip Rubbing Seals Of Metric Bearings Are Made Of Polyester Elastomer (-30°C/+130°C). Inch-Size Bearings Are Made Of Polyurethane (-20°C/+80°C). Внешнее кольцо из углеродной хромированной стали. с изломом. закаленное и шлифованное. со скользящей поверхностью из материала PTFE. Внутреннее кольцо из углеродной хромированной стали закаленное и шлифованное. скользящая поверхность покрыта твердым хромом. |
| SALA35TE-2RS | ISO | Double-Lip Rubbing Seals Of Metric Bearings Are Made Of Polyester Elastomer (-30°C/+130°C). Inch-Size Bearings Are Made Of Polyurethane (-20°C/+80°C). Внешнее кольцо из углеродной хромированной стали. с изломом. закаленное и шлифованное. со скользящей поверхностью из материала PTFE. Внутреннее кольцо из углеродной хромированной стали закаленное и шлифованное. скользящая поверхность покрыта твердым хромом. |
Аналог шарнирного наконечника SC35ES — это наконечник такого же размера dx35,Dx82,Bx25, типа и конструкции.
Способы доставки
Отправка через ведущие транспортные и курьерские компании: ПЭК, Деловые Линии, СДЭК, Байкал-Сервис, Энергия, КИТ, ЖелДорЭкспедиция.
Самовывоз возможен напрямую со склада в Москве.
Сроки доставки
Срок зависит от региона и выбранной транспортной компании. Все заказы комплектуются и отправляются в кратчайшие сроки со склада в Москве.
Надёжность и сохранность
Вся продукция упаковывается с учётом требований транспортировки. Мы гарантируем, что подшипники и комплектующие прибудут к заказчику в полной сохранности.
Доставка в страны ЕАЭС
Мы работаем с проверенными логистическими партнёрами, что позволяет оперативно доставлять заказы в Беларусь, Казахстан, Армению и другие страны ЕАЭС.
Варианты оплаты:
Минимальная сумма заказа и скидки:
Документы и гарантии:
Да, конечно! Наши технические специалисты готовы помочь вам с подбором точного аналога или замены подшипника. Просто позвоните нам по телефону +7 (495) 104-99-04 или напишите на почту zakaz@podsnab.ru.
Для оперативной консультации подготовьте, пожалуйста, имеющиеся данные: маркировку, размеры, тип оборудования или артикул старого подшипника.
Да, конечно! Мы высоко ценим долгосрочное сотрудничество и доверие клиентов по всей России. Для постоянных клиентов действует персональная система скидок.
Условия формируются индивидуально и зависят от:
Чтобы узнать свои условия и получить максимально выгодное предложение, свяжитесь с персональным менеджером или напишите нам на почту zakaz@podsnab.ru.
Вы можете оформить заказ несколькими способами:
Для оформления заказа от юридического лица свяжитесь с нашим отделом по работе с корпоративными клиентами по телефону +7 (495) 104-99-04 или напишите на email zakaz@podsnab.ru, прикрепив реквизиты вашей организации.
Мы оперативно подготовим коммерческое предложение и выставим счет.
Возврат товара надлежащего качества возможен в течение 10 дней с момента получения, если товар не был в употреблении, сохранен товарный вид, упаковка не вскрывалась и присутствуют все сопроводительные документы.
Возврат денежных средств осуществляется в течение 10 рабочих дней после проверки товара складом.
В соответствии с законодательством возврату не подлежат подшипники надлежащего качества, если отсутствует оригинальная упаковка или имеются следы монтажа.
В случае выявления брака или гарантийного случая мы гарантируем возврат или обмен товара.
Да, гарантийный срок хранения устанавливается заводом-изготовителем и в среднем составляет 2 года при соблюдении условий хранения: сухое помещение, оригинальная упаковка и смазка.
Точный срок для конкретного типа подшипника уточняйте у наших менеджеров.
Пн–Пт: с 8:00 до 17:00 (МСК).
Сб–Вс: выходные дни.
Заказы на сайте принимаются круглосуточно. Заявки, поступившие после окончания рабочего дня, обрабатываются на следующий рабочий день.
Минимальная сумма заказа для доставки составляет 3000 рублей. Самовывоз со склада возможен на любую сумму при наличии товара.
ООО «УралТехГрупп»
ИНН: 7415093830
КПП: 772401001
ОГРН: 1167456069021
Банк: ПАО Сбербанк
Р/с: 40702810838000475273
К/с: 30101810400000000225
БИК: 044525225
У подшипника SC35ES пока нет отзывов. Вы можете стать первым покупателем, поделившимся своим мнением.