Поиск подшипника
Статьи
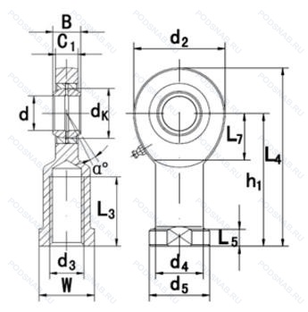
GIR40DO — Сферический шарнирный подшипник, модификация основного исполнения GIR40, выпускается производителями: ELGES, INA.
Размер наконечника: 40x94x28 мм.
Сталь/сталь и внутреннее и внешнее кольцо закалены.
Альтернативное обозначение: GIR40ES, SIA40ES.
Международная стандартизации ISO
GIR40DO
В наличии
| Обозначение | Конструктивные изменения |
|---|---|
| GIR40UK-2RSA | Сталь/фторопластовая ткань.. |
Модификации шарнирного наконечника GIR40DO — это измененное основное конструктивное исполнение GIR40, основные размеры (40x94x28) не отличаются.
| Обозначение | Гост | Конструктивные особенности |
|---|---|---|
| SC40ES | ISO | Внешние размеры корпусов могут отличаться для одного и того же номера изделия. (Сегментный контактный материала код S/S)=Сталь-на-стали. Кольцевые канавки и смазочные отверстия во внутреннем и наружном кольцах. |
| SIR40ES | ISO | Внешние размеры корпусов могут отличаться для одного и того же номера изделия. (Сегментный контактный материала код S/S)=Сталь-на-стали. Кольцевые канавки и смазочные отверстия во внутреннем и наружном кольцах. |
| SIRD40ES | ISO | Разъемное наружное кольцо со смазочными отверстиями. |
| GIL40DO-2RS | ISO | Уплотнения с обеих сторон.. Сталь/Сталь и внутреннее и внешнее кольцо закалены.. |
| SAL40ES-2RS | ISO | Резиновые уплотнения с каждой стороны подшипника. Разъемное наружное кольцо со смазочными отверстиями. |
| GAL40ES-2RS | ISO | Резиновые уплотнения с каждой стороны подшипника. Разъемное наружное кольцо со смазочными отверстиями. |
| SI-40TXE-2LS | ISO | Контактное уплотнение с обеих сторон подшипника. Закаленная и шлифованная сталь. Скользящая поверхность покрыта твердым хромом и отполирована. |
| SALA40ES-2RS | ISO | Double-Lip Rubbing Seals Of Metric Bearings Are Made Of Polyester Elastomer (-30°C/+130°C). Inch-Size Bearings Are Made Of Polyurethane (-20°C/+80°C). Сталь. Кольцевые канавки и смазочные отверстия как во внутреннем. так и во внешнем кольцах. |
| SILA40ES-2RS | ISO | Double-Lip Rubbing Seals Of Metric Bearings Are Made Of Polyester Elastomer (-30°C/+130°C). Inch-Size Bearings Are Made Of Polyurethane (-20°C/+80°C). Сталь. Кольцевые канавки и смазочные отверстия как во внутреннем. так и во внешнем кольцах. |
| GIHR-K40DO-2RS | ISO | Манжетное уплотнение с двух сторон. Стальная контактная поверхность скольжения. Внутреннее и наружное кольца закалены. |
| GIHR40DO-2RS | ISO | Манжетное уплотнение с двух сторон. Стальная контактная поверхность скольжения. Внутреннее и наружное кольца закалены. |
| GK40DO-2RS | ISO | Манжетное уплотнение с двух сторон. Стальная контактная поверхность скольжения. Внутреннее и наружное кольца закалены. |
| GIHR-K40ES | ISO | Steel/Steel. Inner And Outer Ring Hardened. |
| TAPR40U | ISO | Поверхность контакта скольжения сталь / сталь. |
| TS40C | ISO | Поверхность контакта скольжения сталь / сталь. |
| SN40A | ISO | Двухрядный радиально-упорный шарикоподшипник без отверстия для смазки. |
| DGIHR40DO | ISO | Сталь. Внутреннее и внешнее кольцо закалены. |
| PR40U | ISO | Универсальный одиночный подшипник. |
| GIHR-K40DOB | ISO | Особенность внутренней конструкции. Поверхность контакта скольжения сталь / сталь. |
| GIHL-K40DO | ISO | Поверхность контакта скольжения сталь / сталь. |
| SIA40ES | ISO | Разъемное наружное кольцо со смазочными отверстиями. |
Аналог шарнирного наконечника GIR40DO — это наконечник такого же размера dx40,Dx94,Bx28, типа и конструкции.
| Обозначение | Конструктивные особенности | Внутренний (d) | Наружный (D) | Ширина (B) |
|---|---|---|---|---|
| Z-518712.TR1 | Однорядный конический роликовый подшипник. Однорядный конический роликоподшипник. | 40.00 | 95.00 | 27.25 |
| 331257 | Однорядный конический роликовый подшипник. | 40.00 | 95.00 | 27.50 |
| 460708-АК2У2 | Шариковый радиальный однорядный подшипник. Повышенная грузоподъемность. Дополнительные технические требования. | 40.00 | 95.00 | 28.00 |
| 460708-АК2У3 | Шариковый радиальный однорядный подшипник. Повышенная грузоподъемность. Дополнительные технические требования. | 40.00 | 94.00 | 28.00 |
Способы доставки
Отправка через ведущие транспортные и курьерские компании: ПЭК, Деловые Линии, СДЭК, Байкал-Сервис, Энергия, КИТ, ЖелДорЭкспедиция.
Самовывоз возможен напрямую со склада в Москве.
Сроки доставки
Срок зависит от региона и выбранной транспортной компании. Все заказы комплектуются и отправляются в кратчайшие сроки со склада в Москве.
Надёжность и сохранность
Вся продукция упаковывается с учётом требований транспортировки. Мы гарантируем, что подшипники и комплектующие прибудут к заказчику в полной сохранности.
Доставка в страны ЕАЭС
Мы работаем с проверенными логистическими партнёрами, что позволяет оперативно доставлять заказы в Беларусь, Казахстан, Армению и другие страны ЕАЭС.
Варианты оплаты:
Минимальная сумма заказа и скидки:
Документы и гарантии:
Да, конечно! Наши технические специалисты готовы помочь вам с подбором точного аналога или замены подшипника. Просто позвоните нам по телефону +7 (495) 104-99-04 или напишите на почту zakaz@podsnab.ru.
Для оперативной консультации подготовьте, пожалуйста, имеющиеся данные: маркировку, размеры, тип оборудования или артикул старого подшипника.
Да, конечно! Мы высоко ценим долгосрочное сотрудничество и доверие клиентов по всей России. Для постоянных клиентов действует персональная система скидок.
Условия формируются индивидуально и зависят от:
Чтобы узнать свои условия и получить максимально выгодное предложение, свяжитесь с персональным менеджером или напишите нам на почту zakaz@podsnab.ru.
Вы можете оформить заказ несколькими способами:
Для оформления заказа от юридического лица свяжитесь с нашим отделом по работе с корпоративными клиентами по телефону +7 (495) 104-99-04 или напишите на email zakaz@podsnab.ru, прикрепив реквизиты вашей организации.
Мы оперативно подготовим коммерческое предложение и выставим счет.
Возврат товара надлежащего качества возможен в течение 10 дней с момента получения, если товар не был в употреблении, сохранен товарный вид, упаковка не вскрывалась и присутствуют все сопроводительные документы.
Возврат денежных средств осуществляется в течение 10 рабочих дней после проверки товара складом.
В соответствии с законодательством возврату не подлежат подшипники надлежащего качества, если отсутствует оригинальная упаковка или имеются следы монтажа.
В случае выявления брака или гарантийного случая мы гарантируем возврат или обмен товара.
Да, гарантийный срок хранения устанавливается заводом-изготовителем и в среднем составляет 2 года при соблюдении условий хранения: сухое помещение, оригинальная упаковка и смазка.
Точный срок для конкретного типа подшипника уточняйте у наших менеджеров.
Пн–Пт: с 8:00 до 17:00 (МСК).
Сб–Вс: выходные дни.
Заказы на сайте принимаются круглосуточно. Заявки, поступившие после окончания рабочего дня, обрабатываются на следующий рабочий день.
Минимальная сумма заказа для доставки составляет 3000 рублей. Самовывоз со склада возможен на любую сумму при наличии товара.
ООО «УралТехГрупп»
ИНН: 7415093830
КПП: 772401001
ОГРН: 1167456069021
Банк: ПАО Сбербанк
Р/с: 40702810838000475273
К/с: 30101810400000000225
БИК: 044525225
У подшипника GIR40DO пока нет отзывов. Вы можете стать первым покупателем, поделившимся своим мнением.