Поиск подшипника
Статьи
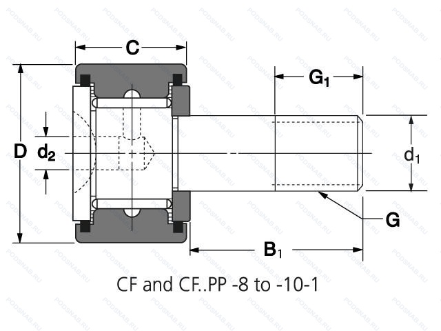
CF 8 PP — Сферический шарнирный подшипник, основное исполнение, производство NIS.
Размер наконечника: 4x12x8 мм.
Международная стандартизации ISO
CF8PP
В наличии
| Обозначение | Гост | Конструктивные особенности |
|---|---|---|
| GIKFL5PB | ISO | Поверхность скользящего контакта сталь/бронза, соответствует ISO 12 240-1, размер серии K, для валов от 5 мм до 30 мм.. |
| GIKL5PB | ISO | Поверхность скользящего контакта сталь/бронза, соответствует ISO 12 240-1, размер серии K, для валов от 5 мм до 30 мм.. |
| GIKR5PW | ISO | Контактная поверхность скольжения Сталь/PTFE. |
| GIKFR5PB | ISO | Поверхность скользящего контакта сталь/бронза, соответствует ISO 12 240-1, размер серии K, для валов от 5 мм до 30 мм.. |
| GIPFR5PW | ISO | Скользящая контактная поверхность сталь/PTFE (политетрафторэтилен) Бронзовая пленка.. |
| GAKFL5PW | ISO | Скользящая контактная поверхность сталь/PTFE (политетрафторэтилен) Бронзовая пленка.. |
| GIKL5PW | ISO | Контактная поверхность скольжения Сталь/PTFE. |
| GAKFR5PW | ISO | Скользящая контактная поверхность сталь/PTFE (политетрафторэтилен) Бронзовая пленка.. |
| GAKFL5PB | ISO | Поверхность скользящего контакта сталь/бронза, соответствует ISO 12 240-1, размер серии K, для валов от 5 мм до 30 мм.. |
| GIKFL5PW | ISO | Скользящая контактная поверхность сталь/PTFE (политетрафторэтилен) Бронзовая пленка.. |
| GAKL5PW | ISO | Контактная поверхность скольжения Сталь/PTFE. |
| GIKFR5PW | ISO | Скользящая контактная поверхность сталь/PTFE (политетрафторэтилен) Бронзовая пленка.. |
| GAKFR5PB | ISO | Сегментный контактный материал. Код S/B = скользящая контактная поверхность из стали/бронзы. |
| GAKR5PB | ISO | Скользящая контактная поверхность сталь/бронза. Соответствует ISO 12 240-1. Размерная серия K. Для валов от 5 мм до 30 мм. |
| GIKR5PB | ISO | Сегментный контактный материал. Код S/B = скользящая контактная поверхность из стали/бронзы. |
Аналог шарнирного наконечника CF 8 PP — это наконечник такого же размера dx4,Dx12,Bx8, типа и конструкции.
| Обозначение | Конструктивные особенности | Внутренний (d) | Наружный (D) | Ширина (B) |
|---|---|---|---|---|
| CR8-1VUU | Кулачковый ролик толкатель. Полный тип дополнения. Манжетные уплотнения с обеих сторон (тип P - две шайбы из оцинкованной листовой стали с промежуточной частью NBR). Диапазон температур -30℃/+100℃. | 4.83 | 12.70 | 8.73 |
| CR8-1UUR | Кулачковый ролик толкатель. Манжетные уплотнения с обеих сторон (тип P - две шайбы из оцинкованной листовой стали с промежуточной частью NBR). Диапазон температур -30℃/+100℃. | 4.83 | 12.70 | 8.73 |
| CF4BUUR | Кулачковый ролик толкатель. С шестигранным отверстием. Манжетные уплотнения с обеих сторон (тип P - две шайбы из оцинкованной листовой стали с промежуточной частью NBR). Диапазон температур -30℃/+100℃. | 4.00 | 12.00 | 9.00 |
| CF4FBR | Кулачковый ролик толкатель. С шестигранным отверстием. Нержавеющая сталь. Коронка на наружном кольце. | 4.00 | 12.00 | 9.00 |
| G5D | Сферический подшипник скольжения. Сталь/PTFE. | 5.00 | 13.00 | 8.00 |
| CF4UU | Кулачковый ролик толкатель. Манжетные уплотнения с обеих сторон (тип P - две шайбы из оцинкованной листовой стали с промежуточной частью NBR). Диапазон температур -30℃/+100℃. | 4.00 | 12.00 | 8.00 |
| CF5BUU | Кулачковый ролик толкатель. С боковыми и нижними уплотнениями. (Стандарт). | 5.00 | 13.00 | 9.00 |
| 04-470063 ЮТ | Шариковый радиальный подшипник. Температура отпуска. 160°. Все детали или часть деталей из нержавеющей стали.. | 3.00 | 12.50 | 7.00 |
| 4-851074-Е | Шариковый радиальный двухрядный подшипник. Сепаратор из текстолита.. | 4.00 | 12.00 | 8.00 |
| 851063-Ю | Шариковый радиальный двухрядный подшипник. Все детали или часть деталей из нержавеющей стали.. | 3.00 | 12.00 | 8.00 |
| SC414ZZ | Шариковый радиальный однорядный подшипник. Защитные металлические шайбы с обеих сторон. | 4.00 | 12.70 | 7.00 |
| 24-3080024-ЮС2 | Шариковый радиальный однорядный подшипник. Все детали или часть деталей из нержавеющей стали.. Смазка ЦИАТИМ-221. | 4.00 | 13.00 | 7.00 |
| GEBJ5C | Шарнирный подшипник. 15° Угол контакта. | 5.00 | 13.00 | 8.00 |
| GEBJ5S | Шарнирный подшипник. Запечатанная версия кулачкового ролика. | 5.00 | 13.00 | 8.00 |
| 5-406063 К1П | Шариковый радиально-упорный однорядный подшипник. «Замок» (скос) на внутреннем кольце плюс массивный сепаратор из текстолита. | 3.00 | 12.00 | 7.90 |
Способы доставки
Отправка через ведущие транспортные и курьерские компании: ПЭК, Деловые Линии, СДЭК, Байкал-Сервис, Энергия, КИТ, ЖелДорЭкспедиция.
Самовывоз возможен напрямую со склада в Москве.
Сроки доставки
Срок зависит от региона и выбранной транспортной компании. Все заказы комплектуются и отправляются в кратчайшие сроки со склада в Москве.
Надёжность и сохранность
Вся продукция упаковывается с учётом требований транспортировки. Мы гарантируем, что подшипники и комплектующие прибудут к заказчику в полной сохранности.
Доставка в страны ЕАЭС
Мы работаем с проверенными логистическими партнёрами, что позволяет оперативно доставлять заказы в Беларусь, Казахстан, Армению и другие страны ЕАЭС.
Варианты оплаты:
Минимальная сумма заказа и скидки:
Документы и гарантии:
Да, конечно! Наши технические специалисты готовы помочь вам с подбором точного аналога или замены подшипника. Просто позвоните нам по телефону +7 (495) 104-99-04 или напишите на почту zakaz@podsnab.ru.
Для оперативной консультации подготовьте, пожалуйста, имеющиеся данные: маркировку, размеры, тип оборудования или артикул старого подшипника.
Да, конечно! Мы высоко ценим долгосрочное сотрудничество и доверие клиентов по всей России. Для постоянных клиентов действует персональная система скидок.
Условия формируются индивидуально и зависят от:
Чтобы узнать свои условия и получить максимально выгодное предложение, свяжитесь с персональным менеджером или напишите нам на почту zakaz@podsnab.ru.
Вы можете оформить заказ несколькими способами:
Для оформления заказа от юридического лица свяжитесь с нашим отделом по работе с корпоративными клиентами по телефону +7 (495) 104-99-04 или напишите на email zakaz@podsnab.ru, прикрепив реквизиты вашей организации.
Мы оперативно подготовим коммерческое предложение и выставим счет.
Возврат товара надлежащего качества возможен в течение 10 дней с момента получения, если товар не был в употреблении, сохранен товарный вид, упаковка не вскрывалась и присутствуют все сопроводительные документы.
Возврат денежных средств осуществляется в течение 10 рабочих дней после проверки товара складом.
В соответствии с законодательством возврату не подлежат подшипники надлежащего качества, если отсутствует оригинальная упаковка или имеются следы монтажа.
В случае выявления брака или гарантийного случая мы гарантируем возврат или обмен товара.
Да, гарантийный срок хранения устанавливается заводом-изготовителем и в среднем составляет 2 года при соблюдении условий хранения: сухое помещение, оригинальная упаковка и смазка.
Точный срок для конкретного типа подшипника уточняйте у наших менеджеров.
Пн–Пт: с 8:00 до 17:00 (МСК).
Сб–Вс: выходные дни.
Заказы на сайте принимаются круглосуточно. Заявки, поступившие после окончания рабочего дня, обрабатываются на следующий рабочий день.
Минимальная сумма заказа для доставки составляет 3000 рублей. Самовывоз со склада возможен на любую сумму при наличии товара.
ООО «УралТехГрупп»
ИНН: 7415093830
КПП: 772401001
ОГРН: 1167456069021
Банк: ПАО Сбербанк
Р/с: 40702810838000475273
К/с: 30101810400000000225
БИК: 044525225
У подшипника CF 8 PP пока нет отзывов. Вы можете стать первым покупателем, поделившимся своим мнением.