Поиск подшипника
Статьи
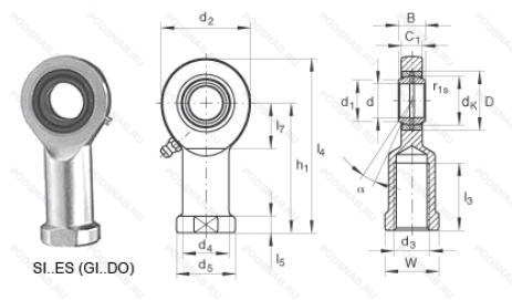
GIL12DO — Сферический шарнирный подшипник, модификация основного исполнения GIL12, выпускается производителями: CCVI, ELGES, INA, NEUTRAL.
Размер наконечника: 12x34x10 мм.
Сталь/сталь и внутреннее и внешнее кольцо закалены.
Альтернативное обозначение: GIL12ES, SIL12E, SIL12ES, SILA12ES.
Аналоги: GIL12DO Elges,GIL12-DO Elges,GIL12DO NKE,GIL12 Fluro,GIL12ES LSK Bearings.
Международная стандартизации ISO
GIL12DO
В наличии
| Обозначение | Конструктивные изменения |
|---|---|
| GIL12-UK | Контактная поверхность скольжения хром/PTFE композит. |
| GIL12 | Сферический шарнирный подшипник. Основное конструктивное исполнение. |
Модификации шарнирного наконечника GIL12DO — это измененное основное конструктивное исполнение GIL12, основные размеры (12x34x10) не отличаются.
| Обозначение | Гост | Конструктивные особенности |
|---|---|---|
| GAL12DO | ISO | Сталь/Сталь и внутреннее и внешнее кольцо закалены.. |
| SC12ES | ISO | Скользящая контактная поверхность сталь/сталь, разъемное наружное кольцо с отверстиями для смазки.. |
| SIL12E | ISO | Повышенная грузоподъемность. |
| SIL12C | ISO | концы стержня. не требующие обслуживания. Внутренняя резьба. |
| GAL12UK | ISO | Сталь/фторопластовая ткань.. |
| SAL12C | ISO | 15° Угол контакта. |
| GK12UK | ISO | Сталь/политетрафторэтилен (ПТФЭ). |
| SAL12E | ISO | Повышенная грузоподъемность. |
| EAL12D-NIRO | ISO | Контактный материал Сталь/PFTE.. Нержавеющая сталь.. |
| DGAR12UK | ISO | Сталь/политетрафторэтилен (ПТФЭ). |
| EJL12D | ISO | Сталь/PTFE. |
| SAL12C-VA | ISO | Steel/Sinter Bronze Composite. Нержавеющая сталь. |
| TFIL12FKB | ISO | Сталь/политетрафторэтилен (ПТФЭ). |
| FE12D | ISO | Сталь/PTFE. |
| FI12U | ISO | Универсальный одиночный подшипник. |
| TFE12MK | ISO | Поверхность контакта скольжения сталь / сталь. |
| TFE12PW | ISO | Контактная поверхность скольжения Сталь/PTFE. |
| GIR12ES | ISO | Сталь. Масляные отверстия и канавки. |
| EAL12D | ISO | Сталь/PTFE. |
| GIR12C | ISO | 15° Угол контакта. |
Аналог шарнирного наконечника GIL12DO — это наконечник такого же размера dx12,Dx34,Bx10, типа и конструкции.
| Обозначение | Конструктивные особенности | Внутренний (d) | Наружный (D) | Ширина (B) |
|---|---|---|---|---|
| 6202-1/2 2RS C3 | Подшипник однорядный шариковый радиальный. Внутренний зазор больше нормального. Резиновые уплотнения с каждой стороны подшипника. ISO Tolerance Class ABEC.9. Number Of Carriages Per Rail Track. | 12.70 | 35.00 | 11.00 |
| A4050/A4138B | однорядный конический роликовый подшипник. Фланец на передней поверхности наружного кольца. | 12.70 | 34.99 | 10.99 |
| LR201RRU | Опорный ролик. Crowned Outside Surface (No 'X' in Base Number). Защищен от коррозии специальным покрытием Corrotect®.. | 12.00 | 35.00 | 10.00 |
| LRJ1/2MB | Однорядный цилиндрический роликовый подшипник. Однокомпонентное внутреннее кольцо с центрированным сепаратором из механически обработанной латуни. | 12.70 | 23.00 | 9.53 |
| LR201-2RSR-X | Опорный ролик. Rubber Seals At Each Side Of The Bearing. Temperature Range -30℃/+120℃. Цилиндрическая рабочая поверхность. | 12.00 | 35.00 | 10.00 |
| LS5-2Z | Подшипник однорядный шариковый радиальный. Защитные металлические шайбы с обеих сторон. | 12.70 | 33.34 | 9.53 |
| LR201-KRRU-AH02 | Опорный ролик. Conrad. Non-Filling Slot Type. Crowned Outside Surface. Sealed On Extended Inner. Внутренний диаметр отличается от базового номера детали. | 12.00 | 35.00 | 10.00 |
| LR201 2RS | Опорный ролик. Резиновые уплотнения с каждой стороны подшипника. | 12.00 | 35.00 | 10.00 |
| LS5.2ZR | Подшипник однорядный шариковый радиальный. Защитные металлические шайбы с обеих сторон. | 12.70 | 33.34 | 9.53 |
| LJ1/2-2RSJCNS | Подшипник однорядный шариковый радиальный. Специальная термическая обработка. Резиновые уплотнения с каждой стороны подшипника. Сепаратор из стали. Нормальный уровень радиального внутреннего зазора (не маркируется). | 12.70 | 33.34 | 9.53 |
| LR201-NPPU-AH20 | Опорный ролик. Шарикоподшипник. С уплотнением и низким коэффициентом трения с обеих сторон. Уплотнение состоит из шайбы из листовой стали с вулканизированной резиной. Crowned Outside Surface (No 'X' in Base Number). | 12.00 | 35.00 | 10.00 |
| RLS4BS | Подшипник однорядный шариковый радиальный. SHORT LENGTH WITHOUT FLANGE. | 12.70 | 33.34 | 9.53 |
| LD201-2RS | Шариковый радиальный подшипник. Резиновые уплотнения с каждой стороны подшипника. | 12.00 | 35.00 | 10.00 |
| AB12305.S1 | Шариковый радиальный однорядный подшипник. Кольца подшипников или шайбы, стабилизированные по размерам для использования при рабочих температурах до +200°C (392°F).. | 12.00 | 34.00 | 10.00 |
| SRLS4-2RS | Шариковый радиальный однорядный подшипник. Резиновые уплотнения с каждой стороны подшипника. | 12.70 | 33.34 | 9.53 |
Способы доставки
Отправка через ведущие транспортные и курьерские компании: ПЭК, Деловые Линии, СДЭК, Байкал-Сервис, Энергия, КИТ, ЖелДорЭкспедиция.
Самовывоз возможен напрямую со склада в Москве.
Сроки доставки
Срок зависит от региона и выбранной транспортной компании. Все заказы комплектуются и отправляются в кратчайшие сроки со склада в Москве.
Надёжность и сохранность
Вся продукция упаковывается с учётом требований транспортировки. Мы гарантируем, что подшипники и комплектующие прибудут к заказчику в полной сохранности.
Доставка в страны ЕАЭС
Мы работаем с проверенными логистическими партнёрами, что позволяет оперативно доставлять заказы в Беларусь, Казахстан, Армению и другие страны ЕАЭС.
Варианты оплаты:
Минимальная сумма заказа и скидки:
Документы и гарантии:
Да, конечно! Наши технические специалисты готовы помочь вам с подбором точного аналога или замены подшипника. Просто позвоните нам по телефону +7 (495) 104-99-04 или напишите на почту zakaz@podsnab.ru.
Для оперативной консультации подготовьте, пожалуйста, имеющиеся данные: маркировку, размеры, тип оборудования или артикул старого подшипника.
Да, конечно! Мы высоко ценим долгосрочное сотрудничество и доверие клиентов по всей России. Для постоянных клиентов действует персональная система скидок.
Условия формируются индивидуально и зависят от:
Чтобы узнать свои условия и получить максимально выгодное предложение, свяжитесь с персональным менеджером или напишите нам на почту zakaz@podsnab.ru.
Вы можете оформить заказ несколькими способами:
Для оформления заказа от юридического лица свяжитесь с нашим отделом по работе с корпоративными клиентами по телефону +7 (495) 104-99-04 или напишите на email zakaz@podsnab.ru, прикрепив реквизиты вашей организации.
Мы оперативно подготовим коммерческое предложение и выставим счет.
Возврат товара надлежащего качества возможен в течение 10 дней с момента получения, если товар не был в употреблении, сохранен товарный вид, упаковка не вскрывалась и присутствуют все сопроводительные документы.
Возврат денежных средств осуществляется в течение 10 рабочих дней после проверки товара складом.
В соответствии с законодательством возврату не подлежат подшипники надлежащего качества, если отсутствует оригинальная упаковка или имеются следы монтажа.
В случае выявления брака или гарантийного случая мы гарантируем возврат или обмен товара.
Да, гарантийный срок хранения устанавливается заводом-изготовителем и в среднем составляет 2 года при соблюдении условий хранения: сухое помещение, оригинальная упаковка и смазка.
Точный срок для конкретного типа подшипника уточняйте у наших менеджеров.
Пн–Пт: с 8:00 до 17:00 (МСК).
Сб–Вс: выходные дни.
Заказы на сайте принимаются круглосуточно. Заявки, поступившие после окончания рабочего дня, обрабатываются на следующий рабочий день.
Минимальная сумма заказа для доставки составляет 3000 рублей. Самовывоз со склада возможен на любую сумму при наличии товара.
ООО «УралТехГрупп»
ИНН: 7415093830
КПП: 772401001
ОГРН: 1167456069021
Банк: ПАО Сбербанк
Р/с: 40702810838000475273
К/с: 30101810400000000225
БИК: 044525225
У подшипника GIL12DO пока нет отзывов. Вы можете стать первым покупателем, поделившимся своим мнением.