Поиск подшипника
Статьи
GAL30DO — Сферический шарнирный подшипник, модификация основного исполнения GAL30, выпускается производителями: ASKUBAL, CCVI, FAG, INA, NEUTRAL.
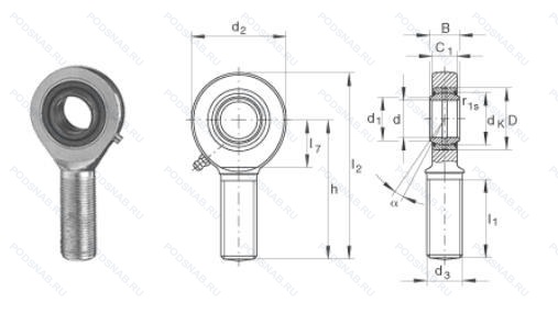
Размер наконечника: 30x75x22 мм.
Прессованный стальной сепаратор. вращающийся элемент по центру. незакаленный.
Альтернативное обозначение: GAL30ES, SAL30ES.
Аналоги: GAL30-DO INA,SAL30ES AKN,SAL30ES LS,SAL30ES ISB.
Международная стандартизации ISO
GAL30DO
В наличии
| Обозначение | Конструктивные изменения |
|---|---|
| GAL30UK | Сталь/фторопластовая ткань.. |
Модификации шарнирного наконечника GAL30DO — это измененное основное конструктивное исполнение GAL30, основные размеры (30x75x22) не отличаются.
| Обозначение | Гост | Конструктивные особенности |
|---|---|---|
| GAL30DO-2RS | ISO | Резиновые уплотнения с каждой стороны подшипника. |
| SC30ES | ISO | Разъемное наружное кольцо со смазочными отверстиями. |
| SAL30ES | ISO | Разъемное наружное кольцо со смазочными отверстиями. |
| SAL30ES-2RS | ISO | Double-Lip Rubbing Seals Of Metric Bearings Are Made Of Polyester Elastomer (-30°C/+130°C). Inch-Size Bearings Are Made Of Polyurethane (-20°C/+80°C). Сталь. Кольцевые канавки и смазочные отверстия как во внутреннем. так и во внешнем кольцах. |
| GAL30UK-2RS | ISO | Резиновые уплотнения с каждой стороны подшипника. |
| SAL30C | ISO | концы стержня. не требующие обслуживания. Внутренняя резьба. |
| SMLXC30Y | ISO | Сепаратор из прессованной латуни. Центрирование шарика. |
| TFEL30MKB | ISO | Сталь/политетрафторэтилен (ПТФЭ). |
| TFEL30MK | ISO | Поверхность контакта скольжения сталь / сталь. |
| SK30ES | ISO | Сталь. Масляные отверстия и канавки. |
Аналог шарнирного наконечника GAL30DO — это наконечник такого же размера dx30,Dx75,Bx22, типа и конструкции.
| Обозначение | Конструктивные особенности | Внутренний (d) | Наружный (D) | Ширина (B) |
|---|---|---|---|---|
| 610325A | Подшипник однорядный шариковый радиальный. Двухрядный радиально-упорный шарикоподшипник без отверстия для смазки. | 30.00 | 75.00 | 21.50 |
| 30TM11NR | Подшипник однорядный шариковый радиальный. Канавка под стопорное кольцо на наружном кольце с соответствующим стопорным кольцом. | 30.00 | 75.00 | 21.00 |
| 30TM11N C3 | Подшипник однорядный шариковый радиальный. Внутренний зазор больше нормального. Канавка под стопорное кольцо на внешнем кольце. | 30.00 | 75.00 | 21.00 |
| 30TM14 | Подшипник однорядный шариковый радиальный. | 30.00 | 75.00 | 21.00 |
| 30TM11N | Подшипник однорядный шариковый радиальный. Канавка под стопорное кольцо на внешнем кольце. | 30.00 | 75.00 | 21.00 |
| 30TM04 | Подшипник однорядный шариковый радиальный. | 30.00 | 75.00 | 21.00 |
| 30TM04NXR | Подшипник однорядный шариковый радиальный. Специальные размеры канавок и стопорных колец (например. NX1. NX2 и т.д. для различных размеров канавок специальных колец). | 30.00 | 75.00 | 21.00 |
| 30TM14NX1CA | Подшипник однорядный шариковый радиальный. | 30.00 | 75.00 | 21.00 |
| 10X32206BA | Роликовый радиальный-упорный конический однорядный подшипник. Размеры не соответствуют стандарту ISO. | 30.00 | 75.00 | 21.25 |
| 6-750706-АКУШ1С17 | Шариковый радиальный однорядный подшипник. Смазка Литол-24. Дополнительные технические требования. Нормы шумности. Повышенная грузоподъемность. | 30.00 | 75.00 | 22.90 |
| 6-750706-АКУШ1 | Шариковый радиальный однорядный подшипник. Дополнительные технические требования. Нормы шумности. Повышенная грузоподъемность. | 30.00 | 75.00 | 22.90 |
| 750706-АКУ | Шариковый радиальный однорядный подшипник. Дополнительные технические требования. Повышенная грузоподъемность. | 30.00 | 75.00 | 22.90 |
| F18047 | Шариковый радиальный однорядный подшипник. | 30.00 | 75.00 | 21.00 |
Способы доставки
Отправка через ведущие транспортные и курьерские компании: ПЭК, Деловые Линии, СДЭК, Байкал-Сервис, Энергия, КИТ, ЖелДорЭкспедиция.
Самовывоз возможен напрямую со склада в Москве.
Сроки доставки
Срок зависит от региона и выбранной транспортной компании. Все заказы комплектуются и отправляются в кратчайшие сроки со склада в Москве.
Надёжность и сохранность
Вся продукция упаковывается с учётом требований транспортировки. Мы гарантируем, что подшипники и комплектующие прибудут к заказчику в полной сохранности.
Доставка в страны ЕАЭС
Мы работаем с проверенными логистическими партнёрами, что позволяет оперативно доставлять заказы в Беларусь, Казахстан, Армению и другие страны ЕАЭС.
Варианты оплаты:
Минимальная сумма заказа и скидки:
Документы и гарантии:
Да, конечно! Наши технические специалисты готовы помочь вам с подбором точного аналога или замены подшипника. Просто позвоните нам по телефону +7 (495) 104-99-04 или напишите на почту zakaz@podsnab.ru.
Для оперативной консультации подготовьте, пожалуйста, имеющиеся данные: маркировку, размеры, тип оборудования или артикул старого подшипника.
Да, конечно! Мы высоко ценим долгосрочное сотрудничество и доверие клиентов по всей России. Для постоянных клиентов действует персональная система скидок.
Условия формируются индивидуально и зависят от:
Чтобы узнать свои условия и получить максимально выгодное предложение, свяжитесь с персональным менеджером или напишите нам на почту zakaz@podsnab.ru.
Вы можете оформить заказ несколькими способами:
Для оформления заказа от юридического лица свяжитесь с нашим отделом по работе с корпоративными клиентами по телефону +7 (495) 104-99-04 или напишите на email zakaz@podsnab.ru, прикрепив реквизиты вашей организации.
Мы оперативно подготовим коммерческое предложение и выставим счет.
Возврат товара надлежащего качества возможен в течение 10 дней с момента получения, если товар не был в употреблении, сохранен товарный вид, упаковка не вскрывалась и присутствуют все сопроводительные документы.
Возврат денежных средств осуществляется в течение 10 рабочих дней после проверки товара складом.
В соответствии с законодательством возврату не подлежат подшипники надлежащего качества, если отсутствует оригинальная упаковка или имеются следы монтажа.
В случае выявления брака или гарантийного случая мы гарантируем возврат или обмен товара.
Да, гарантийный срок хранения устанавливается заводом-изготовителем и в среднем составляет 2 года при соблюдении условий хранения: сухое помещение, оригинальная упаковка и смазка.
Точный срок для конкретного типа подшипника уточняйте у наших менеджеров.
Пн–Пт: с 8:00 до 17:00 (МСК).
Сб–Вс: выходные дни.
Заказы на сайте принимаются круглосуточно. Заявки, поступившие после окончания рабочего дня, обрабатываются на следующий рабочий день.
Минимальная сумма заказа для доставки составляет 3000 рублей. Самовывоз со склада возможен на любую сумму при наличии товара.
ООО «УралТехГрупп»
ИНН: 7415093830
КПП: 772401001
ОГРН: 1167456069021
Банк: ПАО Сбербанк
Р/с: 40702810838000475273
К/с: 30101810400000000225
БИК: 044525225
У подшипника GAL30DO пока нет отзывов. Вы можете стать первым покупателем, поделившимся своим мнением.