Поиск подшипника
Статьи
DF16 — Сферический шарнирный подшипник, основное исполнение, выпускается производителями: MTR, NEUTRAL.
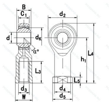
Размер наконечника: 16x42x21 мм.
Специальные двухрядные шарикоподшипники.
Альтернативное обозначение: GIKR16-PW, SIKB16F.
Аналоги: GIKR16-PW INA,SIKB16F SKF,PHS16EC IKO,KJ16DNJRG Askubal,SIK16C LS,TSF16C LSK Bearings,KJ16D-M16X1,5 SMC,KJ16D SMC,TSF16C ISB,GIXSW16 Neutral,DF16 Neutral.
Международная стандартизации ISO
DF16
В наличии
| Обозначение | Конструктивные изменения |
|---|---|
| DF16 P1.5 | Distance Between Beginning Of The Rail And First Hole In MM. Класс точности. |
| DF16L | Левая резьба. |
| DF16LSS | Нержавеющая сталь. Левая резьба. |
Модификации шарнирного наконечника DF16 — это измененное основное конструктивное исполнение DF16, основные размеры (16x42x21) не отличаются.
| Обозначение | Гост | Конструктивные особенности |
|---|---|---|
| SIKB16F | ISO | Сепаратор из обработанной стали или специального чугуна. |
| RS16MTE | ISO | Units With Suffix SE. SEI. XEI and MTE. Belonging To Heavy Duty Series Have A Liner Made Of Woven CuSn8 Bronze Fabric. Impregnated With PFTE. The Liner Is Glued To Race Inner Face. |
| TSF16C | ISO | 15° Угол контакта. |
| PHS16EC | ISO | Сталь/политетрафторэтилен (ПТФЭ). |
| GIKR16-PW | ISO | Контактная поверхность скольжения Сталь/PTFE. |
| KJ16D | ISO | Половина целого игольчатого валика. Применять суффикс 'D' в базовом номере. |
| SABP16S/B1 | ISO | Запечатанная версия кулачкового ролика. Block Qty. |
| SALBP16S/B1 | ISO | Запечатанная версия кулачкового ролика. Block Qty. |
| JHM16 | ISO | Сферический шарнирный подшипник. |
| KJ16DNJRG | ISO | Сталь/PTFE. В стандартном исполнении. Внутреннее кольцо покрыто твердым хромом. |
| SMLE16 | ISO | Сферический шарнирный подшипник. |
| DM16SS | ISO | Нержавеющая сталь. |
| DM16L | ISO | Левая резьба. |
| CB-M16 | ISO | Сферический шарнирный подшипник. |
| DFSS16 | ISO | Сферический шарнирный подшипник. |
| BNF16.1 | ISO | Number Of Carriages Per Rail Track. |
| JAFL16 | ISO | Сферический шарнирный подшипник. |
| FJ16M | ISO | Сталь/Бронза. |
| CM-M16 | ISO | Сферический шарнирный подшипник. |
| FJ16MC-ST | ISO | 15° Угол контакта. Stainless Steel (440C) Rings And Rolling Elements. |
| SIK16C | ISO | Steel/Sinter Bronze Composite. |
| MMF-M16T | ISO | Сферический шарнирный подшипник. |
| ABF-M16T | ISO | Сферический шарнирный подшипник. |
| MM-M16Z | ISO | Фитинг зеркового типа. |
| CF16-M16X2.00 | ISO | Sequential Number Of Design. |
| SDM16L/SS | ISO | Нержавеющая сталь. Левосторонняя резьба. |
| SMLEM16.51 | ISO | 3.3/16. |
Аналог шарнирного наконечника DF16 — это наконечник такого же размера dx16,Dx42,Bx21, типа и конструкции.
| Обозначение | Конструктивные особенности | Внутренний (d) | Наружный (D) | Ширина (B) |
|---|---|---|---|---|
| NA17 | Роликовый игольчатый подшипник. | 17.00 | 37.00 | 20.00 |
| NKIS17 | Роликовый игольчатый подшипник. Коническое внутреннее отверстие. Рабочая температура (термическая стабилизация) до 200°C. Канавка под стопорное кольцо на наружном кольце подшипника. | 17.00 | 37.00 | 20.00 |
| NKJS17 | Роликовый игольчатый подшипник. | 17.00 | 37.00 | 20.00 |
| NAK17 | Роликовый игольчатый подшипник. | 17.00 | 37.00 | 20.00 |
| NKIS17A | Роликовый игольчатый подшипник. Модификация внутренней конструкции. | 17.00 | 37.00 | 20.00 |
| NKIS17-XL | Роликовый игольчатый подшипник. Серия X-Life премиум-класс. увеличиный срок службы. | 17.00 | 37.00 | 20.00 |
| SSR16 | Сферический подшипник скольжения. | 16.00 | 38.00 | 21.00 |
| NKJS17A | Роликовый игольчатый подшипник. Модификация внутренней конструкции. | 17.00 | 37.00 | 20.00 |
| GL16 | Сферический подшипник скольжения. | 16.00 | 38.00 | 21.00 |
| S16DNIRO | Сферический подшипник скольжения. Сталь/PTFE. Нержавеющая сталь. | 16.00 | 38.00 | 21.00 |
| JAS16 | Сферический подшипник скольжения. | 16.00 | 38.00 | 21.00 |
| GLRS16 | Сферический подшипник скольжения. | 16.00 | 38.00 | 21.00 |
| ZKLR1547-2RS | Подшипник шариковый двухрядный радиально-упорный. Манжетное уплотнение с обеих сторон подшипника. | 15.00 | 38.45 | 22.00 |
| NKIS17C3 | Роликовый игольчатый подшипник. Внутренний зазор больше нормального. | 17.00 | 37.00 | 20.00 |
| GEBK16S | Сферический подшипник скольжения. Запечатанная версия кулачкового ролика. Коническое отверстие. Повышенной грузоподъемности. | 16.00 | 38.00 | 21.00 |
Способы доставки
Отправка через ведущие транспортные и курьерские компании: ПЭК, Деловые Линии, СДЭК, Байкал-Сервис, Энергия, КИТ, ЖелДорЭкспедиция.
Самовывоз возможен напрямую со склада в Москве.
Сроки доставки
Срок зависит от региона и выбранной транспортной компании. Все заказы комплектуются и отправляются в кратчайшие сроки со склада в Москве.
Надёжность и сохранность
Вся продукция упаковывается с учётом требований транспортировки. Мы гарантируем, что подшипники и комплектующие прибудут к заказчику в полной сохранности.
Доставка в страны ЕАЭС
Мы работаем с проверенными логистическими партнёрами, что позволяет оперативно доставлять заказы в Беларусь, Казахстан, Армению и другие страны ЕАЭС.
Варианты оплаты:
Минимальная сумма заказа и скидки:
Документы и гарантии:
Да, конечно! Наши технические специалисты готовы помочь вам с подбором точного аналога или замены подшипника. Просто позвоните нам по телефону +7 (495) 104-99-04 или напишите на почту zakaz@podsnab.ru.
Для оперативной консультации подготовьте, пожалуйста, имеющиеся данные: маркировку, размеры, тип оборудования или артикул старого подшипника.
Да, конечно! Мы высоко ценим долгосрочное сотрудничество и доверие клиентов по всей России. Для постоянных клиентов действует персональная система скидок.
Условия формируются индивидуально и зависят от:
Чтобы узнать свои условия и получить максимально выгодное предложение, свяжитесь с персональным менеджером или напишите нам на почту zakaz@podsnab.ru.
Вы можете оформить заказ несколькими способами:
Для оформления заказа от юридического лица свяжитесь с нашим отделом по работе с корпоративными клиентами по телефону +7 (495) 104-99-04 или напишите на email zakaz@podsnab.ru, прикрепив реквизиты вашей организации.
Мы оперативно подготовим коммерческое предложение и выставим счет.
Возврат товара надлежащего качества возможен в течение 10 дней с момента получения, если товар не был в употреблении, сохранен товарный вид, упаковка не вскрывалась и присутствуют все сопроводительные документы.
Возврат денежных средств осуществляется в течение 10 рабочих дней после проверки товара складом.
В соответствии с законодательством возврату не подлежат подшипники надлежащего качества, если отсутствует оригинальная упаковка или имеются следы монтажа.
В случае выявления брака или гарантийного случая мы гарантируем возврат или обмен товара.
Да, гарантийный срок хранения устанавливается заводом-изготовителем и в среднем составляет 2 года при соблюдении условий хранения: сухое помещение, оригинальная упаковка и смазка.
Точный срок для конкретного типа подшипника уточняйте у наших менеджеров.
Пн–Пт: с 8:00 до 17:00 (МСК).
Сб–Вс: выходные дни.
Заказы на сайте принимаются круглосуточно. Заявки, поступившие после окончания рабочего дня, обрабатываются на следующий рабочий день.
Минимальная сумма заказа для доставки составляет 3000 рублей. Самовывоз со склада возможен на любую сумму при наличии товара.
ООО «УралТехГрупп»
ИНН: 7415093830
КПП: 772401001
ОГРН: 1167456069021
Банк: ПАО Сбербанк
Р/с: 40702810838000475273
К/с: 30101810400000000225
БИК: 044525225
У подшипника DF16 пока нет отзывов. Вы можете стать первым покупателем, поделившимся своим мнением.