Поиск подшипника
Статьи
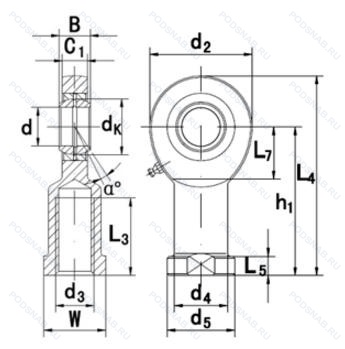
EJ6 — Сферический шарнирный подшипник, основное исполнение, выпускается производителями: ASKUBAL, NEUTRAL.
Размер наконечника: 6x20x6 мм.
Альтернативное обозначение: GIR6-DO, GIR6ES, SI6E.
Аналоги: GIR6-DO Elges,EI6 Askubal,GIR6DO NKE,GIR6DO Askubal,SI6E LSK Bearings,SI6E LS.
Международная стандартизации ISO
EJ6
В наличии
| Обозначение | Конструктивные изменения |
|---|---|
| EJ6D | Сталь/PTFE. |
Модификации шарнирного наконечника EJ6 — это измененное основное конструктивное исполнение EJ6, основные размеры (6x20x6) не отличаются.
| Обозначение | Гост | Конструктивные особенности |
|---|---|---|
| GAL6DO | ISO | Сталь/Сталь и внутреннее и внешнее кольцо закалены.. |
| SI6E | ISO | Повышенная грузоподъемность. |
| SAL6C | ISO | 15° Угол контакта. |
| GAL6UK | ISO | Контактная поверхность скольжения хром/PTFE композит. |
| SIL6E | ISO | Повышенная грузоподъемность. |
| GIL6DO | ISO | Сталь/Сталь и внутреннее и внешнее кольцо закалены.. |
| GIR6DO | ISO | Сталь/Сталь и внутреннее и внешнее кольцо закалены.. |
| SAL6E | ISO | Сталь. Кольцевые канавки и смазочные отверстия как во внутреннем. так и во внешнем кольцах. |
| SIL6C | ISO | концы стержня. не требующие обслуживания. Внутренняя резьба. |
| GIL6UK | ISO | Сталь/фторопластовая ткань.. |
| EA6D | ISO | Контактный материал Сталь/PFTE.. |
| EAL6D | ISO | Контактный материал Сталь/PFTE.. |
| DGAR6UK | ISO | Сталь/политетрафторэтилен (ПТФЭ). |
| DGAL6UK | ISO | Сталь/политетрафторэтилен (ПТФЭ). |
| BMR6L | ISO | Одно механическое уплотнение. |
| TFE06MKB | ISO | Сталь/политетрафторэтилен (ПТФЭ). |
| SAL6B/D | ISO | Половина целого игольчатого валика. Применять суффикс 'D' в базовом номере. Конический роликовый подшипник. Угол контакта 20 градусов. |
| SI6B/D | ISO | Половина целого игольчатого валика. Применять суффикс 'D' в базовом номере. Конический роликовый подшипник. Угол контакта 20 градусов. |
| SA6B/D | ISO | Половина целого игольчатого валика. Применять суффикс 'D' в базовом номере. Конический роликовый подшипник. Угол контакта 20 градусов. |
| SIL6B/D | ISO | Половина целого игольчатого валика. Применять суффикс 'D' в базовом номере. Конический роликовый подшипник. Угол контакта 20 градусов. |
| SAL006EL | ISO | Шариковый подшипник. Специальный радиальный внутренний зазор для электродвигателей. |
| SA006EL | ISO | Шариковый подшипник. Специальный радиальный внутренний зазор для электродвигателей. |
Аналог шарнирного наконечника EJ6 — это наконечник такого же размера dx6,Dx20,Bx6, типа и конструкции.
| Обозначение | Конструктивные особенности | Внутренний (d) | Наружный (D) | Ширина (B) |
|---|---|---|---|---|
| 5-27 ЮП | Шариковый радиальный однорядный подшипник. Все детали или часть деталей из нержавеющей стали.. | 7.00 | 22.00 | 7.00 |
| 5-27 ЮТ | Шариковый радиальный подшипник. Температура отпуска. 160°. Все детали или часть деталей из нержавеющей стали.. | 7.00 | 22.00 | 7.00 |
| 5-27 ЮТП | Шариковый радиальный однорядный подшипник. Температура отпуска. 160°. Все детали или часть деталей из нержавеющей стали.. | 7.00 | 22.00 | 7.00 |
| 5-60027 К | Шариковый радиальный однорядный подшипник. «Замок» (скос) на внутреннем кольце плюс массивный сепаратор из текстолита. | 7.00 | 22.00 | 7.00 |
| 5-60027 К1 | Шариковый радиальный однорядный подшипник. «Замок» (скос) на внутреннем кольце плюс массивный сепаратор из текстолита. | 7.00 | 22.00 | 7.00 |
| 5-60027 ЮТ | Шариковый радиальный однорядный подшипник. Температура отпуска. 160°. Все детали или часть деталей из нержавеющей стали.. | 7.00 | 22.00 | 7.00 |
| 5-6027 Е | Шариковый радиально-упорный однорядный подшипник. Сепаратор из текстолита.. | 7.00 | 22.00 | 7.00 |
| 5-6027 У | Шариковый радиально-упорный однорядный подшипник. Дополнительные технические требования. | 7.00 | 22.00 | 7.00 |
| 5-640065-КП | Шариковый радиальный однорядный подшипник. «Замок» (скос) на внутреннем кольце плюс массивный сепаратор из текстолита. | 5.00 | 20.00 | 5.00 |
| 5-640065-КУП | Шариковый радиальный однорядный подшипник. «Замок» (скос) на внутреннем кольце плюс массивный сепаратор из текстолита. Дополнительные технические требования. | 5.00 | 20.00 | 5.00 |
| 5-640065-М | Шариковый радиальный однорядный подшипник. Модифицированный контакт.. | 5.00 | 20.00 | 5.00 |
| 5-640065-МП | Шариковый радиальный однорядный подшипник. Модифицированный контакт.. | 5.00 | 20.00 | 5.00 |
| 5-80027 К1С9 | Шариковый радиальный однорядный подшипник. Смазка ЛЗ-31. | 7.00 | 22.00 | 7.00 |
| 5-80027 КС2 | Шариковый радиальный однорядный подшипник. «Замок» (скос) на внутреннем кольце плюс массивный сепаратор из текстолита. Смазка ЦИАТИМ-221. | 7.00 | 22.00 | 7.00 |
| 5-80027 С1 | Шариковый радиальный однорядный подшипник. Смазка ОКБ 122-7. | 7.00 | 22.00 | 7.00 |
Способы доставки
Отправка через ведущие транспортные и курьерские компании: ПЭК, Деловые Линии, СДЭК, Байкал-Сервис, Энергия, КИТ, ЖелДорЭкспедиция.
Самовывоз возможен напрямую со склада в Москве.
Сроки доставки
Срок зависит от региона и выбранной транспортной компании. Все заказы комплектуются и отправляются в кратчайшие сроки со склада в Москве.
Надёжность и сохранность
Вся продукция упаковывается с учётом требований транспортировки. Мы гарантируем, что подшипники и комплектующие прибудут к заказчику в полной сохранности.
Доставка в страны ЕАЭС
Мы работаем с проверенными логистическими партнёрами, что позволяет оперативно доставлять заказы в Беларусь, Казахстан, Армению и другие страны ЕАЭС.
Варианты оплаты:
Минимальная сумма заказа и скидки:
Документы и гарантии:
Да, конечно! Наши технические специалисты готовы помочь вам с подбором точного аналога или замены подшипника. Просто позвоните нам по телефону +7 (495) 104-99-04 или напишите на почту zakaz@podsnab.ru.
Для оперативной консультации подготовьте, пожалуйста, имеющиеся данные: маркировку, размеры, тип оборудования или артикул старого подшипника.
Да, конечно! Мы высоко ценим долгосрочное сотрудничество и доверие клиентов по всей России. Для постоянных клиентов действует персональная система скидок.
Условия формируются индивидуально и зависят от:
Чтобы узнать свои условия и получить максимально выгодное предложение, свяжитесь с персональным менеджером или напишите нам на почту zakaz@podsnab.ru.
Вы можете оформить заказ несколькими способами:
Для оформления заказа от юридического лица свяжитесь с нашим отделом по работе с корпоративными клиентами по телефону +7 (495) 104-99-04 или напишите на email zakaz@podsnab.ru, прикрепив реквизиты вашей организации.
Мы оперативно подготовим коммерческое предложение и выставим счет.
Возврат товара надлежащего качества возможен в течение 10 дней с момента получения, если товар не был в употреблении, сохранен товарный вид, упаковка не вскрывалась и присутствуют все сопроводительные документы.
Возврат денежных средств осуществляется в течение 10 рабочих дней после проверки товара складом.
В соответствии с законодательством возврату не подлежат подшипники надлежащего качества, если отсутствует оригинальная упаковка или имеются следы монтажа.
В случае выявления брака или гарантийного случая мы гарантируем возврат или обмен товара.
Да, гарантийный срок хранения устанавливается заводом-изготовителем и в среднем составляет 2 года при соблюдении условий хранения: сухое помещение, оригинальная упаковка и смазка.
Точный срок для конкретного типа подшипника уточняйте у наших менеджеров.
Пн–Пт: с 8:00 до 17:00 (МСК).
Сб–Вс: выходные дни.
Заказы на сайте принимаются круглосуточно. Заявки, поступившие после окончания рабочего дня, обрабатываются на следующий рабочий день.
Минимальная сумма заказа для доставки составляет 3000 рублей. Самовывоз со склада возможен на любую сумму при наличии товара.
ООО «УралТехГрупп»
ИНН: 7415093830
КПП: 772401001
ОГРН: 1167456069021
Банк: ПАО Сбербанк
Р/с: 40702810838000475273
К/с: 30101810400000000225
БИК: 044525225
У подшипника EJ6 пока нет отзывов. Вы можете стать первым покупателем, поделившимся своим мнением.