Поиск подшипника
Статьи
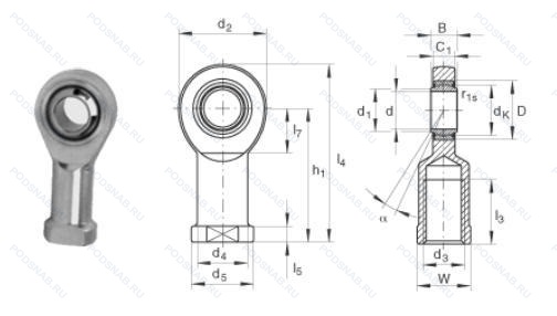
GIL25UK — Сферический шарнирный подшипник, модификация основного исполнения GIL25, выпускается производителями: CCVI, ELGES, FAG, INA.
Размер наконечника: 25x64x20 мм.
Сталь/фторопластовая ткань.
Альтернативное обозначение: SIL25C.
Аналоги: GIL25-UK INA,GIL25-UK Elges,SIL25C SKF,IEIL25W LS.
Международная стандартизации ISO
GIL25UK
В наличии
| Обозначение | Конструктивные изменения |
|---|---|
| GIL25UK-2RS | Уплотнения с обеих сторон.. Сталь/фторопластовая ткань.. |
| GIL25DO-2RS | Резиновые уплотнения с каждой стороны подшипника. Прессованный стальной сепаратор. Вращающийся элемент по центру. Незакаленный. |
| GIL25DO | Сталь/Сталь и внутреннее и внешнее кольцо закалены.. |
| GIL25.2RSR | Резиновые уплотнения с каждой стороны подшипника. |
| GIL25 | Сферический шарнирный подшипник. Основное конструктивное исполнение. |
| GIL25DO.2RSR | Резиновые уплотнения с каждой стороны подшипника. Сталь. Внутреннее и внешнее кольцо закалены. |
| GIL25PB | Сегментный контактный материал. Код S/B = скользящая контактная поверхность из стали/бронзы. |
Модификации шарнирного наконечника GIL25UK — это измененное основное конструктивное исполнение GIL25, основные размеры (25x64x20) не отличаются.
| Обозначение | Гост | Конструктивные особенности |
|---|---|---|
| SIL25C | ISO | 15° Угол контакта. |
| GAL25DO 2RS | ISO | Уплотнения с обеих сторон.. |
| SC25ES | ISO | Разъемное наружное кольцо со смазочными отверстиями. |
| S25C | ISO | концы стержня. не требующие обслуживания. Внутренняя резьба. |
| EAL25D | ISO | Сталь/PTFE. |
| EJL25D | ISO | Сталь/PTFE. |
| EA25D | ISO | Контактный материал Сталь/PFTE.. |
| GAR25ES | ISO | Steel/Steel. Inner And Outer Ring Hardened. |
| GK25ES | ISO | Стальная скользящая контактная поверхность. Разъемное наружное кольцо со смазочными отверстиями. |
| TFEL25MK | ISO | Поверхность контакта скольжения сталь / сталь. |
| IEIL25W | ISO | Подшипник без смазочных отверстий в наружном кольце. |
| SN25S | ISO | Запечатанная версия кулачкового ролика. |
| TFIL25FK | ISO | Поверхность контакта скольжения сталь / сталь. |
| EI25D | ISO | Контактный материал Сталь/PFTE.. |
| EJ25 2RS | ISO | Резиновые уплотнения с каждой стороны подшипника. |
| GIHO-K25DO | ISO | Поверхность контакта скольжения сталь / сталь. |
| EM25ES | ISO | Сталь. Масляные отверстия и канавки. |
| GAL25ES 2RS | ISO | Резиновые уплотнения с каждой стороны подшипника. Разъемное наружное кольцо со смазочными отверстиями. |
| SMRCP25IR | ISO | Stainless Steel Innerring. |
| GK25NK | ISO | One Labyrinth Seal (Non Contact). |
| TFI25 FKB | ISO | Сталь/политетрафторэтилен (ПТФЭ). |
Аналог шарнирного наконечника GIL25UK — это наконечник такого же размера dx25,Dx64,Bx20, типа и конструкции.
| Обозначение | Конструктивные особенности | Внутренний (d) | Наружный (D) | Ширина (B) |
|---|---|---|---|---|
| MMRJ1M | Однорядный цилиндрический роликовый подшипник. Подшипник с латунным сепаратором. центрированный по телам качения. | 25.40 | 63.50 | 19.05 |
| MRJA1C3 | Однорядный цилиндрический роликовый подшипник. Внутренний зазор больше нормального. | 25.40 | 63.50 | 19.05 |
| MJT1M | Подшипник шариковый однорядный радиально-упорный. Механически обработанный латунный сепаратор .Расположенный на элементах качения. | 25.40 | 63.50 | 19.05 |
| MRJ1JCN | Однорядный цилиндрический роликовый подшипник. Прессованный стальной сепаратор. | 25.40 | 63.50 | 19.05 |
| MJ1-C3 | Подшипник однорядный шариковый радиальный. Внутренний зазор больше нормального. | 25.40 | 63.50 | 19.05 |
| MRJA1J | Однорядный цилиндрический роликовый подшипник. Прессованный стальной сепаратор. | 25.40 | 63.50 | 19.05 |
| 4T-15100S/15250X | Роликовый радиальный-упорный конический однорядный подшипник. Запечатанная версия кулачкового ролика. Цементованная сталь. | 25.40 | 63.50 | 20.64 |
| 4T-15100/15250X | Роликовый радиальный-упорный конический однорядный подшипник. Цементованная сталь. | 25.40 | 63.50 | 20.64 |
| 4T-15101/15250X | Роликовый радиальный-упорный конический однорядный подшипник. Цементованная сталь. | 25.40 | 63.50 | 20.64 |
| 15100/250 | Роликовый радиальный-упорный однорядный подшипник. Resistant Up To 250°C. | 25.40 | 63.50 | 19.05 |
| 15101/15250-B | Роликовый радиальный-упорный однорядный подшипник. Конический роликовый подшипник. Угол контакта 20 градусов. | 25.40 | 63.50 | 20.64 |
| SX0590LUN | Шариковый радиальный однорядный подшипник. Канавка для стопорного кольца на наружном кольце. Двухкромочное нитриловое контактное уплотнение. | 25.00 | 65.00 | 19.00 |
| MJ1-RS | Шариковый радиальный однорядный подшипник. Резиновое уплотнение с одной стороны. | 25.40 | 63.50 | 19.05 |
| MJ1-Z | Шариковый радиальный однорядный подшипник. щит из листовой прессованной стали с одной стороны подшипника. | 25.40 | 63.50 | 19.05 |
| MJ1N=8 | Шариковый радиальный однорядный подшипник. Канавка под стопорное кольцо на внешнем кольце. Средний предварительный натяг. | 24.40 | 63.50 | 19.10 |
Способы доставки
Отправка через ведущие транспортные и курьерские компании: ПЭК, Деловые Линии, СДЭК, Байкал-Сервис, Энергия, КИТ, ЖелДорЭкспедиция.
Самовывоз возможен напрямую со склада в Москве.
Сроки доставки
Срок зависит от региона и выбранной транспортной компании. Все заказы комплектуются и отправляются в кратчайшие сроки со склада в Москве.
Надёжность и сохранность
Вся продукция упаковывается с учётом требований транспортировки. Мы гарантируем, что подшипники и комплектующие прибудут к заказчику в полной сохранности.
Доставка в страны ЕАЭС
Мы работаем с проверенными логистическими партнёрами, что позволяет оперативно доставлять заказы в Беларусь, Казахстан, Армению и другие страны ЕАЭС.
Варианты оплаты:
Минимальная сумма заказа и скидки:
Документы и гарантии:
Да, конечно! Наши технические специалисты готовы помочь вам с подбором точного аналога или замены подшипника. Просто позвоните нам по телефону +7 (495) 104-99-04 или напишите на почту zakaz@podsnab.ru.
Для оперативной консультации подготовьте, пожалуйста, имеющиеся данные: маркировку, размеры, тип оборудования или артикул старого подшипника.
Да, конечно! Мы высоко ценим долгосрочное сотрудничество и доверие клиентов по всей России. Для постоянных клиентов действует персональная система скидок.
Условия формируются индивидуально и зависят от:
Чтобы узнать свои условия и получить максимально выгодное предложение, свяжитесь с персональным менеджером или напишите нам на почту zakaz@podsnab.ru.
Вы можете оформить заказ несколькими способами:
Для оформления заказа от юридического лица свяжитесь с нашим отделом по работе с корпоративными клиентами по телефону +7 (495) 104-99-04 или напишите на email zakaz@podsnab.ru, прикрепив реквизиты вашей организации.
Мы оперативно подготовим коммерческое предложение и выставим счет.
Возврат товара надлежащего качества возможен в течение 10 дней с момента получения, если товар не был в употреблении, сохранен товарный вид, упаковка не вскрывалась и присутствуют все сопроводительные документы.
Возврат денежных средств осуществляется в течение 10 рабочих дней после проверки товара складом.
В соответствии с законодательством возврату не подлежат подшипники надлежащего качества, если отсутствует оригинальная упаковка или имеются следы монтажа.
В случае выявления брака или гарантийного случая мы гарантируем возврат или обмен товара.
Да, гарантийный срок хранения устанавливается заводом-изготовителем и в среднем составляет 2 года при соблюдении условий хранения: сухое помещение, оригинальная упаковка и смазка.
Точный срок для конкретного типа подшипника уточняйте у наших менеджеров.
Пн–Пт: с 8:00 до 17:00 (МСК).
Сб–Вс: выходные дни.
Заказы на сайте принимаются круглосуточно. Заявки, поступившие после окончания рабочего дня, обрабатываются на следующий рабочий день.
Минимальная сумма заказа для доставки составляет 3000 рублей. Самовывоз со склада возможен на любую сумму при наличии товара.
ООО «УралТехГрупп»
ИНН: 7415093830
КПП: 772401001
ОГРН: 1167456069021
Банк: ПАО Сбербанк
Р/с: 40702810838000475273
К/с: 30101810400000000225
БИК: 044525225
У подшипника GIL25UK пока нет отзывов. Вы можете стать первым покупателем, поделившимся своим мнением.