Поиск подшипника
Статьи
GIL10UK — Сферический шарнирный подшипник, модификация основного исполнения GIL10, выпускается производителями: CCVI, CHINA, ELGES, FAG, INA, NEUTRAL.
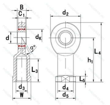
Размер наконечника: 10x29x9 мм.
Сталь/фторопластовая ткань.
Альтернативное обозначение: SIL10C, TFIL10FKB.
Аналоги: GIL10UK Elges,GIL10-UK Elges,SIL10C SKF,SIL10C LS.
Международная стандартизации ISO
GIL10UK
В наличии
| Обозначение | Конструктивные изменения |
|---|---|
| GIL10DO | Сталь/Сталь и внутреннее и внешнее кольцо закалены.. |
| GIL10GW | Расширенное внутреннее кольцо. Материал скольжения сталь/PTFE. |
| GIL10ES | Сталь. Масляные отверстия и канавки. |
Модификации шарнирного наконечника GIL10UK — это измененное основное конструктивное исполнение GIL10, основные размеры (10x29x9) не отличаются.
| Обозначение | Гост | Конструктивные особенности |
|---|---|---|
| SIL10C | ISO | 15° Угол контакта. |
| TE10EA | ISO | Поверхность контакта скольжения сталь / сталь. |
| TI10EA | ISO | Поверхность контакта скольжения сталь / сталь. |
| EJL10D | ISO | Сталь/PTFE. |
| TFIL10FK | ISO | Поверхность контакта скольжения сталь / сталь. |
| TFE10MK | ISO | Поверхность контакта скольжения сталь / сталь. |
| EFN10-20-501 | ISO | Правая резьба. |
| EFN10-20-502 | ISO | Левосторонняя резьба. |
| DGIR10UK | ISO | Сталь/политетрафторэтилен (ПТФЭ). |
| TFIL10FKB | ISO | Сталь/политетрафторэтилен (ПТФЭ). |
| EI-10D | ISO | концы стержня. не требующие обслуживания. Внутренняя резьба. |
| GIR10SS | ISO | Две резиновые защитные шайбы. |
| SAL10 | ISO | Механически обработанный сепаратор из легкого сплава. |
| DGIL10UK | ISO | Сталь/политетрафторэтилен (ПТФЭ). |
| BRF10L | ISO | Одно механическое уплотнение. |
| GIR10ES | ISO | Сталь. Масляные отверстия и канавки. |
| GAL10X1.25 PB | ISO | Distance Between Beginning Of The Rail And First Hole In MM. Скользящая контактная поверхность из стали/бронзы, соответствует ISO 12 240-1, размер серии K, для валов от 5 мм до 30 мм.. Специальная фаска. |
| TFEL10PW | ISO | Контактная поверхность скольжения Сталь/PTFE. |
| BEM10SO | ISO | Кольца или шайбы подшипников, стабилизированные по размерам для использования при рабочих температурах до +150°C (302°F). |
| EF10-60-501 | ISO | Правая резьба. |
| EF10-60-502 | ISO | Левосторонняя резьба. |
Аналог шарнирного наконечника GIL10UK — это наконечник такого же размера dx10,Dx29,Bx9, типа и конструкции.
| Обозначение | Конструктивные особенности | Внутренний (d) | Наружный (D) | Ширина (B) |
|---|---|---|---|---|
| 5-80200 С2 | Шариковый радиальный однорядный подшипник. Смазка ЦИАТИМ-221. | 10.00 | 30.00 | 9.00 |
| 5-80200 С21 | Шариковый радиальный однорядный подшипник. Смазка ЭРА. | 10.00 | 30.00 | 9.00 |
| 5-80200 С9 | Шариковый радиальный однорядный подшипник. Смазка ЛЗ-31. | 10.00 | 30.00 | 9.00 |
| 5-80200 С9Ш2У | Шариковый радиальный однорядный подшипник. Дополнительные технические требования. Нормы шумности. Смазка ЛЗ-31. | 10.00 | 30.00 | 9.00 |
| 5-80200 Т2С2 | Шариковый радиальный однорядный подшипник. 200°. Смазка ЦИАТИМ-221. Температура отпуска. | 10.00 | 30.00 | 9.00 |
| 5-80200 Т2С8 | Шариковый радиальный однорядный подшипник. 200°. Температура отпуска. Смазка ВНИИНП-235. | 10.00 | 30.00 | 9.00 |
| 5-80200 Ш2У | Шариковый радиальный однорядный подшипник. Дополнительные технические требования. Нормы шумности. | 10.00 | 30.00 | 9.00 |
| 5-80200 Ш2УС9 | Шариковый радиальный однорядный подшипник. Дополнительные технические требования. Нормы шумности. Смазка ЛЗ-31. | 10.00 | 30.00 | 9.00 |
| 55-42200 Р | Роликовый радиальный однорядный подшипник. Детали из теплоустойчивой (быстрорежущие) стали.. | 10.00 | 30.00 | 10.00 |
| 6-180200 КС27 | Шариковый радиальный однорядный подшипник. «Замок» (скос) на внутреннем кольце плюс массивный сепаратор из текстолита. Смазка ФАНОЛ. | 10.00 | 30.00 | 9.00 |
| 6-200 Б | Шариковый радиальный однорядный подшипник. Сепаратор из безоловянистой бронзы.. | 10.00 | 30.00 | 9.00 |
| 6-200 У | Шариковый радиальный однорядный подшипник. Дополнительные технические требования. | 10.00 | 30.00 | 9.00 |
| 6-200 Ш2У | Шариковый радиальный однорядный подшипник. Дополнительные технические требования. Нормы шумности. | 10.00 | 30.00 | 9.00 |
| 6-200 Ю | Шариковый радиальный однорядный подшипник. Все детали или часть деталей из нержавеющей стали.. | 10.00 | 30.00 | 9.00 |
| 6-200 ЮУ | Шариковый радиальный однорядный подшипник. Дополнительные технические требования. Все детали или часть деталей из нержавеющей стали.. | 10.00 | 30.00 | 9.00 |
Способы доставки
Отправка через ведущие транспортные и курьерские компании: ПЭК, Деловые Линии, СДЭК, Байкал-Сервис, Энергия, КИТ, ЖелДорЭкспедиция.
Самовывоз возможен напрямую со склада в Москве.
Сроки доставки
Срок зависит от региона и выбранной транспортной компании. Все заказы комплектуются и отправляются в кратчайшие сроки со склада в Москве.
Надёжность и сохранность
Вся продукция упаковывается с учётом требований транспортировки. Мы гарантируем, что подшипники и комплектующие прибудут к заказчику в полной сохранности.
Доставка в страны ЕАЭС
Мы работаем с проверенными логистическими партнёрами, что позволяет оперативно доставлять заказы в Беларусь, Казахстан, Армению и другие страны ЕАЭС.
Варианты оплаты:
Минимальная сумма заказа и скидки:
Документы и гарантии:
Да, конечно! Наши технические специалисты готовы помочь вам с подбором точного аналога или замены подшипника. Просто позвоните нам по телефону +7 (495) 104-99-04 или напишите на почту zakaz@podsnab.ru.
Для оперативной консультации подготовьте, пожалуйста, имеющиеся данные: маркировку, размеры, тип оборудования или артикул старого подшипника.
Да, конечно! Мы высоко ценим долгосрочное сотрудничество и доверие клиентов по всей России. Для постоянных клиентов действует персональная система скидок.
Условия формируются индивидуально и зависят от:
Чтобы узнать свои условия и получить максимально выгодное предложение, свяжитесь с персональным менеджером или напишите нам на почту zakaz@podsnab.ru.
Вы можете оформить заказ несколькими способами:
Для оформления заказа от юридического лица свяжитесь с нашим отделом по работе с корпоративными клиентами по телефону +7 (495) 104-99-04 или напишите на email zakaz@podsnab.ru, прикрепив реквизиты вашей организации.
Мы оперативно подготовим коммерческое предложение и выставим счет.
Возврат товара надлежащего качества возможен в течение 10 дней с момента получения, если товар не был в употреблении, сохранен товарный вид, упаковка не вскрывалась и присутствуют все сопроводительные документы.
Возврат денежных средств осуществляется в течение 10 рабочих дней после проверки товара складом.
В соответствии с законодательством возврату не подлежат подшипники надлежащего качества, если отсутствует оригинальная упаковка или имеются следы монтажа.
В случае выявления брака или гарантийного случая мы гарантируем возврат или обмен товара.
Да, гарантийный срок хранения устанавливается заводом-изготовителем и в среднем составляет 2 года при соблюдении условий хранения: сухое помещение, оригинальная упаковка и смазка.
Точный срок для конкретного типа подшипника уточняйте у наших менеджеров.
Пн–Пт: с 8:00 до 17:00 (МСК).
Сб–Вс: выходные дни.
Заказы на сайте принимаются круглосуточно. Заявки, поступившие после окончания рабочего дня, обрабатываются на следующий рабочий день.
Минимальная сумма заказа для доставки составляет 3000 рублей. Самовывоз со склада возможен на любую сумму при наличии товара.
ООО «УралТехГрупп»
ИНН: 7415093830
КПП: 772401001
ОГРН: 1167456069021
Банк: ПАО Сбербанк
Р/с: 40702810838000475273
К/с: 30101810400000000225
БИК: 044525225
У подшипника GIL10UK пока нет отзывов. Вы можете стать первым покупателем, поделившимся своим мнением.