Поиск подшипника
Статьи
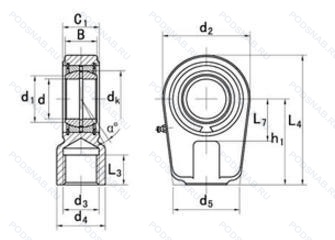
SIRD35ES — Сферический шарнирный подшипник, модификация основного исполнения SIRD35, производство SKF.
Размер наконечника: 35x80x25 мм.
Внешние размеры корпусов могут отличаться для одного и того же номера изделия. (сегментный контактный материала код s/s)=сталь-на-стали. кольцевые канавки и смазочные отверстия во внутреннем и наружном кольцах.
Альтернативное обозначение: GIHR35DO.
Аналоги: TAPR435N LSK Bearings.
Международная стандартизации ISO
SIRD35ES
В наличии
| Обозначение | Гост | Конструктивные особенности |
|---|---|---|
| GIHR35DO | ISO | Прессованный стальной сепаратор. Вращающийся элемент по центру. Незакаленный. |
| GIHR35DO-2RS | ISO | Манжетное уплотнение с двух сторон. Стальная контактная поверхность скольжения. Внутреннее и наружное кольца закалены. |
| GIHR35-DO-A | ISO | Особенность внутренней конструкции. Поверхность контакта скольжения сталь / сталь. |
Аналог шарнирного наконечника SIRD35ES — это наконечник такого же размера dx35,Dx80,Bx25, типа и конструкции.
| Обозначение | Конструктивные особенности | Внутренний (d) | Наружный (D) | Ширина (B) |
|---|---|---|---|---|
| TM-SC0788NRCS40PX1 | Подшипник однорядный шариковый радиальный. Канавка под стопорное кольцо на наружном кольце с соответствующим стопорным кольцом. Специальный допуск. Special Radial Clearance in µm. | 35.00 | 80.00 | 24.00 |
| 27607-А | Роликовый радиальный-упорный однорядный подшипник. Повышенная грузоподъемность. | 35.00 | 80.00 | 25.00 |
| 8-180707 АС17 | Шариковый радиальный однорядный подшипник. Смазка Литол-24. Повышенная грузоподъемность. | 35.00 | 80.00 | 26.00 |
| HC6307DDh1 | Шариковый радиальный однорядный подшипник. Два уплотнения из PTFE. Number Of Carriages Per Rail Track. | 35.00 | 80.00 | 24.00 |
| SC0778-NCS30PX1 | Шариковый радиальный однорядный подшипник. Угол контакта 20 градусов. | 35.00 | 80.00 | 24.00 |
| 6-7607 А | Роликовый радиальный-упорный однорядный подшипник. Повышенная грузоподъемность. | 35.00 | 80.00 | 25.00 |
| 100034X/100080C | Роликовый радиальный-упорный однорядный подшипник. 15° Угол контакта. | 34.92 | 80.00 | 24.25 |
| 100035/100080C | Роликовый радиальный-упорный однорядный подшипник. 15° Угол контакта. | 35.00 | 80.00 | 24.25 |
| HC ST3580-1 | Роликовый радиальный-упорный однорядный подшипник. Угол контакта 20 градусов. | 35.00 | 80.00 | 26.00 |
| 7607-А | Роликовый радиальный-упорный однорядный подшипник. Повышенная грузоподъемность. | 35.00 | 80.00 | 25.00 |
| SC0788FFX2NR | Шариковый радиальный однорядный подшипник. Канавка и стопорное кольцо на наружном кольце. Модификация фаски. | 35.00 | 80.00 | 24.00 |
| 180707-АС17 | Шариковый радиальный однорядный подшипник. Смазка Литол-24. Повышенная грузоподъемность. | 35.00 | 80.00 | 26.00 |
| 180707-С17 | Шариковый радиальный однорядный подшипник. Смазка Литол-24. | 35.00 | 80.00 | 26.00 |
| 2В0-180707 АС17 | Шариковый радиальный однорядный подшипник. Смазка Литол-24. Повышенная грузоподъемность. | 35.00 | 80.00 | 26.00 |
| 2ВО-180707 АС17 | Шариковый радиальный однорядный подшипник. Смазка Литол-24. Повышенная грузоподъемность. | 35.00 | 80.00 | 26.00 |
Способы доставки
Отправка через ведущие транспортные и курьерские компании: ПЭК, Деловые Линии, СДЭК, Байкал-Сервис, Энергия, КИТ, ЖелДорЭкспедиция.
Самовывоз возможен напрямую со склада в Москве.
Сроки доставки
Срок зависит от региона и выбранной транспортной компании. Все заказы комплектуются и отправляются в кратчайшие сроки со склада в Москве.
Надёжность и сохранность
Вся продукция упаковывается с учётом требований транспортировки. Мы гарантируем, что подшипники и комплектующие прибудут к заказчику в полной сохранности.
Доставка в страны ЕАЭС
Мы работаем с проверенными логистическими партнёрами, что позволяет оперативно доставлять заказы в Беларусь, Казахстан, Армению и другие страны ЕАЭС.
Варианты оплаты:
Минимальная сумма заказа и скидки:
Документы и гарантии:
Да, конечно! Наши технические специалисты готовы помочь вам с подбором точного аналога или замены подшипника. Просто позвоните нам по телефону +7 (495) 104-99-04 или напишите на почту zakaz@podsnab.ru.
Для оперативной консультации подготовьте, пожалуйста, имеющиеся данные: маркировку, размеры, тип оборудования или артикул старого подшипника.
Да, конечно! Мы высоко ценим долгосрочное сотрудничество и доверие клиентов по всей России. Для постоянных клиентов действует персональная система скидок.
Условия формируются индивидуально и зависят от:
Чтобы узнать свои условия и получить максимально выгодное предложение, свяжитесь с персональным менеджером или напишите нам на почту zakaz@podsnab.ru.
Вы можете оформить заказ несколькими способами:
Для оформления заказа от юридического лица свяжитесь с нашим отделом по работе с корпоративными клиентами по телефону +7 (495) 104-99-04 или напишите на email zakaz@podsnab.ru, прикрепив реквизиты вашей организации.
Мы оперативно подготовим коммерческое предложение и выставим счет.
Возврат товара надлежащего качества возможен в течение 10 дней с момента получения, если товар не был в употреблении, сохранен товарный вид, упаковка не вскрывалась и присутствуют все сопроводительные документы.
Возврат денежных средств осуществляется в течение 10 рабочих дней после проверки товара складом.
В соответствии с законодательством возврату не подлежат подшипники надлежащего качества, если отсутствует оригинальная упаковка или имеются следы монтажа.
В случае выявления брака или гарантийного случая мы гарантируем возврат или обмен товара.
Да, гарантийный срок хранения устанавливается заводом-изготовителем и в среднем составляет 2 года при соблюдении условий хранения: сухое помещение, оригинальная упаковка и смазка.
Точный срок для конкретного типа подшипника уточняйте у наших менеджеров.
Пн–Пт: с 8:00 до 17:00 (МСК).
Сб–Вс: выходные дни.
Заказы на сайте принимаются круглосуточно. Заявки, поступившие после окончания рабочего дня, обрабатываются на следующий рабочий день.
Минимальная сумма заказа для доставки составляет 3000 рублей. Самовывоз со склада возможен на любую сумму при наличии товара.
ООО «УралТехГрупп»
ИНН: 7415093830
КПП: 772401001
ОГРН: 1167456069021
Банк: ПАО Сбербанк
Р/с: 40702810838000475273
К/с: 30101810400000000225
БИК: 044525225
У подшипника SIRD35ES пока нет отзывов. Вы можете стать первым покупателем, поделившимся своим мнением.