Поиск подшипника
Статьи
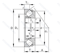
29244E1MB — Подшипник роликовый упорный сферический, модификация основного исполнения 29244, выпускается производителями: FAG, INA.
Размер подшипника: 220x300x48 мм.
Механически обработанный латунный сепаратор. клёпаный. центрируемый по внутреннему кольцу, конструкция с увеличенной грузоподьемностью.
Аналоги: 29244-E1-MB FAG.
Международная стандартизации ISO
29244E1MB
В наличии
| Обозначение | Конструктивные изменения |
|---|---|
| 29244E | Повышенная грузоподъемность. |
| 29244 | Подшипник роликовый упорный сферический. Основное конструктивное исполнение. |
| 29244EM | Стандартный фланцевый ( с резьбой и сквозным отверстием). |
| 29244M | Подшипник с латунным сепаратором. центрированный по телам качения. |
| 29244E.MB.E18C | Повышенная грузоподъемность. Механически обработанный латунный сепаратор. клёпаный. центрируемый по внутреннему кольцу. Long Term Packaging. |
| 29244-E-MB | Повышенная грузоподъемность. Механически обработанный латунный сепаратор. клёпаный. центрируемый по внутреннему кольцу. |
Модификации сферического роликового подшипника 29244E1MB — это измененное основное конструктивное исполнение 29244, основные размеры (220x300x48) не отличаются.
| Обозначение | Конструктивные особенности | Внутренний (d) | Наружный (D) | Ширина (B) |
|---|---|---|---|---|
| SL18-2944B C4 | Однорядный цилиндрический роликовый подшипник. Внутренний зазор подшипника больше. чем C3. Особенность внутренней конструкции. | 220.00 | 300.00 | 48.00 |
| NCF2944CV/C4 | Однорядный цилиндрический роликовый подшипник. Внутренние изменения в конструкции. Внутренний зазор подшипника больше. чем C3. Полноразмерный цилиндрический роликоподшипник с модифицированной внутренней конструкцией. | 220.00 | 300.00 | 48.00 |
| SL182944-B-XL-BR-C3 | Однорядный цилиндрический роликовый подшипник. Внутренний зазор больше нормального. Особенность внутренней конструкции. Серия X-Life премиум-класс. увеличиный срок службы. Чёрный цвет. | 220.00 | 300.00 | 48.00 |
| NU2944-A-HPA-P6-QP51-F59-C3 | Однорядный цилиндрический роликовый подшипник. Внутренний зазор больше нормального. Цилиндрические роликоподшипники. Взаимозаменяемые детали. Спецификация виброгрохота. Размерные и геометрические допуски соответствуют классу точности P6. Replaced By. Machined Window-Type Cage Of Forging Bronze. Outer Ring Riding. | 220.00 | 300.00 | 48.00 |
| NU2944A.MPA.P63 | Однорядный цилиндрический роликовый подшипник. Цилиндрические роликоподшипники. Взаимозаменяемые детали. Комбинация P6 (Точность размеров и пробега в соответствии с классом допуска ISO 6 (лучше нормы)) и C3 (Внутренний зазор больше нормы). Массивный латунный сепаратор. центрированный по бортику наружного кольца. | 220.00 | 300.00 | 48.00 |
| NU2944-A-XL-HPA-QP51-F59-C3 | Однорядный цилиндрический роликовый подшипник. Внутренний зазор больше нормального. Цилиндрические роликоподшипники. Взаимозаменяемые детали. Серия X-Life премиум-класс. увеличиный срок службы. Спецификация виброгрохота. Replaced By. Machined Window-Type Cage Of Forging Bronze. Outer Ring Riding. | 220.00 | 300.00 | 48.00 |
| NU2944-A-XL-M1 | Однорядный цилиндрический роликовый подшипник. Цилиндрические роликоподшипники. Взаимозаменяемые детали. Серия X-Life премиум-класс. увеличиный срок службы. Механически обработанный латунный сепаратор. вращающийся элемент качения (крестовина на заклепках). | 220.00 | 300.00 | 48.00 |
| R4416V | Роликовый радиальный однорядный подшипник. Подшипник без сепаратора. С полным комплектом тел качения. | 220.00 | 300.00 | 48.00 |
| NU 2944 M2P | Роликовый радиальный цилиндрический однорядный подшипник. Однорядный цилиндрический роликовый подшипник. | 220.00 | 300.00 | 48.00 |
| N2944 | Роликовый радиальный однорядный подшипник. Однорядный цилиндрический роликовый подшипник. Внутреннее кольцо подшипника имеет два борта. Два смещенных на 180° стопорных паза на наружной поверхности наружного кольца подшипника. | 220.00 | 300.00 | 48.00 |
| NF2944 | Роликовый радиальный однорядный подшипник. Механически обработанный сепаратор из стали или специального чугуна. Канавка под стопорное кольцо на наружном кольце подшипника. | 220.00 | 300.00 | 48.00 |
| NJ2944 | Роликовый радиальный однорядный подшипник. Штампованный сепаратор из стального листа. Канавка под стопорное кольцо на наружном кольце подшипника. Однорядный цилиндрический роликовый подшипник. Наружное кольцо имеет два борта. | 220.00 | 300.00 | 48.00 |
| NP2944 | Роликовый радиальный однорядный подшипник. Канавка под стопорное кольцо на наружном кольце подшипника. | 220.00 | 300.00 | 48.00 |
| NU2944 | Роликовый радиальный однорядный подшипник. Сталь сквозной закалки SUJ2 (японская) и взаимозаменяемость (только для метрических серий). Канавка под стопорное кольцо на наружном кольце подшипника. Однорядные цилиндрические роликоподшипники. Наружное кольцо подшипника имеет два борта. | 220.00 | 300.00 | 48.00 |
| NUP2944 | Роликовый радиальный однорядный подшипник. Канавка под стопорное кольцо на наружном кольце подшипника. Точность размеров примерно соответствует классу точности Р4. Однорядный цилиндрический роликовый подшипник. Наружное кольцо имеет два борта. | 220.00 | 300.00 | 48.00 |
Способы доставки
Отправка через ведущие транспортные и курьерские компании: ПЭК, Деловые Линии, СДЭК, Байкал-Сервис, Энергия, КИТ, ЖелДорЭкспедиция.
Самовывоз возможен напрямую со склада в Москве.
Сроки доставки
Срок зависит от региона и выбранной транспортной компании. Все заказы комплектуются и отправляются в кратчайшие сроки со склада в Москве.
Надёжность и сохранность
Вся продукция упаковывается с учётом требований транспортировки. Мы гарантируем, что подшипники и комплектующие прибудут к заказчику в полной сохранности.
Доставка в страны ЕАЭС
Мы работаем с проверенными логистическими партнёрами, что позволяет оперативно доставлять заказы в Беларусь, Казахстан, Армению и другие страны ЕАЭС.
Варианты оплаты:
Минимальная сумма заказа и скидки:
Документы и гарантии:
Да, конечно! Наши технические специалисты готовы помочь вам с подбором точного аналога или замены подшипника. Просто позвоните нам по телефону +7 (495) 104-99-04 или напишите на почту zakaz@podsnab.ru.
Для оперативной консультации подготовьте, пожалуйста, имеющиеся данные: маркировку, размеры, тип оборудования или артикул старого подшипника.
Да, конечно! Мы высоко ценим долгосрочное сотрудничество и доверие клиентов по всей России. Для постоянных клиентов действует персональная система скидок.
Условия формируются индивидуально и зависят от:
Чтобы узнать свои условия и получить максимально выгодное предложение, свяжитесь с персональным менеджером или напишите нам на почту zakaz@podsnab.ru.
Вы можете оформить заказ несколькими способами:
Для оформления заказа от юридического лица свяжитесь с нашим отделом по работе с корпоративными клиентами по телефону +7 (495) 104-99-04 или напишите на email zakaz@podsnab.ru, прикрепив реквизиты вашей организации.
Мы оперативно подготовим коммерческое предложение и выставим счет.
Возврат товара надлежащего качества возможен в течение 10 дней с момента получения, если товар не был в употреблении, сохранен товарный вид, упаковка не вскрывалась и присутствуют все сопроводительные документы.
Возврат денежных средств осуществляется в течение 10 рабочих дней после проверки товара складом.
В соответствии с законодательством возврату не подлежат подшипники надлежащего качества, если отсутствует оригинальная упаковка или имеются следы монтажа.
В случае выявления брака или гарантийного случая мы гарантируем возврат или обмен товара.
Да, гарантийный срок хранения устанавливается заводом-изготовителем и в среднем составляет 2 года при соблюдении условий хранения: сухое помещение, оригинальная упаковка и смазка.
Точный срок для конкретного типа подшипника уточняйте у наших менеджеров.
Пн–Пт: с 8:00 до 17:00 (МСК).
Сб–Вс: выходные дни.
Заказы на сайте принимаются круглосуточно. Заявки, поступившие после окончания рабочего дня, обрабатываются на следующий рабочий день.
Минимальная сумма заказа для доставки составляет 3000 рублей. Самовывоз со склада возможен на любую сумму при наличии товара.
ООО «УралТехГрупп»
ИНН: 7415093830
КПП: 772401001
ОГРН: 1167456069021
Банк: ПАО Сбербанк
Р/с: 40702810838000475273
К/с: 30101810400000000225
БИК: 044525225
У подшипника 29244E1MB пока нет отзывов. Вы можете стать первым покупателем, поделившимся своим мнением.