Поиск подшипника
Статьи
29432R — Роликовый радиальный сферический однорядный подшипник, модификация основного исполнения 29432, производство KOYO.
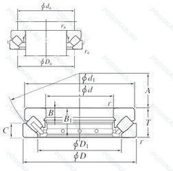
Размер подшипника: 160x320x95 мм.
С выпуклыми асимметричными роликами и обработанным сепаратором.
Международная стандартизации ISO
29432R
В наличии
| Обозначение | Конструктивные изменения |
|---|---|
| 29432M | Подшипник с латунным сепаратором. центрированный по телам качения. |
| 29432 | Роликовый радиальный сферический однорядный подшипник. Основное конструктивное исполнение. |
| 29432E | Повышенная грузоподъемность. |
| 29432FGM | Роликовый радиальный сферический однорядный подшипник. |
| 29432B | Конический роликовый подшипник. Угол контакта 20 градусов. |
| 29432E MY | Изменение конструкции роликового подшипника. Механически обработанный латунный сепаратор. |
| 29432EX | Сферический роликоподшипник высокой грузоподъемности. |
| 29432-E1-XL | Серия X-Life премиум-класс. увеличиный срок службы. Конструкция с увеличенной грузоподьемностью. |
| 29432E.W10 | Повышенная грузоподъемность. Average Running Torque In MG-MM Divided By 100. |
| 29432-E1-XL-N1 | Серия X-Life премиум-класс. увеличиный срок службы. Конструкция с увеличенной грузоподьемностью. Один установочный паз на внешней кромке наружного кольца (для радиального расположения подшипника). |
| 29432EJ | Land-Riding Steel Cage_ One Per Row. |
| 29432E1 | Конструкция с увеличенной грузоподьемностью. |
| 29432EM | Стандартный фланцевый ( с резьбой и сквозным отверстием). |
| 29432-E-N1 | Повышенная грузоподъемность. Один установочный паз на внешней кромке наружного кольца (для радиального расположения подшипника). |
Модификации самоцентрирующегося роликового подшипника 29432R — это измененное основное конструктивное исполнение 29432, основные размеры (160x320x95) не отличаются.
| Обозначение | Конструктивные особенности | Внутренний (d) | Наружный (D) | Ширина (B) |
|---|---|---|---|---|
| 89432-X-MB | Роликовый цилиндрический упорный подшипник. Латунный сепаратор. Из двух частей. Направляющая на центральном ребре. Измененные размеры границ. введенные пересмотренными стандартами ISO. | 160.00 | 320.00 | 95.00 |
| 89432-M | Роликовый цилиндрический упорный подшипник. Подшипник с латунным сепаратором. центрированный по телам качения. | 160.00 | 320.00 | 95.00 |
| 6-9039432 ЛШ1 | Роликовый упорно-радиальный однорядный подшипник. Сепаратор из латуни.. Нормы шумности. | 160.00 | 320.00 | 95.00 |
| 6-9039432 ЛШ | Роликовый упорно-радиальный однорядный подшипник. Сепаратор из латуни.. Нормы шумности. | 160.00 | 320.00 | 95.00 |
| 9039432 | Роликовый упорно-радиальный однорядный подшипник. | 160.00 | 320.00 | 95.00 |
| 9019432 | Роликовый упорный одинарный подшипник. | 160.00 | 320.00 | 95.00 |
| 89432 | Роликовый упорный цилиндрический однорядный подшипник. | 160.00 | 320.00 | 95.00 |
Способы доставки
Отправка через ведущие транспортные и курьерские компании: ПЭК, Деловые Линии, СДЭК, Байкал-Сервис, Энергия, КИТ, ЖелДорЭкспедиция.
Самовывоз возможен напрямую со склада в Москве.
Сроки доставки
Срок зависит от региона и выбранной транспортной компании. Все заказы комплектуются и отправляются в кратчайшие сроки со склада в Москве.
Надёжность и сохранность
Вся продукция упаковывается с учётом требований транспортировки. Мы гарантируем, что подшипники и комплектующие прибудут к заказчику в полной сохранности.
Доставка в страны ЕАЭС
Мы работаем с проверенными логистическими партнёрами, что позволяет оперативно доставлять заказы в Беларусь, Казахстан, Армению и другие страны ЕАЭС.
Варианты оплаты:
Минимальная сумма заказа и скидки:
Документы и гарантии:
Да, конечно! Наши технические специалисты готовы помочь вам с подбором точного аналога или замены подшипника. Просто позвоните нам по телефону +7 (495) 104-99-04 или напишите на почту zakaz@podsnab.ru.
Для оперативной консультации подготовьте, пожалуйста, имеющиеся данные: маркировку, размеры, тип оборудования или артикул старого подшипника.
Да, конечно! Мы высоко ценим долгосрочное сотрудничество и доверие клиентов по всей России. Для постоянных клиентов действует персональная система скидок.
Условия формируются индивидуально и зависят от:
Чтобы узнать свои условия и получить максимально выгодное предложение, свяжитесь с персональным менеджером или напишите нам на почту zakaz@podsnab.ru.
Вы можете оформить заказ несколькими способами:
Для оформления заказа от юридического лица свяжитесь с нашим отделом по работе с корпоративными клиентами по телефону +7 (495) 104-99-04 или напишите на email zakaz@podsnab.ru, прикрепив реквизиты вашей организации.
Мы оперативно подготовим коммерческое предложение и выставим счет.
Возврат товара надлежащего качества возможен в течение 10 дней с момента получения, если товар не был в употреблении, сохранен товарный вид, упаковка не вскрывалась и присутствуют все сопроводительные документы.
Возврат денежных средств осуществляется в течение 10 рабочих дней после проверки товара складом.
В соответствии с законодательством возврату не подлежат подшипники надлежащего качества, если отсутствует оригинальная упаковка или имеются следы монтажа.
В случае выявления брака или гарантийного случая мы гарантируем возврат или обмен товара.
Да, гарантийный срок хранения устанавливается заводом-изготовителем и в среднем составляет 2 года при соблюдении условий хранения: сухое помещение, оригинальная упаковка и смазка.
Точный срок для конкретного типа подшипника уточняйте у наших менеджеров.
Пн–Пт: с 8:00 до 17:00 (МСК).
Сб–Вс: выходные дни.
Заказы на сайте принимаются круглосуточно. Заявки, поступившие после окончания рабочего дня, обрабатываются на следующий рабочий день.
Минимальная сумма заказа для доставки составляет 3000 рублей. Самовывоз со склада возможен на любую сумму при наличии товара.
ООО «УралТехГрупп»
ИНН: 7415093830
КПП: 772401001
ОГРН: 1167456069021
Банк: ПАО Сбербанк
Р/с: 40702810838000475273
К/с: 30101810400000000225
БИК: 044525225
У подшипника 29432R пока нет отзывов. Вы можете стать первым покупателем, поделившимся своим мнением.