Поиск подшипника
Статьи
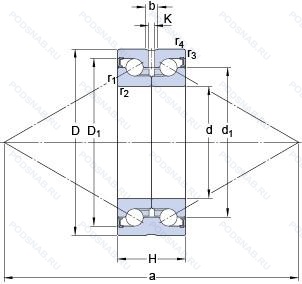
BEAS 020052-2RZ/PE — Шариковый упорный подшипник, модификация основного исполнения 20052, производство SKF.
Размер подшипника: 20x52x28 мм.
Шарикоподшипник. с уплотнением и низким коэффициентом трения с обеих сторон. уплотнение состоит из шайбы из листовой стали с вулканизированной резиной, допуски на увеличенный диаметр и осевое биение по классу точности p5 для радиальных подшипников.
Международная стандартизации ISO
BEAS0200522RZPE
В наличии
| Обозначение | Конструктивные изменения |
|---|---|
| BEAS 020052-2RZ | Шарикоподшипник. С уплотнением и низким коэффициентом трения с обеих сторон. Уплотнение состоит из шайбы из листовой стали с вулканизированной резиной. |
Модификации шарикового подшипника BEAS 020052-2RZ/PE — это измененное основное конструктивное исполнение 20052, основные размеры (20x52x28) не отличаются.
| Обозначение | Конструктивные особенности | Внутренний (d) | Наружный (D) | Ширина (B) |
|---|---|---|---|---|
| BSN2052DDUHP2B | Шариковый радиально-упорный подшипник двойного направления. Предварительная нагрузка. Тип уплотнения. Класс точности 2 по ISO. | 20.00 | 52.00 | 28.00 |
| ZKLN2052 2RS | Шариковый радиально-упорный подшипник двойного направления. Резиновые уплотнения с каждой стороны подшипника. | 20.00 | 52.00 | 28.00 |
| DBSB020052.2RS.T | Шариковый радиально-упорный подшипник двойного направления. Резиновые уплотнения с каждой стороны подшипника. Полиамидный сепаратор. | 20.00 | 52.00 | 28.00 |
| BEAS020052-2Z/PE | Шариковый радиально-упорный подшипник двойного направления. Защитные металлические шайбы с обеих сторон подшипника. Допуски на увеличенный диаметр и осевое биение по классу точности P5 для радиальных подшипников. | 20.00 | 52.00 | 28.00 |
| BEAS020052-2Z | Шариковый радиально-упорный подшипник двойного направления. Защитные металлические шайбы с обеих сторон подшипника. | 20.00 | 52.00 | 28.00 |
| ZKLN2052-2Z | Шариковый радиально-упорный подшипник двойного направления. Зазорные уплотнения с обеих сторон подшипника.. | 20.00 | 52.00 | 28.00 |
| BEAS20/52C 7 P60 | Шариковый радиально-упорный подшипник двойного направления. Усиленные листовой сталью контактные уплотнения из акрилонитрил-бутадиенового каучука (NBR) с обеих сторон подшипника. Литой под давлением сепаратор из полиамида 66. Accuracy To ABEC7 (ISO Tolerance Class 4). Угол контакта 60°. | 20.00 | 52.00 | 28.00 |
| BEAS20/52Z 7 P60 | Шариковый радиально-упорный подшипник двойного направления. Защитные металлические шайбы с обеих сторон подшипника. Литой под давлением сепаратор из полиамида 66. Accuracy To ABEC7 (ISO Tolerance Class 4). Угол контакта 60°. | 20.00 | 52.00 | 28.00 |
| BEAS20/52C SQ P60 | Шариковый радиально-упорный подшипник двойного направления. Усиленные листовой сталью контактные уплотнения из акрилонитрил-бутадиенового каучука (NBR) с обеих сторон подшипника. Литой под давлением сепаратор из полиамида 66. Допуски на увеличенный диаметр и осевое биение по классу точности P5 для радиальных подшипников. Угол контакта 60°. | 20.00 | 52.00 | 28.00 |
| ZKLN2052-2Z-PE | Шариковый радиально-упорный подшипник двойного направления. Зазорные уплотнения с обеих сторон подшипника.. Допуски на увеличенный диаметр и осевое биение по классу точности P5 для радиальных подшипников. | 20.00 | 52.00 | 28.00 |
| BEAS20/52Z SQ P60 | Шариковый радиально-упорный подшипник двойного направления. Защитные металлические шайбы с обеих сторон подшипника. Литой под давлением сепаратор из полиамида 66. Допуски на увеличенный диаметр и осевое биение по классу точности P5 для радиальных подшипников. Угол контакта 60°. | 20.00 | 52.00 | 28.00 |
| ZKLN2052.2RS.PE | Шариковый радиально-упорный подшипник двойного направления. Манжетное уплотнение с обеих сторон подшипника. Допуски на увеличенный диаметр и осевое биение по классу точности P5 для радиальных подшипников. | 20.00 | 52.00 | 28.00 |
| FHS204-12 | Подшипник для корпуса. 3/4. | 19.05 | 52.00 | 27.00 |
| 862704M | Роликовый радиальный двухрядный подшипник. Подшипник с латунным сепаратором. центрированный по телам качения. | 20.00 | 52.00 | 28.00 |
| 2205 EKTN9 + H 305 | Шариковый сферический двухрядный подшипник. Pressed Snap-Type Steel Cage. Hardened. | 20.00 | 52.00 | 29.00 |
Способы доставки
Отправка через ведущие транспортные и курьерские компании: ПЭК, Деловые Линии, СДЭК, Байкал-Сервис, Энергия, КИТ, ЖелДорЭкспедиция.
Самовывоз возможен напрямую со склада в Москве.
Сроки доставки
Срок зависит от региона и выбранной транспортной компании. Все заказы комплектуются и отправляются в кратчайшие сроки со склада в Москве.
Надёжность и сохранность
Вся продукция упаковывается с учётом требований транспортировки. Мы гарантируем, что подшипники и комплектующие прибудут к заказчику в полной сохранности.
Доставка в страны ЕАЭС
Мы работаем с проверенными логистическими партнёрами, что позволяет оперативно доставлять заказы в Беларусь, Казахстан, Армению и другие страны ЕАЭС.
Варианты оплаты:
Минимальная сумма заказа и скидки:
Документы и гарантии:
Да, конечно! Наши технические специалисты готовы помочь вам с подбором точного аналога или замены подшипника. Просто позвоните нам по телефону +7 (495) 104-99-04 или напишите на почту zakaz@podsnab.ru.
Для оперативной консультации подготовьте, пожалуйста, имеющиеся данные: маркировку, размеры, тип оборудования или артикул старого подшипника.
Да, конечно! Мы высоко ценим долгосрочное сотрудничество и доверие клиентов по всей России. Для постоянных клиентов действует персональная система скидок.
Условия формируются индивидуально и зависят от:
Чтобы узнать свои условия и получить максимально выгодное предложение, свяжитесь с персональным менеджером или напишите нам на почту zakaz@podsnab.ru.
Вы можете оформить заказ несколькими способами:
Для оформления заказа от юридического лица свяжитесь с нашим отделом по работе с корпоративными клиентами по телефону +7 (495) 104-99-04 или напишите на email zakaz@podsnab.ru, прикрепив реквизиты вашей организации.
Мы оперативно подготовим коммерческое предложение и выставим счет.
Возврат товара надлежащего качества возможен в течение 10 дней с момента получения, если товар не был в употреблении, сохранен товарный вид, упаковка не вскрывалась и присутствуют все сопроводительные документы.
Возврат денежных средств осуществляется в течение 10 рабочих дней после проверки товара складом.
В соответствии с законодательством возврату не подлежат подшипники надлежащего качества, если отсутствует оригинальная упаковка или имеются следы монтажа.
В случае выявления брака или гарантийного случая мы гарантируем возврат или обмен товара.
Да, гарантийный срок хранения устанавливается заводом-изготовителем и в среднем составляет 2 года при соблюдении условий хранения: сухое помещение, оригинальная упаковка и смазка.
Точный срок для конкретного типа подшипника уточняйте у наших менеджеров.
Пн–Пт: с 8:00 до 17:00 (МСК).
Сб–Вс: выходные дни.
Заказы на сайте принимаются круглосуточно. Заявки, поступившие после окончания рабочего дня, обрабатываются на следующий рабочий день.
Минимальная сумма заказа для доставки составляет 3000 рублей. Самовывоз со склада возможен на любую сумму при наличии товара.
ООО «УралТехГрупп»
ИНН: 7415093830
КПП: 772401001
ОГРН: 1167456069021
Банк: ПАО Сбербанк
Р/с: 40702810838000475273
К/с: 30101810400000000225
БИК: 044525225
У подшипника BEAS 020052-2RZ/PE пока нет отзывов. Вы можете стать первым покупателем, поделившимся своим мнением.