Поиск подшипника
Статьи
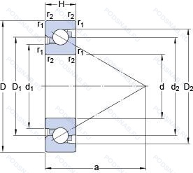
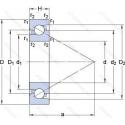
BSD 45100 C — Шариковый упорный подшипник, модификация основного исполнения 45100, производство SKF.
Размер подшипника: 45x100x20 мм.
Угол контакта α=60, 15° угол контакта.
Международная стандартизации ISO
BSD45100C
В наличии
| Обозначение | Конструктивные изменения |
|---|---|
| BSD 45100 CG-2RZ | Шарикоподшипник. С уплотнением и низким коэффициентом трения с обеих сторон. Уплотнение состоит из шайбы из листовой стали с вулканизированной резиной. Резьбовой винт со стопором и защелкой. |
| BSD 45100 CG | Резьбовой винт со стопором и защелкой. |
Модификации шарикового подшипника BSD 45100 C — это измененное основное конструктивное исполнение 45100, основные размеры (45x100x20) не отличаются.
| Обозначение | Конструктивные особенности | Внутренний (d) | Наружный (D) | Ширина (B) |
|---|---|---|---|---|
| N309L3 | Подшипник однорядный шариковый радиальный. Тройное манжетное уплотнение для вкладыша подшипника. | 45.00 | 100.00 | 21.00 |
| BSB045100QUH P3 | Подшипник шариковый однорядный радиально-упорный. Класс точности ниже. чем P2. но выше. чем P4. Set Of 4 Universal Bearings. High Preload. | 45.00 | 100.00 | 20.00 |
| BSB045100-T-L055 | Шариковый радиально-упорный подшипник однонаправленный. Полиамидный сепаратор. Подшипник смазан высокоэффективной смазкой Arcanol MULTITOP. | 45.00 | 100.00 | 20.00 |
| BSB045100SUH P3 | Шариковый радиально-упорный подшипник однонаправленный. Класс точности ниже. чем P2. но выше. чем P4. Одиночный универсальный подшипник. Большой преднатяг. | 45.00 | 100.00 | 20.00 |
| BSB045100SUHP3/SRIY | Шариковый радиально-упорный подшипник однонаправленный. Operating Temperature Range (Continuous) -30°C / 150°C. Maximum Temperature For Short-Term Exposure Is 175°C. Класс точности ниже. чем P2. но выше. чем P4. Одиночный универсальный подшипник. Большой преднатяг. | 45.00 | 100.00 | 20.00 |
| 45TAB10U/GMP4 | Шариковый радиально-упорный подшипник однонаправленный. Радиально-упорный одиночный подшипник - шлифованный для универсального дуплексирования. Класс точности. Средний предварительный натяг. | 45.00 | 100.00 | 20.00 |
| 45TAB10DF | Шариковый радиально-упорный подшипник однонаправленный. Два однорядных радиально-упорных шарикоподшипника. подобранных для установки лицом к лицу. | 45.00 | 100.00 | 20.00 |
| BSB045100-T | Шариковый радиально-упорный подшипник однонаправленный. Полиамидный сепаратор. | 45.00 | 100.00 | 20.00 |
| 45TAC100BSUC10PN7A | Шариковый радиально-упорный подшипник однонаправленный. High Capacity & Higher Speed (Replaces “A” Type). одинарный подшипник. универсальная компоновка. Метрическая серия. Класс ISO 4 (Abec 7) Модифицированный более строгий стандарт для осевого биения Uxx или Pss. специальный класс точности или особенности. | 45.00 | 100.00 | 20.00 |
| BST45X100-1BP4 | Шариковый радиально-упорный подшипник однонаправленный. Класс точности Р4 по ISO (точнее. чем P5) - Abec.7. Промышленная упаковка. Identification Code. | 45.00 | 100.00 | 20.00 |
| B45-90 | Шариковый радиальный однорядный подшипник. Подшипник со специальными размерами. 90μm. | 45.00 | 100.00 | 21.00 |
| SC0915 | Шариковый радиальный однорядный подшипник. Механически обработанный сепаратор. | 45.00 | 100.00 | 21.00 |
| SC0914 | Шариковый радиальный однорядный подшипник. Механически обработанный сепаратор. | 45.00 | 100.00 | 21.00 |
| AB12802 | Шариковый радиальный однорядный подшипник. Однорядный радиально-упорный шариковый подшипник с полиамидным сепаратором. | 45.00 | 100.00 | 21.00 |
| SAC45100B | Шариковый упорный однорядный подшипник. Конический роликовый подшипник. Угол контакта 20 градусов. | 45.00 | 100.00 | 20.00 |
Способы доставки
Отправка через ведущие транспортные и курьерские компании: ПЭК, Деловые Линии, СДЭК, Байкал-Сервис, Энергия, КИТ, ЖелДорЭкспедиция.
Самовывоз возможен напрямую со склада в Москве.
Сроки доставки
Срок зависит от региона и выбранной транспортной компании. Все заказы комплектуются и отправляются в кратчайшие сроки со склада в Москве.
Надёжность и сохранность
Вся продукция упаковывается с учётом требований транспортировки. Мы гарантируем, что подшипники и комплектующие прибудут к заказчику в полной сохранности.
Доставка в страны ЕАЭС
Мы работаем с проверенными логистическими партнёрами, что позволяет оперативно доставлять заказы в Беларусь, Казахстан, Армению и другие страны ЕАЭС.
Варианты оплаты:
Минимальная сумма заказа и скидки:
Документы и гарантии:
Да, конечно! Наши технические специалисты готовы помочь вам с подбором точного аналога или замены подшипника. Просто позвоните нам по телефону +7 (495) 104-99-04 или напишите на почту zakaz@podsnab.ru.
Для оперативной консультации подготовьте, пожалуйста, имеющиеся данные: маркировку, размеры, тип оборудования или артикул старого подшипника.
Да, конечно! Мы высоко ценим долгосрочное сотрудничество и доверие клиентов по всей России. Для постоянных клиентов действует персональная система скидок.
Условия формируются индивидуально и зависят от:
Чтобы узнать свои условия и получить максимально выгодное предложение, свяжитесь с персональным менеджером или напишите нам на почту zakaz@podsnab.ru.
Вы можете оформить заказ несколькими способами:
Для оформления заказа от юридического лица свяжитесь с нашим отделом по работе с корпоративными клиентами по телефону +7 (495) 104-99-04 или напишите на email zakaz@podsnab.ru, прикрепив реквизиты вашей организации.
Мы оперативно подготовим коммерческое предложение и выставим счет.
Возврат товара надлежащего качества возможен в течение 10 дней с момента получения, если товар не был в употреблении, сохранен товарный вид, упаковка не вскрывалась и присутствуют все сопроводительные документы.
Возврат денежных средств осуществляется в течение 10 рабочих дней после проверки товара складом.
В соответствии с законодательством возврату не подлежат подшипники надлежащего качества, если отсутствует оригинальная упаковка или имеются следы монтажа.
В случае выявления брака или гарантийного случая мы гарантируем возврат или обмен товара.
Да, гарантийный срок хранения устанавливается заводом-изготовителем и в среднем составляет 2 года при соблюдении условий хранения: сухое помещение, оригинальная упаковка и смазка.
Точный срок для конкретного типа подшипника уточняйте у наших менеджеров.
Пн–Пт: с 8:00 до 17:00 (МСК).
Сб–Вс: выходные дни.
Заказы на сайте принимаются круглосуточно. Заявки, поступившие после окончания рабочего дня, обрабатываются на следующий рабочий день.
Минимальная сумма заказа для доставки составляет 3000 рублей. Самовывоз со склада возможен на любую сумму при наличии товара.
ООО «УралТехГрупп»
ИНН: 7415093830
КПП: 772401001
ОГРН: 1167456069021
Банк: ПАО Сбербанк
Р/с: 40702810838000475273
К/с: 30101810400000000225
БИК: 044525225
У подшипника BSD 45100 C пока нет отзывов. Вы можете стать первым покупателем, поделившимся своим мнением.