Поиск подшипника
Статьи
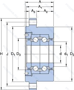
FBSA 204/DF — Шариковый упорный подшипник, модификация основного исполнения 204, производство SKF.
Размер подшипника: 20x90x47 мм.
Комплект из двух подшипников. согласованных для установки по х-образной схеме. число. следующее непосредственно после букв df. обозначает конструкцию промежуточного кольца.
Международная стандартизации ISO
FBSA204DF
В наличии
| Обозначение | Конструктивные изменения |
|---|---|
| 204FFTX74K58VADTL G-7 | Устройство повторного смазывания со смазочной канавкой и отверстием на внешнем кольце. Небольшая предварительная нагрузка. |
| 204STX73K5DBL G-18 | Устройство повторного смазывания со смазочной канавкой и отверстием на внешнем кольце. 18° Угол контакта. |
| 204PPS | Внешний самоустанавливающийся тип. Сферическая поверхность наружного кольца совпадает с внутренней сферической поверхностью дополнительного кольца с прямым или плоским наружным диаметром. Используется для обозначения однорядных подшипников с широким внутренним кольцом.. Манжетные уплотнения с обеих сторон подшипника. |
| 204RR6 | Резиновое уплотнение с двух сторон. |
| NUP 204 ECML | Однорядный цилиндрический роликовый подшипник. |
| NJ 204 ECML | Однорядный цилиндрический роликовый подшипник. |
| NU 204 ECPHA | Измененная или модифицированная внутренняя конструкция при неизменных основных размерах. Однорядный цилиндрический роликовый подшипник. |
| NU 204 ECML | Однорядный цилиндрический роликовый подшипник. |
| NUP 204 ECPHA | Измененная или модифицированная внутренняя конструкция при неизменных основных размерах. Однорядный цилиндрический роликовый подшипник. |
| NJ 204 ET | Сквозная закалка и шлифовка стали с переломом в одной точке. |
| 204W | Максимальная грузоподъемность. |
| FBSA 204/QBC | Четыре подшипника в O-образной компоновке. |
| FBSA 204/DB | Two Single Row Deep Groove Ball Bearings. Single Row Angular Contact Ball Bearings Or Single Row Tapered Roller Bearings Matched For Mounting In A Back-To-Back Arrangement. |
| BSA 204 CG-2RZ | Шарикоподшипник. С уплотнением и низким коэффициентом трения с обеих сторон. Уплотнение состоит из шайбы из листовой стали с вулканизированной резиной. Резьбовой винт со стопором и защелкой. |
| BSA 204 CG | Резьбовой винт со стопором и защелкой. |
| NJ 204 ECPHA | Измененная или модифицированная внутренняя конструкция при неизменных основных размерах. Однорядный цилиндрический роликовый подшипник. |
| GEZH 204 ES | Разъемное наружное кольцо со смазочными отверстиями. |
| GEZPR 204 S | Запечатанная версия кулачкового ролика. |
| GEZM 204 ES | Разъемное наружное кольцо со смазочными отверстиями. |
| GEZ 204 ES-2LS | Контактное уплотнение с обеих сторон подшипника. Разъемное наружное кольцо со смазочными отверстиями. |
| GEZH 204 ESX-2LS | Контактное уплотнение с обеих сторон подшипника. |
| GEZH 204 ES-2RS | Резиновые уплотнения с каждой стороны подшипника. Разъемное наружное кольцо со смазочными отверстиями. |
| GEZM 204 ES-2LS | Контактное уплотнение с обеих сторон подшипника. Разъемное наружное кольцо со смазочными отверстиями. |
| GEZM 204 ESX-2LS | Контактное уплотнение с обеих сторон подшипника. |
| GEZM 204 ES-2RS | Резиновые уплотнения с каждой стороны подшипника. Разъемное наружное кольцо со смазочными отверстиями. |
Модификации шарикового подшипника FBSA 204/DF — это измененное основное конструктивное исполнение 204, основные размеры (20x90x47) не отличаются.
Способы доставки
Отправка через ведущие транспортные и курьерские компании: ПЭК, Деловые Линии, СДЭК, Байкал-Сервис, Энергия, КИТ, ЖелДорЭкспедиция.
Самовывоз возможен напрямую со склада в Москве.
Сроки доставки
Срок зависит от региона и выбранной транспортной компании. Все заказы комплектуются и отправляются в кратчайшие сроки со склада в Москве.
Надёжность и сохранность
Вся продукция упаковывается с учётом требований транспортировки. Мы гарантируем, что подшипники и комплектующие прибудут к заказчику в полной сохранности.
Доставка в страны ЕАЭС
Мы работаем с проверенными логистическими партнёрами, что позволяет оперативно доставлять заказы в Беларусь, Казахстан, Армению и другие страны ЕАЭС.
Варианты оплаты:
Минимальная сумма заказа и скидки:
Документы и гарантии:
Да, конечно! Наши технические специалисты готовы помочь вам с подбором точного аналога или замены подшипника. Просто позвоните нам по телефону +7 (495) 104-99-04 или напишите на почту zakaz@podsnab.ru.
Для оперативной консультации подготовьте, пожалуйста, имеющиеся данные: маркировку, размеры, тип оборудования или артикул старого подшипника.
Да, конечно! Мы высоко ценим долгосрочное сотрудничество и доверие клиентов по всей России. Для постоянных клиентов действует персональная система скидок.
Условия формируются индивидуально и зависят от:
Чтобы узнать свои условия и получить максимально выгодное предложение, свяжитесь с персональным менеджером или напишите нам на почту zakaz@podsnab.ru.
Вы можете оформить заказ несколькими способами:
Для оформления заказа от юридического лица свяжитесь с нашим отделом по работе с корпоративными клиентами по телефону +7 (495) 104-99-04 или напишите на email zakaz@podsnab.ru, прикрепив реквизиты вашей организации.
Мы оперативно подготовим коммерческое предложение и выставим счет.
Возврат товара надлежащего качества возможен в течение 10 дней с момента получения, если товар не был в употреблении, сохранен товарный вид, упаковка не вскрывалась и присутствуют все сопроводительные документы.
Возврат денежных средств осуществляется в течение 10 рабочих дней после проверки товара складом.
В соответствии с законодательством возврату не подлежат подшипники надлежащего качества, если отсутствует оригинальная упаковка или имеются следы монтажа.
В случае выявления брака или гарантийного случая мы гарантируем возврат или обмен товара.
Да, гарантийный срок хранения устанавливается заводом-изготовителем и в среднем составляет 2 года при соблюдении условий хранения: сухое помещение, оригинальная упаковка и смазка.
Точный срок для конкретного типа подшипника уточняйте у наших менеджеров.
Пн–Пт: с 8:00 до 17:00 (МСК).
Сб–Вс: выходные дни.
Заказы на сайте принимаются круглосуточно. Заявки, поступившие после окончания рабочего дня, обрабатываются на следующий рабочий день.
Минимальная сумма заказа для доставки составляет 3000 рублей. Самовывоз со склада возможен на любую сумму при наличии товара.
ООО «УралТехГрупп»
ИНН: 7415093830
КПП: 772401001
ОГРН: 1167456069021
Банк: ПАО Сбербанк
Р/с: 40702810838000475273
К/с: 30101810400000000225
БИК: 044525225
У подшипника FBSA 204/DF пока нет отзывов. Вы можете стать первым покупателем, поделившимся своим мнением.