Поиск подшипника
Статьи
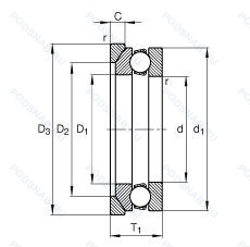
53236-MP + U236 — Шариковый упорный подшипник, модификация основного исполнения 53236, производство FAG.
Размер подшипника: 180x260x66 мм.
Массивный латунный сепаратор. центрированный по телам качения.
Международная стандартизации ISO
53236MPU236
В наличии
| Обозначение | Конструктивные изменения |
|---|---|
| 53236F | Сепаратор из обработанной стали или специального чугуна. |
| 53236 | Шариковый упорный подшипник. Основное конструктивное исполнение. |
| 53236U | Упорный шариковый подшипник. С шайбой сферического корпуса и с шайбой посадочного места. |
| 53236MP | Массивный латунный сепаратор. центрированный по телам качения. |
| 53236+U236 | Шариковый упорный подшипник. |
| 53236XU | Spherical Seat Ring Type. |
| 53236X | Измененные размеры границ. введенные пересмотренными стандартами ISO. |
| 53236U+U236 | Универсальный одиночный подшипник. |
Модификации шарикового подшипника 53236-MP + U236 — это измененное основное конструктивное исполнение 53236, основные размеры (180x260x66) не отличаются.
| Обозначение | Гост | Конструктивные особенности |
|---|---|---|
| 936 | ISO | Шариковый упорный подшипник. |
Аналог шарикового подшипника 53236-MP + U236 — это подшипник такого же размера dx180,Dx260,Bx66, типа и конструкции.
| Обозначение | Конструктивные особенности | Внутренний (d) | Наружный (D) | Ширина (B) |
|---|---|---|---|---|
| 509059A | Подшипник шариковый двухрядный радиально-упорный. Модификация внутренней конструкции. | 180.00 | 260.00 | 66.00 |
| 305262D | Подшипник шариковый двухрядный радиально-упорный. Половина целого игольчатого валика. Применять суффикс 'D' в базовом номере. | 180.00 | 260.00 | 66.00 |
| 305262D P6 | Подшипник шариковый двухрядный радиально-упорный. Половина целого игольчатого валика. Применять суффикс 'D' в базовом номере. Размерные и геометрические допуски соответствуют классу точности P6. | 180.00 | 260.00 | 66.00 |
| 305262SP DF | Подшипник шариковый двухрядный радиально-упорный. Точность размеров примерно соответствует классу точности Р5. биения — классу точности Р4. Два однорядных радиально-упорных шарикоподшипника. подобранных для установки лицом к лицу. | 180.00 | 260.00 | 66.00 |
| C3034K | Тороидальный роликовый подшипник CARB. Тороидальный подшипник CARB. Коническое отверстие. конус 1/12. | 170.00 | 260.00 | 67.00 |
| DE3612 | Шариковый радиально-упорный двухрядный подшипник. | 180.00 | 259.50 | 66.00 |
| DE3610 | Шариковый радиально-упорный двухрядный подшипник. | 180.00 | 259.50 | 66.00 |
| DE3601 | Шариковый радиально-упорный двухрядный подшипник. | 180.00 | 259.50 | 66.00 |
| DE3603 | Шариковый радиально-упорный двухрядный подшипник. | 180.00 | 259.50 | 66.00 |
| DE3615 | Шариковый радиально-упорный двухрядный подшипник. | 180.00 | 259.50 | 66.00 |
| SF3629DF | Шариковый радиально-упорный двухрядный подшипник. Комплект из двух подшипников. согласованных для установки по Х-образной схеме. Число. следующее непосредственно после букв DF. обозначает конструкцию промежуточного кольца. | 180.00 | 259.50 | 66.00 |
| SF3618DB | Шариковый радиально-упорный двухрядный подшипник. Two Single Row Deep Groove Ball Bearings. Single Row Angular Contact Ball Bearings Or Single Row Tapered Roller Bearings Matched For Mounting In A Back-To-Back Arrangement. | 180.00 | 259.50 | 66.00 |
| SF3644DB | Шариковый радиально-упорный двухрядный подшипник. Two Single Row Deep Groove Ball Bearings. Single Row Angular Contact Ball Bearings Or Single Row Tapered Roller Bearings Matched For Mounting In A Back-To-Back Arrangement. | 180.00 | 259.50 | 66.00 |
| SF3639DB | Шариковый радиально-упорный двухрядный подшипник. Two Single Row Deep Groove Ball Bearings. Single Row Angular Contact Ball Bearings Or Single Row Tapered Roller Bearings Matched For Mounting In A Back-To-Back Arrangement. | 180.00 | 259.50 | 66.00 |
| 305262-1 | Шариковый радиально-упорный двухрядный подшипник. Number Of Carriages Per Rail Track. | 180.00 | 259.50 | 66.00 |
Способы доставки
Отправка через ведущие транспортные и курьерские компании: ПЭК, Деловые Линии, СДЭК, Байкал-Сервис, Энергия, КИТ, ЖелДорЭкспедиция.
Самовывоз возможен напрямую со склада в Москве.
Сроки доставки
Срок зависит от региона и выбранной транспортной компании. Все заказы комплектуются и отправляются в кратчайшие сроки со склада в Москве.
Надёжность и сохранность
Вся продукция упаковывается с учётом требований транспортировки. Мы гарантируем, что подшипники и комплектующие прибудут к заказчику в полной сохранности.
Доставка в страны ЕАЭС
Мы работаем с проверенными логистическими партнёрами, что позволяет оперативно доставлять заказы в Беларусь, Казахстан, Армению и другие страны ЕАЭС.
Варианты оплаты:
Минимальная сумма заказа и скидки:
Документы и гарантии:
Да, конечно! Наши технические специалисты готовы помочь вам с подбором точного аналога или замены подшипника. Просто позвоните нам по телефону +7 (495) 104-99-04 или напишите на почту zakaz@podsnab.ru.
Для оперативной консультации подготовьте, пожалуйста, имеющиеся данные: маркировку, размеры, тип оборудования или артикул старого подшипника.
Да, конечно! Мы высоко ценим долгосрочное сотрудничество и доверие клиентов по всей России. Для постоянных клиентов действует персональная система скидок.
Условия формируются индивидуально и зависят от:
Чтобы узнать свои условия и получить максимально выгодное предложение, свяжитесь с персональным менеджером или напишите нам на почту zakaz@podsnab.ru.
Вы можете оформить заказ несколькими способами:
Для оформления заказа от юридического лица свяжитесь с нашим отделом по работе с корпоративными клиентами по телефону +7 (495) 104-99-04 или напишите на email zakaz@podsnab.ru, прикрепив реквизиты вашей организации.
Мы оперативно подготовим коммерческое предложение и выставим счет.
Возврат товара надлежащего качества возможен в течение 10 дней с момента получения, если товар не был в употреблении, сохранен товарный вид, упаковка не вскрывалась и присутствуют все сопроводительные документы.
Возврат денежных средств осуществляется в течение 10 рабочих дней после проверки товара складом.
В соответствии с законодательством возврату не подлежат подшипники надлежащего качества, если отсутствует оригинальная упаковка или имеются следы монтажа.
В случае выявления брака или гарантийного случая мы гарантируем возврат или обмен товара.
Да, гарантийный срок хранения устанавливается заводом-изготовителем и в среднем составляет 2 года при соблюдении условий хранения: сухое помещение, оригинальная упаковка и смазка.
Точный срок для конкретного типа подшипника уточняйте у наших менеджеров.
Пн–Пт: с 8:00 до 17:00 (МСК).
Сб–Вс: выходные дни.
Заказы на сайте принимаются круглосуточно. Заявки, поступившие после окончания рабочего дня, обрабатываются на следующий рабочий день.
Минимальная сумма заказа для доставки составляет 3000 рублей. Самовывоз со склада возможен на любую сумму при наличии товара.
ООО «УралТехГрупп»
ИНН: 7415093830
КПП: 772401001
ОГРН: 1167456069021
Банк: ПАО Сбербанк
Р/с: 40702810838000475273
К/с: 30101810400000000225
БИК: 044525225
У подшипника 53236-MP + U236 пока нет отзывов. Вы можете стать первым покупателем, поделившимся своим мнением.