Поиск подшипника
Статьи
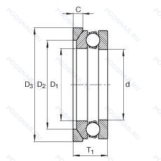
4107-AW — Шариковый упорный подшипник, модификация основного исполнения 4107, производство INA.
Размер подшипника: 35x67x23 мм.
Скользящая контактная поверхность из твердого хрома/elgoglide®.
Международная стандартизации ISO
4107AW
В наличии
| Обозначение | Конструктивные изменения |
|---|---|
| 4107 | Шариковый упорный подшипник. Основное конструктивное исполнение. |
Модификации шарикового подшипника 4107-AW — это измененное основное конструктивное исполнение 4107, основные размеры (35x67x23) не отличаются.
| Обозначение | Гост | Конструктивные особенности |
|---|---|---|
| 48307 | ГОСТ | Шариковый упорный подшипник. |
Аналог шарикового подшипника 4107-AW — это подшипник такого же размера dx35,Dx67,Bx23, типа и конструкции.
| Обозначение | Конструктивные особенности | Внутренний (d) | Наружный (D) | Ширина (B) |
|---|---|---|---|---|
| 361984B | Подшипник однорядный шариковый радиальный. Измененный внутренний дизайн. | 35.00 | 67.00 | 22.50 |
| 361984C | Подшипник однорядный шариковый радиальный. Внутренние изменения в конструкции. | 35.00 | 67.00 | 22.50 |
| 361984CA | Подшипник однорядный шариковый радиальный. Двухрядный радиально-упорный шарикоподшипник без отверстия для смазки. | 35.00 | 67.00 | 22.50 |
| 1700290R | Подшипник однорядный шариковый радиальный. External Integral Flange On Outer Ring. | 34.00 | 68.00 | 24.00 |
| BB1B361984DA | Подшипник однорядный шариковый радиальный. Lubricant. MIL-L-6085A2. | 35.00 | 67.00 | 22.50 |
| 527640Z27CX.F54 | Подшипник однорядный шариковый радиальный. Подшипник с герметичным уплотнением. Bearings for Adam Opel and General Motors (All Plants)_ Preservation And Packaging Specifications_ Restricted Width Tolerance. | 35.00 | 67.00 | 22.50 |
| 527640C.Z27.CX | Подшипник однорядный шариковый радиальный. Модификация внутренней конструкции. Подшипник с герметичным уплотнением. | 35.00 | 67.00 | 22.50 |
| 51307A | Подшипник шариковый упорный однонаправленный. Упорный шарикоподшипник с более высокой предельной скоростью. | 35.00 | 68.00 | 24.00 |
| 527640C.H42 | Подшипник однорядный шариковый радиальный. Модификация внутренней конструкции. Подшипник с герметичным уплотнением. | 35.00 | 67.00 | 22.50 |
| 527640C.H42CX | Подшипник однорядный шариковый радиальный. Модификация внутренней конструкции. | 35.00 | 67.00 | 22.50 |
| 51307P5 | Подшипник шариковый упорный однонаправленный. Размерная и рабочая точность соответствует классу допуска ISO 5. | 35.00 | 68.00 | 24.00 |
| 8307-К | Шариковый упорный однорядный подшипник. «Замок» (скос) на внутреннем кольце плюс массивный сепаратор из текстолита. | 35.00 | 68.00 | 24.00 |
| 8307Н | Шариковый упорный однорядный подшипник. Детали из теплостойкой стали. | 35.00 | 68.00 | 24.00 |
| R35-67 | Роликовый радиальный-упорный однорядный подшипник. Наружное кольцо подшипника с роликами и сепаратором. | 35.00 | 66.50 | 23.00 |
| BT1B328178/Q | Роликовый радиальный-упорный однорядный подшипник. Оптимизированная геометрия и специальная обработка контактных поверхностей. | 35.00 | 66.50 | 23.00 |
Способы доставки
Отправка через ведущие транспортные и курьерские компании: ПЭК, Деловые Линии, СДЭК, Байкал-Сервис, Энергия, КИТ, ЖелДорЭкспедиция.
Самовывоз возможен напрямую со склада в Москве.
Сроки доставки
Срок зависит от региона и выбранной транспортной компании. Все заказы комплектуются и отправляются в кратчайшие сроки со склада в Москве.
Надёжность и сохранность
Вся продукция упаковывается с учётом требований транспортировки. Мы гарантируем, что подшипники и комплектующие прибудут к заказчику в полной сохранности.
Доставка в страны ЕАЭС
Мы работаем с проверенными логистическими партнёрами, что позволяет оперативно доставлять заказы в Беларусь, Казахстан, Армению и другие страны ЕАЭС.
Варианты оплаты:
Минимальная сумма заказа и скидки:
Документы и гарантии:
Да, конечно! Наши технические специалисты готовы помочь вам с подбором точного аналога или замены подшипника. Просто позвоните нам по телефону +7 (495) 104-99-04 или напишите на почту zakaz@podsnab.ru.
Для оперативной консультации подготовьте, пожалуйста, имеющиеся данные: маркировку, размеры, тип оборудования или артикул старого подшипника.
Да, конечно! Мы высоко ценим долгосрочное сотрудничество и доверие клиентов по всей России. Для постоянных клиентов действует персональная система скидок.
Условия формируются индивидуально и зависят от:
Чтобы узнать свои условия и получить максимально выгодное предложение, свяжитесь с персональным менеджером или напишите нам на почту zakaz@podsnab.ru.
Вы можете оформить заказ несколькими способами:
Для оформления заказа от юридического лица свяжитесь с нашим отделом по работе с корпоративными клиентами по телефону +7 (495) 104-99-04 или напишите на email zakaz@podsnab.ru, прикрепив реквизиты вашей организации.
Мы оперативно подготовим коммерческое предложение и выставим счет.
Возврат товара надлежащего качества возможен в течение 10 дней с момента получения, если товар не был в употреблении, сохранен товарный вид, упаковка не вскрывалась и присутствуют все сопроводительные документы.
Возврат денежных средств осуществляется в течение 10 рабочих дней после проверки товара складом.
В соответствии с законодательством возврату не подлежат подшипники надлежащего качества, если отсутствует оригинальная упаковка или имеются следы монтажа.
В случае выявления брака или гарантийного случая мы гарантируем возврат или обмен товара.
Да, гарантийный срок хранения устанавливается заводом-изготовителем и в среднем составляет 2 года при соблюдении условий хранения: сухое помещение, оригинальная упаковка и смазка.
Точный срок для конкретного типа подшипника уточняйте у наших менеджеров.
Пн–Пт: с 8:00 до 17:00 (МСК).
Сб–Вс: выходные дни.
Заказы на сайте принимаются круглосуточно. Заявки, поступившие после окончания рабочего дня, обрабатываются на следующий рабочий день.
Минимальная сумма заказа для доставки составляет 3000 рублей. Самовывоз со склада возможен на любую сумму при наличии товара.
ООО «УралТехГрупп»
ИНН: 7415093830
КПП: 772401001
ОГРН: 1167456069021
Банк: ПАО Сбербанк
Р/с: 40702810838000475273
К/с: 30101810400000000225
БИК: 044525225
У подшипника 4107-AW пока нет отзывов. Вы можете стать первым покупателем, поделившимся своим мнением.