Поиск подшипника
Статьи
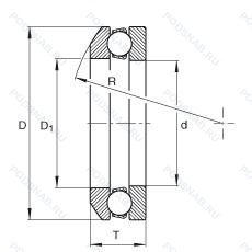
4100 — Шариковый упорный подшипник, основное исполнение, производство INA.
Размер подшипника: 10x25x14 мм.
Международная стандартизации ISO
4100
В наличии
| Обозначение | Конструктивные изменения |
|---|---|
| 4100-AW | Скользящая контактная поверхность из твердого хрома/Elgoglide®. |
Модификации шарикового подшипника 4100 — это измененное основное конструктивное исполнение 4100, основные размеры (10x25x14) не отличаются.
| Обозначение | Гост | Конструктивные особенности |
|---|---|---|
| 0-3 | ISO | Шариковый упорный подшипник. |
Аналог шарикового подшипника 4100 — это подшипник такого же размера dx10,Dx25,Bx14, типа и конструкции.
| Обозначение | Конструктивные особенности | Внутренний (d) | Наружный (D) | Ширина (B) |
|---|---|---|---|---|
| 709CD/P4ADGB | Подшипник шариковый однорядный радиально-упорный. 15° Угол контакта. Точность размеров в соответствии с классом допуска ISO 4. точность вращения лучше чем класс допуска ISO 4. Два однорядных радиально-упорных шарикоподшипника для универсального монтажа т.е. спаренные для монтажа в режиме спина к спине. лицом к лицу или в тандемном расположении. Средний преднатяг. | 9.00 | 24.00 | 14.00 |
| 10BC02S4-2NKCS | Подшипник однорядный шариковый радиальный. Специальный радиальный зазор. Double Labyrinth Seal (Non Contact). | 10.00 | 26.00 | 13.00 |
| JAM10R | Сферический шарнирный подшипник. Правая резьба. | 10.00 | 26.00 | 14.00 |
| 709CE/P4ADBA | Подшипник шариковый однорядный радиально-упорный. Точность размеров в соответствии с классом допуска ISO 4. точность вращения лучше чем класс допуска ISO 4. Два однорядных радиальных шарикоподшипника. Однорядные радиально-упорные шарикоподшипники или однорядные конические роликовые подшипники. подходящие для монтажа в схеме «спина к спине». Легкая предварительная нагрузка. 15° Угол контакта And (E) Small Size Steel Balls. | 9.00 | 24.00 | 14.00 |
| LT3/8 | Подшипник шариковый упорный однонаправленный. Средний предварительный натяг. | 9.53 | 25.40 | 13.49 |
| LT3/8M | Подшипник шариковый упорный однонаправленный. Механически обработанный латунный сепаратор .Расположенный на элементах качения. | 9.53 | 25.40 | 13.49 |
| SDM10SS | Сферический шарнирный подшипник. Нержавеющая сталь. | 10.00 | 26.00 | 14.00 |
| SMEM10.50 | Сферический шарнирный подшипник. Fill Factor %. | 10.00 | 26.00 | 14.00 |
| 914800-К | Роликовый игольчатый подшипник однорядный. Кольцевая проточка на середине цилиндрической наружной поверхности наружного кольца плюс три отверстия для смазки. | 10.00 | 26.00 | 14.30 |
| 914800-К1С21 | Роликовый игольчатый подшипник однорядный. Кольцевая проточка на середине цилиндрической наружной поверхности наружного кольца плюс три отверстия для смазки. Смазка ЭРА. | 10.00 | 26.00 | 14.30 |
| 914800-Ю2С21 | Роликовый игольчатый подшипник однорядный. Смазка ЭРА. Все детали или часть деталей из нержавеющей стали.. | 10.00 | 26.00 | 14.30 |
| SU000S6 | Шариковый радиальный однорядный подшипник. Подшипник из нержавеющей стали. | 10.00 | 26.00 | 15.00 |
| ARX10X25X13.9 | Роликовый игольчатый подшипник однорядный. Largest Fill. Изменённая фаска. | 10.00 | 25.00 | 13.90 |
| 53200U+U200 | Шариковый упорный однорядный подшипник. Универсальный одиночный подшипник. | 10.00 | 26.00 | 13.00 |
| 4180019-С9 | Шариковый радиальный однорядный подшипник. Смазка ЛЗ-31. | 9.00 | 24.00 | 15.00 |
Способы доставки
Отправка через ведущие транспортные и курьерские компании: ПЭК, Деловые Линии, СДЭК, Байкал-Сервис, Энергия, КИТ, ЖелДорЭкспедиция.
Самовывоз возможен напрямую со склада в Москве.
Сроки доставки
Срок зависит от региона и выбранной транспортной компании. Все заказы комплектуются и отправляются в кратчайшие сроки со склада в Москве.
Надёжность и сохранность
Вся продукция упаковывается с учётом требований транспортировки. Мы гарантируем, что подшипники и комплектующие прибудут к заказчику в полной сохранности.
Доставка в страны ЕАЭС
Мы работаем с проверенными логистическими партнёрами, что позволяет оперативно доставлять заказы в Беларусь, Казахстан, Армению и другие страны ЕАЭС.
Варианты оплаты:
Минимальная сумма заказа и скидки:
Документы и гарантии:
Да, конечно! Наши технические специалисты готовы помочь вам с подбором точного аналога или замены подшипника. Просто позвоните нам по телефону +7 (495) 104-99-04 или напишите на почту zakaz@podsnab.ru.
Для оперативной консультации подготовьте, пожалуйста, имеющиеся данные: маркировку, размеры, тип оборудования или артикул старого подшипника.
Да, конечно! Мы высоко ценим долгосрочное сотрудничество и доверие клиентов по всей России. Для постоянных клиентов действует персональная система скидок.
Условия формируются индивидуально и зависят от:
Чтобы узнать свои условия и получить максимально выгодное предложение, свяжитесь с персональным менеджером или напишите нам на почту zakaz@podsnab.ru.
Вы можете оформить заказ несколькими способами:
Для оформления заказа от юридического лица свяжитесь с нашим отделом по работе с корпоративными клиентами по телефону +7 (495) 104-99-04 или напишите на email zakaz@podsnab.ru, прикрепив реквизиты вашей организации.
Мы оперативно подготовим коммерческое предложение и выставим счет.
Возврат товара надлежащего качества возможен в течение 10 дней с момента получения, если товар не был в употреблении, сохранен товарный вид, упаковка не вскрывалась и присутствуют все сопроводительные документы.
Возврат денежных средств осуществляется в течение 10 рабочих дней после проверки товара складом.
В соответствии с законодательством возврату не подлежат подшипники надлежащего качества, если отсутствует оригинальная упаковка или имеются следы монтажа.
В случае выявления брака или гарантийного случая мы гарантируем возврат или обмен товара.
Да, гарантийный срок хранения устанавливается заводом-изготовителем и в среднем составляет 2 года при соблюдении условий хранения: сухое помещение, оригинальная упаковка и смазка.
Точный срок для конкретного типа подшипника уточняйте у наших менеджеров.
Пн–Пт: с 8:00 до 17:00 (МСК).
Сб–Вс: выходные дни.
Заказы на сайте принимаются круглосуточно. Заявки, поступившие после окончания рабочего дня, обрабатываются на следующий рабочий день.
Минимальная сумма заказа для доставки составляет 3000 рублей. Самовывоз со склада возможен на любую сумму при наличии товара.
ООО «УралТехГрупп»
ИНН: 7415093830
КПП: 772401001
ОГРН: 1167456069021
Банк: ПАО Сбербанк
Р/с: 40702810838000475273
К/с: 30101810400000000225
БИК: 044525225
У подшипника 4100 пока нет отзывов. Вы можете стать первым покупателем, поделившимся своим мнением.