Поиск подшипника
Статьи
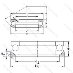
53414-MP+U414 — Шариковый упорный однорядный подшипник, модификация основного исполнения 53414, производство NKE.
Размер подшипника: 70x150x63 мм.
Массивный латунный сепаратор. центрированный по телам качения.
Международная стандартизации ISO
53414MPU414
В наличии
| Обозначение | Конструктивные изменения |
|---|---|
| 53414 | Шариковый упорный однорядный подшипник. Основное конструктивное исполнение. |
| 53414M | Подшипник с латунным сепаратором. центрированный по телам качения. |
| 53414+U 414 | Универсальный одиночный подшипник. |
| 53414U | Упорный шариковый подшипник. С шайбой сферического корпуса и с шайбой посадочного места. |
| 53414-MP | Массивный латунный сепаратор. центрированный по телам качения. |
| 53414M+U414 | Подшипник с латунным сепаратором. центрированный по телам качения. |
| 53414U+U414 | Универсальный одиночный подшипник. |
| 53414 M U | Подшипник с латунным сепаратором. центрированный по телам качения. Универсальный одиночный подшипник. |
Модификации шарикового подшипника 53414-MP+U414 — это измененное основное конструктивное исполнение 53414, основные размеры (70x150x63) не отличаются.
| Обозначение | Конструктивные особенности | Внутренний (d) | Наружный (D) | Ширина (B) |
|---|---|---|---|---|
| NUP3314 | Роликовый радиальный однорядный подшипник. Канавка под стопорное кольцо на наружном кольце подшипника. Точность размеров примерно соответствует классу точности Р4. Однорядный цилиндрический роликовый подшипник. Наружное кольцо имеет два борта. | 70.00 | 150.00 | 63.50 |
| BT1-0084/Q | Роликовый радиальный-упорный однорядный подшипник. Оптимизированная геометрия и специальная обработка контактных поверхностей. | 70.00 | 150.00 | 64.00 |
| 5314 A-2Z | Шариковый радиально-упорный подшипник. Измененная или модифицированная внутренняя конструкция при неизменных основных размерах. Защитные металлические шайбы с обеих сторон подшипника. | 70.00 | 150.00 | 63.50 |
| 5314 E | Шариковый радиально-упорный подшипник. Повышенная грузоподъемность. | 70.00 | 150.00 | 63.50 |
| 5314KG | Шариковый радиально-упорный двухрядный подшипник. Серия с закрепительной втулкой и смазочным отверстием. | 70.00 | 150.00 | 63.50 |
| 5314WG | Шариковый радиально-упорный двухрядный подшипник. Максимальная грузоподъемность. | 70.00 | 150.00 | 63.50 |
| 5314W | Шариковый радиально-упорный двухрядный подшипник. Максимальная грузоподъемность. | 70.00 | 150.00 | 63.50 |
| 5314N | Шариковый радиально-упорный двухрядный подшипник. Канавка под стопорное кольцо на внешнем кольце. | 70.00 | 150.00 | 63.50 |
| 5314NR | Шариковый радиально-упорный двухрядный подшипник. Канавка под стопорное кольцо на наружном кольце с соответствующим стопорным кольцом. | 70.00 | 150.00 | 63.50 |
| 5314ZZ | Шариковый радиально-упорный двухрядный подшипник. Металлическая защитная шайба с двух сторон. | 70.00 | 150.00 | 63.50 |
| 3314 A-2Z/MT33 | Шариковый радиально-упорный однорядный подшипник. Измененная или модифицированная внутренняя конструкция при неизменных основных размерах. Защитные металлические шайбы с обеих сторон подшипника. Lithium Grease. Medium Temp. 74 cSt @ 40°C. -30°C/+120°C. A Two-Figure Number Following MT Identifies The Actual Grease. An Additional Letter Or Letter/Figure Combination As Mentioned Under HT Identifies Filling Degrees Other Than Standard. Examples/ MT33 Or MT37F9. | 70.00 | 150.00 | 63.50 |
| 3314A-2Z | Шариковый радиально-упорный двухрядный подшипник. Измененная или модифицированная внутренняя конструкция при неизменных основных размерах. Защитные металлические шайбы с обеих сторон подшипника. | 70.00 | 150.00 | 63.50 |
| 3314 ZZ | Шариковый радиально-упорный двухрядный подшипник. Защитные металлические шайбы (бесконтактные уплотнения) с обеих сторон подшипника. | 70.00 | 150.00 | 63.50 |
| 63314-2RS | Шариковый радиальный однорядный подшипник. Резиновые уплотнения с каждой стороны подшипника. | 70.00 | 150.00 | 63.50 |
| 63314LLB | Шариковый радиальный однорядный подшипник. Уплотнение бесконтактного типа из синтетического каучука. | 70.00 | 150.00 | 63.50 |
Способы доставки
Отправка через ведущие транспортные и курьерские компании: ПЭК, Деловые Линии, СДЭК, Байкал-Сервис, Энергия, КИТ, ЖелДорЭкспедиция.
Самовывоз возможен напрямую со склада в Москве.
Сроки доставки
Срок зависит от региона и выбранной транспортной компании. Все заказы комплектуются и отправляются в кратчайшие сроки со склада в Москве.
Надёжность и сохранность
Вся продукция упаковывается с учётом требований транспортировки. Мы гарантируем, что подшипники и комплектующие прибудут к заказчику в полной сохранности.
Доставка в страны ЕАЭС
Мы работаем с проверенными логистическими партнёрами, что позволяет оперативно доставлять заказы в Беларусь, Казахстан, Армению и другие страны ЕАЭС.
Варианты оплаты:
Минимальная сумма заказа и скидки:
Документы и гарантии:
Да, конечно! Наши технические специалисты готовы помочь вам с подбором точного аналога или замены подшипника. Просто позвоните нам по телефону +7 (495) 104-99-04 или напишите на почту zakaz@podsnab.ru.
Для оперативной консультации подготовьте, пожалуйста, имеющиеся данные: маркировку, размеры, тип оборудования или артикул старого подшипника.
Да, конечно! Мы высоко ценим долгосрочное сотрудничество и доверие клиентов по всей России. Для постоянных клиентов действует персональная система скидок.
Условия формируются индивидуально и зависят от:
Чтобы узнать свои условия и получить максимально выгодное предложение, свяжитесь с персональным менеджером или напишите нам на почту zakaz@podsnab.ru.
Вы можете оформить заказ несколькими способами:
Для оформления заказа от юридического лица свяжитесь с нашим отделом по работе с корпоративными клиентами по телефону +7 (495) 104-99-04 или напишите на email zakaz@podsnab.ru, прикрепив реквизиты вашей организации.
Мы оперативно подготовим коммерческое предложение и выставим счет.
Возврат товара надлежащего качества возможен в течение 10 дней с момента получения, если товар не был в употреблении, сохранен товарный вид, упаковка не вскрывалась и присутствуют все сопроводительные документы.
Возврат денежных средств осуществляется в течение 10 рабочих дней после проверки товара складом.
В соответствии с законодательством возврату не подлежат подшипники надлежащего качества, если отсутствует оригинальная упаковка или имеются следы монтажа.
В случае выявления брака или гарантийного случая мы гарантируем возврат или обмен товара.
Да, гарантийный срок хранения устанавливается заводом-изготовителем и в среднем составляет 2 года при соблюдении условий хранения: сухое помещение, оригинальная упаковка и смазка.
Точный срок для конкретного типа подшипника уточняйте у наших менеджеров.
Пн–Пт: с 8:00 до 17:00 (МСК).
Сб–Вс: выходные дни.
Заказы на сайте принимаются круглосуточно. Заявки, поступившие после окончания рабочего дня, обрабатываются на следующий рабочий день.
Минимальная сумма заказа для доставки составляет 3000 рублей. Самовывоз со склада возможен на любую сумму при наличии товара.
ООО «УралТехГрупп»
ИНН: 7415093830
КПП: 772401001
ОГРН: 1167456069021
Банк: ПАО Сбербанк
Р/с: 40702810838000475273
К/с: 30101810400000000225
БИК: 044525225
У подшипника 53414-MP+U414 пока нет отзывов. Вы можете стать первым покупателем, поделившимся своим мнением.