Поиск подшипника
Статьи
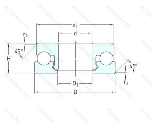
51107 V/HR22T2 — Шариковый упорный однорядный подшипник, модификация основного исполнения 51107, производство SKF.
Размер подшипника: 35x52x12 мм.
Подшипник без сепаратора. с полным комплектом тел качения.
Международная стандартизации ISO
51107VHR22T2
В наличии
| Обозначение | Конструктивные изменения |
|---|---|
| 51107X | Измененные размеры границ. введенные пересмотренными стандартами ISO. |
| 51107 | Шариковый упорный однорядный подшипник. Основное конструктивное исполнение. |
| 51107A | Двухрядный радиально-упорный шарикоподшипник без отверстия для смазки. |
| 51107X/J9 | Измененные размеры границ. введенные пересмотренными стандартами ISO. Прессованный стальной сепаратор. Вращающийся элемент по центру. Незакаленный. |
| 51107J9 | Прессованный стальной сепаратор. Вращающийся элемент по центру. Незакаленный. |
| 51107G | Устройство повторного смазывания со смазочной канавкой и отверстием на внешнем кольце. |
| 51107A P6 | Упорный шарикоподшипник с более высокой предельной скоростью. Размерные и геометрические допуски соответствуют классу точности P6. |
| 51107PG | Шариковый упорный однорядный подшипник. |
| 51107MG | Формованный сепаратор из полиамида. укрепленного стекловолокном. |
| 51107 V/HR11T1 | Подшипник без сепаратора. С полным комплектом тел качения. |
| 51107J | Дорожки качения наружного кольца. угол контакта и ширина наружного кольца в соответствии с ISO. Только для тел качения. |
| 51107 V/HR22Q2 | Подшипник без сепаратора. С полным комплектом тел качения. |
| 51107 V/HR11Q1 | Подшипник без сепаратора. С полным комплектом тел качения. |
Модификации шарикового подшипника 51107 V/HR22T2 — это измененное основное конструктивное исполнение 51107, основные размеры (35x52x12) не отличаются.
| Обозначение | Гост | Конструктивные особенности |
|---|---|---|
| 8107-К | ГОСТ | «Замок» (скос) на внутреннем кольце плюс массивный сепаратор из текстолита. |
| 8107-Ю | ГОСТ | Все детали или часть деталей из нержавеющей стали.. |
| 8107Н | ГОСТ | Детали из теплостойкой стали. |
| 6-8107 | ГОСТ | Шариковый упорный однорядный подшипник. |
| 778707-К | ГОСТ | «Замок» (скос) на внутреннем кольце плюс массивный сепаратор из текстолита. |
| 778707-Л | ГОСТ | Сепаратор из латуни.. |
| 5-8107 К | ГОСТ | Шариковый упорный однорядный подшипник. |
| S51107 | ISO | Шариковый упорный однорядный подшипник. |
| 8107 | ГОСТ | Шариковый упорный однорядный подшипник. |
| 2-8107 | ГОСТ | Шариковый упорный однорядный подшипник. |
| 4-8107 | ГОСТ | Шариковый упорный однорядный подшипник. |
| 5-8107 | ГОСТ | Шариковый упорный однорядный подшипник. |
| 5-868807 Ю | ГОСТ | Все детали или часть деталей из нержавеющей стали.. |
Аналог шарикового подшипника 51107 V/HR22T2 — это подшипник такого же размера dx35,Dx52,Bx12, типа и конструкции.
| Обозначение | Конструктивные особенности | Внутренний (d) | Наружный (D) | Ширина (B) |
|---|---|---|---|---|
| 81107TVPB | Роликовый цилиндрический упорный подшипник. Твердый оконный сепаратор из полиамида. армированного стекловолокном. Направляющие на внутреннем кольце. | 35.00 | 52.00 | 12.00 |
| 81107-TV | Роликовый цилиндрический упорный подшипник. Прочный сепаратор из полиамида. армированного стекловолокном. | 35.00 | 52.00 | 12.00 |
| 81107TN | Роликовый цилиндрический упорный подшипник. литой под давлением сепаратор из полиамида 6.6. центрированный роликовый элемент. | 35.00 | 52.00 | 12.00 |
| 81107LPB | Роликовый цилиндрический упорный подшипник. Обработанная сепаратор из легкого металла. Верховой вал. | 35.00 | 52.00 | 12.00 |
| 81107TVP | Роликовый цилиндрический упорный подшипник. Формованный полиамидный сепаратор оконного типа. Роликовые тела качения. | 35.00 | 52.00 | 12.00 |
| 81107M | Роликовый цилиндрический упорный подшипник. Механически обработанный латунный сепаратор .Расположенный на элементах качения. | 35.00 | 52.00 | 12.00 |
| 81107T2 | Роликовый цилиндрический упорный подшипник. Пластиковый сепаратор. Нейлон или тефлон. | 35.00 | 52.00 | 12.00 |
| 35BX5212-2DLT2 | Подшипник однорядный шариковый радиальный. | 35.00 | 52.00 | 12.00 |
| 81107MPB | Роликовый цилиндрический упорный подшипник. Обработанный латунный сепаратор оконного типа. | 35.00 | 52.00 | 12.00 |
| 4-9107 | Роликовый упорный однорядный подшипник. | 35.00 | 52.00 | 12.00 |
| 35BX5212 S1-2DST2B1 | Шариковый радиально-упорный двухрядный подшипник. | 35.00 | 52.00 | 12.00 |
| 35BX5212-DDST2NB | Шариковый радиально-упорный двухрядный подшипник. | 35.00 | 52.00 | 12.00 |
| BX35-1DDU | Шариковый радиально-упорный двухрядный подшипник. | 35.00 | 52.00 | 12.00 |
| PC35520012CS | Шариковый радиальный однорядный подшипник. Высокоуглеродистая сталь. | 35.00 | 52.00 | 12.00 |
| 778707 | Шариковый упорно-радиальный однорядный подшипник. | 34.00 | 51.00 | 12.10 |
Способы доставки
Отправка через ведущие транспортные и курьерские компании: ПЭК, Деловые Линии, СДЭК, Байкал-Сервис, Энергия, КИТ, ЖелДорЭкспедиция.
Самовывоз возможен напрямую со склада в Москве.
Сроки доставки
Срок зависит от региона и выбранной транспортной компании. Все заказы комплектуются и отправляются в кратчайшие сроки со склада в Москве.
Надёжность и сохранность
Вся продукция упаковывается с учётом требований транспортировки. Мы гарантируем, что подшипники и комплектующие прибудут к заказчику в полной сохранности.
Доставка в страны ЕАЭС
Мы работаем с проверенными логистическими партнёрами, что позволяет оперативно доставлять заказы в Беларусь, Казахстан, Армению и другие страны ЕАЭС.
Варианты оплаты:
Минимальная сумма заказа и скидки:
Документы и гарантии:
Да, конечно! Наши технические специалисты готовы помочь вам с подбором точного аналога или замены подшипника. Просто позвоните нам по телефону +7 (495) 104-99-04 или напишите на почту zakaz@podsnab.ru.
Для оперативной консультации подготовьте, пожалуйста, имеющиеся данные: маркировку, размеры, тип оборудования или артикул старого подшипника.
Да, конечно! Мы высоко ценим долгосрочное сотрудничество и доверие клиентов по всей России. Для постоянных клиентов действует персональная система скидок.
Условия формируются индивидуально и зависят от:
Чтобы узнать свои условия и получить максимально выгодное предложение, свяжитесь с персональным менеджером или напишите нам на почту zakaz@podsnab.ru.
Вы можете оформить заказ несколькими способами:
Для оформления заказа от юридического лица свяжитесь с нашим отделом по работе с корпоративными клиентами по телефону +7 (495) 104-99-04 или напишите на email zakaz@podsnab.ru, прикрепив реквизиты вашей организации.
Мы оперативно подготовим коммерческое предложение и выставим счет.
Возврат товара надлежащего качества возможен в течение 10 дней с момента получения, если товар не был в употреблении, сохранен товарный вид, упаковка не вскрывалась и присутствуют все сопроводительные документы.
Возврат денежных средств осуществляется в течение 10 рабочих дней после проверки товара складом.
В соответствии с законодательством возврату не подлежат подшипники надлежащего качества, если отсутствует оригинальная упаковка или имеются следы монтажа.
В случае выявления брака или гарантийного случая мы гарантируем возврат или обмен товара.
Да, гарантийный срок хранения устанавливается заводом-изготовителем и в среднем составляет 2 года при соблюдении условий хранения: сухое помещение, оригинальная упаковка и смазка.
Точный срок для конкретного типа подшипника уточняйте у наших менеджеров.
Пн–Пт: с 8:00 до 17:00 (МСК).
Сб–Вс: выходные дни.
Заказы на сайте принимаются круглосуточно. Заявки, поступившие после окончания рабочего дня, обрабатываются на следующий рабочий день.
Минимальная сумма заказа для доставки составляет 3000 рублей. Самовывоз со склада возможен на любую сумму при наличии товара.
ООО «УралТехГрупп»
ИНН: 7415093830
КПП: 772401001
ОГРН: 1167456069021
Банк: ПАО Сбербанк
Р/с: 40702810838000475273
К/с: 30101810400000000225
БИК: 044525225
У подшипника 51107 V/HR22T2 пока нет отзывов. Вы можете стать первым покупателем, поделившимся своим мнением.