Поиск подшипника
Статьи
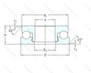
51201 V/HR11T1 — Шариковый упорный однорядный подшипник, модификация основного исполнения 51201, производство SKF.
Размер подшипника: 12x28x11 мм.
Подшипник без сепаратора. с полным комплектом тел качения.
Международная стандартизации ISO
51201VHR11T1
В наличии
| Обозначение | Конструктивные изменения |
|---|---|
| 51201 2GS | Шариковый упорный однорядный подшипник. |
| 51201 | Шариковый упорный однорядный подшипник. Основное конструктивное исполнение. |
| 51201P6 | Размерные и геометрические допуски соответствуют классу точности P6. |
| 51201 V/HR11Q1 | Подшипник без сепаратора. С полным комплектом тел качения. |
| 51201 V/HR22T2 | Подшипник без сепаратора. С полным комплектом тел качения. |
| 51201J | Дорожки качения наружного кольца. угол контакта и ширина наружного кольца в соответствии с ISO. Только для тел качения. |
| 51201 V/HR22Q2 | Подшипник без сепаратора. С полным комплектом тел качения. |
Модификации шарикового подшипника 51201 V/HR11T1 — это измененное основное конструктивное исполнение 51201, основные размеры (12x28x11) не отличаются.
| Обозначение | Гост | Конструктивные особенности |
|---|---|---|
| 8201-К | ГОСТ | «Замок» (скос) на внутреннем кольце плюс массивный сепаратор из текстолита. |
| 8201-Т2 | ГОСТ | 200°. Температура отпуска. |
| 8201Н | ГОСТ | Детали из теплостойкой стали. |
| 6-8201 | ГОСТ | Шариковый упорный однорядный подшипник. |
| 4-8201 | ГОСТ | Шариковый упорный однорядный подшипник. |
| 5-8201 | ГОСТ | Шариковый упорный однорядный подшипник. |
| S51201 | ISO | Шариковый упорный однорядный подшипник. |
| 8201 | ГОСТ | Шариковый упорный однорядный подшипник. |
Аналог шарикового подшипника 51201 V/HR11T1 — это подшипник такого же размера dx12,Dx28,Bx11, типа и конструкции.
| Обозначение | Конструктивные особенности | Внутренний (d) | Наружный (D) | Ширина (B) |
|---|---|---|---|---|
| 63001DDU CM AS2S | Подшипник однорядный шариковый радиальный. Стандартное заполнение. Резиновые уплотнения с каждой стороны подшипника. 1/4 Full. Шариковый подшипник. Специальный радиальный внутренний зазор для электродвигателей. Смазка Aeroshell 7. | 12.00 | 28.00 | 12.00 |
| 63001-2Z | Подшипник однорядный шариковый радиальный. Защитные металлические шайбы с обеих сторон подшипника. | 12.00 | 28.00 | 12.00 |
| 63001-2Z/C3PLHT | Подшипник однорядный шариковый радиальный. Защитные металлические шайбы с обеих сторон подшипника. Lithium Grease. Grease Fill For Low And High Temperatures e.g. -40°C/+140°C. A Two-Figure Number Following LHT Identifies The Actual Grease. Внутренний зазор подшипника больше нормального, охватывает верхнюю половину поля C3 и нижнюю половину C4. | 12.00 | 28.00 | 12.00 |
| 63001EE | Подшипник однорядный шариковый радиальный. Резиновые уплотнения с каждой стороны подшипника. | 12.00 | 28.00 | 12.00 |
| 63001.2ZR.C3 | Подшипник однорядный шариковый радиальный. Внутренний зазор больше нормального. Защитные металлические шайбы с обеих сторон. | 12.00 | 28.00 | 12.00 |
| BB1-0077A | Подшипник однорядный шариковый радиальный. Измененная или модифицированная внутренняя конструкция при неизменных основных размерах. Как правило. значение буквы привязано к определенному подшипнику или серии подшипника. | 12.00 | 28.00 | 10.00 |
| 3001 2RS TNG | Подшипник шариковый двухрядный радиально-упорный. Резиновые уплотнения с каждой стороны подшипника. Прочный сепаратор из полиамида. армированного стекловолокном. | 12.00 | 28.00 | 12.00 |
| 63001-A-2Z | Подшипник однорядный шариковый радиальный. Модификация внутренней конструкции. Защитные металлические шайбы с обеих сторон. | 12.00 | 28.00 | 12.00 |
| 63001EEC3 | Подшипник однорядный шариковый радиальный. Резиновые уплотнения с каждой стороны подшипника. | 12.00 | 28.00 | 12.00 |
| 63001DDU C3 | Подшипник однорядный шариковый радиальный. Внутренний зазор больше нормального. Резиновые уплотнения с каждой стороны подшипника. | 12.00 | 28.00 | 12.00 |
| 63001-2RS1/C3 | Подшипник однорядный шариковый радиальный. Внутренний зазор больше нормального. Усиленные листовой сталью контактные уплотнения из акрилонитрил-бутадиенового каучука (NBR) с обеих сторон подшипника. | 12.00 | 28.00 | 12.00 |
| NAO12X28X12-IS1 | Роликовый игольчатый подшипник. Одно смазочное отверстие во внутреннем кольце. | 12.00 | 28.00 | 12.00 |
| MU001+ER | Шариковый радиальный однорядный подшипник. Эксцентриковое кольцо. | 12.00 | 28.00 | 11.00 |
| U001+ER | Шариковый радиальный однорядный подшипник. Эксцентриковое кольцо. | 12.00 | 28.00 | 11.00 |
| NA0-12X28X12 | Роликовый игольчатый подшипник однорядный. Изменённая фаска. | 12.00 | 28.00 | 12.00 |
Способы доставки
Отправка через ведущие транспортные и курьерские компании: ПЭК, Деловые Линии, СДЭК, Байкал-Сервис, Энергия, КИТ, ЖелДорЭкспедиция.
Самовывоз возможен напрямую со склада в Москве.
Сроки доставки
Срок зависит от региона и выбранной транспортной компании. Все заказы комплектуются и отправляются в кратчайшие сроки со склада в Москве.
Надёжность и сохранность
Вся продукция упаковывается с учётом требований транспортировки. Мы гарантируем, что подшипники и комплектующие прибудут к заказчику в полной сохранности.
Доставка в страны ЕАЭС
Мы работаем с проверенными логистическими партнёрами, что позволяет оперативно доставлять заказы в Беларусь, Казахстан, Армению и другие страны ЕАЭС.
Варианты оплаты:
Минимальная сумма заказа и скидки:
Документы и гарантии:
Да, конечно! Наши технические специалисты готовы помочь вам с подбором точного аналога или замены подшипника. Просто позвоните нам по телефону +7 (495) 104-99-04 или напишите на почту zakaz@podsnab.ru.
Для оперативной консультации подготовьте, пожалуйста, имеющиеся данные: маркировку, размеры, тип оборудования или артикул старого подшипника.
Да, конечно! Мы высоко ценим долгосрочное сотрудничество и доверие клиентов по всей России. Для постоянных клиентов действует персональная система скидок.
Условия формируются индивидуально и зависят от:
Чтобы узнать свои условия и получить максимально выгодное предложение, свяжитесь с персональным менеджером или напишите нам на почту zakaz@podsnab.ru.
Вы можете оформить заказ несколькими способами:
Для оформления заказа от юридического лица свяжитесь с нашим отделом по работе с корпоративными клиентами по телефону +7 (495) 104-99-04 или напишите на email zakaz@podsnab.ru, прикрепив реквизиты вашей организации.
Мы оперативно подготовим коммерческое предложение и выставим счет.
Возврат товара надлежащего качества возможен в течение 10 дней с момента получения, если товар не был в употреблении, сохранен товарный вид, упаковка не вскрывалась и присутствуют все сопроводительные документы.
Возврат денежных средств осуществляется в течение 10 рабочих дней после проверки товара складом.
В соответствии с законодательством возврату не подлежат подшипники надлежащего качества, если отсутствует оригинальная упаковка или имеются следы монтажа.
В случае выявления брака или гарантийного случая мы гарантируем возврат или обмен товара.
Да, гарантийный срок хранения устанавливается заводом-изготовителем и в среднем составляет 2 года при соблюдении условий хранения: сухое помещение, оригинальная упаковка и смазка.
Точный срок для конкретного типа подшипника уточняйте у наших менеджеров.
Пн–Пт: с 8:00 до 17:00 (МСК).
Сб–Вс: выходные дни.
Заказы на сайте принимаются круглосуточно. Заявки, поступившие после окончания рабочего дня, обрабатываются на следующий рабочий день.
Минимальная сумма заказа для доставки составляет 3000 рублей. Самовывоз со склада возможен на любую сумму при наличии товара.
ООО «УралТехГрупп»
ИНН: 7415093830
КПП: 772401001
ОГРН: 1167456069021
Банк: ПАО Сбербанк
Р/с: 40702810838000475273
К/с: 30101810400000000225
БИК: 044525225
У подшипника 51201 V/HR11T1 пока нет отзывов. Вы можете стать первым покупателем, поделившимся своим мнением.