Поиск подшипника
Статьи
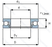
51203 V/HR11Q1 — Шариковый упорный однорядный подшипник, модификация основного исполнения 51203, производство SKF.
Размер подшипника: 17x35x12 мм.
Подшипник без сепаратора. с полным комплектом тел качения.
Международная стандартизации ISO
51203VHR11Q1
В наличии
| Обозначение | Конструктивные изменения |
|---|---|
| 51203J9 | Прессованный стальной сепаратор. Вращающийся элемент по центру. Незакаленный. |
| 51203A | Двухрядный радиально-упорный шарикоподшипник без отверстия для смазки. |
| 51203 | Шариковый упорный однорядный подшипник. Основное конструктивное исполнение. |
| 51203T2 | Пластиковый сепаратор. Нейлон или тефлон. |
| 51203 V/HR11T1 | Подшипник без сепаратора. С полным комплектом тел качения. |
| 51203 V/HR22Q2 | Подшипник без сепаратора. С полным комплектом тел качения. |
| 51203J | Дорожки качения наружного кольца. угол контакта и ширина наружного кольца в соответствии с ISO. Только для тел качения. |
| 51203 V/HR22T2 | Подшипник без сепаратора. С полным комплектом тел качения. |
Модификации шарикового подшипника 51203 V/HR11Q1 — это измененное основное конструктивное исполнение 51203, основные размеры (17x35x12) не отличаются.
| Обозначение | Гост | Конструктивные особенности |
|---|---|---|
| 8203Н | ГОСТ | Детали из теплостойкой стали. |
| 8203-К | ГОСТ | Шариковый упорный однорядный подшипник. |
| S51203 | ISO | Шариковый упорный однорядный подшипник. |
| 8203 | ГОСТ | Шариковый упорный однорядный подшипник. |
Аналог шарикового подшипника 51203 V/HR11Q1 — это подшипник такого же размера dx17,Dx35,Bx12, типа и конструкции.
| Обозначение | Конструктивные особенности | Внутренний (d) | Наружный (D) | Ширина (B) |
|---|---|---|---|---|
| 6202/16 | Подшипник однорядный шариковый радиальный. 01. | 16.00 | 35.00 | 11.00 |
| 6202/16LLB | Подшипник однорядный шариковый радиальный. Уплотнение бесконтактного типа из синтетического каучука. | 16.00 | 35.00 | 11.00 |
| WC87016/2AS | Подшипник однорядный шариковый радиальный. LUBRICANT. SHELL OIL CO.. ALVANIA #2 GREASE. MIL-G-18709A. | 16.00 | 35.00 | 12.70 |
| 80902-ЛС1 | Шариковый радиальный однорядный подшипник. Сепаратор из латуни.. Смазка ОКБ 122-7. | 16.00 | 35.00 | 12.70 |
| ASR22-2A | Роликовый радиальный сферический однорядный подшипник. Lubricant. Shell Oil Co.. Alvania #2 Grease. Mil-G-18709A. | 16.51 | 34.92 | 12.70 |
| 80902-АС1 | Шариковый радиальный однорядный подшипник. Повышенная грузоподъемность. Смазка ОКБ 122-7. | 16.00 | 35.00 | 12.70 |
| 6-60902 А1 | Шариковый радиальный однорядный подшипник. Повышенная грузоподъемность. | 16.00 | 35.00 | 11.00 |
| 60902-А1 | Шариковый радиальный однорядный подшипник. Повышенная грузоподъемность. | 16.00 | 35.00 | 11.00 |
| 8-60902 А | Шариковый радиальный однорядный подшипник. Повышенная грузоподъемность. | 16.00 | 35.00 | 11.00 |
| 80902-ЕС17 | Шариковый радиальный однорядный подшипник. Смазка Литол-24. Сепаратор из текстолита.. | 16.00 | 35.00 | 12.70 |
| 80902-Е | Шариковый радиальный однорядный подшипник. Сепаратор из текстолита.. | 16.00 | 35.00 | 12.70 |
| 80902-С17 | Шариковый радиальный однорядный подшипник. Смазка Литол-24. | 16.00 | 35.00 | 12.70 |
| 6202-2RS d16 C3 | Шариковый радиальный однорядный подшипник. Внутренний зазор больше нормального. Резиновые уплотнения с каждой стороны подшипника. 01. | 16.00 | 35.00 | 11.00 |
| 6202-2Z/16 | Шариковый радиальный однорядный подшипник. Защитные металлические шайбы с обеих сторон подшипника. 01. | 16.00 | 35.00 | 11.00 |
| 5-80902 ЛС1 | Шариковый радиальный однорядный подшипник. Сепаратор из латуни.. Смазка ОКБ 122-7. | 16.00 | 35.00 | 12.70 |
Способы доставки
Отправка через ведущие транспортные и курьерские компании: ПЭК, Деловые Линии, СДЭК, Байкал-Сервис, Энергия, КИТ, ЖелДорЭкспедиция.
Самовывоз возможен напрямую со склада в Москве.
Сроки доставки
Срок зависит от региона и выбранной транспортной компании. Все заказы комплектуются и отправляются в кратчайшие сроки со склада в Москве.
Надёжность и сохранность
Вся продукция упаковывается с учётом требований транспортировки. Мы гарантируем, что подшипники и комплектующие прибудут к заказчику в полной сохранности.
Доставка в страны ЕАЭС
Мы работаем с проверенными логистическими партнёрами, что позволяет оперативно доставлять заказы в Беларусь, Казахстан, Армению и другие страны ЕАЭС.
Варианты оплаты:
Минимальная сумма заказа и скидки:
Документы и гарантии:
Да, конечно! Наши технические специалисты готовы помочь вам с подбором точного аналога или замены подшипника. Просто позвоните нам по телефону +7 (495) 104-99-04 или напишите на почту zakaz@podsnab.ru.
Для оперативной консультации подготовьте, пожалуйста, имеющиеся данные: маркировку, размеры, тип оборудования или артикул старого подшипника.
Да, конечно! Мы высоко ценим долгосрочное сотрудничество и доверие клиентов по всей России. Для постоянных клиентов действует персональная система скидок.
Условия формируются индивидуально и зависят от:
Чтобы узнать свои условия и получить максимально выгодное предложение, свяжитесь с персональным менеджером или напишите нам на почту zakaz@podsnab.ru.
Вы можете оформить заказ несколькими способами:
Для оформления заказа от юридического лица свяжитесь с нашим отделом по работе с корпоративными клиентами по телефону +7 (495) 104-99-04 или напишите на email zakaz@podsnab.ru, прикрепив реквизиты вашей организации.
Мы оперативно подготовим коммерческое предложение и выставим счет.
Возврат товара надлежащего качества возможен в течение 10 дней с момента получения, если товар не был в употреблении, сохранен товарный вид, упаковка не вскрывалась и присутствуют все сопроводительные документы.
Возврат денежных средств осуществляется в течение 10 рабочих дней после проверки товара складом.
В соответствии с законодательством возврату не подлежат подшипники надлежащего качества, если отсутствует оригинальная упаковка или имеются следы монтажа.
В случае выявления брака или гарантийного случая мы гарантируем возврат или обмен товара.
Да, гарантийный срок хранения устанавливается заводом-изготовителем и в среднем составляет 2 года при соблюдении условий хранения: сухое помещение, оригинальная упаковка и смазка.
Точный срок для конкретного типа подшипника уточняйте у наших менеджеров.
Пн–Пт: с 8:00 до 17:00 (МСК).
Сб–Вс: выходные дни.
Заказы на сайте принимаются круглосуточно. Заявки, поступившие после окончания рабочего дня, обрабатываются на следующий рабочий день.
Минимальная сумма заказа для доставки составляет 3000 рублей. Самовывоз со склада возможен на любую сумму при наличии товара.
ООО «УралТехГрупп»
ИНН: 7415093830
КПП: 772401001
ОГРН: 1167456069021
Банк: ПАО Сбербанк
Р/с: 40702810838000475273
К/с: 30101810400000000225
БИК: 044525225
У подшипника 51203 V/HR11Q1 пока нет отзывов. Вы можете стать первым покупателем, поделившимся своим мнением.