Поиск подшипника
Статьи
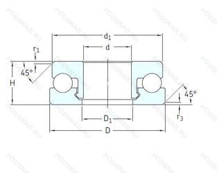
51306 V/HR22Q2 — Шариковый упорный однорядный подшипник, модификация основного исполнения 51306, производство SKF.
Размер подшипника: 30x60x21 мм.
Подшипник без сепаратора. с полным комплектом тел качения.
Международная стандартизации ISO
51306VHR22Q2
В наличии
| Обозначение | Конструктивные изменения |
|---|---|
| 51306 | Шариковый упорный однорядный подшипник. Основное конструктивное исполнение. |
| 51306J9 | Прессованный стальной сепаратор. Вращающийся элемент по центру. Незакаленный. |
| 51306MP | Массивный латунный сепаратор. центрированный по телам качения. |
| 51306J | Pressed Steel Cage. Rolling Element Centered. Unhardened_ Different Designs Are Identified By A Figure. For Example J1. |
| 51306P6 | Размерные и геометрические допуски соответствуют классу точности P6. |
| 51306 V/HR11T1 | Подшипник без сепаратора. С полным комплектом тел качения. |
| 51306 V/HR11Q1 | Подшипник без сепаратора. С полным комплектом тел качения. |
| 51306 V/HR22T2 | Подшипник без сепаратора. С полным комплектом тел качения. |
Модификации шарикового подшипника 51306 V/HR22Q2 — это измененное основное конструктивное исполнение 51306, основные размеры (30x60x21) не отличаются.
| Обозначение | Гост | Конструктивные особенности |
|---|---|---|
| 8306Н | ГОСТ | Детали из теплостойкой стали. |
| 6-8306 | ГОСТ | Шариковый упорный однорядный подшипник. |
| 6-8306-Б | ГОСТ | Сепаратор из безоловянистой бронзы.. |
| 6-8306 К | ГОСТ | Шариковый упорный однорядный подшипник. |
| 4-8306 | ГОСТ | Шариковый упорный однорядный подшипник. |
| 6-8306-НЛ1Ш1 | ГОСТ | Детали из теплостойкой стали. Сепаратор из латуни.. Нормы шумности. |
| 6-8306-НЛ1Ш | ГОСТ | Детали из теплостойкой стали. Сепаратор из латуни.. Нормы шумности. |
| 8306-НЛ1 | ГОСТ | Детали из теплостойкой стали. Сепаратор из латуни.. |
| 8306 | ГОСТ | Шариковый упорный однорядный подшипник. |
| 5-8306 | ГОСТ | Шариковый упорный однорядный подшипник. |
Аналог шарикового подшипника 51306 V/HR22Q2 — это подшипник такого же размера dx30,Dx60,Bx21, типа и конструкции.
| Обозначение | Конструктивные особенности | Внутренний (d) | Наружный (D) | Ширина (B) |
|---|---|---|---|---|
| 501274A | Подшипник шариковый упорный однонаправленный. Двухрядный радиально-упорный шарикоподшипник без отверстия для смазки. | 30.00 | 60.00 | 21.00 |
| F-202973.NUP | Однорядный цилиндрический роликовый подшипник. Однорядный цилиндрический роликовый подшипник. | 30.00 | 60.00 | 20.00 |
| BB1B446508AC | Подшипник однорядный шариковый радиальный. Внутренние изменения в конструкции. Измененная или модифицированная внутренняя конструкция при неизменных основных размерах. Как правило. значение буквы привязано к определенному подшипнику или серии подшипника. | 30.00 | 59.00 | 22.00 |
| F-202973 | Роликовый радиальный однорядный подшипник. | 30.00 | 60.00 | 20.00 |
| 8-306-К | Шариковый упорный подшипник. «Замок» (скос) на внутреннем кольце плюс массивный сепаратор из текстолита. | 30.00 | 60.00 | 21.00 |
| 806154 | Роликовый радиальный-упорный однорядный подшипник. | 30.00 | 60.00 | 20.00 |
| 4106-AW | Шариковый упорный подшипник. Скользящая контактная поверхность из твердого хрома/Elgoglide®. | 30.00 | 59.00 | 20.00 |
Способы доставки
Отправка через ведущие транспортные и курьерские компании: ПЭК, Деловые Линии, СДЭК, Байкал-Сервис, Энергия, КИТ, ЖелДорЭкспедиция.
Самовывоз возможен напрямую со склада в Москве.
Сроки доставки
Срок зависит от региона и выбранной транспортной компании. Все заказы комплектуются и отправляются в кратчайшие сроки со склада в Москве.
Надёжность и сохранность
Вся продукция упаковывается с учётом требований транспортировки. Мы гарантируем, что подшипники и комплектующие прибудут к заказчику в полной сохранности.
Доставка в страны ЕАЭС
Мы работаем с проверенными логистическими партнёрами, что позволяет оперативно доставлять заказы в Беларусь, Казахстан, Армению и другие страны ЕАЭС.
Варианты оплаты:
Минимальная сумма заказа и скидки:
Документы и гарантии:
Да, конечно! Наши технические специалисты готовы помочь вам с подбором точного аналога или замены подшипника. Просто позвоните нам по телефону +7 (495) 104-99-04 или напишите на почту zakaz@podsnab.ru.
Для оперативной консультации подготовьте, пожалуйста, имеющиеся данные: маркировку, размеры, тип оборудования или артикул старого подшипника.
Да, конечно! Мы высоко ценим долгосрочное сотрудничество и доверие клиентов по всей России. Для постоянных клиентов действует персональная система скидок.
Условия формируются индивидуально и зависят от:
Чтобы узнать свои условия и получить максимально выгодное предложение, свяжитесь с персональным менеджером или напишите нам на почту zakaz@podsnab.ru.
Вы можете оформить заказ несколькими способами:
Для оформления заказа от юридического лица свяжитесь с нашим отделом по работе с корпоративными клиентами по телефону +7 (495) 104-99-04 или напишите на email zakaz@podsnab.ru, прикрепив реквизиты вашей организации.
Мы оперативно подготовим коммерческое предложение и выставим счет.
Возврат товара надлежащего качества возможен в течение 10 дней с момента получения, если товар не был в употреблении, сохранен товарный вид, упаковка не вскрывалась и присутствуют все сопроводительные документы.
Возврат денежных средств осуществляется в течение 10 рабочих дней после проверки товара складом.
В соответствии с законодательством возврату не подлежат подшипники надлежащего качества, если отсутствует оригинальная упаковка или имеются следы монтажа.
В случае выявления брака или гарантийного случая мы гарантируем возврат или обмен товара.
Да, гарантийный срок хранения устанавливается заводом-изготовителем и в среднем составляет 2 года при соблюдении условий хранения: сухое помещение, оригинальная упаковка и смазка.
Точный срок для конкретного типа подшипника уточняйте у наших менеджеров.
Пн–Пт: с 8:00 до 17:00 (МСК).
Сб–Вс: выходные дни.
Заказы на сайте принимаются круглосуточно. Заявки, поступившие после окончания рабочего дня, обрабатываются на следующий рабочий день.
Минимальная сумма заказа для доставки составляет 3000 рублей. Самовывоз со склада возможен на любую сумму при наличии товара.
ООО «УралТехГрупп»
ИНН: 7415093830
КПП: 772401001
ОГРН: 1167456069021
Банк: ПАО Сбербанк
Р/с: 40702810838000475273
К/с: 30101810400000000225
БИК: 044525225
У подшипника 51306 V/HR22Q2 пока нет отзывов. Вы можете стать первым покупателем, поделившимся своим мнением.