Поиск подшипника
Статьи
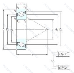
BSD 4072 CG-2RZ — Шариковый упорный однорядный подшипник, модификация основного исполнения 4072, производство SKF.
Размер подшипника: 40x72x15 мм.
Угол контакта α=60, шарикоподшипник. с уплотнением и низким коэффициентом трения с обеих сторон. уплотнение состоит из шайбы из листовой стали с вулканизированной резиной, резьбовой винт со стопором и защелкой.
Международная стандартизации ISO
BSD4072CG2RZ
В наличии
| Обозначение | Конструктивные изменения |
|---|---|
| NNU 4072 KM/W33 | Канавка для смазки и три отверстия во внешнем кольце подшипника. Type Of Model. Двухрядный цилиндрический роликовый подшипник. |
| NNU 4072 M/W33 | Канавка для смазки и три отверстия во внешнем кольце подшипника. Подшипник с латунным сепаратором. центрированный по телам качения. Двухрядный цилиндрический роликовый подшипник. |
| BSD 4072 C | 15° Угол контакта. |
| BSD 4072 CG | Резьбовой винт со стопором и защелкой. |
Модификации шарикового подшипника BSD 4072 CG-2RZ — это измененное основное конструктивное исполнение 4072, основные размеры (40x72x15) не отличаются.
| Обозначение | Гост | Конструктивные особенности |
|---|---|---|
| 40TAB07 | ISO | Шариковый упорный однорядный подшипник. |
| 40TAB07-2LR | ISO | Шариковый упорный однорядный подшипник. |
| 40TAB07-2NK | ISO | Шариковый упорный однорядный подшипник. |
| 40TAC72BDDG | ISO | Шариковый упорный однорядный подшипник. |
| BS 40/72/S 7P62U | ISO | Шариковый упорный однорядный подшипник. |
| BS 40/72 7P62U | ISO | Шариковый упорный однорядный подшипник. |
| SAC4072B | ISO | Конический роликовый подшипник. Угол контакта 20 градусов. |
Аналог шарикового подшипника BSD 4072 CG-2RZ — это подшипник такого же размера dx40,Dx72,Bx15, типа и конструкции.
| Обозначение | Конструктивные особенности | Внутренний (d) | Наружный (D) | Ширина (B) |
|---|---|---|---|---|
| BST40X72-1BP4 | Шариковый радиально-упорный подшипник однонаправленный. Класс точности Р4 по ISO (точнее. чем P5) - Abec.7. Промышленная упаковка. Identification Code. | 40.00 | 72.00 | 15.00 |
| 40TAC72CSUHPN7C | Шариковый радиально-упорный подшипник однонаправленный. 60° Угол контакта. Одиночный универсальный подшипник. Большой преднатяг. Стандартная точность NSK Класс точности 7C (эквивалентно осевому биению Класс 2). | 40.00 | 72.00 | 15.00 |
| BSB4072-2Z-SU | Шариковый радиально-упорный подшипник однонаправленный. Защитные металлические шайбы с обеих сторон подшипника. Одиночный подшипник. | 40.00 | 72.00 | 15.00 |
| BSB040072UJP3 | Шариковый радиально-упорный подшипник однонаправленный. Класс точности ниже. чем P2. но выше. чем P4. | 40.00 | 72.00 | 15.00 |
| 40TAC72B | Шариковый радиально-упорный подшипник однонаправленный. High Capacity & Higher Speed (Replaces “A” Type). | 40.00 | 72.00 | 15.00 |
| BSB4072SU | Шариковый радиально-упорный подшипник однонаправленный. Single. Universally Ground. | 40.00 | 72.00 | 15.00 |
| BSB040072-3B3HP3 | Шариковый радиально-упорный подшипник однонаправленный. Класс точности ниже. чем P2. но выше. чем P4. | 40.00 | 72.00 | 15.00 |
| BSB040072-3TB3THP3 | Шариковый радиально-упорный подшипник однонаправленный. Класс точности ниже. чем P2. но выше. чем P4. | 40.00 | 72.00 | 15.00 |
| 40TAB07U-2RL/GMP4 | Подшипник шариковый однорядный радиально-упорный. Радиально-упорный одиночный подшипник - шлифованный для универсального дуплексирования. Класс точности. Средний предварительный натяг. | 40.00 | 72.00 | 15.00 |
| 40TAB07U/GM | Подшипник шариковый однорядный радиально-упорный. Радиально-упорный одиночный подшипник - шлифованный для универсального дуплексирования. Средний предварительный натяг. | 40.00 | 72.00 | 15.00 |
| BSB040072-T | Шариковый радиально-упорный подшипник однонаправленный. Полиамидный сепаратор. | 40.00 | 72.00 | 15.00 |
| BSB4072-2Z-SU-XL | Шариковый радиально-упорный подшипник однонаправленный. Серия X-Life премиум-класс. увеличиный срок службы. Защитные металлические шайбы с обеих сторон подшипника. Одиночный подшипник. | 40.00 | 72.00 | 15.00 |
| BSB4072-SU-XL | Шариковый радиально-упорный подшипник однонаправленный. Серия X-Life премиум-класс. увеличиный срок службы. Одиночный подшипник. | 40.00 | 72.00 | 15.00 |
| BS40M72.P4A.UM.GN21G | Шариковый радиально-упорный подшипник однонаправленный. Подшипник с чрезвычайно высокой точностью вращения (Abec9) и допуском формы (Abec7). Однорядный. Универсальный. Средний преднатяг. 30–35 % / GN21 Lubrication. | 40.00 | 72.00 | 15.00 |
| B40-121 | Шариковый радиальный однорядный подшипник. Подшипник со специальными размерами. | 40.00 | 72.00 | 14.00 |
Способы доставки
Отправка через ведущие транспортные и курьерские компании: ПЭК, Деловые Линии, СДЭК, Байкал-Сервис, Энергия, КИТ, ЖелДорЭкспедиция.
Самовывоз возможен напрямую со склада в Москве.
Сроки доставки
Срок зависит от региона и выбранной транспортной компании. Все заказы комплектуются и отправляются в кратчайшие сроки со склада в Москве.
Надёжность и сохранность
Вся продукция упаковывается с учётом требований транспортировки. Мы гарантируем, что подшипники и комплектующие прибудут к заказчику в полной сохранности.
Доставка в страны ЕАЭС
Мы работаем с проверенными логистическими партнёрами, что позволяет оперативно доставлять заказы в Беларусь, Казахстан, Армению и другие страны ЕАЭС.
Варианты оплаты:
Минимальная сумма заказа и скидки:
Документы и гарантии:
Да, конечно! Наши технические специалисты готовы помочь вам с подбором точного аналога или замены подшипника. Просто позвоните нам по телефону +7 (495) 104-99-04 или напишите на почту zakaz@podsnab.ru.
Для оперативной консультации подготовьте, пожалуйста, имеющиеся данные: маркировку, размеры, тип оборудования или артикул старого подшипника.
Да, конечно! Мы высоко ценим долгосрочное сотрудничество и доверие клиентов по всей России. Для постоянных клиентов действует персональная система скидок.
Условия формируются индивидуально и зависят от:
Чтобы узнать свои условия и получить максимально выгодное предложение, свяжитесь с персональным менеджером или напишите нам на почту zakaz@podsnab.ru.
Вы можете оформить заказ несколькими способами:
Для оформления заказа от юридического лица свяжитесь с нашим отделом по работе с корпоративными клиентами по телефону +7 (495) 104-99-04 или напишите на email zakaz@podsnab.ru, прикрепив реквизиты вашей организации.
Мы оперативно подготовим коммерческое предложение и выставим счет.
Возврат товара надлежащего качества возможен в течение 10 дней с момента получения, если товар не был в употреблении, сохранен товарный вид, упаковка не вскрывалась и присутствуют все сопроводительные документы.
Возврат денежных средств осуществляется в течение 10 рабочих дней после проверки товара складом.
В соответствии с законодательством возврату не подлежат подшипники надлежащего качества, если отсутствует оригинальная упаковка или имеются следы монтажа.
В случае выявления брака или гарантийного случая мы гарантируем возврат или обмен товара.
Да, гарантийный срок хранения устанавливается заводом-изготовителем и в среднем составляет 2 года при соблюдении условий хранения: сухое помещение, оригинальная упаковка и смазка.
Точный срок для конкретного типа подшипника уточняйте у наших менеджеров.
Пн–Пт: с 8:00 до 17:00 (МСК).
Сб–Вс: выходные дни.
Заказы на сайте принимаются круглосуточно. Заявки, поступившие после окончания рабочего дня, обрабатываются на следующий рабочий день.
Минимальная сумма заказа для доставки составляет 3000 рублей. Самовывоз со склада возможен на любую сумму при наличии товара.
ООО «УралТехГрупп»
ИНН: 7415093830
КПП: 772401001
ОГРН: 1167456069021
Банк: ПАО Сбербанк
Р/с: 40702810838000475273
К/с: 30101810400000000225
БИК: 044525225
У подшипника BSD 4072 CG-2RZ пока нет отзывов. Вы можете стать первым покупателем, поделившимся своим мнением.