Поиск подшипника
Статьи
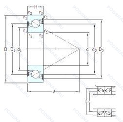
BS 25/62/S 7P62U — Шариковый упорный однорядный подшипник, основное исполнение, производство SNFA.
Размер подшипника: 25x62x15 мм.
Высокая осевая жесткость и грузоподъемность.
Международная стандартизации ISO
BS2562S7P62U
В наличии
| Обозначение | Гост | Конструктивные особенности |
|---|---|---|
| 25TAC62BDDG | ISO | Шариковый упорный однорядный подшипник. |
| 25TAC62B | ISO | Шариковый упорный однорядный подшипник. |
| BSD 2562 CG-2RZ | ISO | Шарикоподшипник. С уплотнением и низким коэффициентом трения с обеих сторон. Уплотнение состоит из шайбы из листовой стали с вулканизированной резиной. Резьбовой винт со стопором и защелкой. |
| BSD 2562 CG | ISO | Резьбовой винт со стопором и защелкой. |
| 25TAB06-2NK | ISO | Шариковый упорный однорядный подшипник. |
| 25TAB06 | ISO | Шариковый упорный однорядный подшипник. |
| 25TAB06-2LR | ISO | Шариковый упорный однорядный подшипник. |
Аналог шарикового подшипника BS 25/62/S 7P62U — это подшипник такого же размера dx25,Dx62,Bx15, типа и конструкции.
| Обозначение | Конструктивные особенности | Внутренний (d) | Наружный (D) | Ширина (B) |
|---|---|---|---|---|
| LD205-2RS | Шариковый радиальный подшипник. Резиновые уплотнения с каждой стороны подшипника. | 25.00 | 62.00 | 15.00 |
| 6-11205 Ш1 | Шариковый радиальный двухрядный подшипник. Нормы шумности. | 25.00 | 62.00 | 16.00 |
| 6-11205 Ш | Шариковый радиальный двухрядный подшипник. Нормы шумности. | 25.00 | 62.00 | 16.00 |
| 8-11205 К | Шариковый радиальный двухрядный подшипник. «Замок» (скос) на внутреннем кольце плюс массивный сепаратор из текстолита. | 25.00 | 62.00 | 16.00 |
| 11205-К | Шариковый радиальный двухрядный подшипник. «Замок» (скос) на внутреннем кольце плюс массивный сепаратор из текстолита. | 25.00 | 62.00 | 16.00 |
| 6305R1SH29TCS35 | Шариковый радиальный однорядный подшипник. Угол контакта 20 градусов. | 25.00 | 62.00 | 16.00 |
| B25-214 | Шариковый радиальный однорядный подшипник. Подшипник со специальными размерами. 7/8. | 25.00 | 62.00 | 16.00 |
| B25-224 | Шариковый радиальный однорядный подшипник. Подшипник со специальными размерами. 1.1/2. | 25.00 | 62.00 | 16.00 |
| 6-7305 А | Роликовый радиальный-упорный однорядный подшипник. Повышенная грузоподъемность. | 25.00 | 62.00 | 15.00 |
| SC05B27 | Шариковый радиальный однорядный подшипник. Угол контакта 40°. | 25.00 | 62.00 | 15.00 |
| SC05B76 | Шариковый радиальный однорядный подшипник. Угол контакта 40°. | 26.00 | 62.00 | 14.00 |
| 6206/25 | Шариковый радиальный однорядный подшипник. Distance Between Beginning Of The Rail And First Hole In MM. | 25.00 | 62.00 | 16.00 |
| 1206-K-TVH-C3 + H206 | Шариковый сферический двухрядный подшипник. Внутренний зазор больше нормального. Коническое отверстие. Конусность 1/12. Твердая клетка из полиамида. | 25.00 | 62.00 | 16.00 |
| BSD 2562 C | Шариковый упорный подшипник. 15° Угол контакта. | 25.00 | 62.00 | 15.00 |
| 43305ЕК | Роликовый радиальный сферический однорядный подшипник. Сепаратор из текстолита.. | 25.00 | 62.00 | 16.00 |
Способы доставки
Отправка через ведущие транспортные и курьерские компании: ПЭК, Деловые Линии, СДЭК, Байкал-Сервис, Энергия, КИТ, ЖелДорЭкспедиция.
Самовывоз возможен напрямую со склада в Москве.
Сроки доставки
Срок зависит от региона и выбранной транспортной компании. Все заказы комплектуются и отправляются в кратчайшие сроки со склада в Москве.
Надёжность и сохранность
Вся продукция упаковывается с учётом требований транспортировки. Мы гарантируем, что подшипники и комплектующие прибудут к заказчику в полной сохранности.
Доставка в страны ЕАЭС
Мы работаем с проверенными логистическими партнёрами, что позволяет оперативно доставлять заказы в Беларусь, Казахстан, Армению и другие страны ЕАЭС.
Варианты оплаты:
Минимальная сумма заказа и скидки:
Документы и гарантии:
Да, конечно! Наши технические специалисты готовы помочь вам с подбором точного аналога или замены подшипника. Просто позвоните нам по телефону +7 (495) 104-99-04 или напишите на почту zakaz@podsnab.ru.
Для оперативной консультации подготовьте, пожалуйста, имеющиеся данные: маркировку, размеры, тип оборудования или артикул старого подшипника.
Да, конечно! Мы высоко ценим долгосрочное сотрудничество и доверие клиентов по всей России. Для постоянных клиентов действует персональная система скидок.
Условия формируются индивидуально и зависят от:
Чтобы узнать свои условия и получить максимально выгодное предложение, свяжитесь с персональным менеджером или напишите нам на почту zakaz@podsnab.ru.
Вы можете оформить заказ несколькими способами:
Для оформления заказа от юридического лица свяжитесь с нашим отделом по работе с корпоративными клиентами по телефону +7 (495) 104-99-04 или напишите на email zakaz@podsnab.ru, прикрепив реквизиты вашей организации.
Мы оперативно подготовим коммерческое предложение и выставим счет.
Возврат товара надлежащего качества возможен в течение 10 дней с момента получения, если товар не был в употреблении, сохранен товарный вид, упаковка не вскрывалась и присутствуют все сопроводительные документы.
Возврат денежных средств осуществляется в течение 10 рабочих дней после проверки товара складом.
В соответствии с законодательством возврату не подлежат подшипники надлежащего качества, если отсутствует оригинальная упаковка или имеются следы монтажа.
В случае выявления брака или гарантийного случая мы гарантируем возврат или обмен товара.
Да, гарантийный срок хранения устанавливается заводом-изготовителем и в среднем составляет 2 года при соблюдении условий хранения: сухое помещение, оригинальная упаковка и смазка.
Точный срок для конкретного типа подшипника уточняйте у наших менеджеров.
Пн–Пт: с 8:00 до 17:00 (МСК).
Сб–Вс: выходные дни.
Заказы на сайте принимаются круглосуточно. Заявки, поступившие после окончания рабочего дня, обрабатываются на следующий рабочий день.
Минимальная сумма заказа для доставки составляет 3000 рублей. Самовывоз со склада возможен на любую сумму при наличии товара.
ООО «УралТехГрупп»
ИНН: 7415093830
КПП: 772401001
ОГРН: 1167456069021
Банк: ПАО Сбербанк
Р/с: 40702810838000475273
К/с: 30101810400000000225
БИК: 044525225
У подшипника BS 25/62/S 7P62U пока нет отзывов. Вы можете стать первым покупателем, поделившимся своим мнением.