Поиск подшипника
Статьи
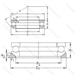
53200+U200 — Шариковый упорный однорядный подшипник, модификация основного исполнения 53200, выпускается производителями: FAG, NKE.
Размер подшипника: 10x28x13 мм.
Аналоги: 18200.
Международная стандартизации ISO
53200U200
В наличии
| Обозначение | Конструктивные изменения |
|---|---|
| 53200 | Шариковый упорный однорядный подшипник. Основное конструктивное исполнение. |
| 53200U | Универсальный одиночный подшипник. |
| 53200U+U200 | Универсальный одиночный подшипник. |
Модификации шарикового подшипника 53200+U200 — это измененное основное конструктивное исполнение 53200, основные размеры (10x28x13) не отличаются.
| Обозначение | Гост | Конструктивные особенности |
|---|---|---|
| 18200 | ГОСТ | Шариковый упорный однорядный подшипник. |
Аналог шарикового подшипника 53200+U200 — это подшипник такого же размера dx10,Dx28,Bx13, типа и конструкции.
| Обозначение | Конструктивные особенности | Внутренний (d) | Наружный (D) | Ширина (B) |
|---|---|---|---|---|
| BRF10-01-501 | Сферический шарнирный подшипник. Правая резьба. | 10.00 | 28.00 | 14.00 |
| SIK10C | Сферический шарнирный подшипник. Сталь/Тефлон. | 10.00 | 29.00 | 14.00 |
| SFLC10H | Сферический шарнирный подшипник. Hard-Chromed Outer Part And Inner Ring. | 10.00 | 29.00 | 14.00 |
| BEM10-60-501 | Сферический шарнирный подшипник. Правая резьба. | 10.00 | 28.00 | 14.00 |
| BEM10-60-502 | Сферический шарнирный подшипник. Левосторонняя резьба. | 10.00 | 28.00 | 14.00 |
| CF10-M10X1.50 | Сферический шарнирный подшипник. Fill Factor %. | 10.00 | 27.00 | 14.00 |
| BEF10-20-501 | Сферический шарнирный подшипник. Distance Between Beginning Of The Rail And First Hole In MM. Правая резьба. | 10.00 | 28.00 | 14.00 |
| SILKB10F/VZ019 | Сферический шарнирный подшипник. Композит Сталь/PTFE. Special Thread According to ISO 8139/1991. CETOP RP 103 P. | 10.00 | 29.00 | 14.00 |
| PHS10EC | Сферический шарнирный подшипник. Сталь/политетрафторэтилен (ПТФЭ). | 10.00 | 29.00 | 14.00 |
| GARSW10X1.25 | Сферический шарнирный подшипник. Distance Between Beginning Of The Rail And First Hole In MM. Специальная фаска. | 10.00 | 28.00 | 14.00 |
| BEF10-61-502-L | Сферический шарнирный подшипник. Одно механическое уплотнение. 3.13/16. Левосторонняя резьба. | 10.00 | 28.00 | 14.00 |
| BEF10-20-502 | Сферический шарнирный подшипник. Distance Between Beginning Of The Rail And First Hole In MM. Левосторонняя резьба. | 10.00 | 28.00 | 14.00 |
| GALS10SN | Сферический шарнирный подшипник. Специальный смазочный ниппель.. | 10.00 | 28.00 | 14.00 |
| EC1-SC0081LLH1ACMPX2/L417 | Шариковый радиальный однорядный подшипник. Подшипник с компенсацией теплового расширения для общего применения. Grease/ Kyodo Yushi/E5 (-30 to +180°C). | 10.00 | 27.00 | 14.00 |
| SIL10T/K | Шарнирный подшипник. Коническое отверстие. Конусность 1/12. Textile Laminated Phenolic Resin. Outer Ring Guided. The Cage Is Suitable For Long-Term Operation At Temperatures Up To 100°C. | 10.00 | 28.00 | 14.00 |
Способы доставки
Отправка через ведущие транспортные и курьерские компании: ПЭК, Деловые Линии, СДЭК, Байкал-Сервис, Энергия, КИТ, ЖелДорЭкспедиция.
Самовывоз возможен напрямую со склада в Москве.
Сроки доставки
Срок зависит от региона и выбранной транспортной компании. Все заказы комплектуются и отправляются в кратчайшие сроки со склада в Москве.
Надёжность и сохранность
Вся продукция упаковывается с учётом требований транспортировки. Мы гарантируем, что подшипники и комплектующие прибудут к заказчику в полной сохранности.
Доставка в страны ЕАЭС
Мы работаем с проверенными логистическими партнёрами, что позволяет оперативно доставлять заказы в Беларусь, Казахстан, Армению и другие страны ЕАЭС.
Варианты оплаты:
Минимальная сумма заказа и скидки:
Документы и гарантии:
Да, конечно! Наши технические специалисты готовы помочь вам с подбором точного аналога или замены подшипника. Просто позвоните нам по телефону +7 (495) 104-99-04 или напишите на почту zakaz@podsnab.ru.
Для оперативной консультации подготовьте, пожалуйста, имеющиеся данные: маркировку, размеры, тип оборудования или артикул старого подшипника.
Да, конечно! Мы высоко ценим долгосрочное сотрудничество и доверие клиентов по всей России. Для постоянных клиентов действует персональная система скидок.
Условия формируются индивидуально и зависят от:
Чтобы узнать свои условия и получить максимально выгодное предложение, свяжитесь с персональным менеджером или напишите нам на почту zakaz@podsnab.ru.
Вы можете оформить заказ несколькими способами:
Для оформления заказа от юридического лица свяжитесь с нашим отделом по работе с корпоративными клиентами по телефону +7 (495) 104-99-04 или напишите на email zakaz@podsnab.ru, прикрепив реквизиты вашей организации.
Мы оперативно подготовим коммерческое предложение и выставим счет.
Возврат товара надлежащего качества возможен в течение 10 дней с момента получения, если товар не был в употреблении, сохранен товарный вид, упаковка не вскрывалась и присутствуют все сопроводительные документы.
Возврат денежных средств осуществляется в течение 10 рабочих дней после проверки товара складом.
В соответствии с законодательством возврату не подлежат подшипники надлежащего качества, если отсутствует оригинальная упаковка или имеются следы монтажа.
В случае выявления брака или гарантийного случая мы гарантируем возврат или обмен товара.
Да, гарантийный срок хранения устанавливается заводом-изготовителем и в среднем составляет 2 года при соблюдении условий хранения: сухое помещение, оригинальная упаковка и смазка.
Точный срок для конкретного типа подшипника уточняйте у наших менеджеров.
Пн–Пт: с 8:00 до 17:00 (МСК).
Сб–Вс: выходные дни.
Заказы на сайте принимаются круглосуточно. Заявки, поступившие после окончания рабочего дня, обрабатываются на следующий рабочий день.
Минимальная сумма заказа для доставки составляет 3000 рублей. Самовывоз со склада возможен на любую сумму при наличии товара.
ООО «УралТехГрупп»
ИНН: 7415093830
КПП: 772401001
ОГРН: 1167456069021
Банк: ПАО Сбербанк
Р/с: 40702810838000475273
К/с: 30101810400000000225
БИК: 044525225
У подшипника 53200+U200 пока нет отзывов. Вы можете стать первым покупателем, поделившимся своим мнением.